| DIAGRAMAS - CIRCUITO DE ARRANQUE DEL MOTOR - NISSAN 2015 - Mecanica Automotriz - INDICE |
Diagramas NISSAN : Engine Starting: - Esquemas - Graphics 2015 - |
| Diagrama - Arrancador / Bateria y conexiones . Vehiculos
NISSAN 2015 En estos diagramas se describen los circuitos que conectan y activan el funcionamiento del Arrancador [Starter, motor de arranque] |
![]() |
| Los Diagramas, listados abajo, se refieren unicamente al Circuito electrico que involucra: Arrancador [starter] - NISSAN 2015 - Arrancador = Starter, Motor de arranque - |
| FRONTIER: S, SV | |
| 2.5L - Cil - QR25DE - 1/4 | Engine Starting |
| 2.5L - Cil - QR25DE - 2/4 | Engine Starting |
| 2.5L - Cil - QR25DE - 3/4 | Engine Starting |
| 2.5L - Cil - QR25DE - 4/4 | Engine Starting |
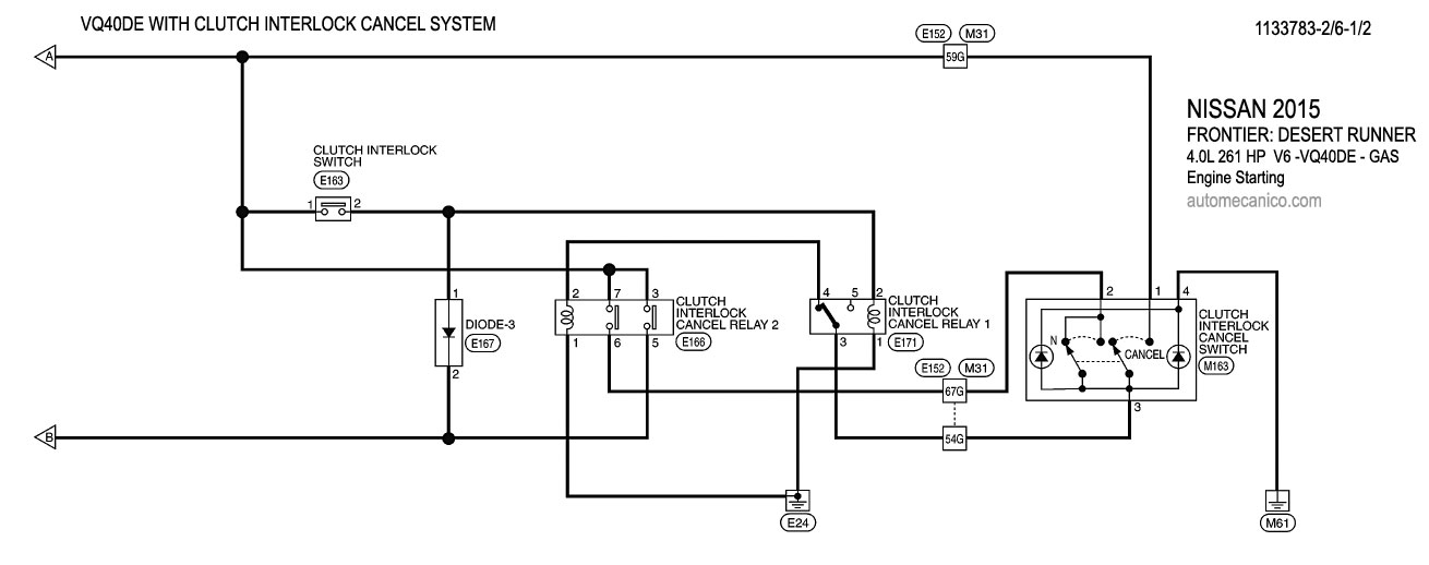
| FRONTIER: Desert Runner | |
| 4.0L - V6 - VR40DE - With Clutch Interlock - 1/6 - 1/2 | Engine Starting |
| 4.0L - V6 - VR40DE - 2/6 | Engine Starting |
| 4.0L - V6 - VR40DE - 3/6 | Engine Starting |
| 4.0L - V6 - VR40DE - 4/6 | Engine Starting |
| 4.0L - V6 - VR40DE - 5/6 | Engine Starting |
| 4.0L - V6 - VR40DE - 6/6 | Engine Starting |
| 4.0L - V6 - VR40DE - With/Out Clutch Interlock - 1/4 - 2/2 | Engine Starting |
| 4.0L - V6 - VR40DE - 2/4 | Engine Starting |
| 4.0L - V6 - VR40DE - 3/4 | Engine Starting |
| 4.0L - V6 - VR40DE - 4/4 | Engine Starting |
| Volver al indice NISSAN 2015 |
