| DIAGRAMAS - CIRCUITO DE ARRANQUE DEL MOTOR - NISSAN 2015 - Mecanica Automotriz - INDICE |
Diagramas NISSAN : Engine Starting: - Esquemas - Graphics 2015 - |
| Diagrama - Arrancador / Bateria y conexiones . Vehiculos
NISSAN 2015 En estos diagramas se describen los circuitos que conectan y activan el funcionamiento del Arrancador [Starter, motor de arranque] |
![]() |
| Los Diagramas, listados abajo, se refieren unicamente al Circuito electrico que involucra: Arrancador [starter] - NISSAN 2015 - Arrancador = Starter, Motor de arranque - |
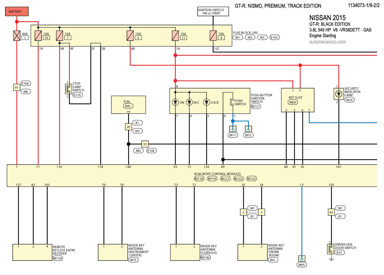
| GT-R: Black Edition, Nismo, Premium, Track Edition | |
| 3.8L - V6 - VR38DETT - 1/5 - 1/2 | Engine Starting |
| 3.8L - V6 - VR38DETT - 2/5 | Engine Starting |
| 3.8L - V6 - VR38DETT - 3/5 | Engine Starting |
| 3.8L - V6 - VR38DETT - 4/5 | Engine Starting |
| 3.8L - V6 - VR38DETT - 5/5 | Engine Starting |
| 3.8L - V6 - VR38DETT - With Intelligent Key - Start Stop - 1/9 - 2/2 | Engine Starting |
| 3.8L - V6 - VR38DETT - 2/9 | Engine Starting |
| 3.8L - V6 - VR38DETT - 3/9 | Engine Starting |
| 3.8L - V6 - VR38DETT - 4/9 | Engine Starting |
| 3.8L - V6 - VR38DETT - 5/9 | Engine Starting |
| 3.8L - V6 - VR38DETT - 6/9 | Engine Starting |
| 3.8L - V6 - VR38DETT - 7/9 | Engine Starting |
| 3.8L - V6 - VR38DETT - 8/9 | Engine Starting |
| 3.8L - V6 - VR38DETT - 9/9 | Engine Starting |
| Volver al indice NISSAN 2015 |
