| DIAGRAMAS - CIRCUITO DE ARRANQUE DEL MOTOR - NISSAN 2015 - Mecanica Automotriz - INDICE |
Diagramas NISSAN : Engine Starting: - Esquemas - Graphics 2015 - |
| Diagrama - Arrancador / Bateria y conexiones . Vehiculos
NISSAN 2015 En estos diagramas se describen los circuitos que conectan y activan el funcionamiento del Arrancador [Starter, motor de arranque] |
![]() |
| Los Diagramas, listados abajo, se refieren unicamente al Circuito electrico que involucra: Arrancador [starter] - NISSAN 2015 - Arrancador = Starter, Motor de arranque - |
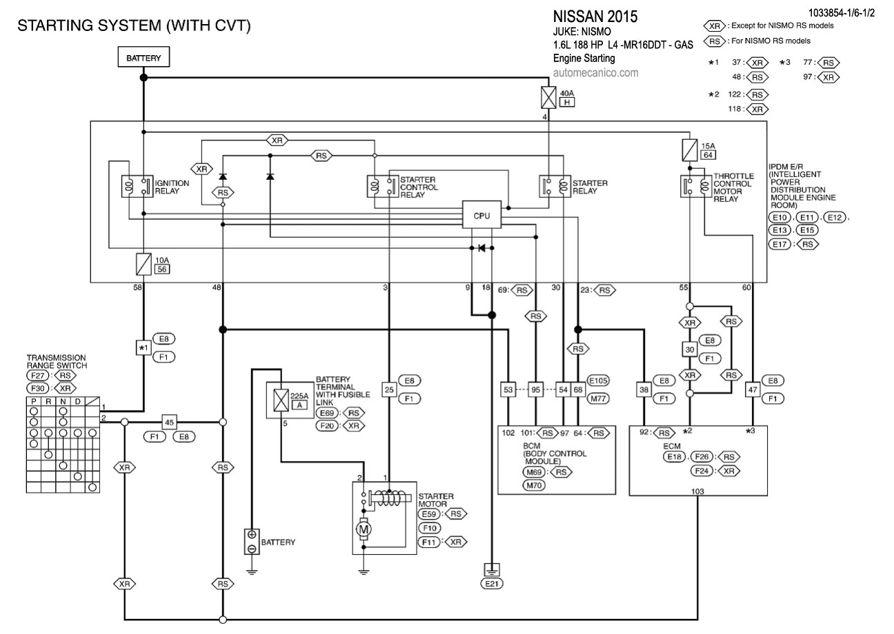
| JUKE: Nismo, S, SL, SV | |
| 1.6L - 4 Cil. - MR16DDT - With CVT - 1/6 - 1/2 | Engine Starting |
| 1.6L - 4 Cil. - MR16DDT - 6/6 - 1/2 | Engine Starting |
| 1.6L - 4 Cil. - MR16DDT - 6/6 - 1/2 | Engine Starting |
| 1.6L - 4 Cil. - MR16DDT - 6/6 - 1/2 | Engine Starting |
| 1.6L - 4 Cil. - MR16DDT - 6/6 - 1/2 | Engine Starting |
| 1.6L - 4 Cil. - MR16DDT - 6/6 - 1/2 | Engine Starting |
| 1.6L - 4 Cil. - MR16DDT - Manual Trans - 1/4 - 2/2 | Engine Starting |
| 1.6L - 4 Cil. - MR16DDT - 2/4 - 2/2 | Engine Starting |
| 1.6L - 4 Cil. - MR16DDT - 3/4 - 2/2 | Engine Starting |
| 1.6L - 4 Cil. - MR16DDT - 4/4 - 2/2 | Engine Starting |
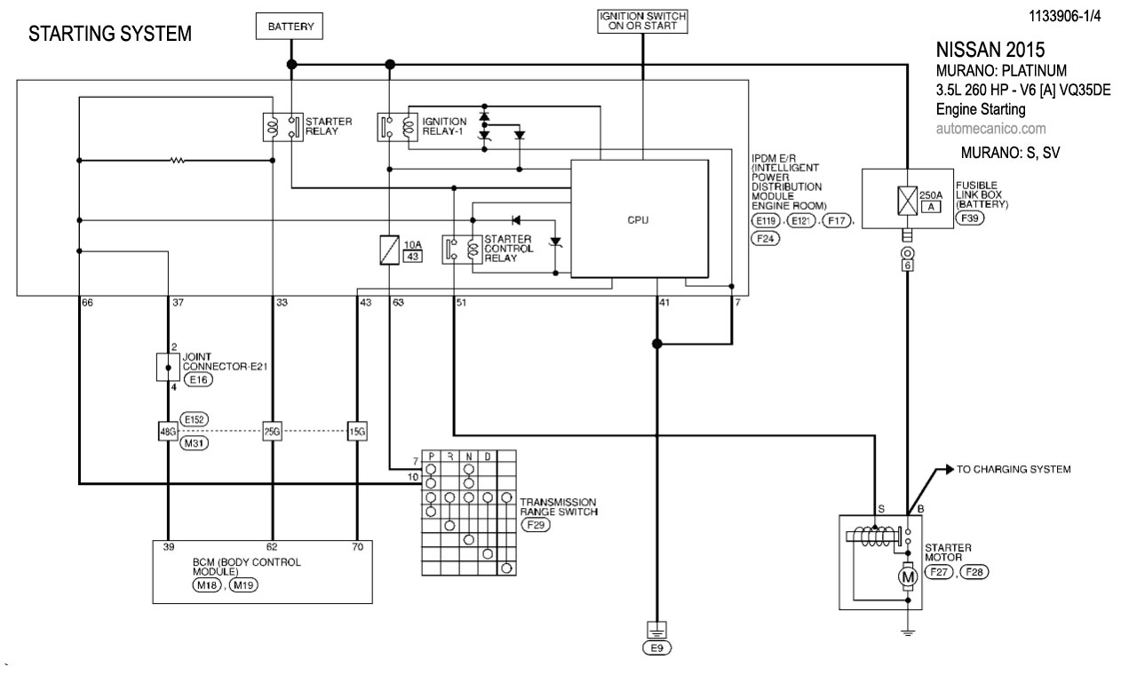
| MURANO: Platinum, S, SV | |
| 3.5L - V6 - VQ35DE - 1/4 | Engine Starting |
| 3.5L - V6 - VQ35DE - 2/4 | Engine Starting |
| 3.5L - V6 - VQ35DE - 3/4 | Engine Starting |
| 3.5L - V6 - VQ35DE - 4/4 | Engine Starting |
| NV200: S, SV | |
| 2.0L - 4 Cil. - MR20DE - 1/5 | Engine Starting |
| 2.0L - 4 Cil. - MR20DE - 2/5 | Engine Starting |
| 2.0L - 4 Cil. - MR20DE - 3/5 | Engine Starting |
| 2.0L - 4 Cil. - MR20DE - 4/5 | Engine Starting |
| 2.0L - 4 Cil. - MR20DE - 5/5 | Engine Starting |
| Volver al indice NISSAN 2015 |
