| DIAGRAMAS - CIRCUITO DE ARRANQUE DEL MOTOR - NISSAN 2015 - Mecanica Automotriz - INDICE |
Diagramas NISSAN : Engine Starting: - Esquemas - Graphics 2015 - |
| Diagrama - Arrancador / Bateria y conexiones . Vehiculos
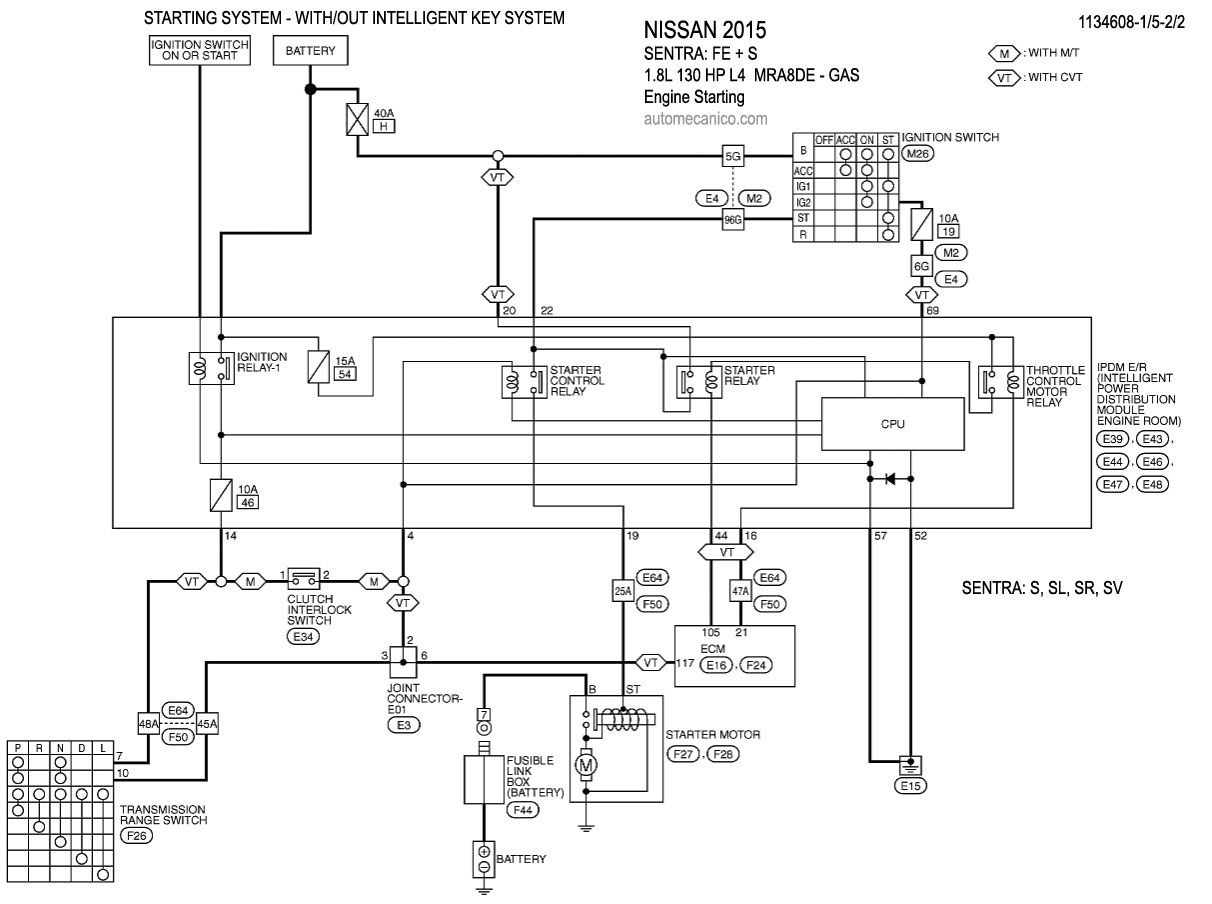
NISSAN 2015 En estos diagramas se describen los circuitos que conectan y activan el funcionamiento del Arrancador [Starter, motor de arranque] |
![]() |
| Los Diagramas, listados abajo, se refieren unicamente al Circuito electrico que involucra: Arrancador [starter] - NISSAN 2015 - Arrancador = Starter, Motor de arranque - |
| SENTRA: FE + S | |
| 1.8L - 4 Cil. MRA8DE - With/ Intelligent Key - 1/5 - 1/2 | Engine Starting |
| 1.8L - 4 Cil. MRA8DE - 2/5 | Engine Starting |
| 1.8L - 4 Cil. MRA8DE - 3/5 | Engine Starting |
| 1.8L - 4 Cil. MRA8DE - 4/5 | Engine Starting |
| 1.8L - 4 Cil. MRA8DE - 5/5 | Engine Starting |
| 1.8L - 4 Cil. MRA8DE - With/Out Intelligent Key -1/5 - 2/2 | Engine Starting |
| 1.8L - 4 Cil. MRA8DE - 2/5 | Engine Starting |
| 1.8L - 4 Cil. MRA8DE - 3/5 | Engine Starting |
| 1.8L - 4 Cil. MRA8DE - 4/5 | Engine Starting |
| 1.8L - 4 Cil. MRA8DE - 5/5 | Engine Starting |
| TITAN: PRO-4X, S, SL, SV | |
| 5.6L - V8 - VK56DE - 1/4 | Engine Starting |
| 5.6L - V8 - VK56DE - 2/4 | Engine Starting |
| 5.6L - V8 - VK56DE - 3/4 | Engine Starting |
| 5.6L - V8 - VK56DE - 4/4 | Engine Starting |
| Volver al indice NISSAN 2015 |
