| DIAGRAMAS - CIRCUITO DE ARRANQUE DEL MOTOR - NISSAN 2015 - Mecanica Automotriz - INDICE |
Diagramas NISSAN : Engine Starting: - Esquemas - Graphics 2015 - |
| Diagrama - Arrancador / Bateria y conexiones . Vehiculos
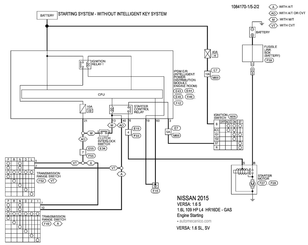
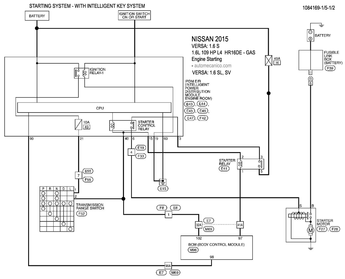
NISSAN 2015 En estos diagramas se describen los circuitos que conectan y activan el funcionamiento del Arrancador [Starter, motor de arranque] |
![]() |
| Los Diagramas, listados abajo, se refieren unicamente al Circuito electrico que involucra: Arrancador [starter] - NISSAN 2015 - Arrancador = Starter, Motor de arranque - |
| VERSA: S, SL, SV | |
| 1.6L - 4 Cil. - HR16DE - With/ Intelligent Key - 1/5 - 1/2 | Engine Starting |
| 1.6L - 4 Cil. - HR16DE - 2/5 - 1/2 | Engine Starting |
| 1.6L - 4 Cil. - HR16DE - 3/5 - 1/2 | Engine Starting |
| 1.6L - 4 Cil. - HR16DE - 4/5 - 1/2 | Engine Starting |
| 1.6L - 4 Cil. - HR16DE - 5/5 - 1/2 | Engine Starting |
| 1.6L - 4 Cil. - HR16DE - With/Out Intelligent Key - 1/5 - 2/2 | Engine Starting |
| 1.6L - 4 Cil. - HR16DE - 2/5 - 2/2 | Engine Starting |
| 1.6L - 4 Cil. - HR16DE - 3/5 - 2/2 | Engine Starting |
| 1.6L - 4 Cil. - HR16DE - 4/5 - 2/2 | Engine Starting |
| 1.6L - 4 Cil. - HR16DE - 5/5 - 2/2 | Engine Starting |
| VERSA NOTE: S, SL, SR, SV | |
| 1.6L - 4 Cil. - HR16DE - With/ Intelligent Key - 1/6 - 1/2 | Engine Starting |
| 1.6L - 4 Cil. - HR16DE - 2/6 - 2/2 | Engine Starting |
| 1.6L - 4 Cil. - HR16DE - 3/6 - 2/2 | Engine Starting |
| 1.6L - 4 Cil. - HR16DE - 4/6 - 2/2 | Engine Starting |
| 1.6L - 4 Cil. - HR16DE - 5/6 - 2/2 | Engine Starting |
| 1.6L - 4 Cil. - HR16DE - 6/6 - 2/2 | Engine Starting |
| 1.6L - 4 Cil. - HR16DE - With/Out Intelligent Key - 1/5 - 2/2 | Engine Starting |
| 1.6L - 4 Cil. - HR16DE - 2/5 - 2/2 | Engine Starting |
| 1.6L - 4 Cil. - HR16DE - 3/5 - 2/2 | Engine Starting |
| 1.6L - 4 Cil. - HR16DE - 4/5 - 2/2 | Engine Starting |
| 1.6L - 4 Cil. - HR16DE - 5/5 - 2/2 | Engine Starting |
| Volver al indice NISSAN 2015 |
