| DIAGRAMAS - CIRCUITO DE ARRANQUE DEL MOTOR - NISSAN 2015 - Mecanica Automotriz - INDICE |
Diagramas NISSAN : Engine Starting: - Esquemas - Graphics 2015 - |
| Diagrama - Arrancador / Bateria y conexiones . Vehiculos
NISSAN 2015 En estos diagramas se describen los circuitos que conectan y activan el funcionamiento del Arrancador [Starter, motor de arranque] |
![]() |
| Los Diagramas, listados abajo, se refieren unicamente al Circuito electrico que involucra: Arrancador [starter] - NISSAN 2015 - Arrancador = Starter, Motor de arranque - |
| XTERRA: PRO-4X, S, X, | |
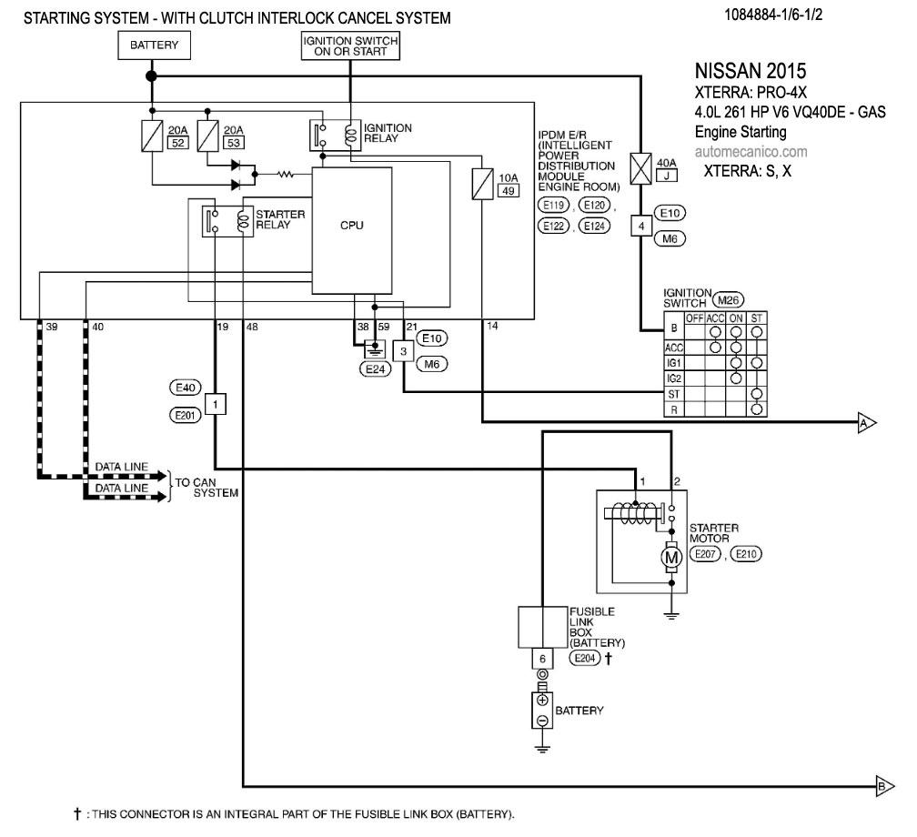
| 4.0L - V6 - VQ40DE- With clutch interlock - 1/6 - 1/2 | Engine Starting |
| 4.0L - V6 - VQ40DE- 2/6 | Engine Starting |
| 4.0L - V6 - VQ40DE- 3/6 | Engine Starting |
| 4.0L - V6 - VQ40DE- 4/6 | Engine Starting |
| 4.0L - V6 - VQ40DE- 5/6 | Engine Starting |
| 4.0L - V6 - VQ40DE- 6/6 | Engine Starting |
| 4.0L - V6 - VQ40DE- With/Out clutch interlock -1/4 - 2/2 | Engine Starting |
| 4.0L - V6 - VQ40DE- 2/4 | Engine Starting |
| 4.0L - V6 - VQ40DE- 3/4 | Engine Starting |
| 4.0L - V6 - VQ40DE- 4/4 | Engine Starting |
| 370Z : Nismo, Sport, Touring | |
| 3.7L - V6 - VQ37VHR - 1/1 | Engine Starting |
| 3.7L - V6 - VQ37VHR - 2/1 | Engine Starting |
| 3.7L - V6 - VQ37VHR - 3/1 | Engine Starting |
| 3.7L - V6 - VQ37VHR - 4/1 | Engine Starting |
| Volver al indice NISSAN 2015 |
