| CONTROL DEL MOTOR - ENGINE CONTROL - DIAGRAMAS - ESQUEMAS - CHEVROLET 2005 |
DIAGRAMAS - CHEVROLET: Silverado 3500 - 2005 - |
| Diagramas especificos que representan el circuito que controla el
funcionamiento del motor. Que es un Diagrama?, para que sirve un Diagrama electrico automotriz?. En Mecanica: Podemos describir un Diagrama, como: Grafica que representa la relacion entre los diferentes componentes de un conjunto, o sistema electrico, permitiendonos ubicar estos componentes dentro de un circuito. De esta manera se facilita el estudio, y el analisis de un problema; y su posible solucion |
| DIAGRAMAS Control del motor / CHEVROLET: Silverado 3500 - 2005 - |
| Año | CHEVROLET | SILVERADO 3500 6.0L V8 |
| 2005 | 3500 6.0L V8 | CONTROL DEL MOTOR 1/5 |
| 2005 | 3500 6.0L V8 | CONTROL DEL MOTOR 2/5 |
| 2005 | 3500 6.0L V8 | CONTROL DEL MOTOR 3/5 |
| 2005 | 3500 6.0L V8 | CONTROL DEL MOTOR 4/5 |
| 2005 | 3500 6.0L V8 | CONTROL DEL MOTOR 5/5 |
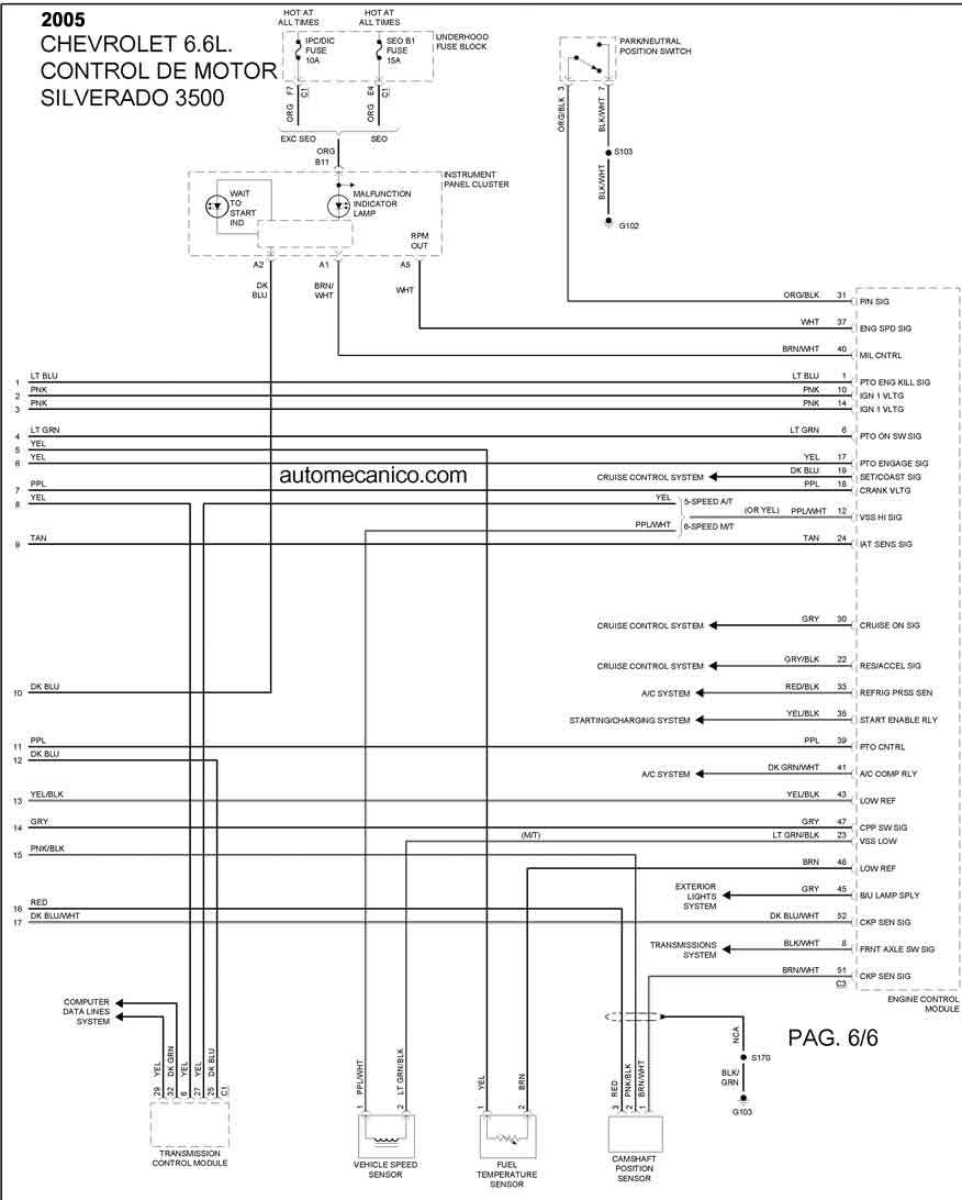
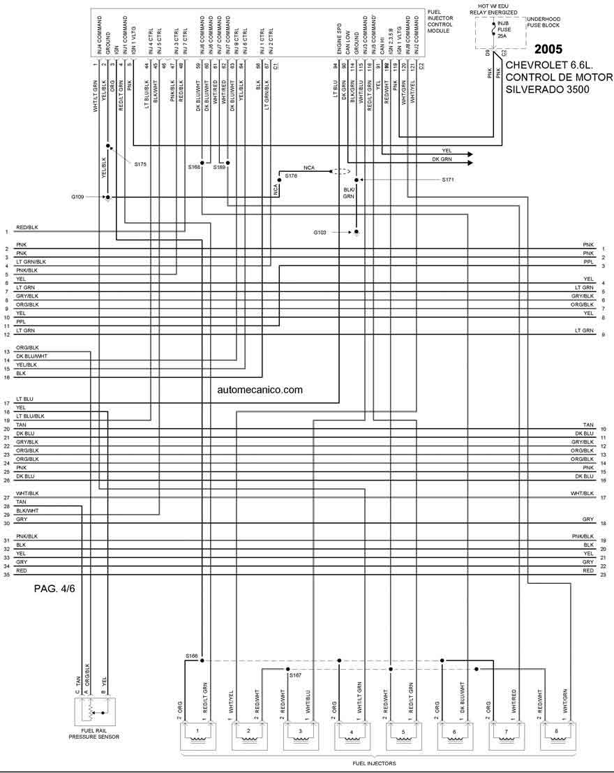
| Año | CHEVROLET - Diesel | SILVERADO 3500 6.6L V8 |
| 2005 | 3500 6.6L V8 - Diesel | CONTROL DEL MOTOR 1/6 |
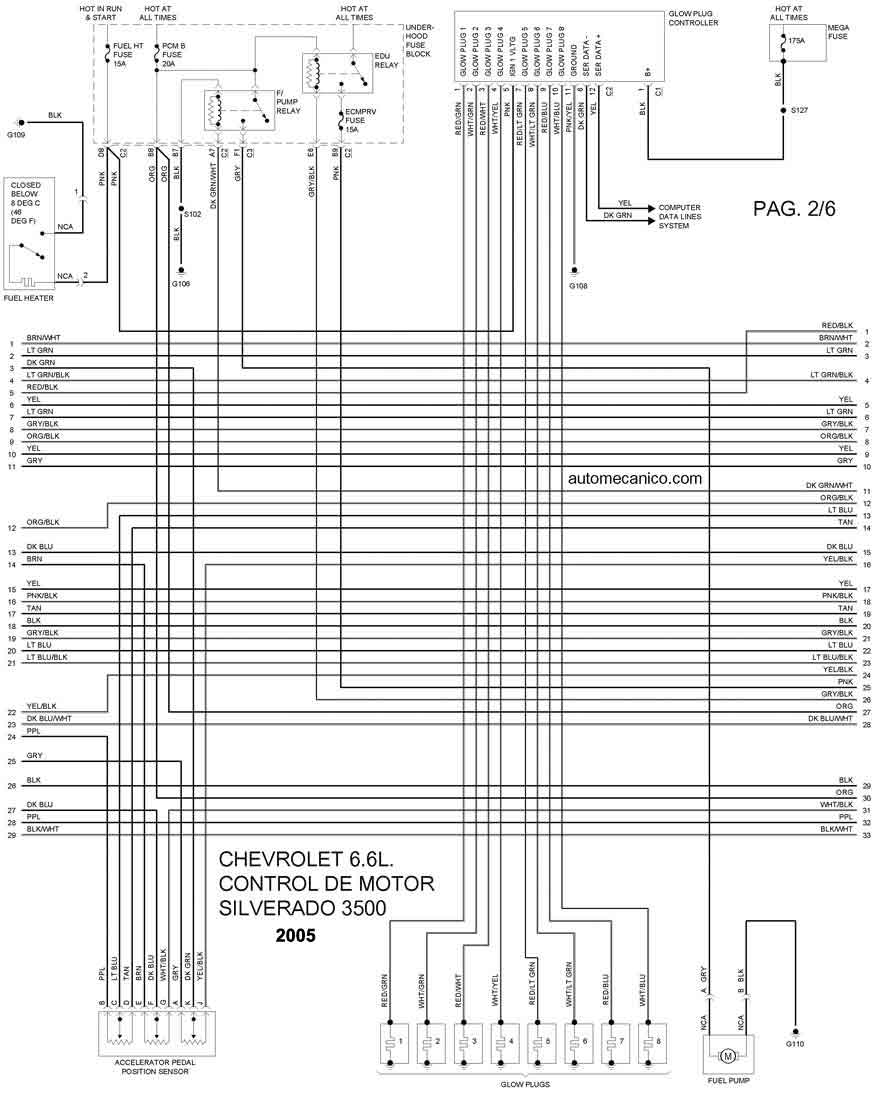
| 2005 | 3500 6.6L V8 | CONTROL DEL MOTOR 2/6 |
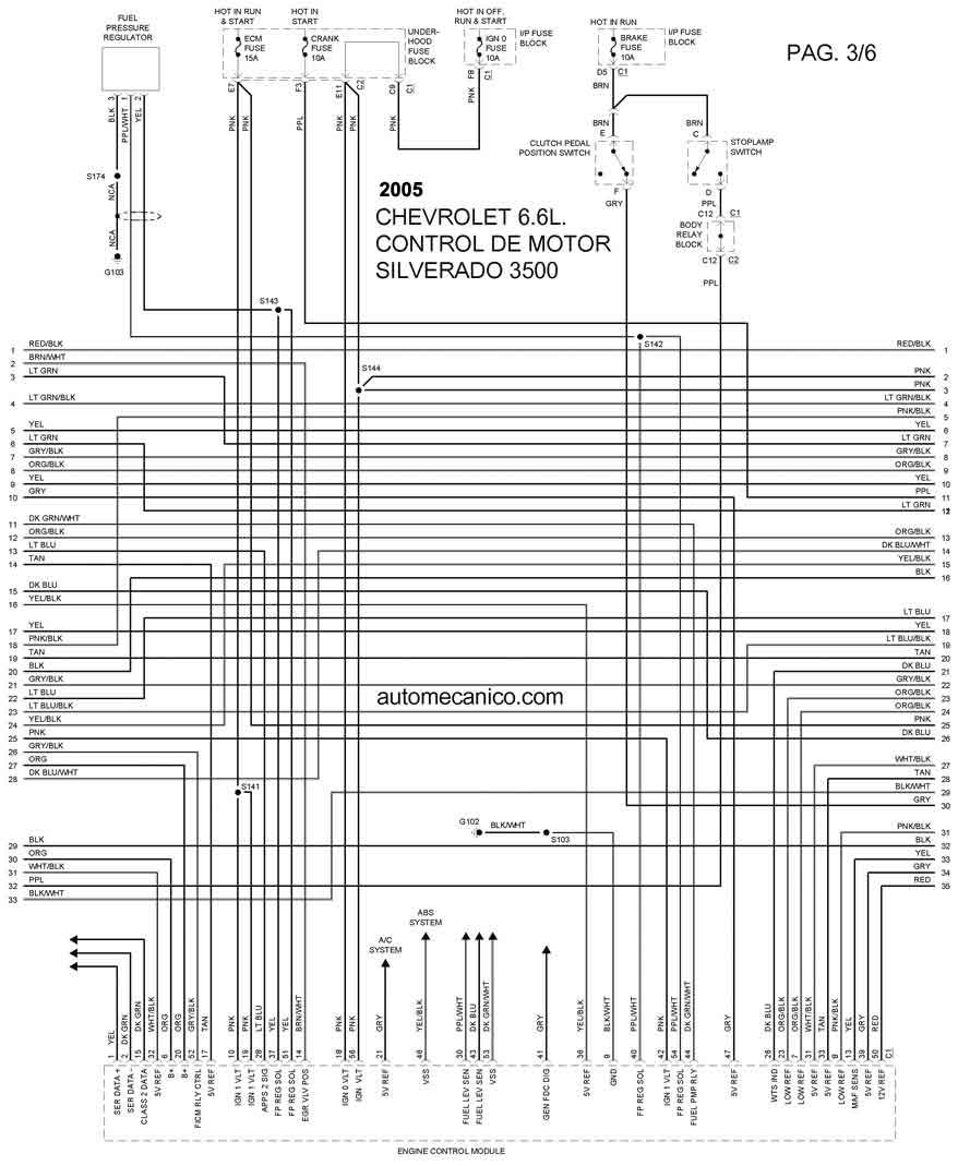
| 2005 | 3500 6.6L V8 | CONTROL DEL MOTOR 3/6 |
| 2005 | 3500 6.6L V8 | CONTROL DEL MOTOR 4/6 |
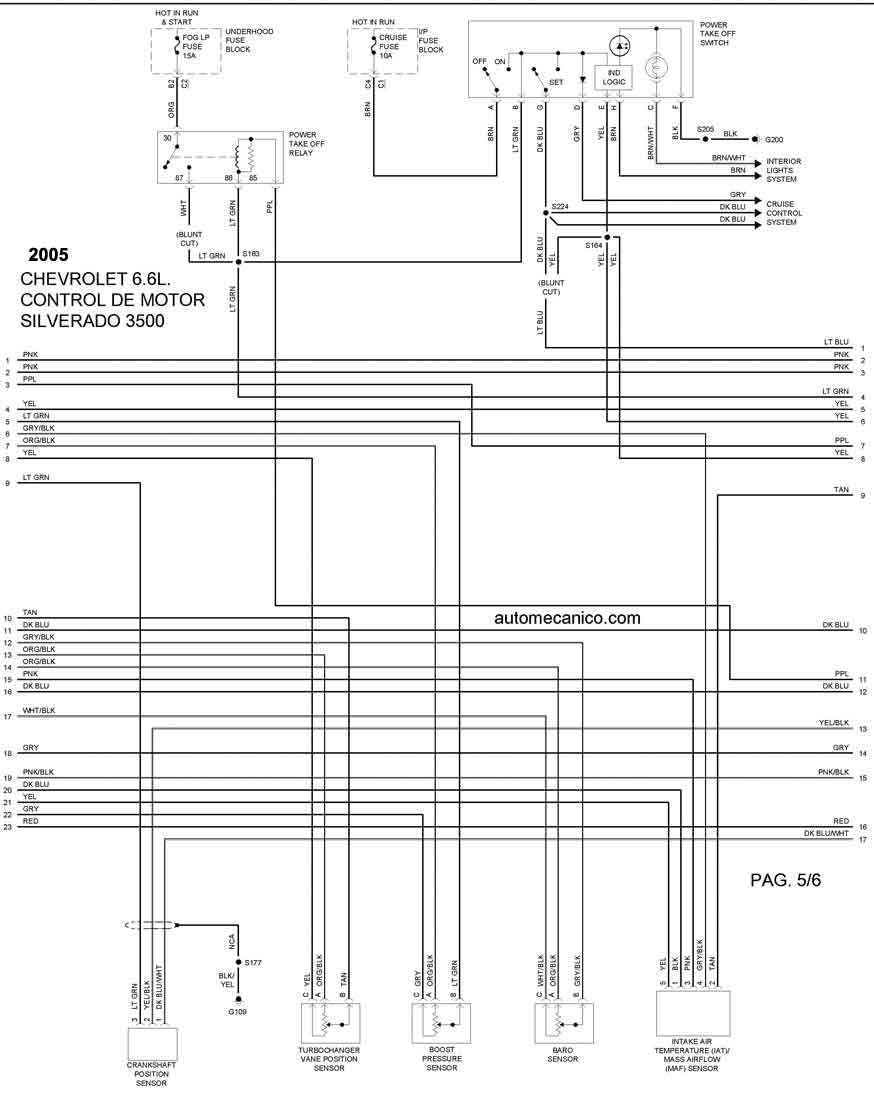
| 2005 | 3500 6.6L V8 | CONTROL DEL MOTOR 5/6 |
| 2005 | 3500 6.6L V8 | CONTROL DEL MOTOR 6/6 |
| Año | CHEVROLET | SILVERADO 3500 8.1L V8 |
| 2005 | 3500 8.1L V8 | CONTROL DEL MOTOR 1/5 |
| 2005 | 3500 8.1L V8 | CONTROL DEL MOTOR 2/5 |
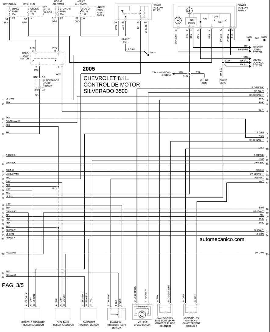
| 2005 | 3500 8.1L V8 | CONTROL DEL MOTOR 3/5 |
| 2005 | 3500 8.1L V8 | CONTROL DEL MOTOR 4/5 |
| 2005 | 3500 8.1L V8 | CONTROL DEL MOTOR 5/5 |