| CONTROL DEL MOTOR - ENGINE CONTROL - DIAGRAMAS - ESQUEMAS - CHEVROLET 2005 |
DIAGRAMAS - CHEVROLET: Tahoe - 2005 - |
| Diagramas especificos que representan el circuito que controla el
funcionamiento del motor. Que es un Diagrama?, para que sirve un Diagrama electrico automotriz?. En Mecanica: Podemos describir un Diagrama, como: Grafica que representa la relacion entre los diferentes componentes de un conjunto, o sistema electrico, permitiendonos ubicar estos componentes dentro de un circuito. De esta manera se facilita el estudio, y el analisis de un problema; y su posible solucion |
| DIAGRAMAS Control del motor / CHEVROLET: Tahoe - 2005 - |
| Año | CHEVROLET | TAHOE 4.8L V8 |
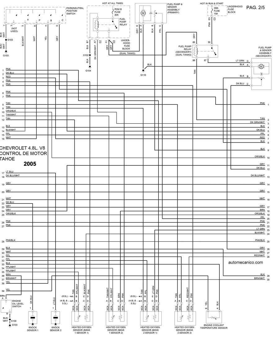
| 2005 | TAHOE 4.8L V8 | CONTROL DEL MOTOR 1/5 |
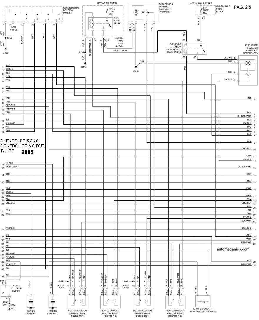
| 2005 | TAHOE 4.8L V8 | CONTROL DEL MOTOR 2/5 |
| 2005 | TAHOE 4.8L V8 | CONTROL DEL MOTOR 3/5 |
| 2005 | TAHOE 4.8L V8 | CONTROL DEL MOTOR 4/5 |
| 2005 | TAHOE 4.8L V8 | CONTROL DEL MOTOR 5/5 |
| Año | CHEVROLET | TAHOE 5.3L V8 |
| 2005 | TAHOE 5.3L V8 | CONTROL DEL MOTOR 1/5 |
| 2005 | TAHOE 5.3L V8 | CONTROL DEL MOTOR 2/5 |
| 2005 | TAHOE 5.3L V8 | CONTROL DEL MOTOR 3/5 |
| 2005 | TAHOE 5.3L V8 | CONTROL DEL MOTOR 4/5 |
| 2005 | TAHOE 5.3L V8 | CONTROL DEL MOTOR 5/5 |