| CONTROL DEL MOTOR - ENGINE CONTROL - DIAGRAMAS - ESQUEMAS - CHEVROLET 1998 |
DIAGRAMAS - CHEVROLET: K2500 PICK-UP - 1998 - |
| Diagramas especificos que representan el circuito que controla el
funcionamiento del motor. Que es un Diagrama?, para que sirve un Diagrama electrico automotriz?. En Mecanica: Podemos describir un Diagrama, como: Grafica que representa la relacion entre los diferentes componentes de un conjunto, o sistema electrico, permitiendonos ubicar estos componentes dentro de un circuito. De esta manera se facilita el estudio, y el analisis de un problema; y su posible solucion |
| DIAGRAMAS Control del motor / CHEVROLET: K2500 PICK-UP - 1998 - |
| Año | CHEVROLET | K2500 PICKUP 5.0L V8 1998 |
| 1998 | K2500 PICKUP 5.0L V8 | CONTROL DEL MOTOR 1/4 |
| 1998 | K2500 PICKUP 5.0L V8 | CONTROL DEL MOTOR 2/4 |
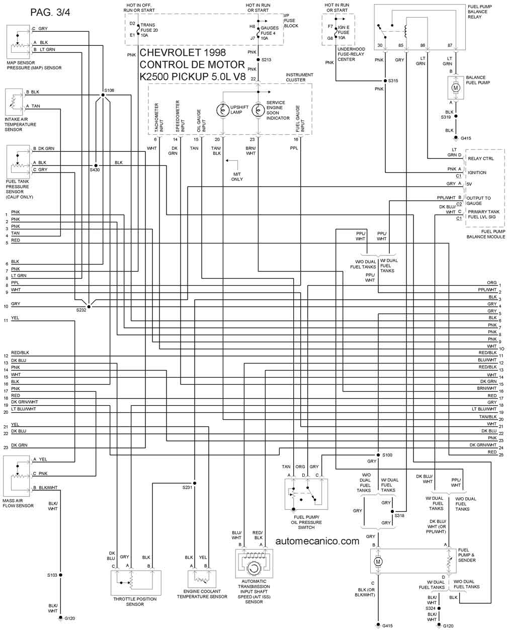
| 1998 | K2500 PICKUP 5.0L V8 | CONTROL DEL MOTOR 3/4 |
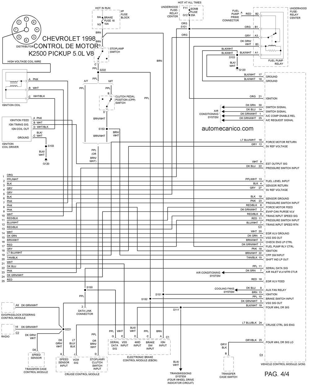
| 1998 | K2500 PICKUP 5.0L V8 | CONTROL DEL MOTOR 4/4 |
| Año | CHEVROLET | K2500 PICKUP 5.7L [350] V8 1998 |
| 1998 | K2500 PICKUP 5.7L V8 | CONTROL DEL MOTOR 1/4 |
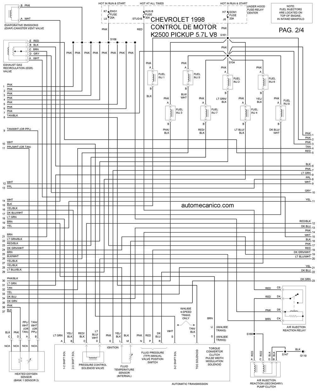
| 1998 | K2500 PICKUP 5.7L V8 | CONTROL DEL MOTOR 2/4 |
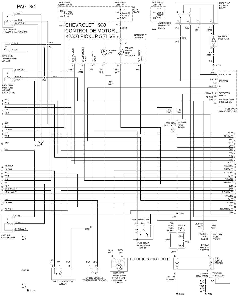
| 1998 | K2500 PICKUP 5.7L V8 | CONTROL DEL MOTOR 3/4 |
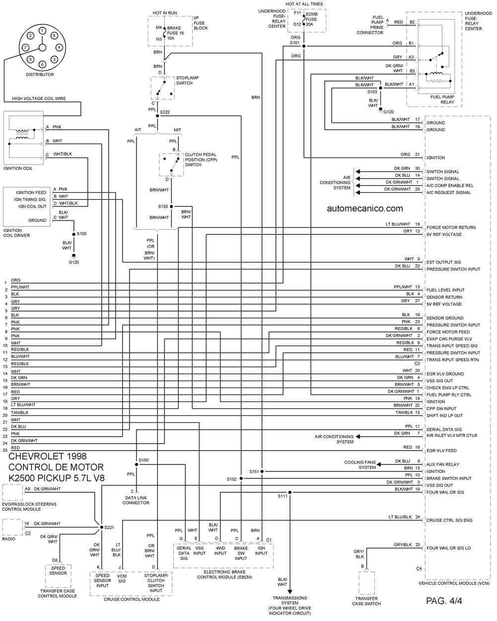
| 1998 | K2500 PICKUP 5.7L V8 | CONTROL DEL MOTOR 4/4 |
| Año | CHEVROLET - Diesel | K2500 PICKUP 6.5L V8 Diesel 1998 |
| 1998 | K2500 PICKUP 6.5L V8 | CONTROL DEL MOTOR 1/4 |
| 1998 | K2500 PICKUP 6.5L V8 | CONTROL DEL MOTOR 2/4 |
| 1998 | K2500 PICKUP 6.5L V8 | CONTROL DEL MOTOR 3/4 |
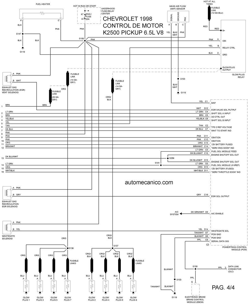
| 1998 | K2500 PICKUP 6.5L V8 | CONTROL DEL MOTOR 4/4 |
| Año | CHEVROLET | K2500 PICKUP 7.4L V8 1998 |
| 1998 | K2500 PICKUP 7.4L V8 | CONTROL DEL MOTOR 1/4 |