| CONTROL DEL MOTOR - ENGINE CONTROL - DIAGRAMAS - ESQUEMAS - FORD 1998 |
DIAGRAMAS - FORD: Contour, Crown Victoria - 1998 - |
| Diagramas - Esquemas relacionado al circuito que controla el
funcionamiento del motor [Sensores y actuadores] Que es un Diagrama?, para que sirve un Diagrama electrico automotriz?. En Mecanica: Podemos describir un Diagrama, como: Grafica que representa la relacion entre los diferentes componentes de un conjunto, o sistema electrico, permitiendonos ubicar estos componentes dentro de un circuito. De esta manera se facilita el estudio, y el analisis de un problema; y su posible solucion |
| DIAGRAMAS Control del motor / FORD: Contour, Crown Victoria - 1998 - |
| Año | FORD | CONTOUR 2.5L V6 1998 |
| 1998 | CONTOUR 2.5L V6 | CONTROL DEL MOTOR 1/3 |
| 1998 | CONTOUR 2.5L V6 | CONTROL DEL MOTOR 1/2 |
| 1998 | CONTOUR 2.5L V6 | CONTROL DEL MOTOR 1/3 |
| Año | FORD | CROWN VICTORIA 4.6L V8 1998 |
| 1998 | CROWN VICTORIA 4.6L V8 | CONTROL DEL MOTOR 1/9 |
| 1998 | CROWN VICTORIA 4.6L V8 | CONTROL DEL MOTOR 2/9 |
| 1998 | CROWN VICTORIA 4.6L V8 | CONTROL DEL MOTOR 3/9 |
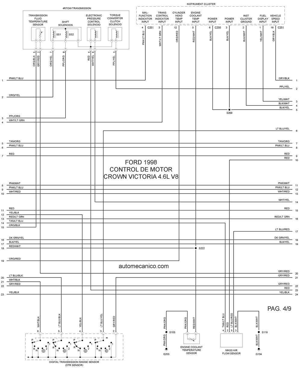
| 1998 | CROWN VICTORIA 4.6L V8 | CONTROL DEL MOTOR 4/9 |
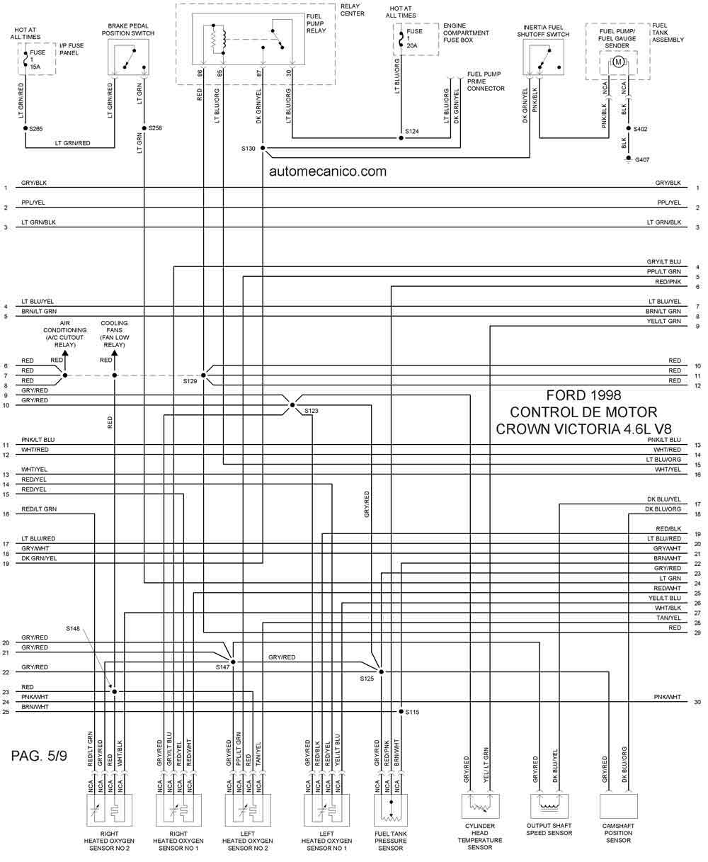
| 1998 | CROWN VICTORIA 4.6L V8 | CONTROL DEL MOTOR 5/9 |
| 1998 | CROWN VICTORIA 4.6L V8 | CONTROL DEL MOTOR 6/9 |
| 1998 | CROWN VICTORIA 4.6L V8 | CONTROL DEL MOTOR 7/9 |
| 1998 | CROWN VICTORIA 4.6L V8 | CONTROL DEL MOTOR 8/9 |
| 1998 | CROWN VICTORIA 4.6L V8 | CONTROL DEL MOTOR 9/9 |