| CONTROL DEL MOTOR - ENGINE CONTROL - DIAGRAMAS - ESQUEMAS - FORD 1998 |
DIAGRAMAS - FORD: E-250 - E-350 - ECONOLINE - 1998 - |
| Diagramas - Esquemas relacionado al circuito que controla el
funcionamiento del motor [Sensores y actuadores] Que es un Diagrama?, para que sirve un Diagrama electrico automotriz?. En Mecanica: Podemos describir un Diagrama, como: Grafica que representa la relacion entre los diferentes componentes de un conjunto, o sistema electrico, permitiendonos ubicar estos componentes dentro de un circuito. De esta manera se facilita el estudio, y el analisis de un problema; y su posible solucion |
| DIAGRAMAS Control del motor / FORD: E-250 - E-350 - ECONOLINE - 1998 - |
| Año | FORD | E-250 ECONOLINE 4.2L V6 CIL |
| 1998 | E-250 ECONOLINE 4.2L V6 | CONTROL DEL MOTOR 1/4 |
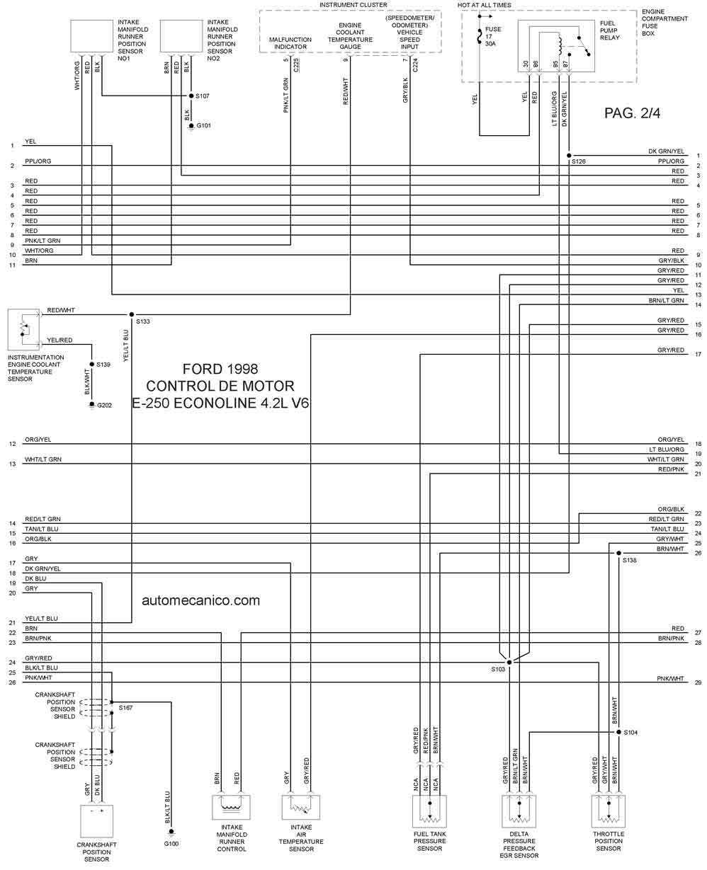
| 1998 | E-250 ECONOLINE 4.2L V6 | CONTROL DEL MOTOR 2/4 |
| 1998 | E-250 ECONOLINE 4.2L V6 | CONTROL DEL MOTOR 3/4 |
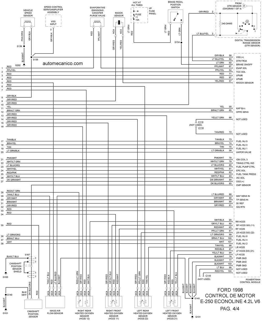
| 1998 | E-250 ECONOLINE 4.2L V6 | CONTROL DEL MOTOR 4/4 |
| Año | FORD | E-250 ECONOLINE 5.4L V8 CIL |
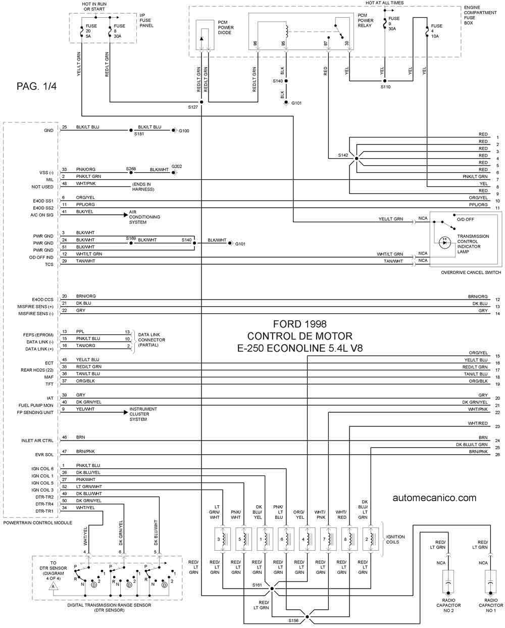
| 1998 | E-250 ECONOLINE 5.4L V8 | CONTROL DEL MOTOR 1/4 |
| 1998 | E-250 ECONOLINE 5.4L V8 | CONTROL DEL MOTOR 2/4 |
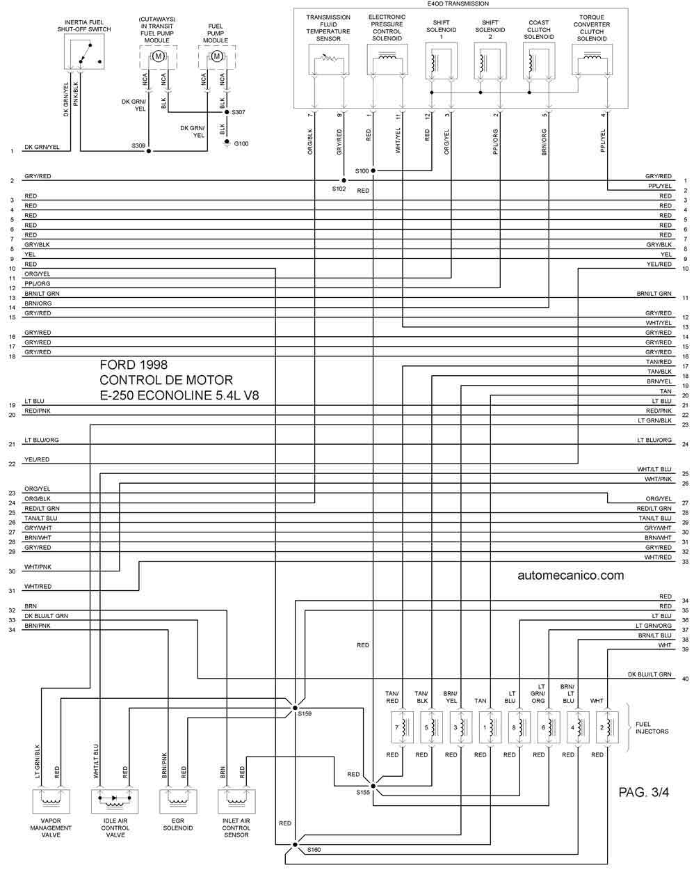
| 1998 | E-250 ECONOLINE 5.4L V8 | CONTROL DEL MOTOR 3/4 |
| 1998 | E-250 ECONOLINE 5.4L V8 | CONTROL DEL MOTOR 4/4 |
| Año | FORD | E-350 ECONOLINE 5.4L V8 CIL |
| 1998 | E-350 ECONOLINE 5.4L V8 | CONTROL DEL MOTOR 1/4 |
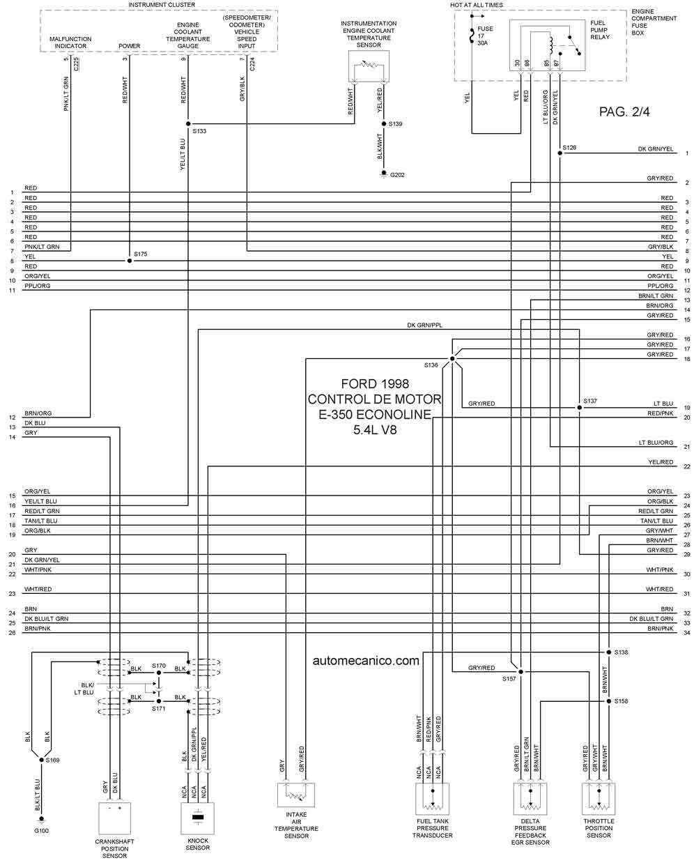
| 1998 | E-350 ECONOLINE 5.4L V8 | CONTROL DEL MOTOR 2/4 |
| 1998 | E-350 ECONOLINE 5.4L V8 | CONTROL DEL MOTOR 3/4 |
| 1998 | E-350 ECONOLINE 5.4L V8 | CONTROL DEL MOTOR 4/4 |
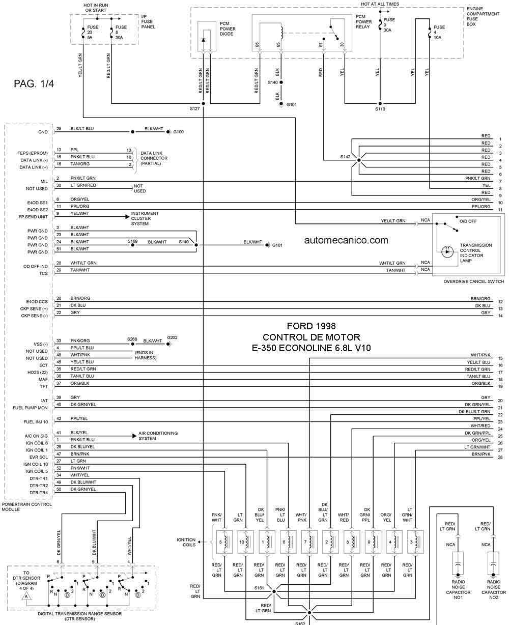
| Año | FORD | E-350 ECONOLINE 6.8L V10 CIL |
| 1998 | E-350 ECONOLINE 6.8L V10 | CONTROL DEL MOTOR 1/4 |
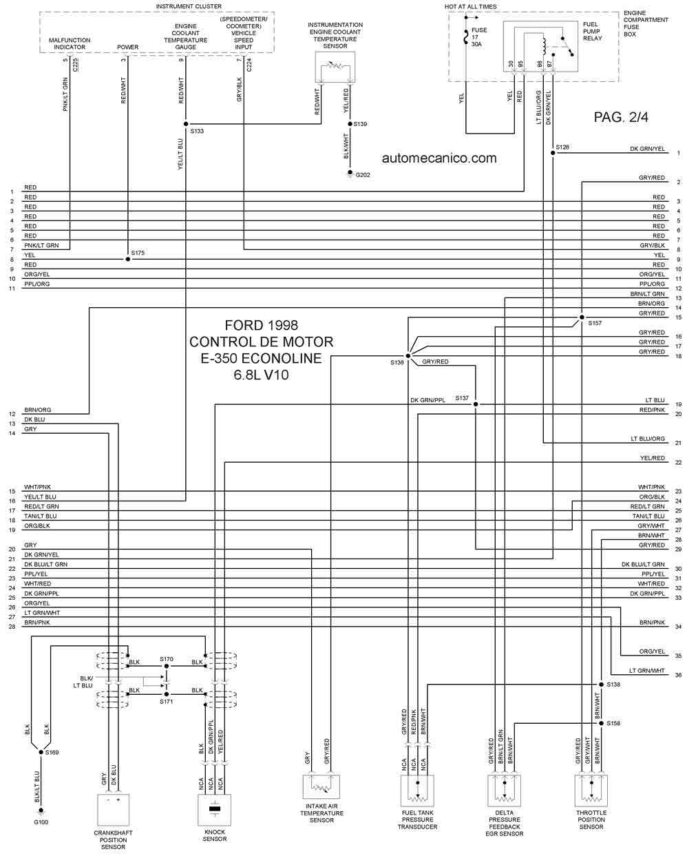
| 1998 | E-350 ECONOLINE 6.8L V10 | CONTROL DEL MOTOR 2/4 |
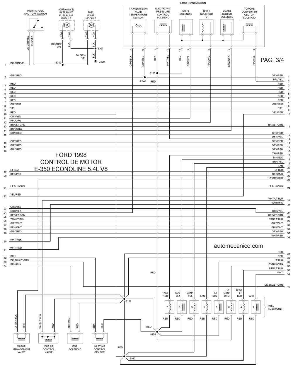
| 1998 | E-350 ECONOLINE 6.8L V10 | CONTROL DEL MOTOR 3/4 |
| 1998 | E-350 ECONOLINE 6.8L V10 | CONTROL DEL MOTOR 4/4 |