| CONTROL DEL MOTOR - ENGINE CONTROL - DIAGRAMAS - ESQUEMAS - MERCURY 2005 |
DIAGRAMAS - MERCURY: Mariner 2005 - |
| Diagramas - Esquemas relacionado al circuito que controla el
funcionamiento del motor [Sensores y actuadores] Que es un Diagrama?, para que sirve un Diagrama electrico automotriz?. En Mecanica: Podemos describir un Diagrama, como: Grafica que representa la relacion entre los diferentes componentes de un conjunto, o sistema electrico, permitiendonos ubicar estos componentes dentro de un circuito. De esta manera se facilita el estudio y el analisis de un problema; y su posible solucion |
| DIAGRAMAS Control del motor / MERCURY: Mariner 2005 - |
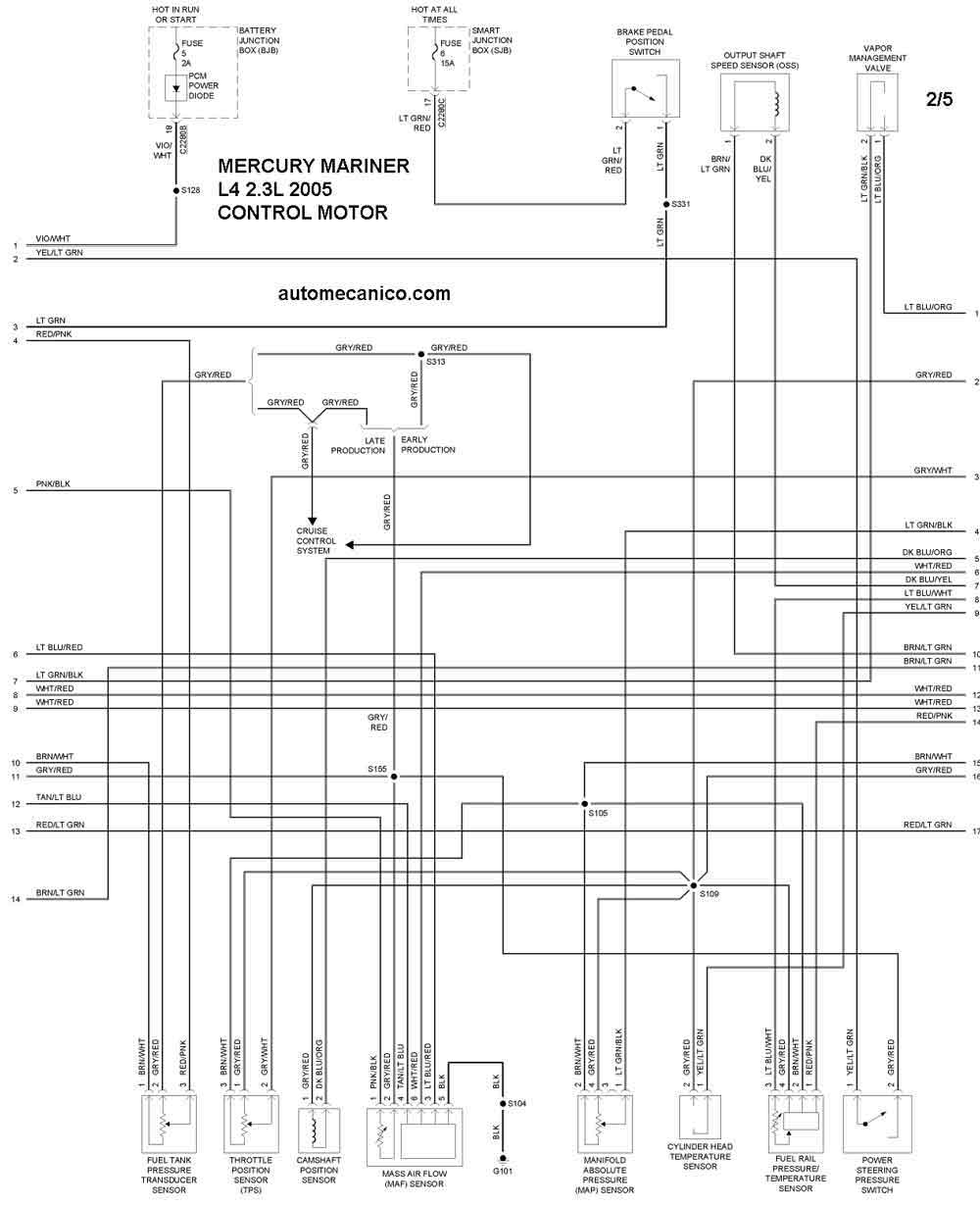
| Año | MERCURY | MARINER - 2.3L 4 CIL 2005 |
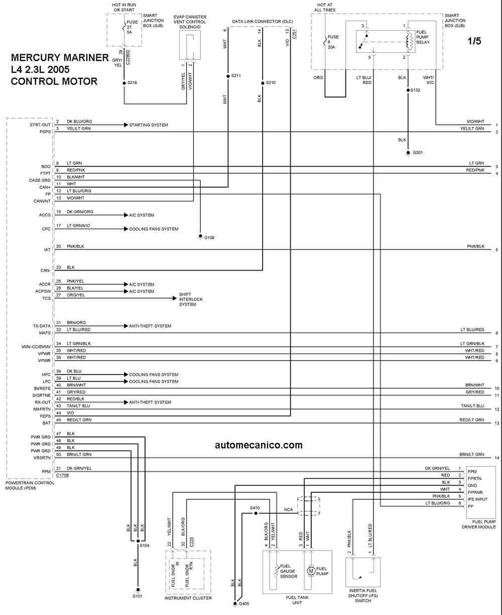
| 2005 | MARINER 2.3L 4 CIL | CONTROL DEL MOTOR 1/5 |
| 2005 | MARINER 2.3L 4 CIL | CONTROL DEL MOTOR 2/5 |
| 2005 | MARINER 2.3L 4 CIL | CONTROL DEL MOTOR 3/5 |
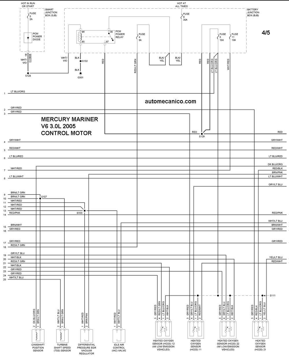
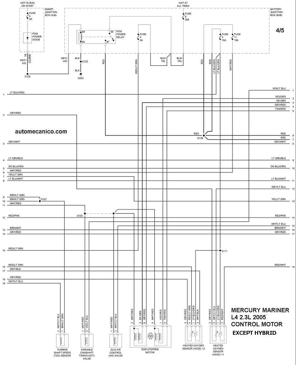
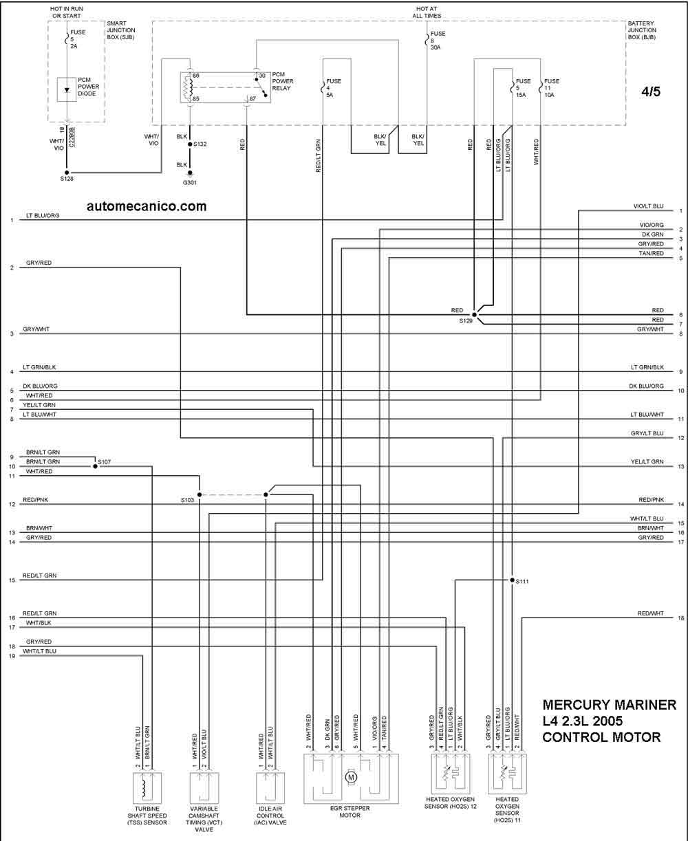
| 2005 | MARINER 2.3L 4 CIL | CONTROL DEL MOTOR 4/5 |
| 2005 | MARINER 2.3L 4 CIL | CONTROL DEL MOTOR 5/5 |
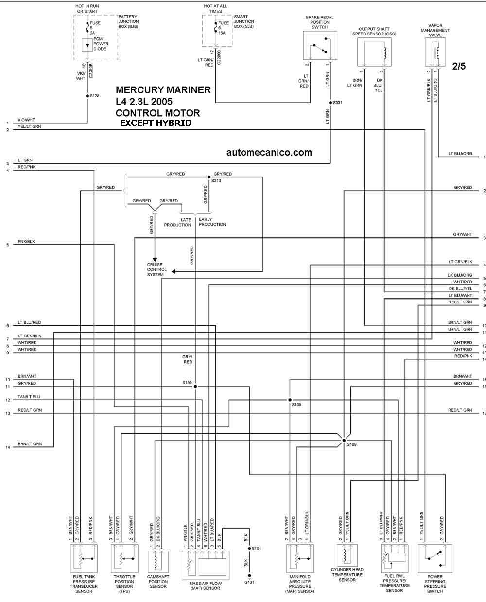
| Año | MERCURY - Except Hybrid | MARINER - 2.3L 4 CIL |
| 2005 | MARINER 2.3L 4 CIL | CONTROL DEL MOTOR 1/5 |
| 2005 | MARINER 2.3L 4 CIL | CONTROL DEL MOTOR 2/5 |
| 2005 | MARINER 2.3L 4 CIL | CONTROL DEL MOTOR 3/5 |
| 2005 | MARINER 2.3L 4 CIL | CONTROL DEL MOTOR 4/5 |
| 2005 | MARINER 2.3L 4 CIL | CONTROL DEL MOTOR 5/5 |
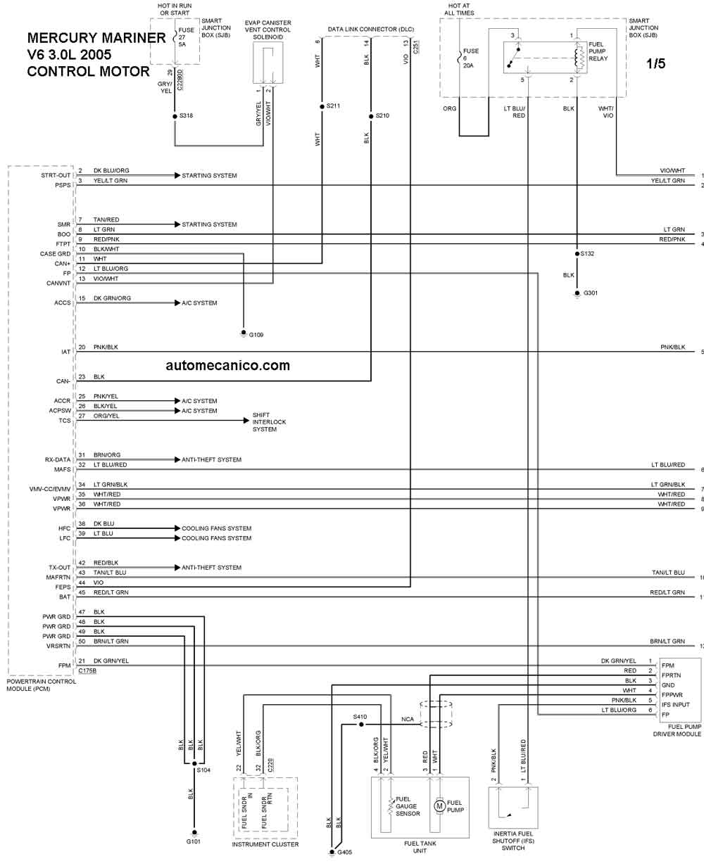
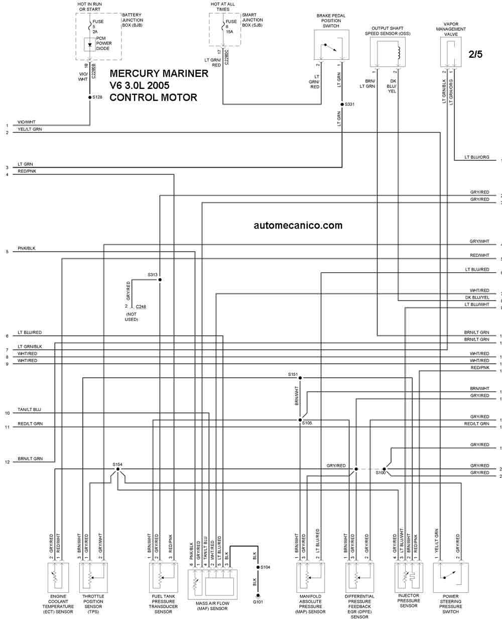
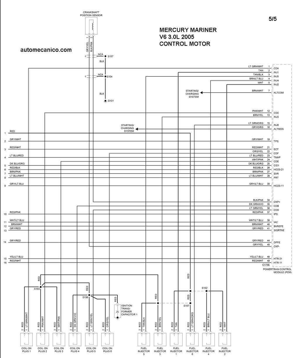
| Año | MERCURY | MARINER - 3.0L V6 2005 |
| 2005 | MARINER 3.0L V6 | CONTROL DEL MOTOR 1/5 |
| 2005 | MARINER 3.0L V6 | CONTROL DEL MOTOR 2/5 |
| 2005 | MARINER 3.0L V6 | CONTROL DEL MOTOR 3/5 |
| 2005 | MARINER 3.0L V6 | CONTROL DEL MOTOR 4/5 |
| 2005 | MARINER 3.0L V6 | CONTROL DEL MOTOR 5/5 |