| CONTROL DEL MOTOR - ENGINE CONTROL - DIAGRAMAS - ESQUEMAS - OLDSMOBILE 1998 |
DIAGRAMAS - OLDSMOBILE: Achieva, Aurora, Bravada - 1998 - |
| Diagramas - Esquemas relacionado al circuito que controla el
funcionamiento del motor [Sensores y actuadores] Que es un Diagrama?, para que sirve un Diagrama electrico automotriz?. En Mecanica: Podemos describir un Diagrama, como: Grafica que representa la relacion entre los diferentes componentes de un conjunto, o sistema electrico, permitiendonos ubicar estos componentes dentro de un circuito. De esta manera se facilita el estudio y el analisis de un problema; y su posible solucion |
| DIAGRAMAS Control del motor / OLDSMOBILE: Achieva, Aurora, Bravada - 1998 - |
| Año | OLDSMOBILE | ACHIEVA 2.4L 4 CILINDROS |
| 1998 | ACHIEVA 2.4L 4 CIL | CONTROL DEL MOTOR - 1/3 |
| 1998 | ACHIEVA 2.4L 4 CIL | CONTROL DEL MOTOR - 2/3 |
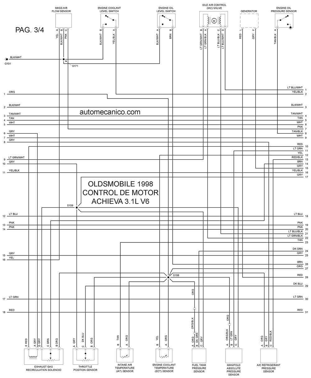
| 1998 | ACHIEVA 2.4L 4 CIL | CONTROL DEL MOTOR - 3/3 |
| Año | OLDSMOBILE | ACHIEVA 3.1L V6 |
| 1998 | ACHIEVA 3.1L V6 | CONTROL DEL MOTOR - 1/4 |
| 1998 | ACHIEVA 3.1L V6 | CONTROL DEL MOTOR - 2/4 |
| 1998 | ACHIEVA 3.1L V6 | CONTROL DEL MOTOR - 3/4 |
| 1998 | ACHIEVA 3.1L V6 | CONTROL DEL MOTOR - 4/4 |
| Año | OLDSMOBILE | AURORA 4.0L V8 |
| 1998 | AURORA 4.0L V8 | CONTROL DEL MOTOR - 1/4 |
| 1998 | AURORA 4.0L V8 | CONTROL DEL MOTOR - 2/4 |
| 1998 | AURORA 4.0L V8 | CONTROL DEL MOTOR - 3/4 |
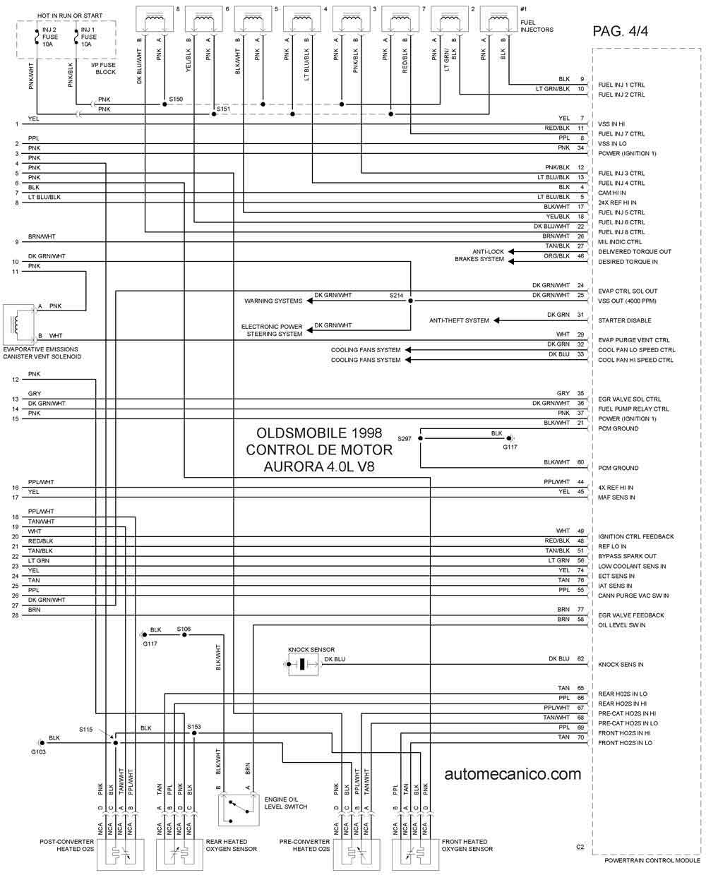
| 1998 | AURORA 4.0L V8 | CONTROL DEL MOTOR - 4/4 |
| Año | OLDSMOBILE | BRAVADA 4.3L V6 |
| 1998 | BRAVADA 4.3L V6 | CONTROL DEL MOTOR - 1/4 |
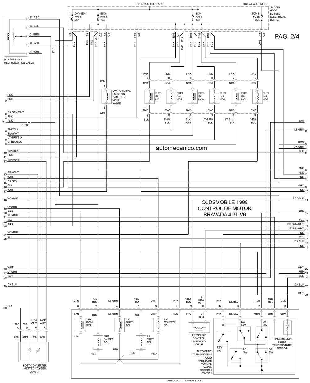
| 1998 | BRAVADA 4.3L V6 | CONTROL DEL MOTOR - 2/4 |
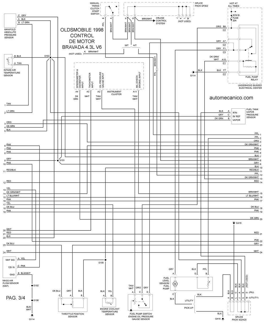
| 1998 | BRAVADA 4.3L V6 | CONTROL DEL MOTOR - 3/4 |
| 1998 | BRAVADA 4.3L V6 | CONTROL DEL MOTOR - 4/4 |