| CONTROL DEL MOTOR - ENGINE CONTROL - DIAGRAMAS - ESQUEMAS - OLDSMOBILE 1998 |
DIAGRAMAS - OLDSMOBILE: Cutlass, Intrigue, Regency, Silhouette - 1998 - |
| Diagramas - Esquemas relacionado al circuito que controla el
funcionamiento del motor [Sensores y actuadores] Que es un Diagrama?, para que sirve un Diagrama electrico automotriz?. En Mecanica: Podemos describir un Diagrama, como: Grafica que representa la relacion entre los diferentes componentes de un conjunto, o sistema electrico, permitiendonos ubicar estos componentes dentro de un circuito. De esta manera se facilita el estudio, y el analisis de un problema; y su posible solucion |
| DIAGRAMAS Control del motor / OLDSMOBILE: Cutlass, Intrigue, Regency, Silhouette - 1998 - |
| Año | OLDSMOBILE | CUTLASS 3.1L V6 |
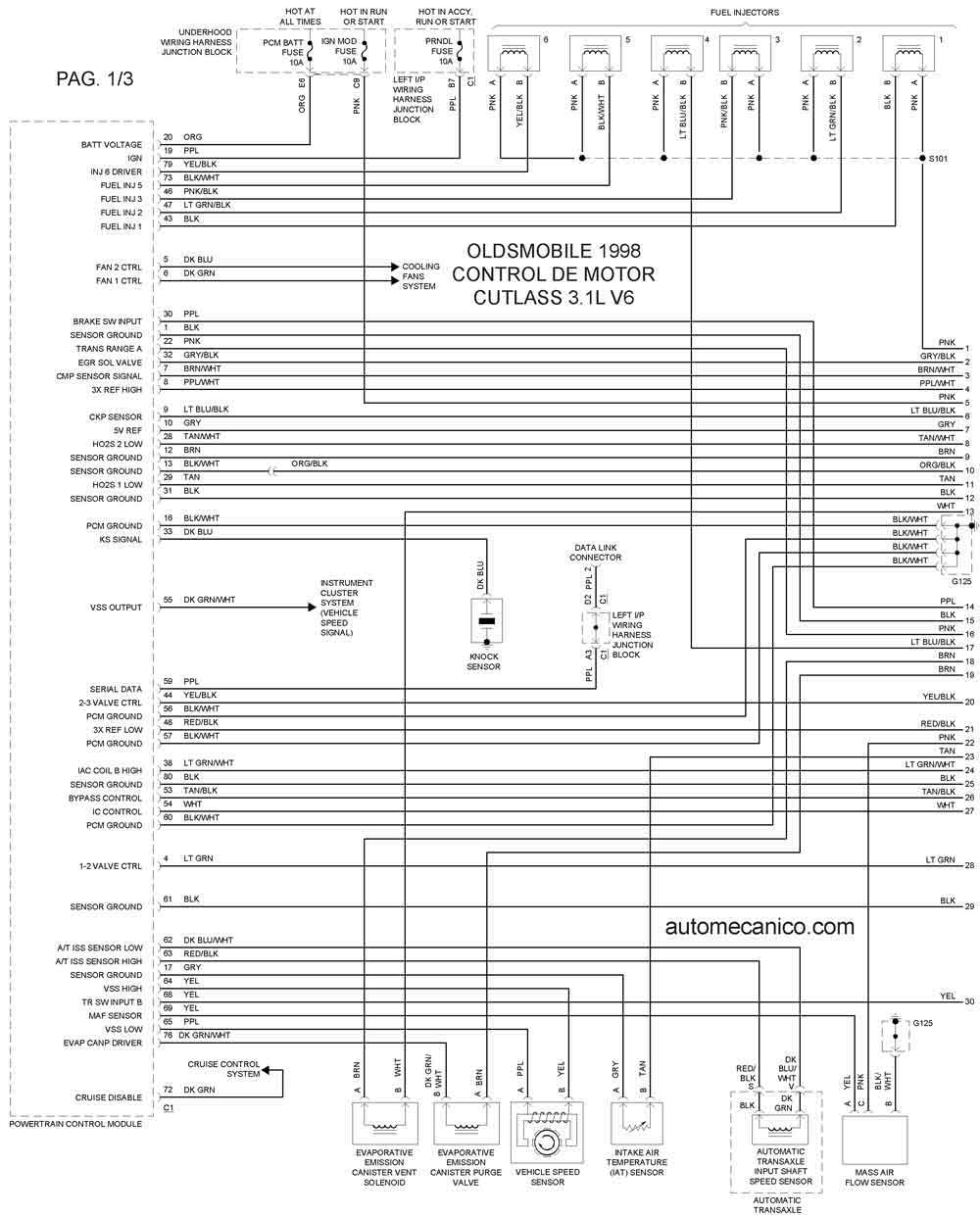
| 1998 | CUTLASS 3.1L V6 | CONTROL DEL MOTOR 1/3 |
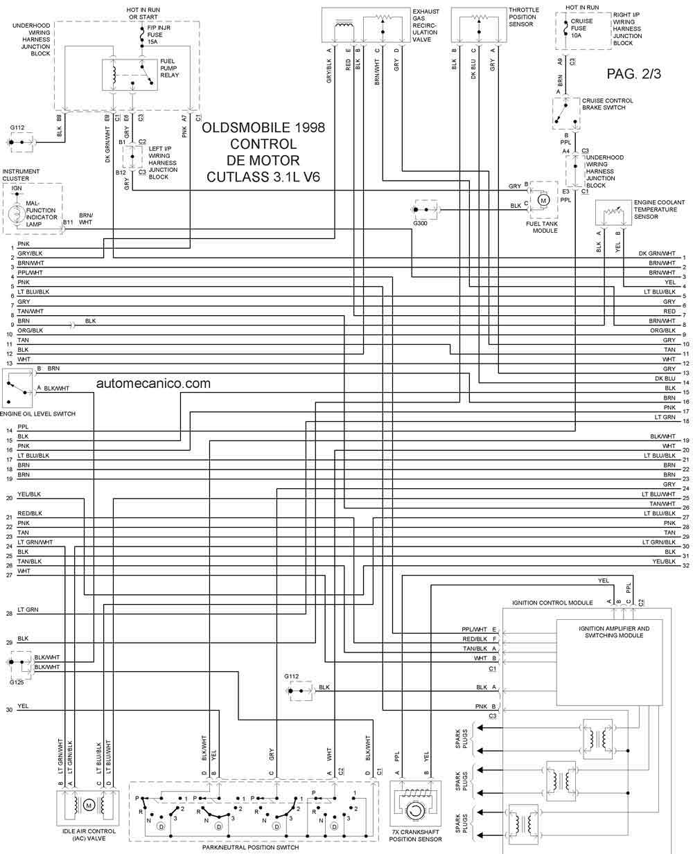
| 1998 | CUTLASS 3.1L V6 | CONTROL DEL MOTOR 2/3 |
| 1998 | CUTLASS 3.1L V6 | CONTROL DEL MOTOR 3/3 |
| Año | OLDSMOBILE | INTRIGUE 3.8L V6 |
| 1998 | INTRIGUE 3.8L V6 | CONTROL DEL MOTOR 1/4 |
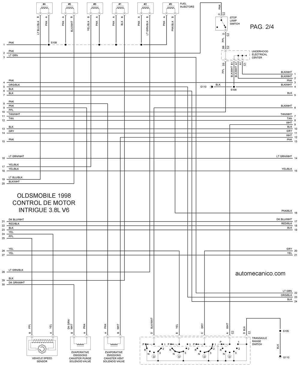
| 1998 | INTRIGUE 3.8L V6 | CONTROL DEL MOTOR 2/4 |
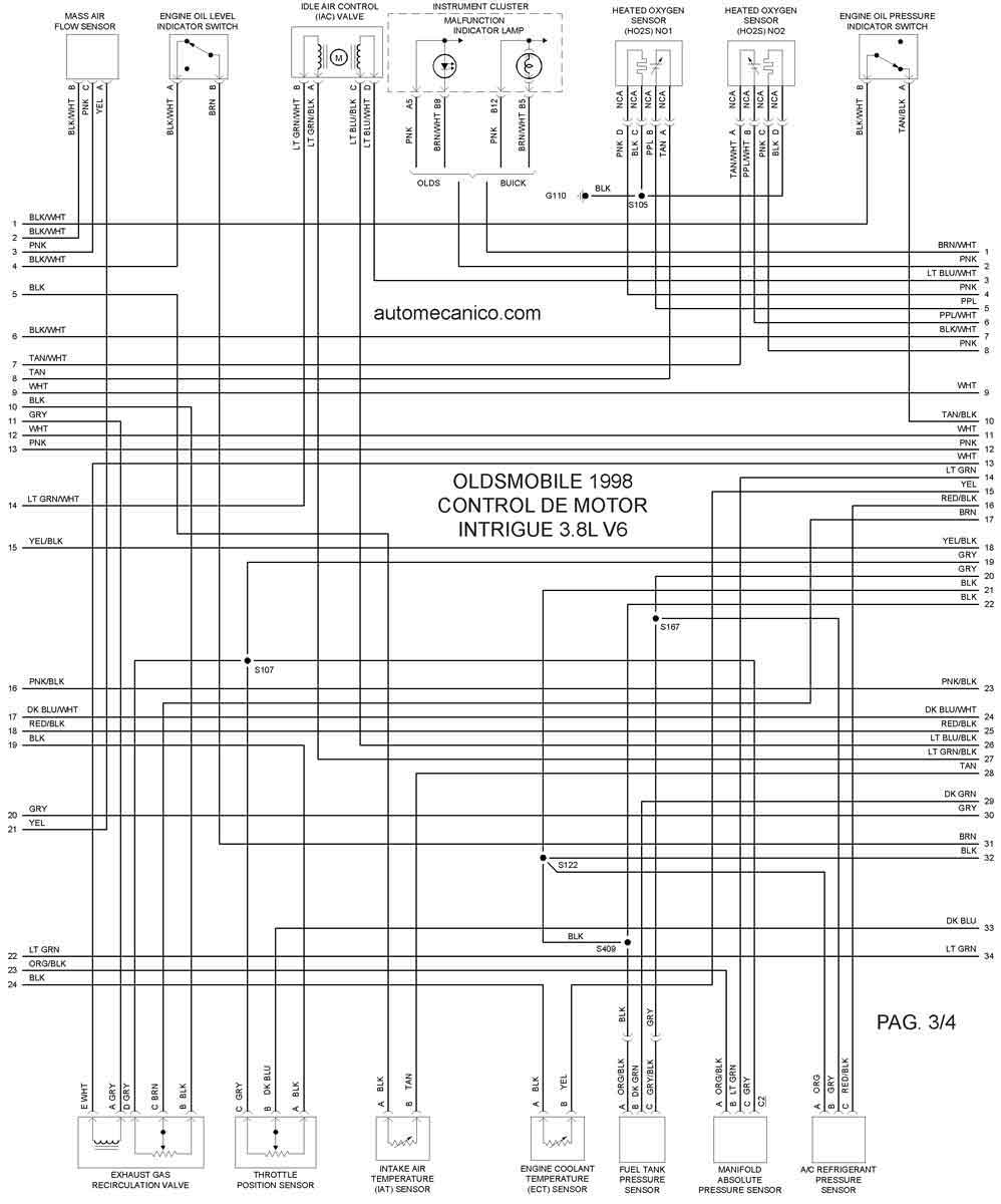
| 1998 | INTRIGUE 3.8L V6 | CONTROL DEL MOTOR 3/4 |
| 1998 | INTRIGUE 3.8L V6 | CONTROL DEL MOTOR 4/4 |
| Año | OLDSMOBILE | LSS 3.8L V6 |
| 1998 | LSS 3.8L V6 | CONTROL DEL MOTOR 1/4 |
| 1998 | LSS 3.8L V6 | CONTROL DEL MOTOR 2/4 |
| 1998 | LSS 3.8L V6 | CONTROL DEL MOTOR 3/4 |
| 1998 | LSS 3.8L V6 | CONTROL DEL MOTOR 4/4 |
| Año | OLDSMOBILE | REGENCY 3.8L V6 |
| 1998 | REGENCY 3.8L V6 | CONTROL DEL MOTOR 1/4 |
| 1998 | REGENCY 3.8L V6 | CONTROL DEL MOTOR 2/4 |
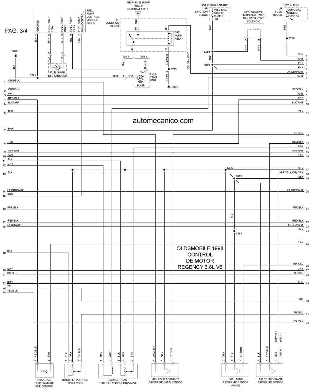
| 1998 | REGENCY 3.8L V6 | CONTROL DEL MOTOR 3/4 |
| 1998 | REGENCY 3.8L V6 | CONTROL DEL MOTOR 4/4 |
| Año | OLDSMOBILE | SILHOUETTE 3.4L V6 |
| 1998 | SILHOUETTE 3.4L V6 | CONTROL DEL MOTOR 1/4 |
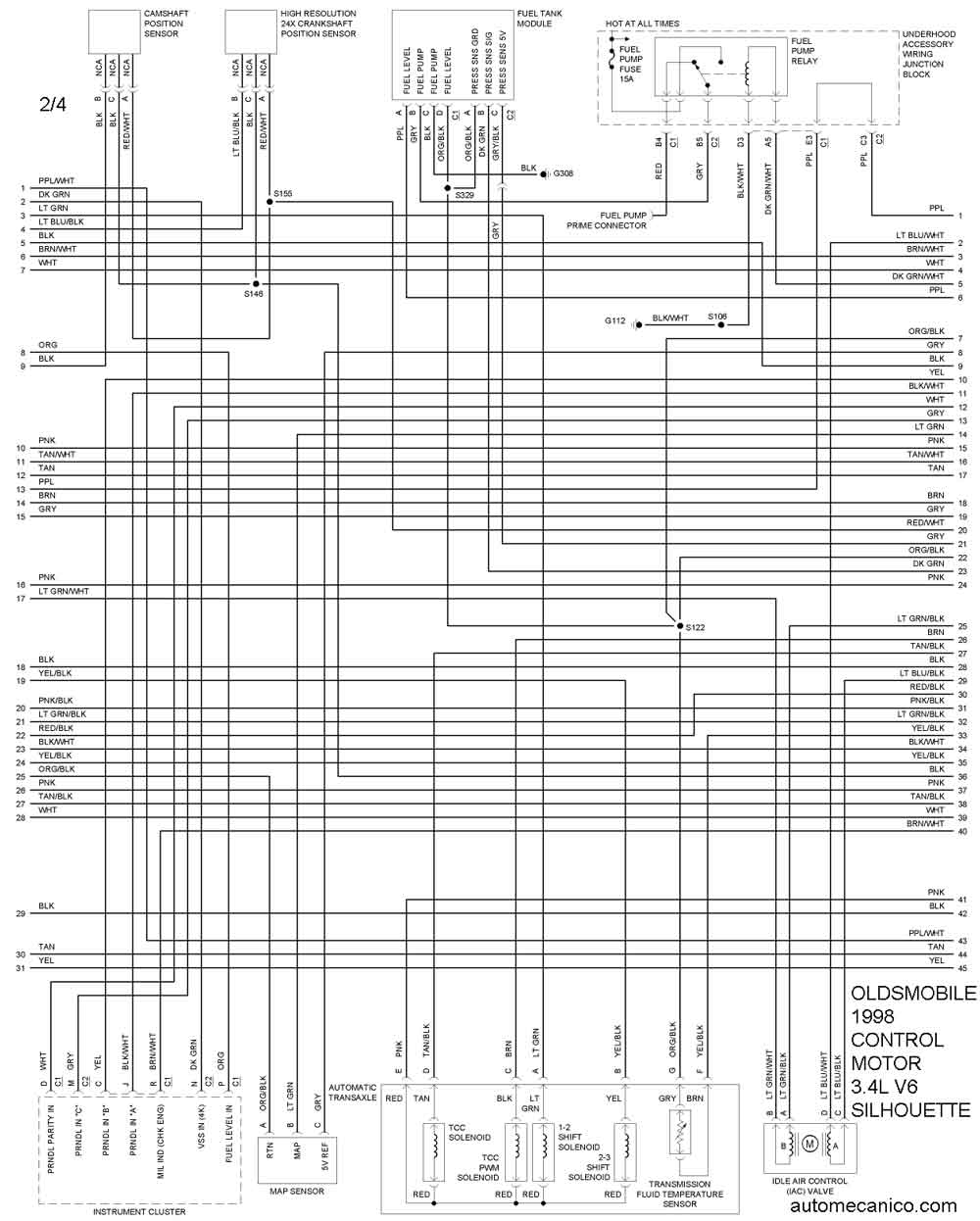
| 1998 | SILHOUETTE 3.4L V6 | CONTROL DEL MOTOR 2/4 |
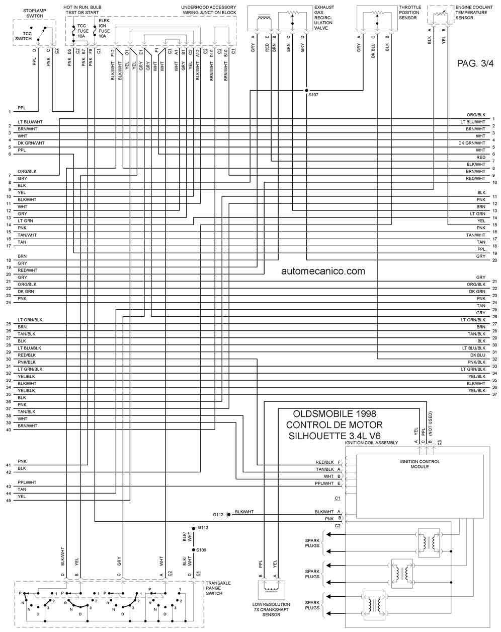
| 1998 | SILHOUETTE 3.4L V6 | CONTROL DEL MOTOR 3/4 |
| 1998 | SILHOUETTE 3.4L V6 | CONTROL DEL MOTOR 4/4 |