| CONTROL DEL MOTOR - ENGINE CONTROL - DIAGRAMAS - ESQUEMAS - VOLVO 1998 |
DIAGRAMAS - VOLVO : C70, S70, S90, V70, V90 - 1998 - |
| Diagramas - Esquemas relacionado al circuito que controla el
funcionamiento del motor [Sensores y actuadores] Que es un Diagrama?, para que sirve un Diagrama electrico automotriz?. En Mecanica: Podemos describir un Diagrama, como: Grafica que representa la relacion entre los diferentes componentes de un conjunto, o sistema electrico, permitiendonos ubicar estos componentes dentro de un circuito. De esta manera se facilita el estudio y el analisis de un problema; y su posible solucion |
| DIAGRAMAS Control del motor / VOLVO: C70, S70, S90, V70, V90 - 1998 - |
| Año | VOLVO | C70 2.3L L5 [ 5Cil ] |
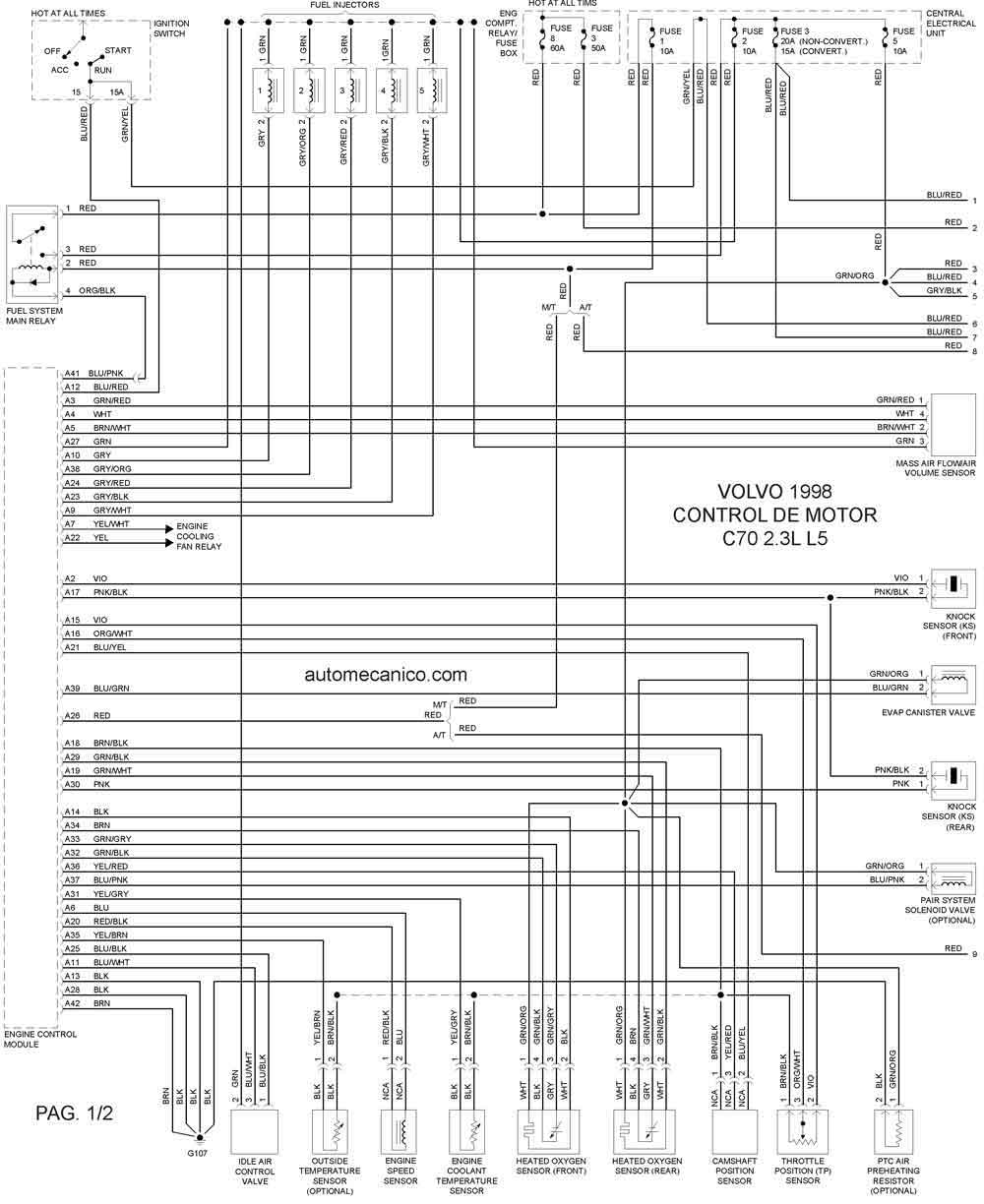
| 1998 | C70 - 2.3L L5 [ 5 Cil ] | CONTROL DEL MOTOR 1/2 |
| 1998 | C70 - 2.3L L5 [ 5 Cil ] | CONTROL DEL MOTOR 2/2 |
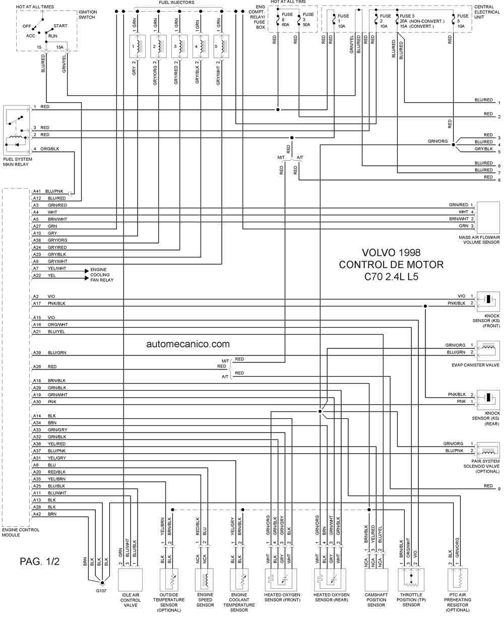
| Año | VOLVO | C70 2.4L L5 [ 5Cil ] |
| 1998 | C70 - 2.4L L5 [ 5 Cil ] | CONTROL DEL MOTOR 1/2 |
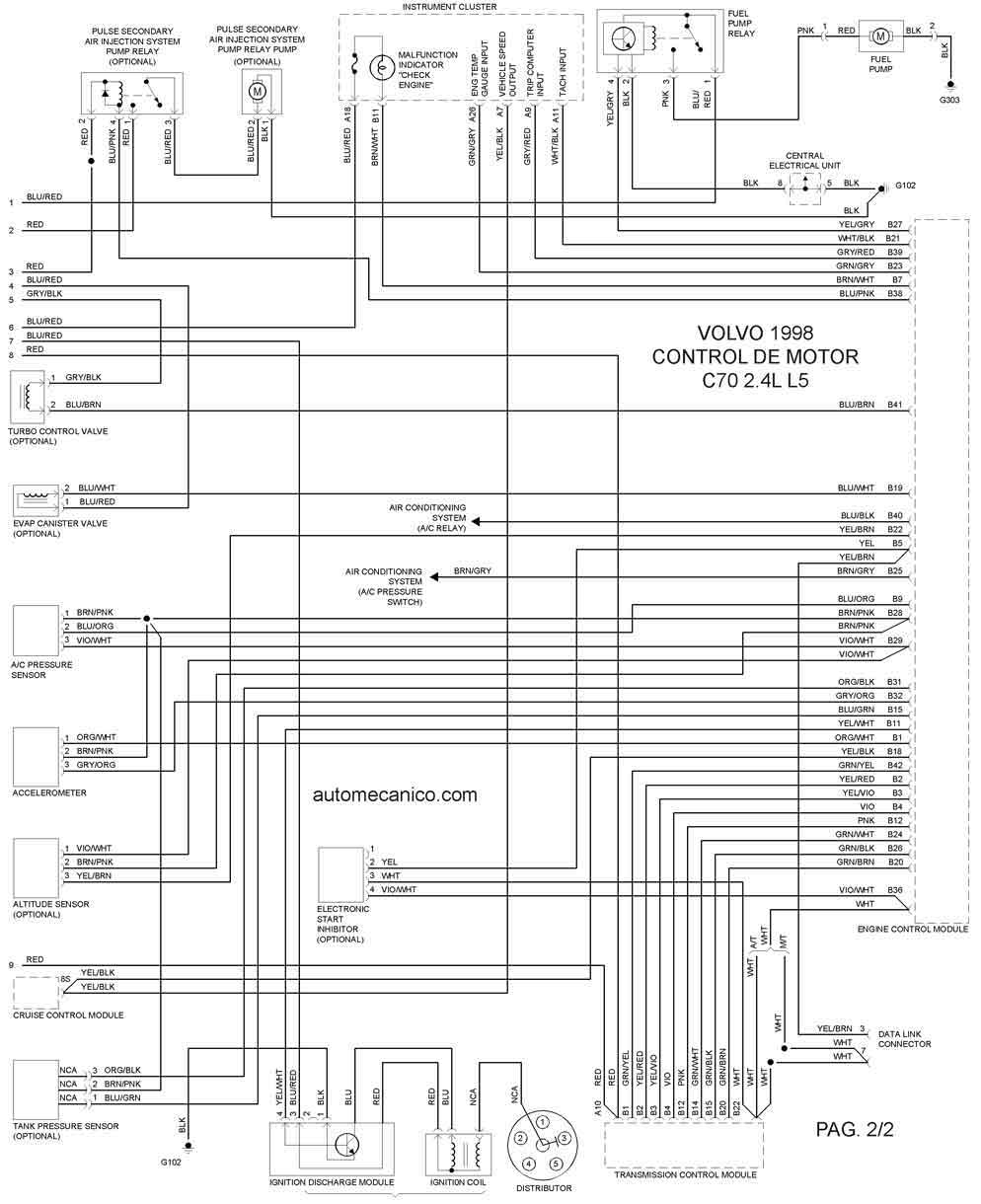
| 1998 | C70 - 2.4L L5 [ 5 Cil ] | CONTROL DEL MOTOR 2/2 |
| Año | VOLVO | S70 2.3L L5 [ 5Cil ] |
| 1998 | S70 - 2.3L L5 [ 5 Cil ] | CONTROL DEL MOTOR 1/2 |
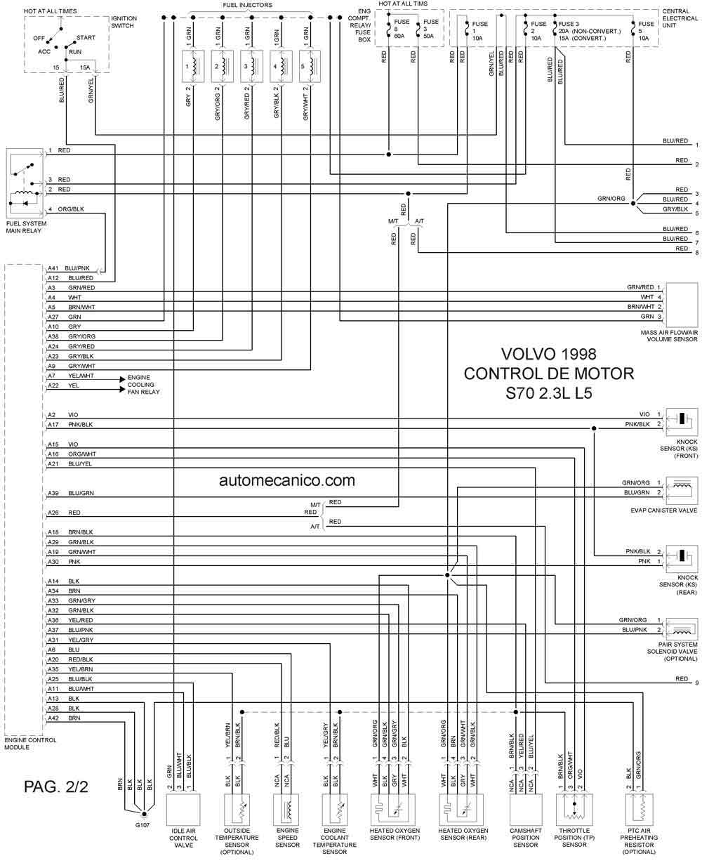
| 1998 | S70 - 2.3L L5 [ 5 Cil ] | CONTROL DEL MOTOR 2/2 |
| Año | VOLVO | S70 2.4L L5 [ 5Cil ] |
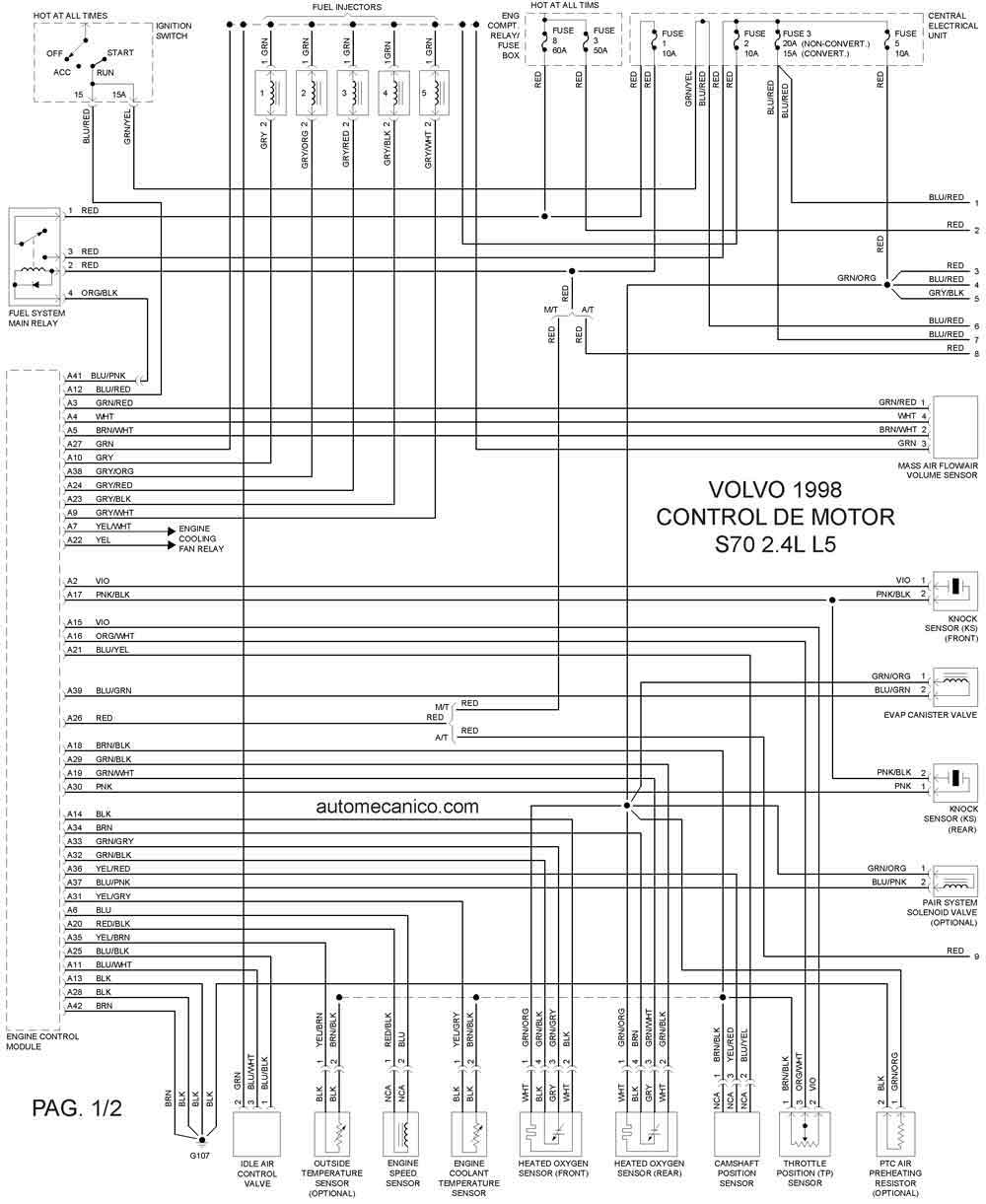
| 1998 | S70 - 2.4L L5 [ 5 Cil ] | CONTROL DEL MOTOR 1/2 |
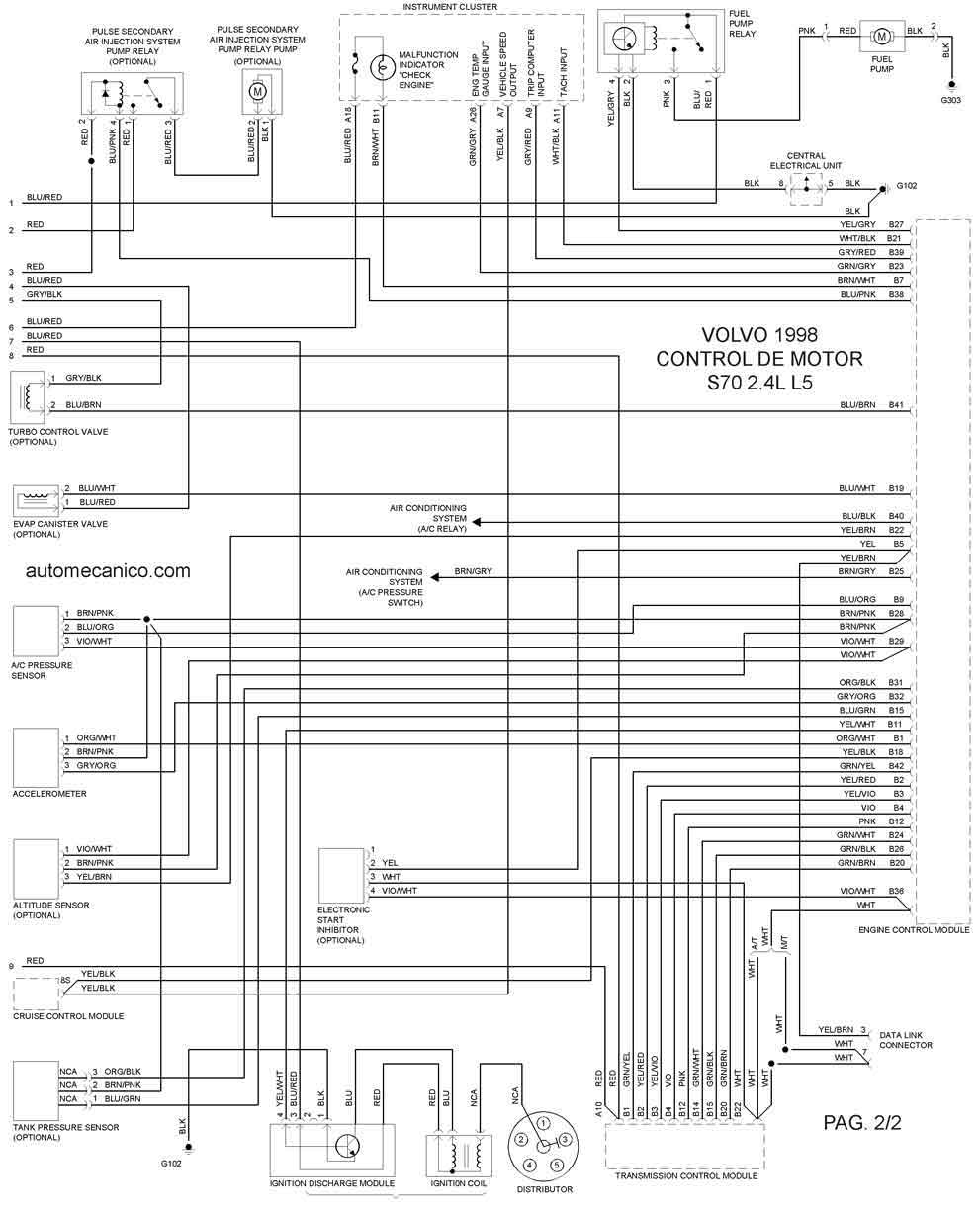
| 1998 | S70 - 2.4L L5 [ 5 Cil ] | CONTROL DEL MOTOR 2/2 |
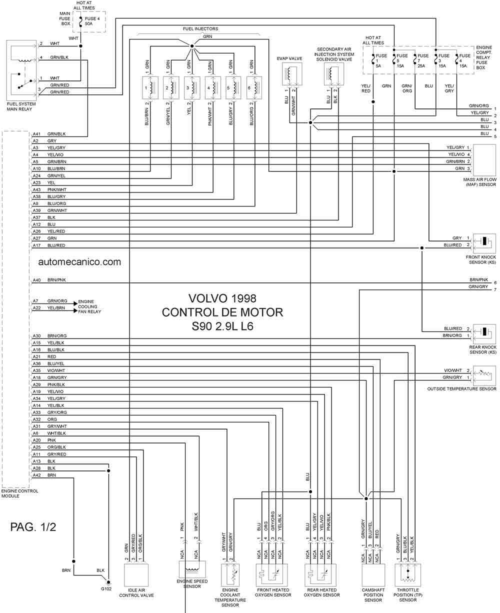
| Año | VOLVO | S90 2.9L L6 [ 6Cil ] |
| 1998 | S90 - 2.9L L6 [ 6 Cil ] | CONTROL DEL MOTOR 1/2 |
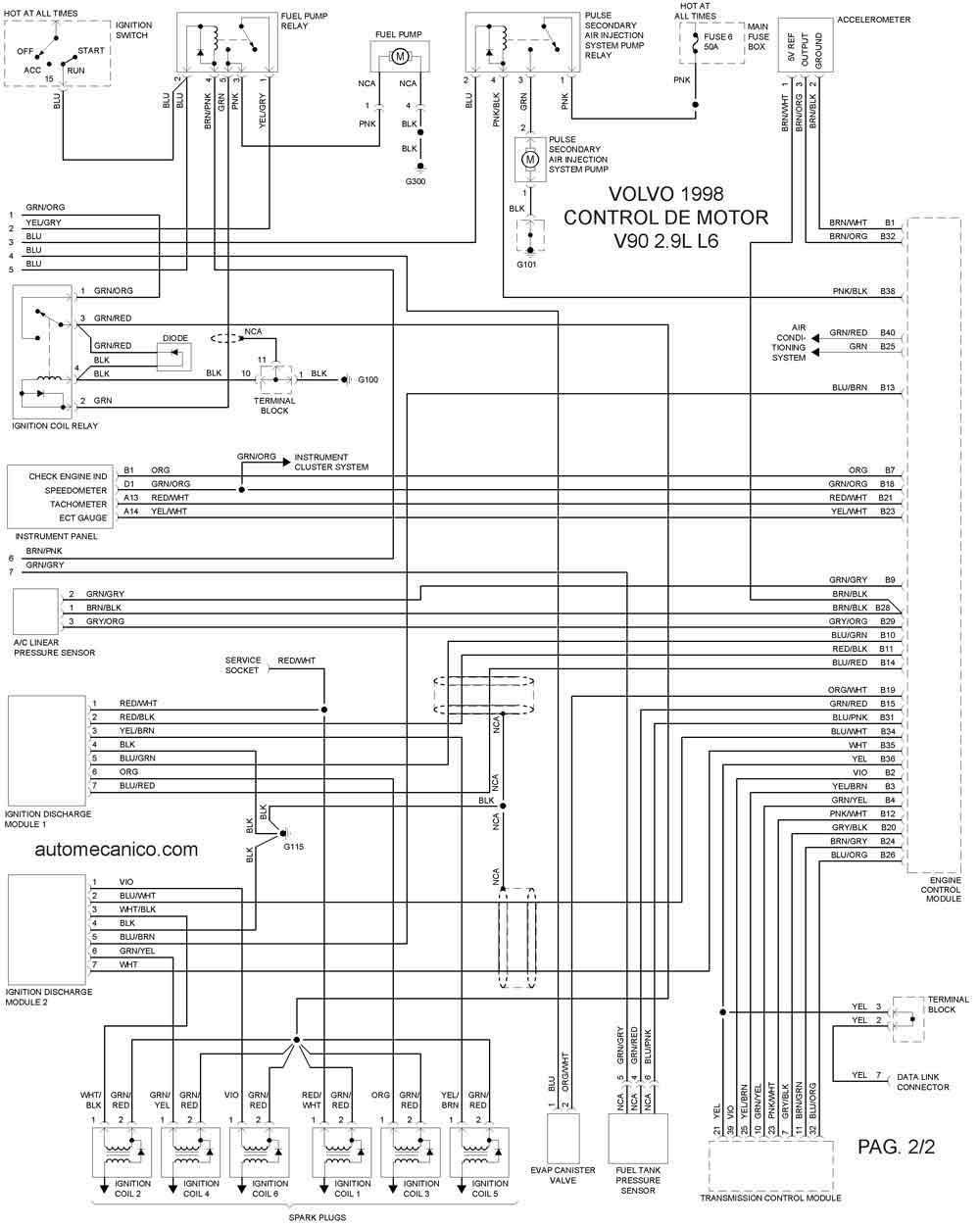
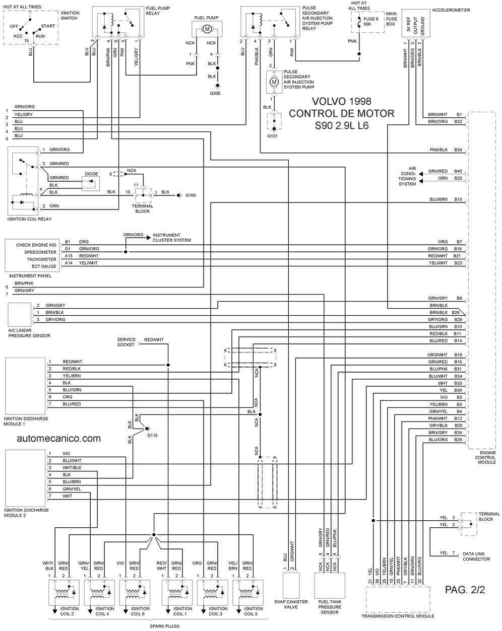
| 1998 | S90 - 2.9L L6 [ 6 Cil ] | CONTROL DEL MOTOR 2/2 |
| Año | VOLVO | V70 2.3L L5 [ 5Cil ] |
| 1998 | V70 - 2.3L L5 [ 5 Cil ] | CONTROL DEL MOTOR 1/2 |
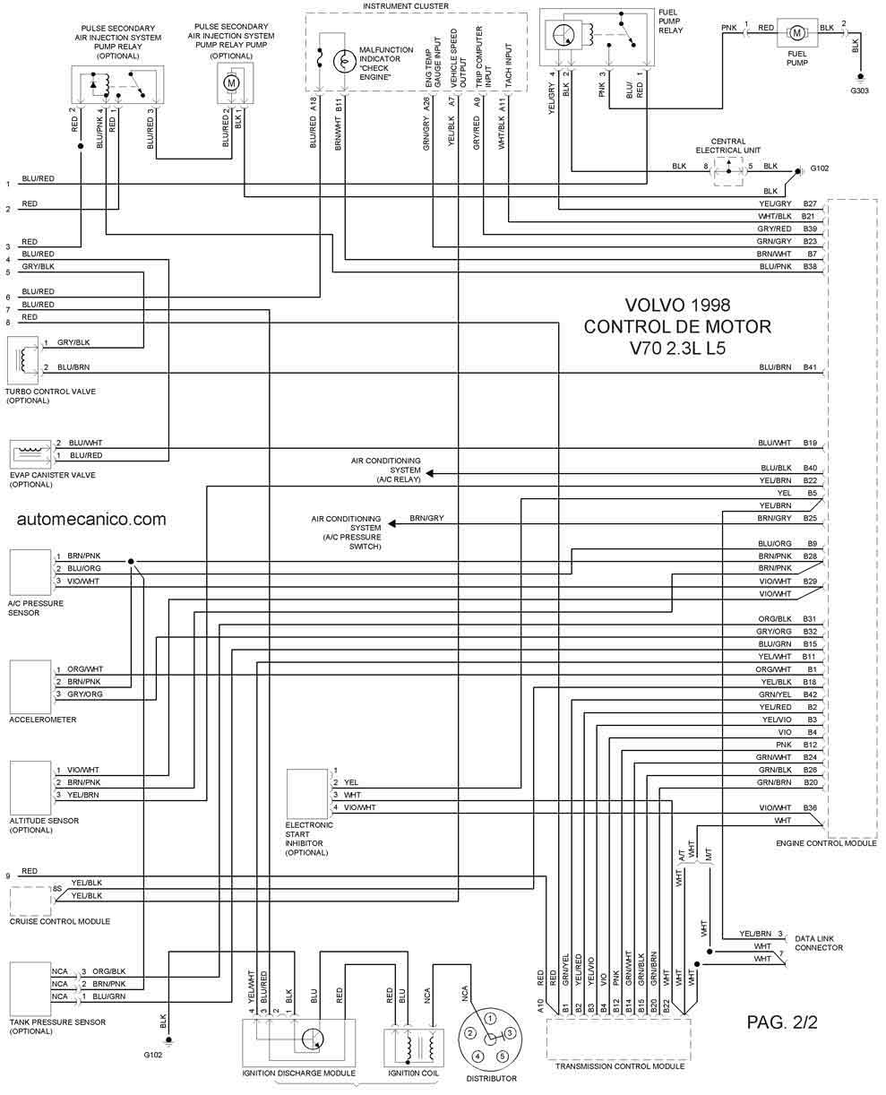
| 1998 | V70 - 2.3L L5 [ 5 Cil ] | CONTROL DEL MOTOR 2/2 |
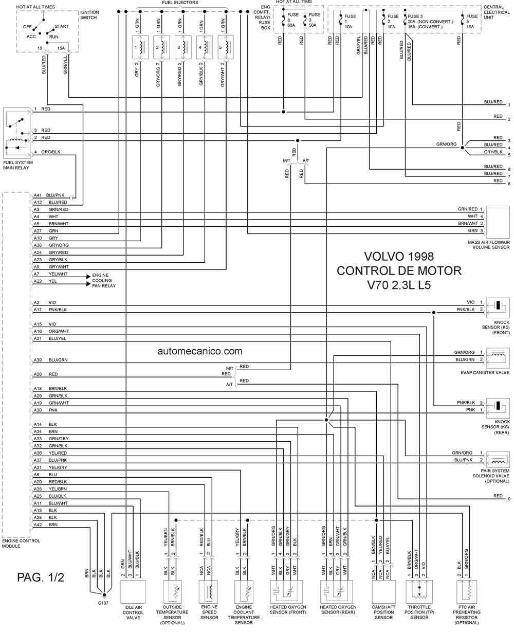
| Año | VOLVO | V70 2.4L L5 [ 5Cil ] |
| 1998 | V70 - 2.4L L5 [ 5 Cil ] | CONTROL DEL MOTOR 1/2 |
| 1998 | V70 - 2.4L L5 [ 5 Cil ] | CONTROL DEL MOTOR 2/2 |
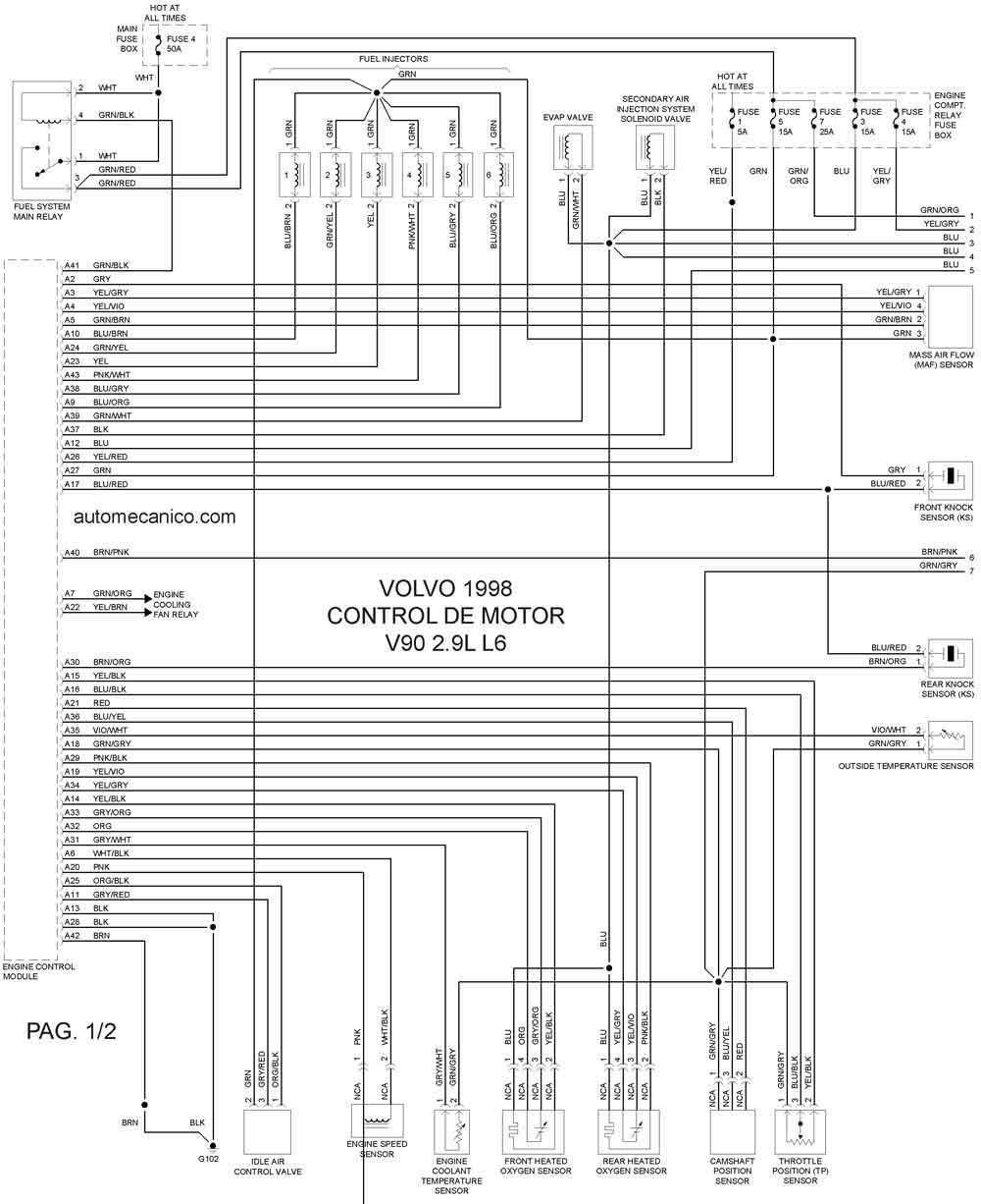
| Año | VOLVO | V90 2.9L L6 [ 6Cil ] |
| 1998 | V90 - 2.9L L6 [ 6 Cil ] | CONTROL DEL MOTOR 1/2 |
| 1998 | V90 - 2.9L L6 [ 6 Cil ] | CONTROL DEL MOTOR 2/2 |