| CIRCUITO ELECTRICO - SISTEMA DE ENFRIAMIENTO DEL MOTOR - DODGE 1998 |
DIAGRAMAS DODGE - Cooling Fans system - 1998 - Mecanica Automotriz - |
|
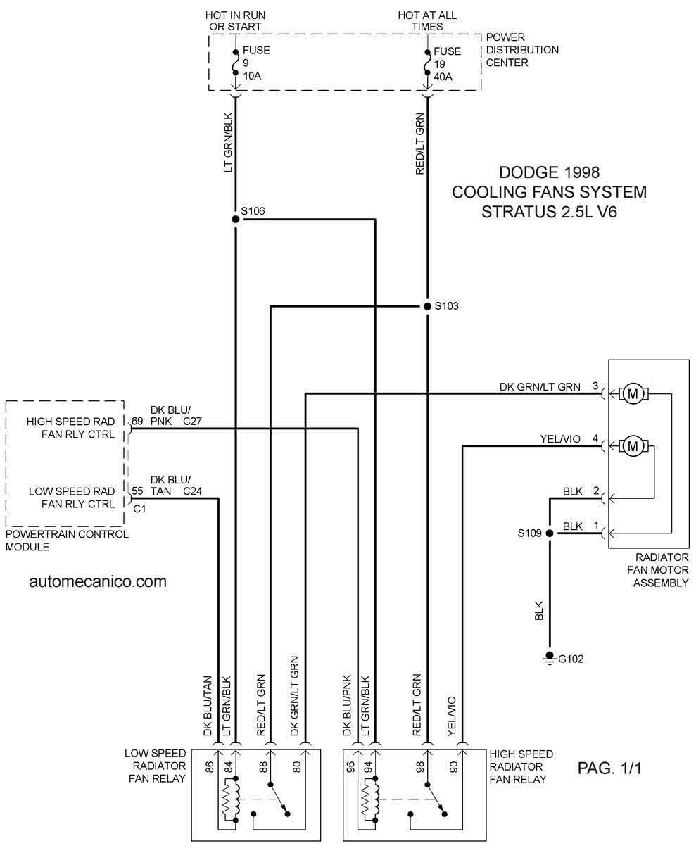
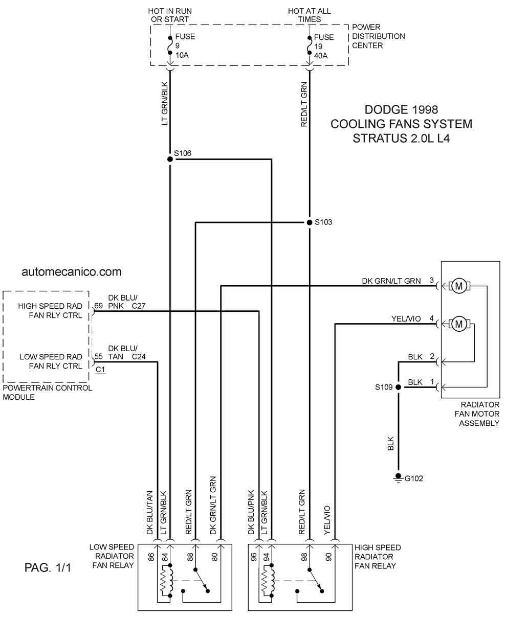
Recuerde que el ventilador debe soplar hacia el motor ... una conexion con
polaridad invertida hara que sople hacia el radiador]. Tome nota de lo siguiente: Con las excepciones del caso; por lo regular el sistema de enfriamiento; controla el funcionamiento de un ventilador [el mas grande] para soplar hacia el motor/transmision. Cuando se enciende el aire acondicionado [A/C]; el compresor que activa ese sistema, esfuerza al motor; por ello, el mecanismo de funcion, hace que se active el funcionamiento simultaneo de los dos ventiladores; para que el motor no se caliente mas alla de la tolerancia especificada. Algunos vehiculos tienen instalados 1 ventilador unico; pero con velocidades que se activan con el mismo objetivo. |
| Los Diagramas, listados abajo, Se refieren unicamente al Circuito electrico que involucra: El abanico [Ventilador, Motoventilador, Fan, etc.] que en forma regular esta instalado al frente del vehiculo, pegado al radiador.- INDICE: DODGE 1998- |
| YEAR | MODELO | VENTILADOR / FAN / ABANICO |
| 1998 | INTREPID 2.7L V6 | DIAG. ELECT. COOLING FANS SYSTEM |
| 1998 | INTREPID 3.2L V6 | DIAG. ELECT. COOLING FANS SYSTEM |
| 1998 | NEON 2.0L 4 CIL | DIAG. ELECT. COOLING FANS SYSTEM |
| 1998 | STRATUS 2.0L 4 CIL | DIAG. ELECT. COOLING FANS SYSTEM |
| 1998 | STRATUS 2.4L 4 CIL | DIAG. ELECT. COOLING FANS SYSTEM |
| 1998 | STRATUS 2.5L V6 | DIAG. ELECT. COOLING FANS SYSTEM |
| Volver al indice principal | ||