| CIRCUITO ELECTRICO - SISTEMA DE ENFRIAMIENTO DEL MOTOR - LEXUS 1998 |
DIAGRAMAS LEXUS - Cooling Fans system - 1998 - Mecanica Automotriz - |
|
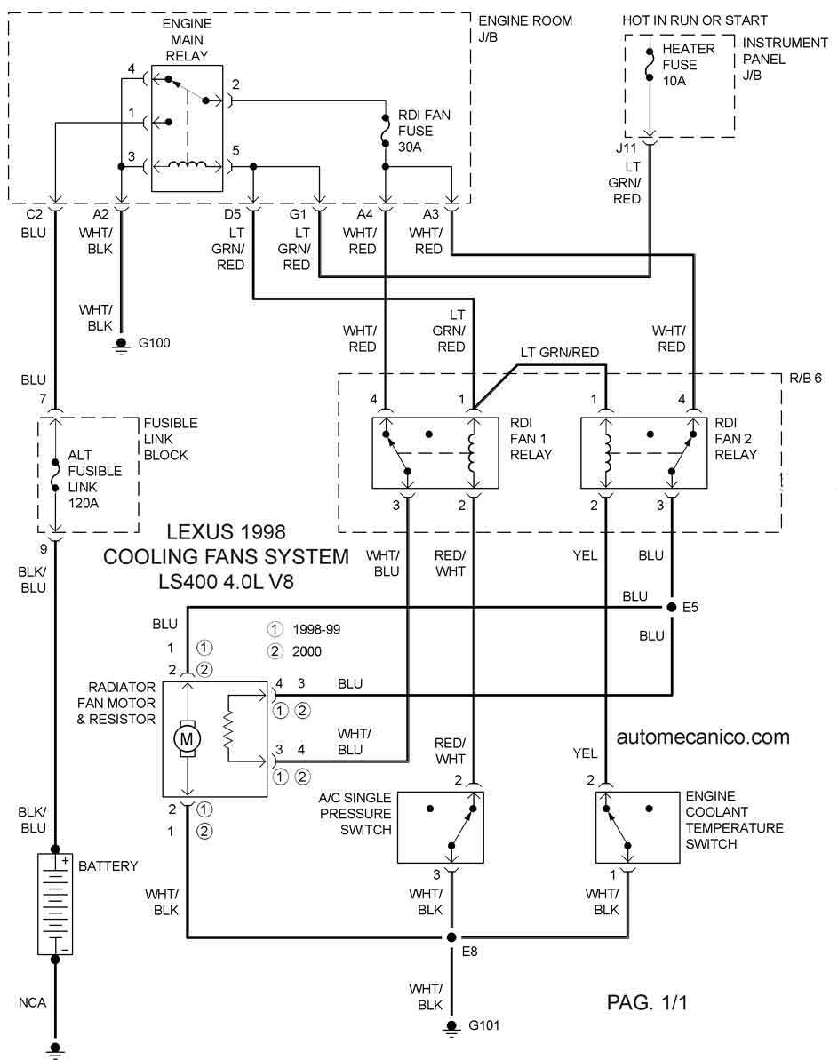
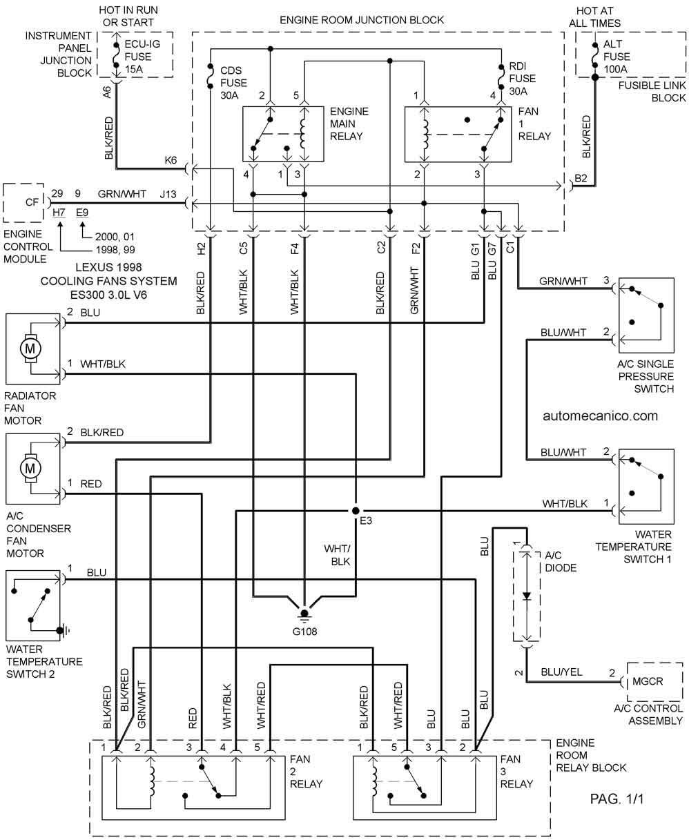
Recuerde que el ventilador debe soplar hacia el motor ... una conexion con
polaridad invertida hara que sople hacia el radiador]. Tome nota de lo siguiente: Con las excepciones del caso; por lo regular el sistema de enfriamiento; controla el funcionamiento de un ventilador [el mas grande] para soplar hacia el motor/transmision. Cuando se enciende el aire acondicionado [A/C]; el compresor que activa ese sistema, esfuerza al motor; por ello, el mecanismo de funcion, hace que se active el funcionamiento simultaneo de los dos ventiladores; para que el motor no se caliente mas alla de la tolerancia especificada. Algunos vehiculos tienen instalados 1 ventilador unico; pero con velocidades que se activan con el mismo objetivo. |
| Los Diagramas, listados abajo, Se refieren unicamente al Circuito electrico que involucra: El abanico [Ventilador, Motoventilador, Fan, etc.] que en forma regular esta instalado al frente del vehiculo, pegado al radiador.- INDICE: LEXUS 1998- |
| YEAR | MODELO | VENTILADOR / FAN / ABANICO |
| 1998 | ES300 3.0L V6 | DIAG. ELECT. COOLING FANS SYSTEM |
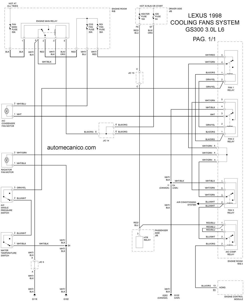
| 1998 | GS300 3.0L V6 | DIAG. ELECT. COOLING FANS SYSTEM |
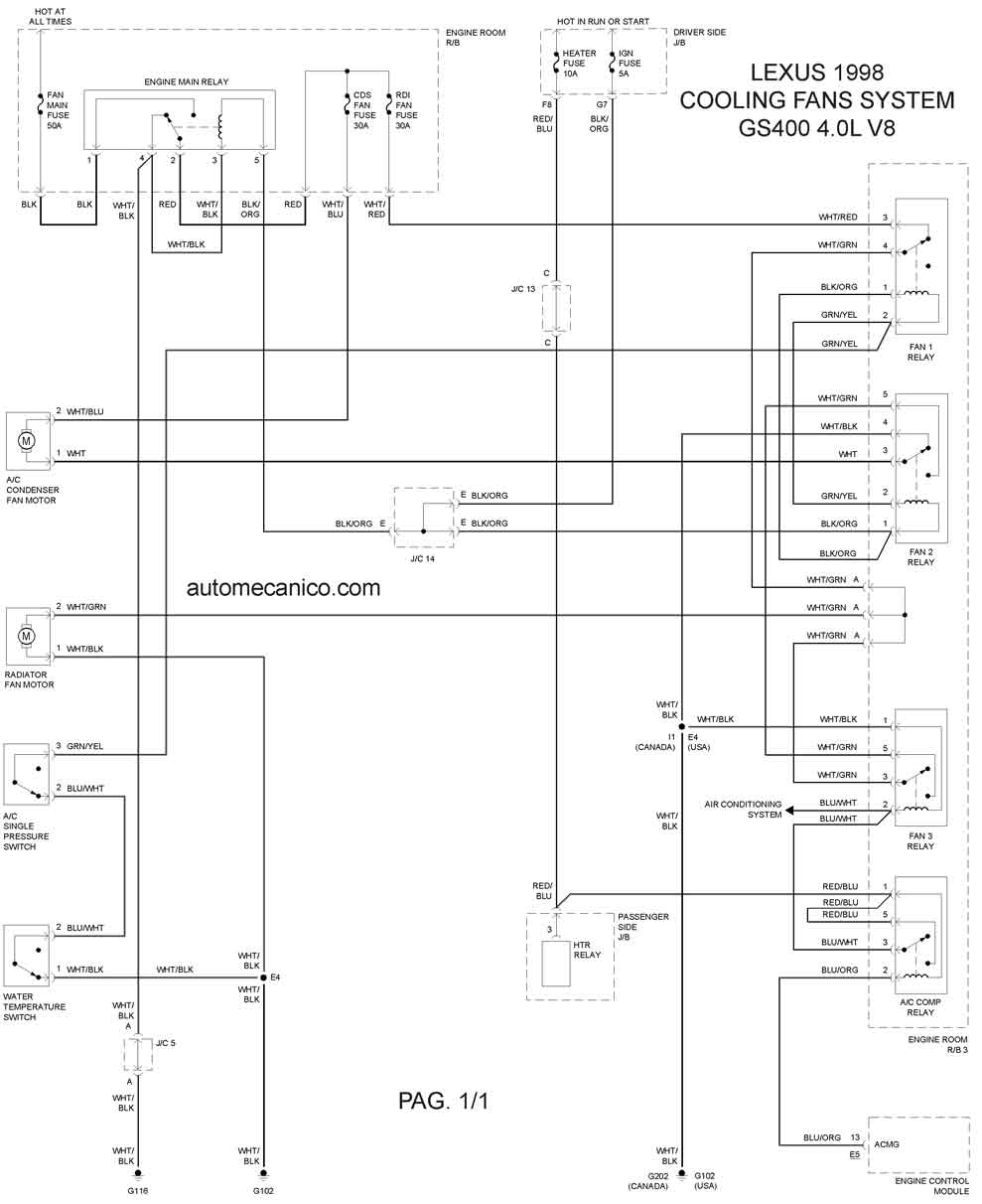
| 1998 | GS400 4.0L V8 | DIAG. ELECT. COOLING FANS SYSTEM |
| 1998 | LS400 4.0L V8 | DIAG. ELECT. COOLING FANS SYSTEM |
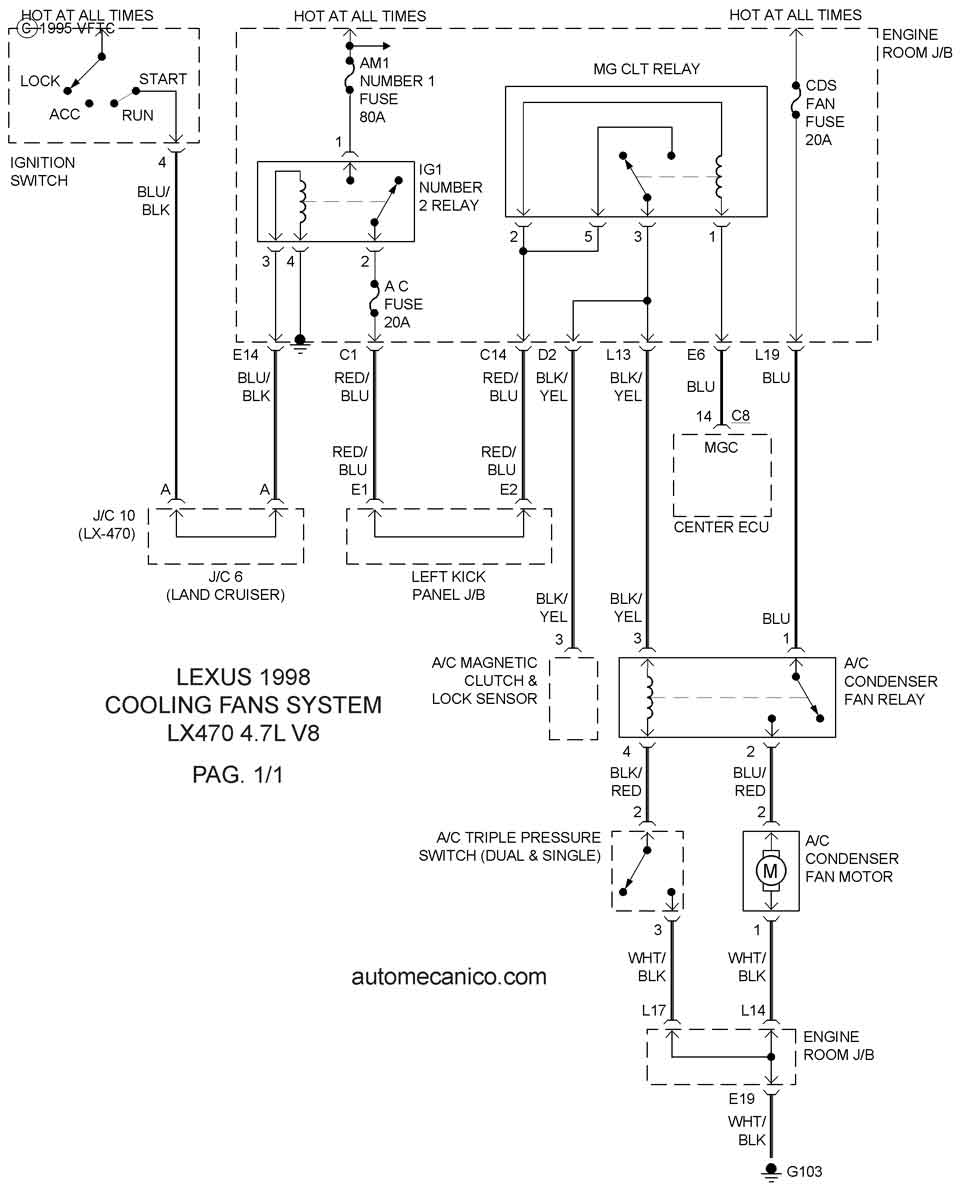
| 1998 | LS400 4.7L V8 | DIAG. ELECT. COOLING FANS SYSTEM |
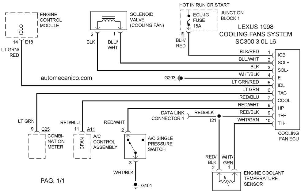
| 1998 | SC300 3.0L L6 | DIAG. ELECT. COOLING FANS SYSTEM |
| 1998 | SC400 4.0L V8 | DIAG. ELECT. COOLING FANS SYSTEM |
| Volver al indice principal | ||