| CIRCUITO ELECTRICO - SISTEMA DE ENFRIAMIENTO DEL MOTOR - SAAB - 2001 |
DIAGRAMAS: SAAB - Cooling Fans system - 2001 - Mecanica Automotriz - |
|
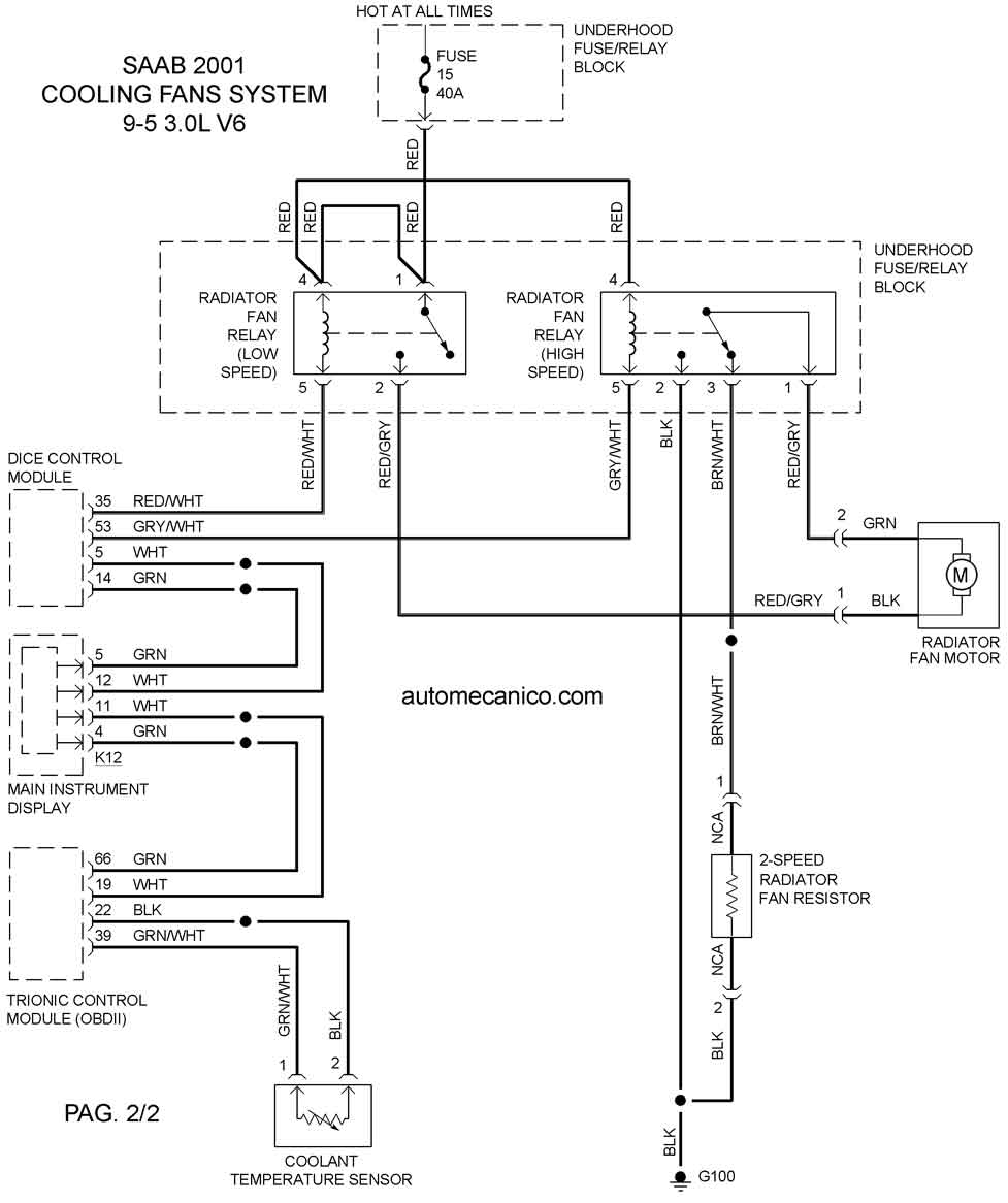
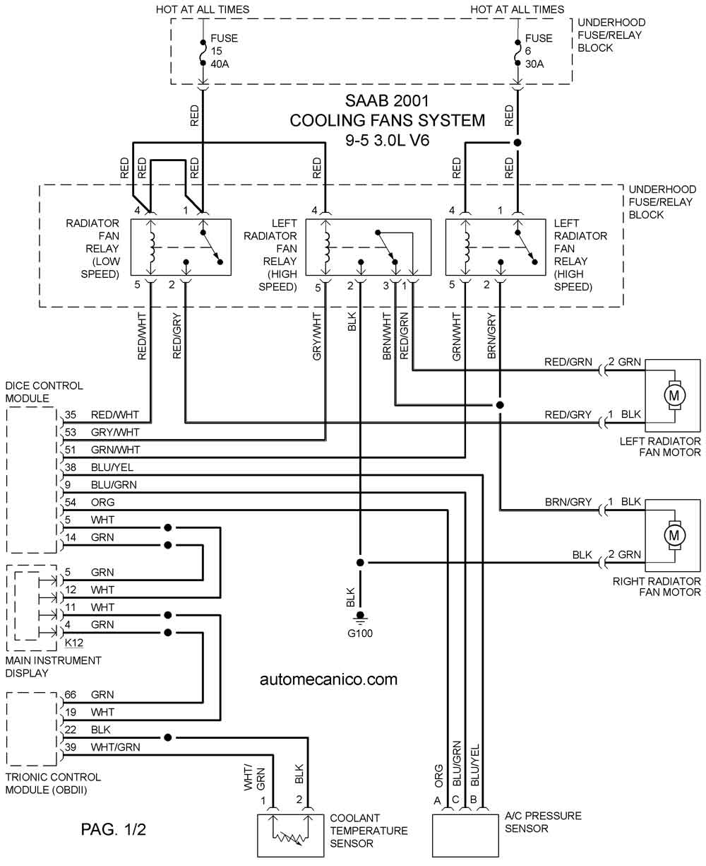
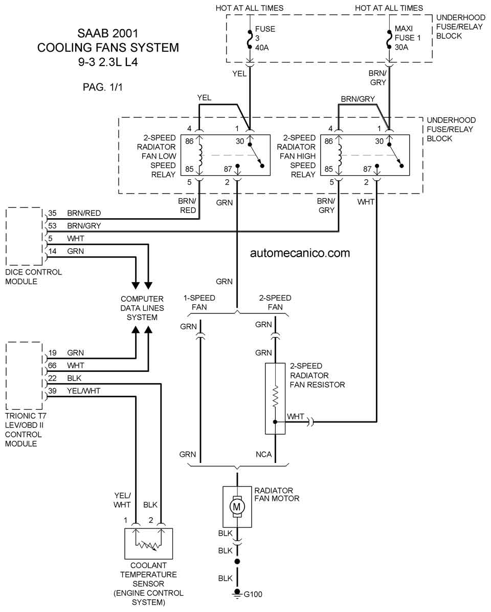
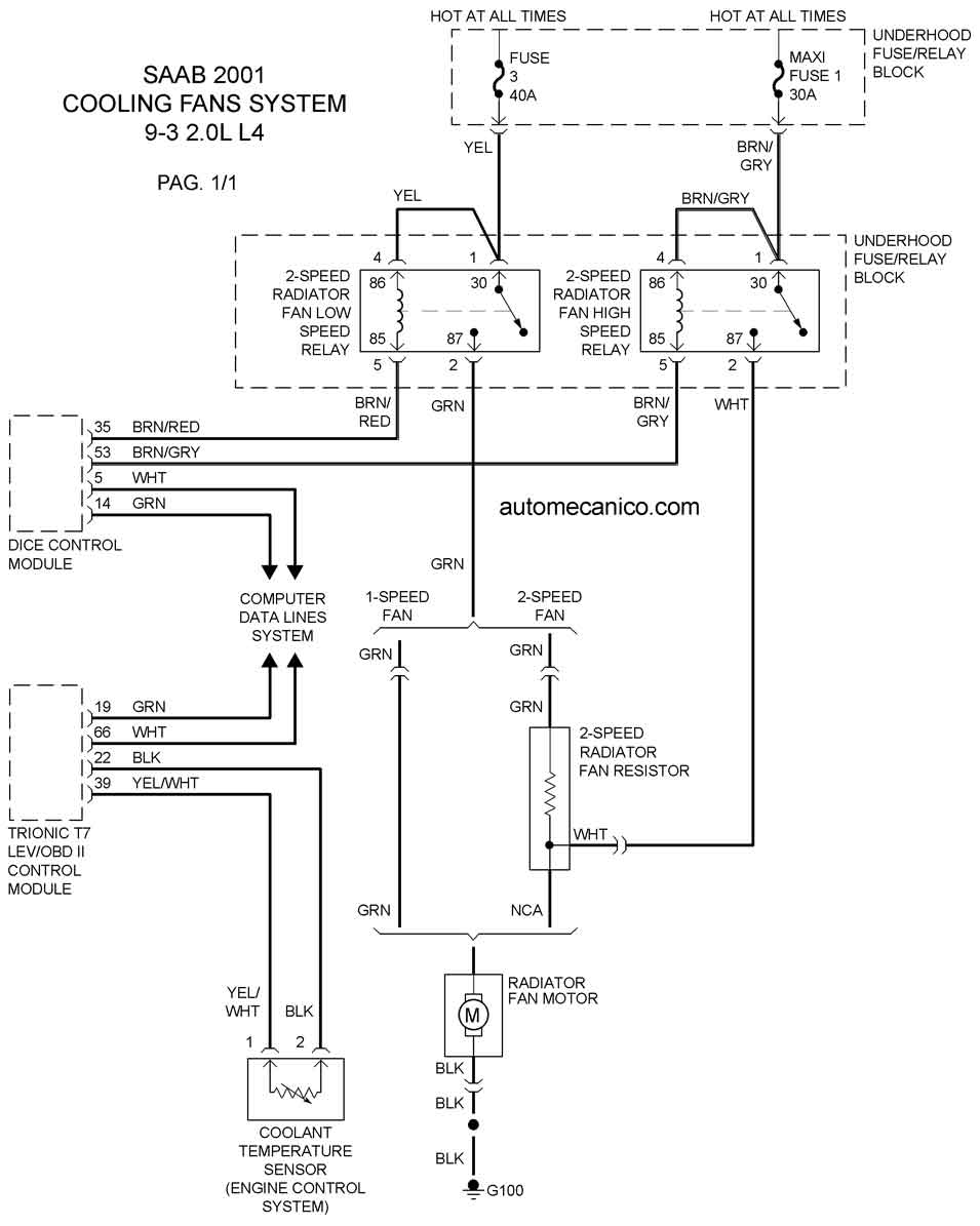
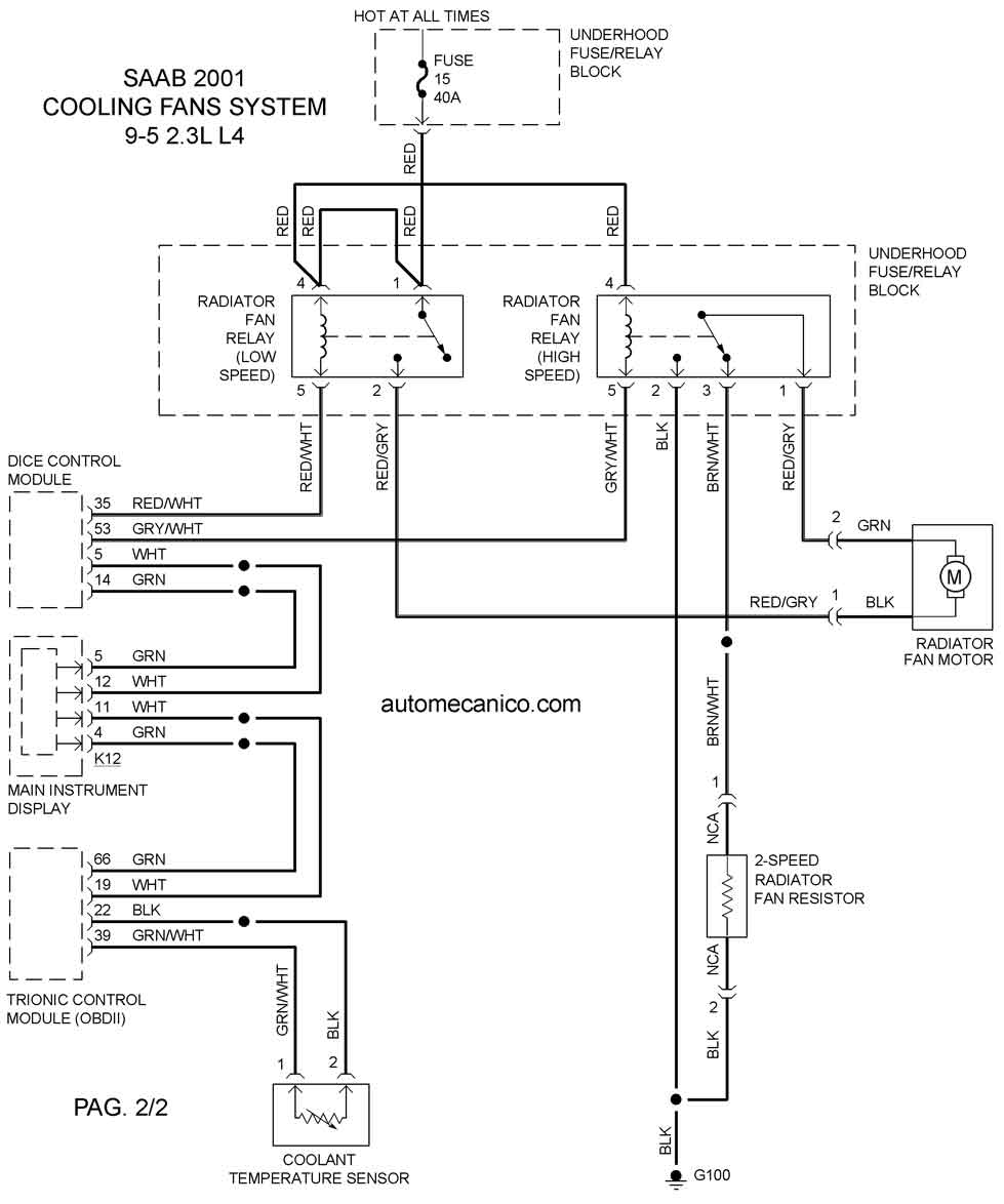
Recuerde que el ventilador debe soplar hacia el motor ... [una conexion con
polaridad invertida hara que sople hacia el radiador]. Tome nota de lo siguiente: Con las excepciones del caso; por lo regular el sistema de enfriamiento; controla el funcionamiento de un ventilador [el mas grande] para soplar hacia el motor/transmision. Cuando se enciende el aire acondicionado [A/C]; el compresor que activa ese sistema, esfuerza al motor; por ello, el mecanismo de funcion, hace que se active el funcionamiento simultaneo de los dos ventiladores; para que el motor no se caliente mas alla de la tolerancia especificada. Algunos vehiculos traen instalados 1 ventilador unico; pero con velocidades que se activan con el mismo objetivo. |
| Los Diagramas, listados abajo, se refieren unicamente al Circuito electrico que involucra: El abanico [Ventilador, Motoventilador, Fan. etc.] que en forma regular esta instalado al frente del vehiculo, pegado al radiador.- INDICE: SAAB 2001 - |
| YEAR | MODELO | DIAG. ELECT. Ventilador - Abanico |
| 2001 | 9-3 - 2.0L 4 CIL. | COOLING FANS SYSTEM |
| 2001 | 9-3 - 2.3L 4 CIL. | COOLING FANS SYSTEM |
| 2001 | 9-5 - 2.3L 4 CIL. | COOLING FANS SYSTEM |
| 2001 | 9-5 - 2.3L 4 CIL. | COOLING FANS SYSTEM |
| 2001 | 9-5 - 3.0L V6 CIL. | COOLING FANS SYSTEM |
| 2001 | 9-5 - 3.0L V6 CIL. | COOLING FANS SYSTEM |
| Volver al indice principal |