| CIRCUITO ELECTRICO - SISTEMA DE ENFRIAMIENTO DEL MOTOR - SCION - 2012 |
DIAGRAMAS: SCION - Cooling Fans system - 2012 - Mecanica Automotriz - |
|
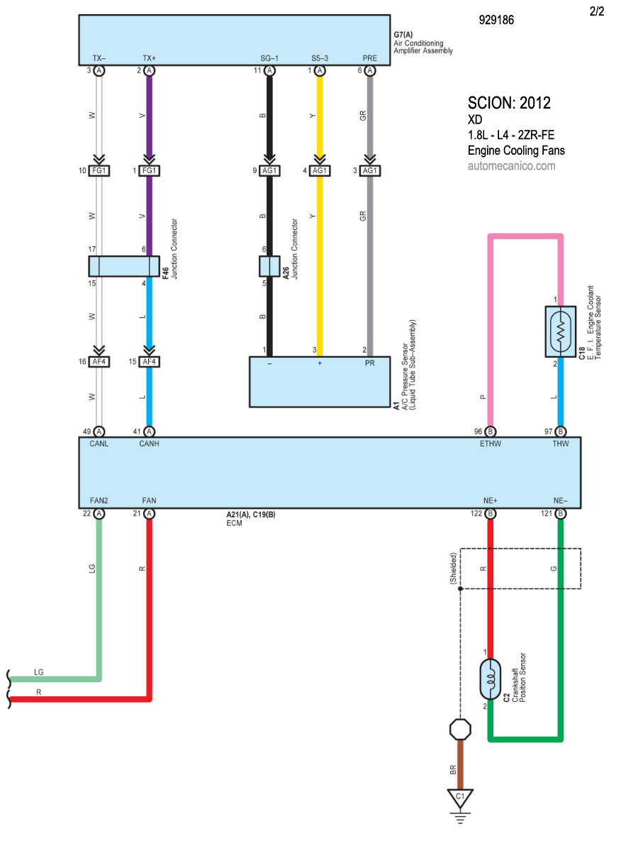
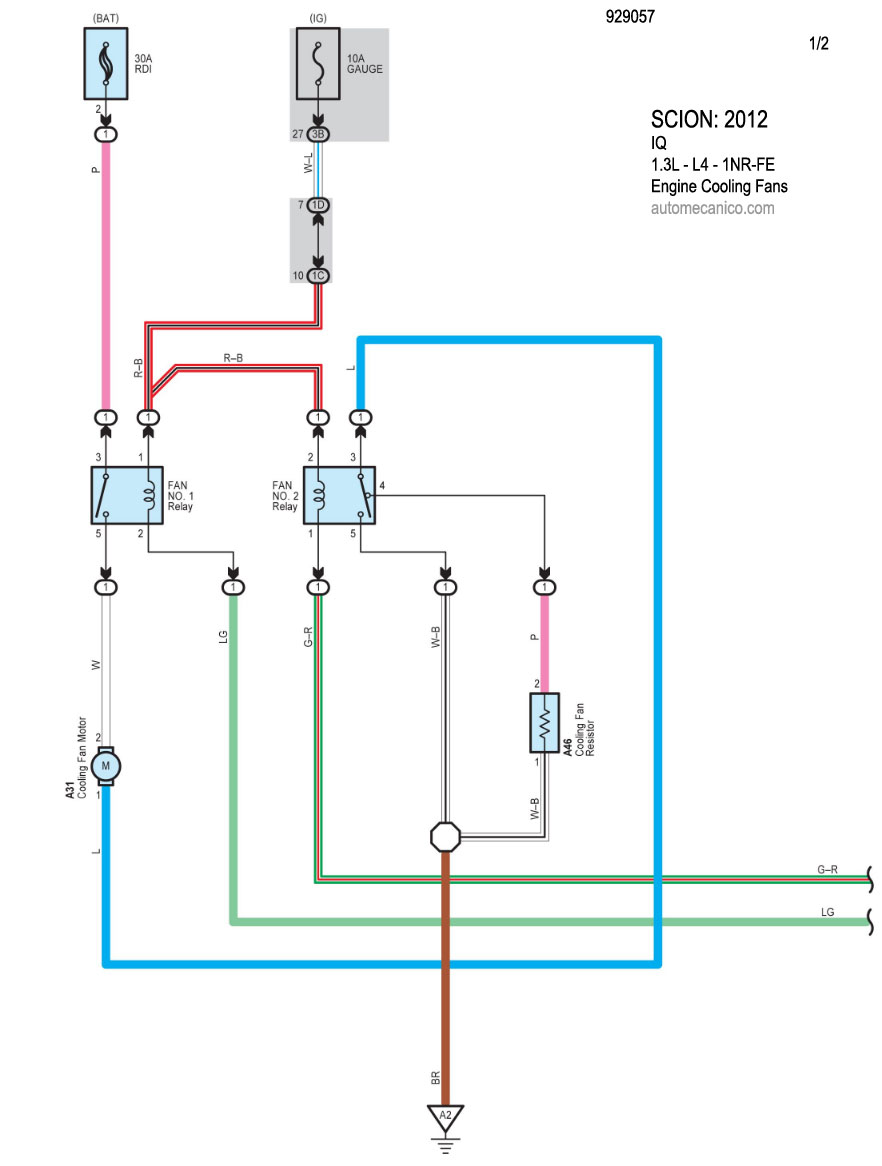
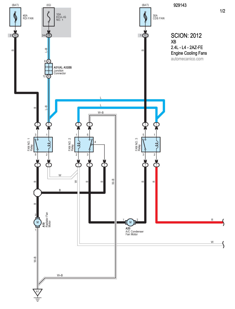
Recuerde que el ventilador debe soplar hacia el motor ... [una conexion con
polaridad invertida hara que sople hacia el radiador]. Tome nota de lo siguiente: Con las excepciones del caso; por lo regular el sistema de enfriamiento; controla el funcionamiento de un ventilador [el mas grande] para soplar hacia el motor/transmision. Cuando se enciende el aire acondicionado [A/C]; el compresor que activa ese sistema, esfuerza al motor; por ello, el mecanismo de funcion, hace que se active el funcionamiento simultaneo de los dos ventiladores; para que el motor no se caliente mas alla de la tolerancia especificada. Algunos vehiculos tienen instalados 1 ventilador unico; pero con velocidades que se activan con el mismo objetivo. |
| Los Diagramas, listados abajo, se refieren unicamente al Circuito electrico que involucra: El abanico [Ventilador, Motoventilador, Fan. etc.] que en forma regular esta instalado al frente del vehiculo, pegado al radiador.- INDICE: SCION 2012 - |
| YEAR | MODELO - SCION | DIAG. ELECT. Ventilador - Abanico |
| 2012 | SCION: IQ - 1.3L - 4 Cil. - 1/2 | COOLING FANS SYSTEM |
| 2012 | SCION: IQ - 1.3L - 4 Cil. - 2/2 | COOLING FANS SYSTEM |
| 2012 | SCION: TC - 2.5L - 4 Cil. - 1/2 | COOLING FANS SYSTEM |
| 2012 | SCION: TC - 2.5L - 4 Cil. - 2/2 | COOLING FANS SYSTEM |
| 2012 | SCION: XB - 2.4L - 4 Cil. - 1/2 | COOLING FANS SYSTEM |
| 2012 | SCION: XB - 2.4L - 4 Cil. - 2/2 | COOLING FANS SYSTEM |
| 2012 | SCION: XD - 1.8L - 4 Cil. - 1/2 | COOLING FANS SYSTEM |
| 2012 | SCION: XD - 1.8L - 4 Cil. - 2/2 | COOLING FANS SYSTEM |
| Volver al indice principal |