| CIRCUITO ELECTRICO - SISTEMA DE ENFRIAMIENTO DEL MOTOR - ACURA - 2017 |
DIAGRAMAS: ACURA - Cooling Fans system - 2017 - Mecanica Automotriz - |
|
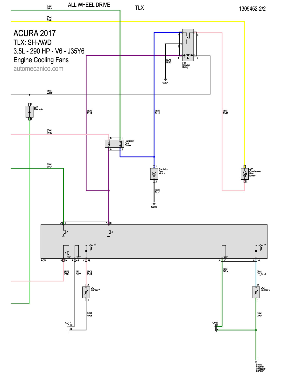
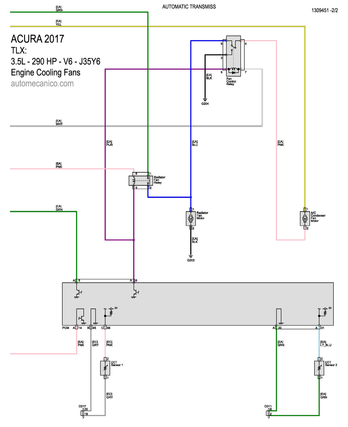
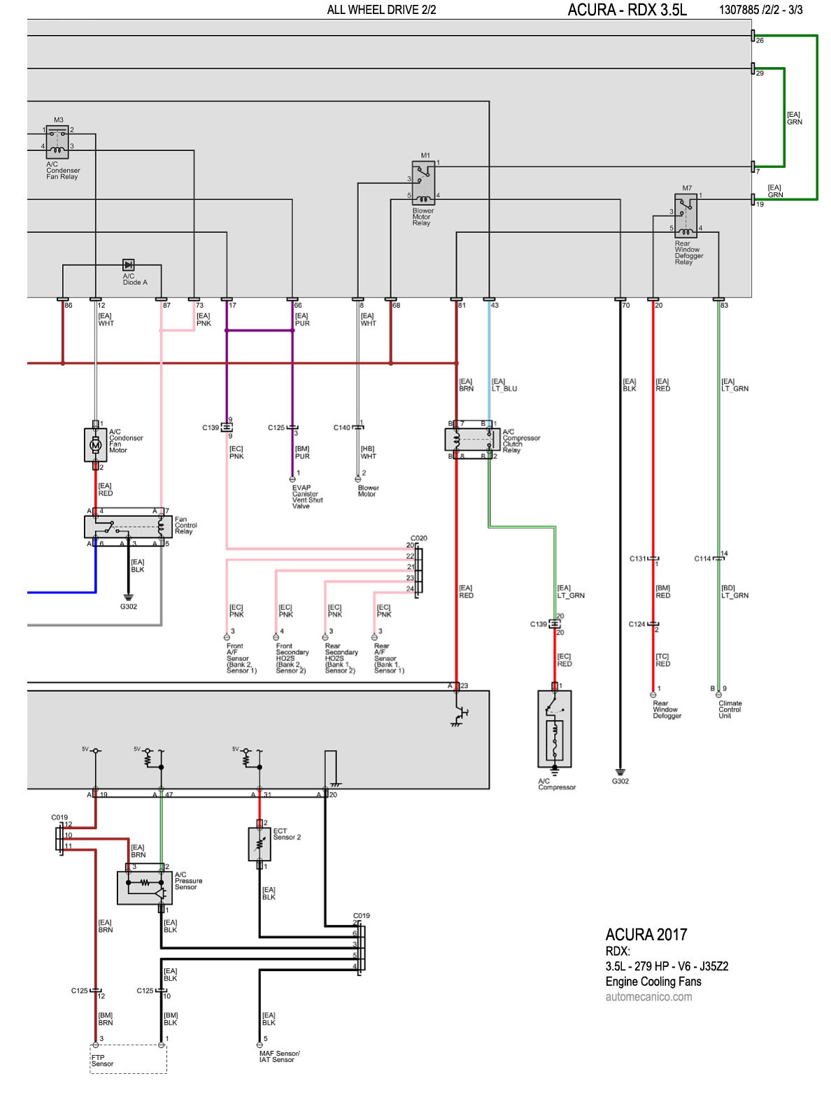
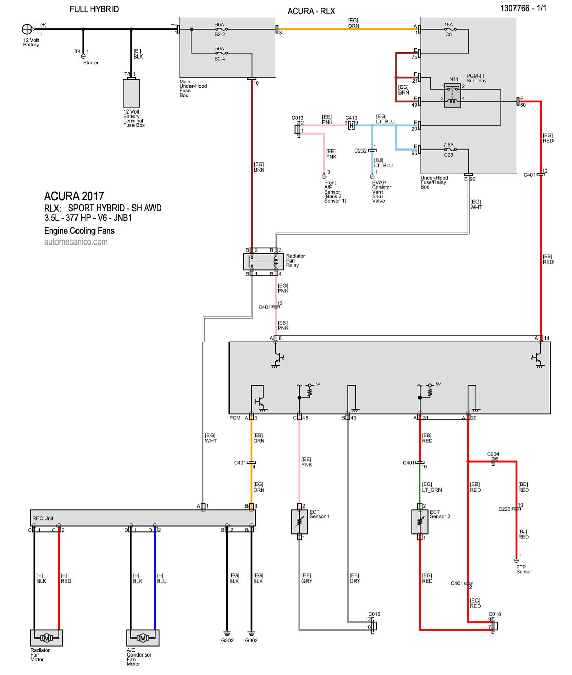
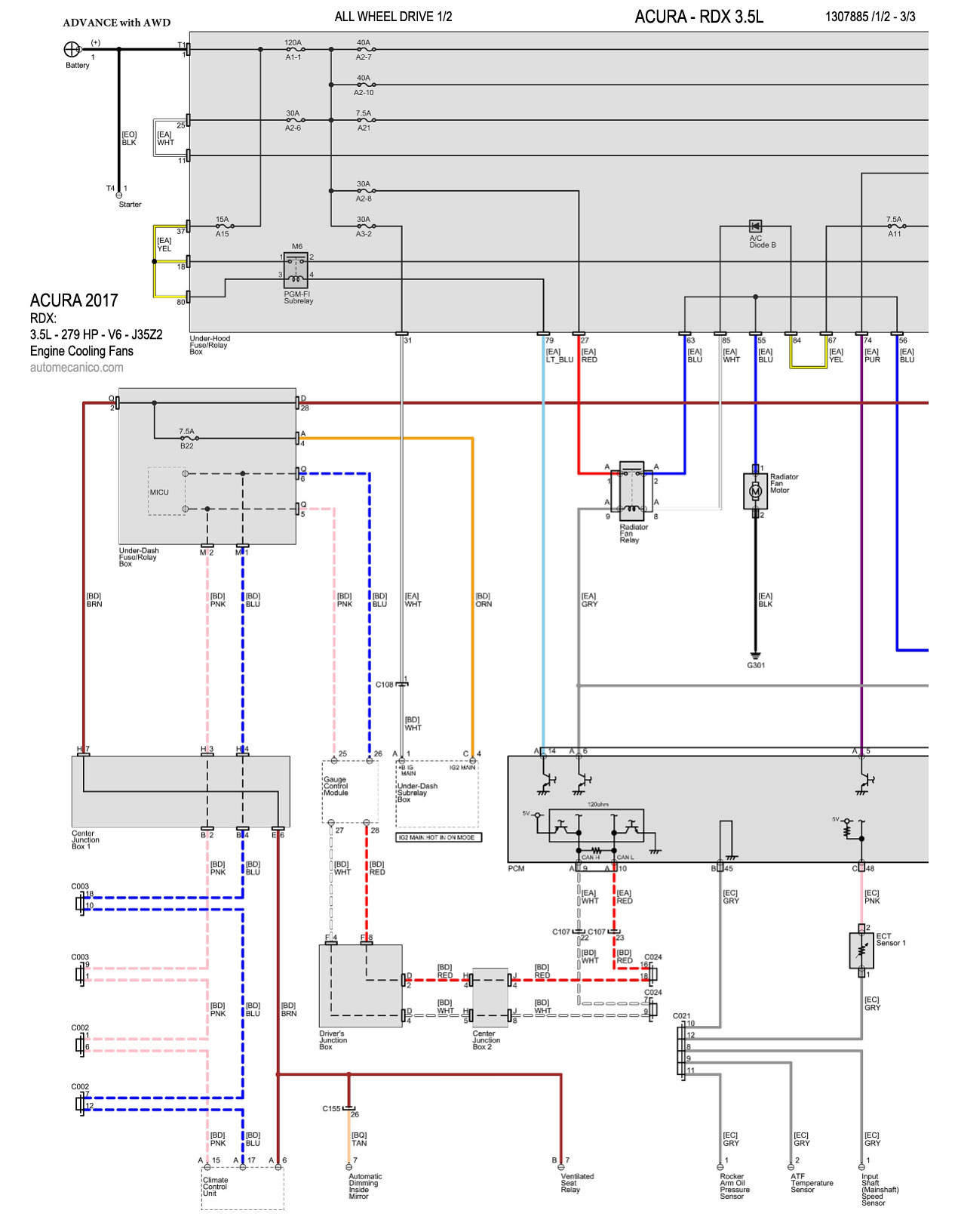
Recuerde que el ventilador debe soplar hacia el motor ... [una conexion con
polaridad invertida hara que sople hacia el radiador]. Tome nota de lo siguiente: Con las excepciones del caso; por lo regular el sistema de enfriamiento; controla el funcionamiento de un ventilador [el mas grande] para soplar hacia el motor/transmision. Cuando se enciende el aire acondicionado [A/C]; el compresor que activa ese sistema, esfuerza al motor; por ello, el mecanismo de funcion, hace que se active el funcionamiento simultaneo de los dos ventiladores; para que el motor no se caliente mas alla de la tolerancia especificada. Algunos vehiculos tienen instalados 1 ventilador unico; pero con velocidades que se activan con el mismo objetivo. |
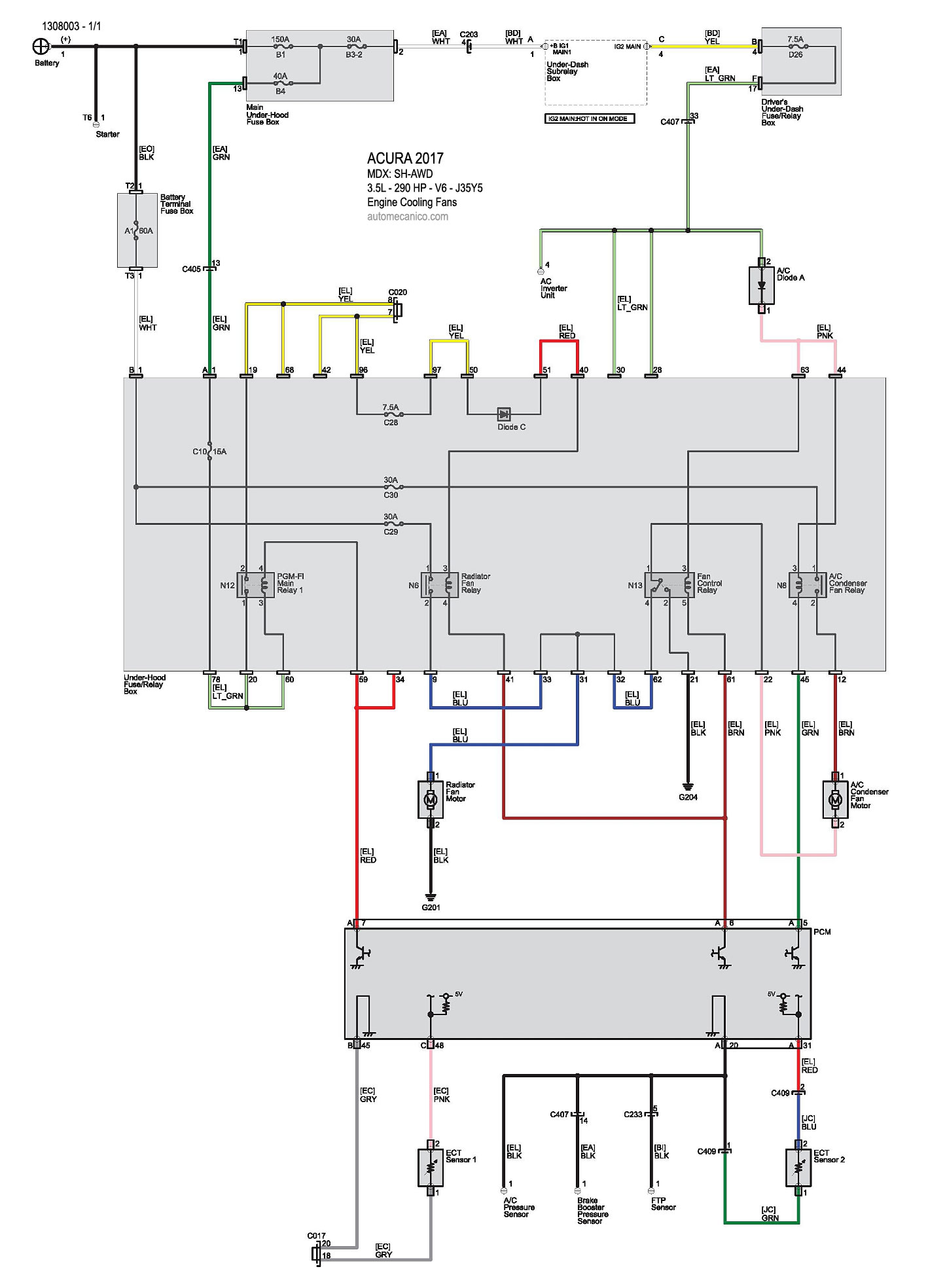
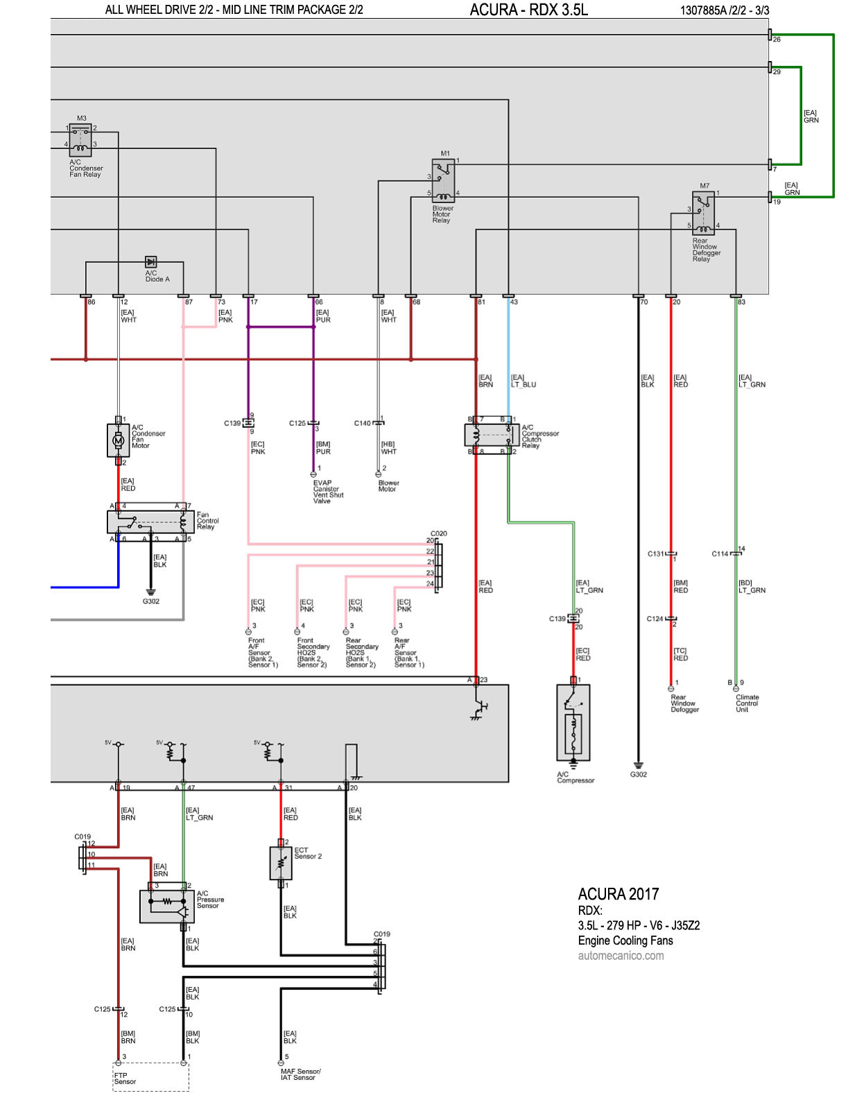
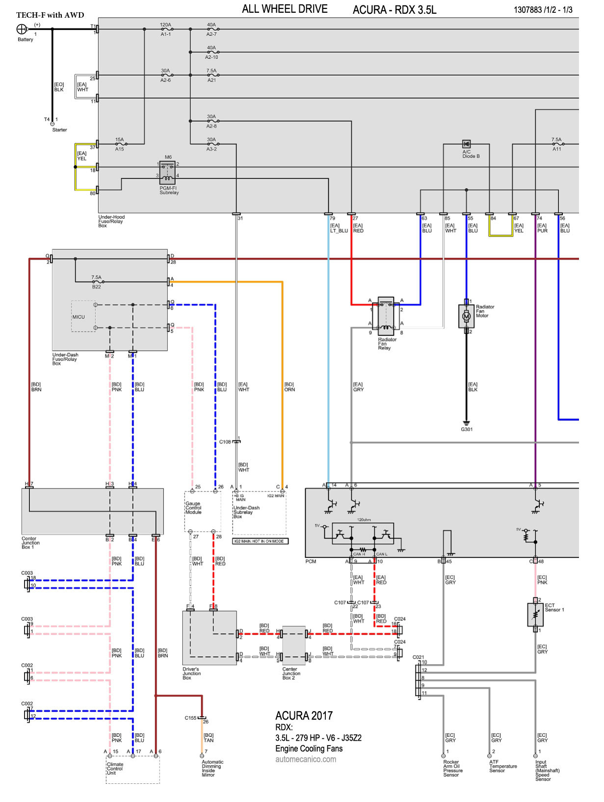
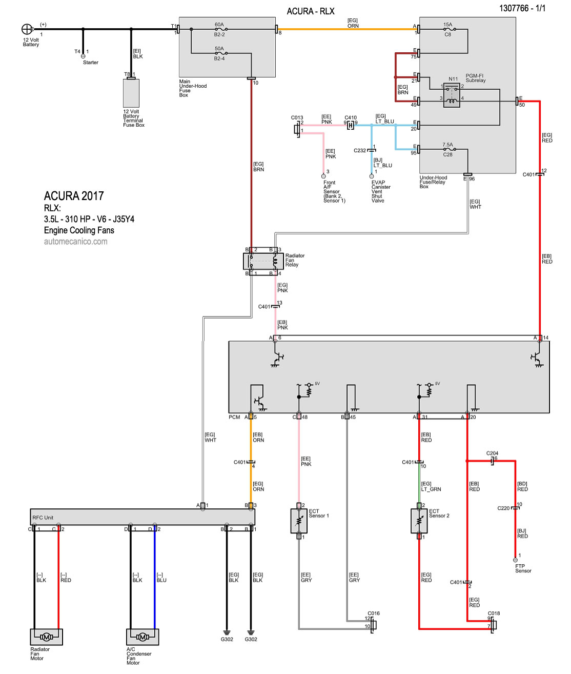
| Los Diagramas, listados abajo, se refieren unicamente al Circuito electrico que involucra: El abanico [Ventilador, Motoventilador, Fan. etc.] que en forma regular esta instalado al frente del vehiculo, pegado al radiador.- INDICE: ACURA 2017 - |
| YEAR | MODELO | DIAG. ELECT. Ventilador - Abanico |
| ILX | ||
| 2017 | ILX: 2.4L - 4 Cil. 1/2 | COOLING FANS SYSTEM |
| 2017 | ILX: 2.4L - 4 Cil. 2/2 | COOLING FANS SYSTEM |
| MDX | ||
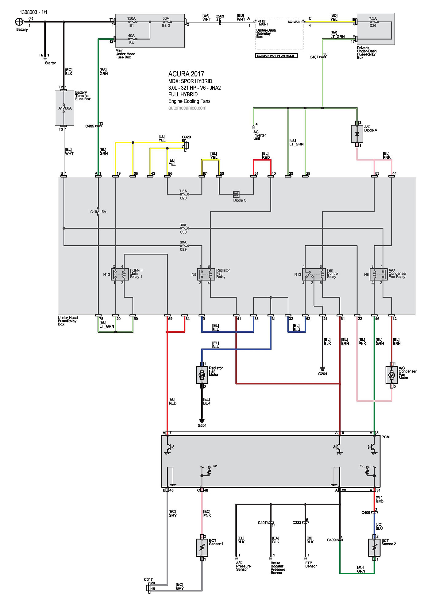
| 2017 | MDX: 3.0L - V6 - FULL HYBRID - 1/1 | COOLING FANS SYSTEM |
| 2017 | MDX: 3.5L - V6 - 1/1 | COOLING FANS SYSTEM |
| RDX | ||
| 2017 | RDX: 3.5L - V6 - AWD - 1/2 | COOLING FANS SYSTEM |
| 2017 | RDX: 3.5L - V6 - AWD - 2/2 | COOLING FANS SYSTEM |
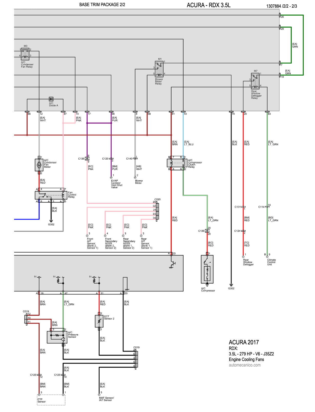
| 2017 | RDX: 3.5L - V6 - BASE TRIM P - 1/2 | COOLING FANS SYSTEM |
| 2017 | RDX: 3.5L - V6 - BASE TRIM P - 2/2 | COOLING FANS SYSTEM |
| 2017 | RDX: 3.5L - V6 - AWD - 1/2 | COOLING FANS SYSTEM |
| 2017 | RDX: 3.5L - V6 - AWD - 2/2 | COOLING FANS SYSTEM |
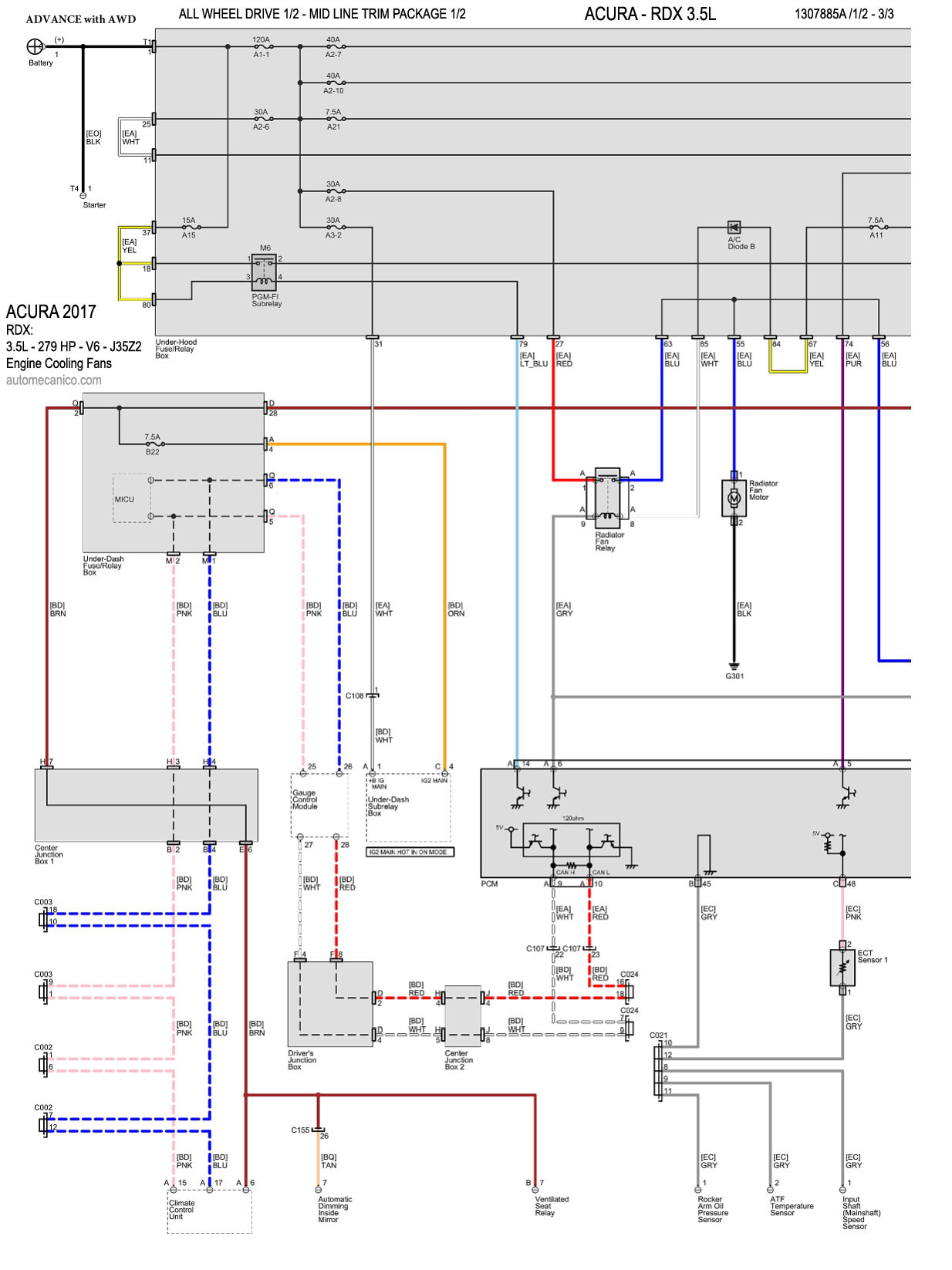
| 2017 | RDX: 3.5L - V6 - AWD -MID LINE TRIM P - 1/2 | COOLING FANS SYSTEM |
| 2017 | RDX: 3.5L - V6 - AWD -MID LINE TRIM P - 2/2 | COOLING FANS SYSTEM |
| RLX | ||
| 2017 | RLX: 3.5L - V6 | COOLING FANS SYSTEM |
| 2017 | RLX: 3.5L - V6 - FULL HYBRID | COOLING FANS SYSTEM |
| TLX | ||
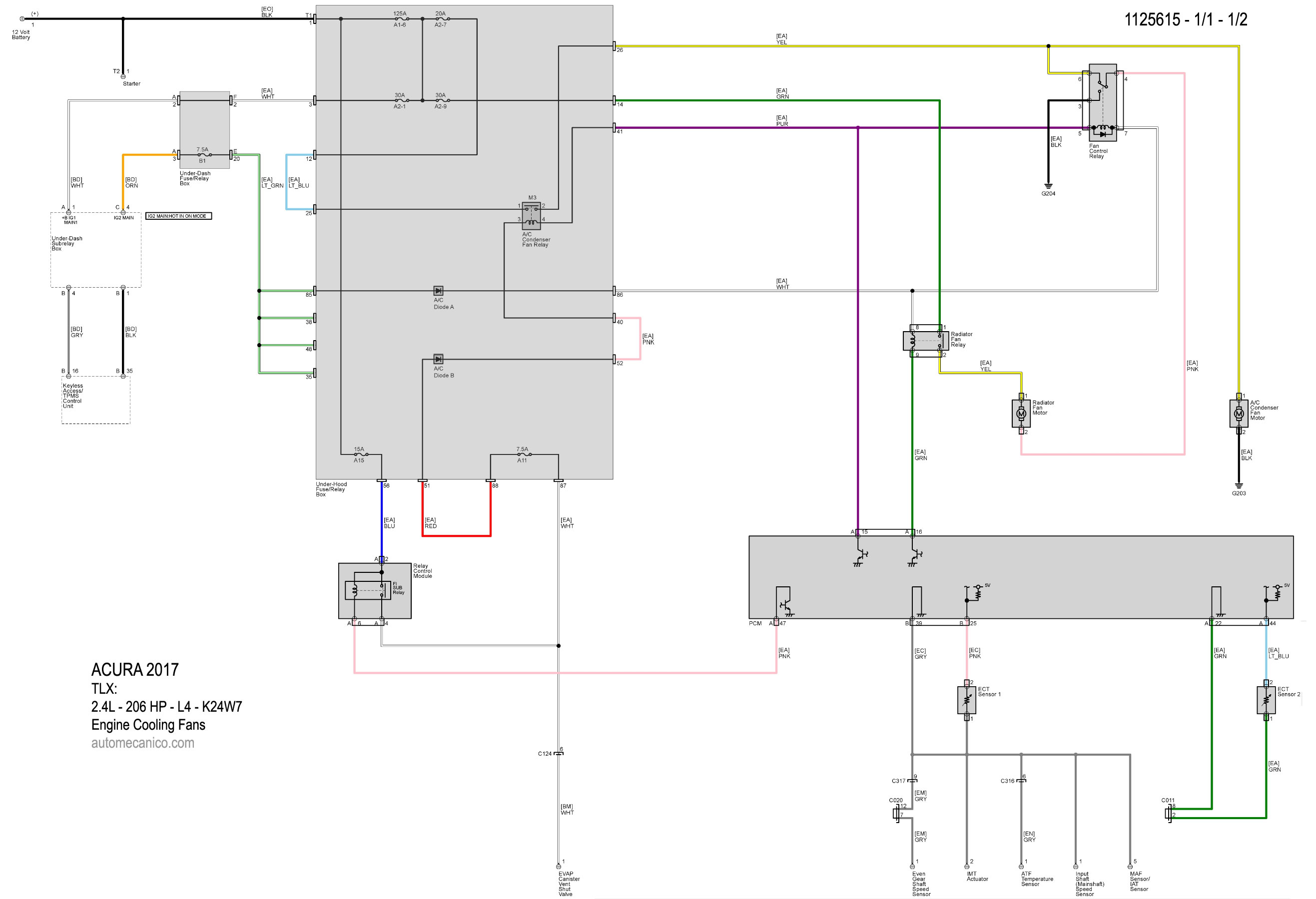
| 2017 | TLX: 2.4L - 4 Cil. - 1/2 | COOLING FANS SYSTEM |
| 2017 | TLX: 2.4L - 4 Cil. - 2WD - 1/2 | COOLING FANS SYSTEM |
| 2017 | TLX: 2.4L - 4 Cil. - 2WD - 2/2 | COOLING FANS SYSTEM |
| 2017 | TLX: 3.5L - V6 - A/T - 1/2 | COOLING FANS SYSTEM |
| 2017 | TLX: 3.5L - V6 - A/T -2/2 | COOLING FANS SYSTEM |
| 2017 | TLX: 3.5L - V6 - AWD - 1/2 | COOLING FANS SYSTEM |
| 2017 | TLX: 3.5L - V6 - AWD - 2/2 | COOLING FANS SYSTEM |
| Volver al indice 2017 |