| CIRCUITO ELECTRICO - SISTEMA DE ENFRIAMIENTO DEL MOTOR - CADILLAC - 2017 |
DIAGRAMAS: CADILLAC - Cooling Fans system - 2017 - Mecanica Automotriz - |
|
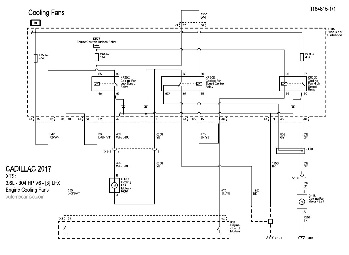
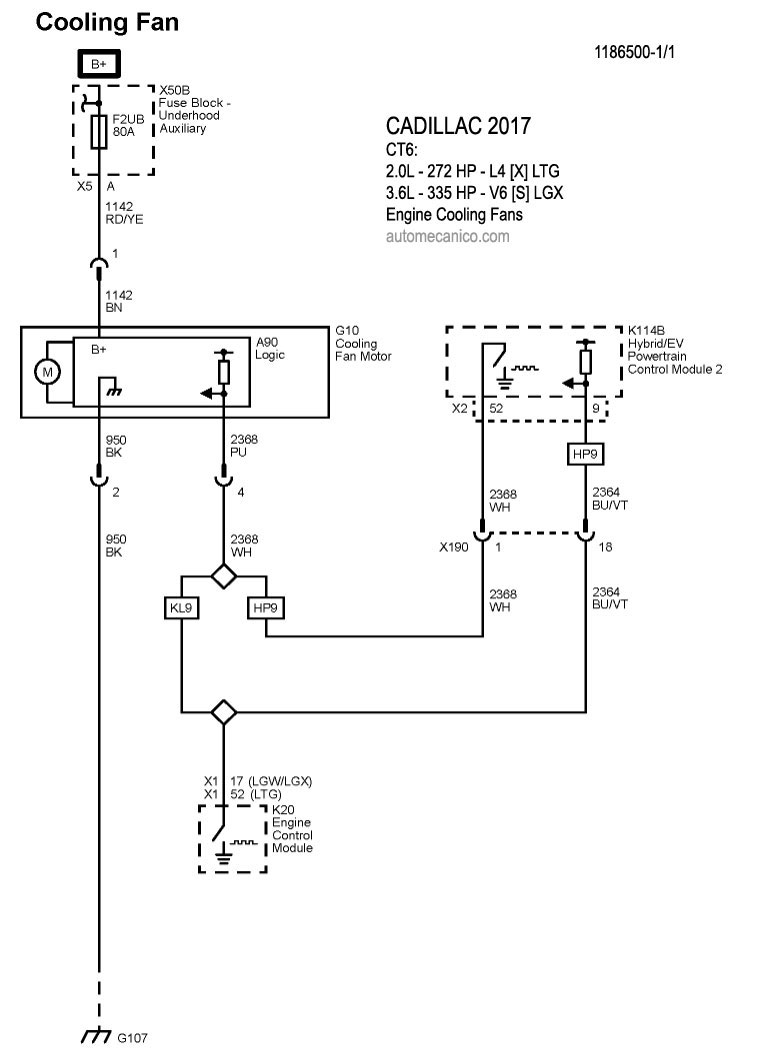
Recuerde que el ventilador debe soplar hacia el motor ... [una conexion con
polaridad invertida hara que sople hacia el radiador]. Tome nota de lo siguiente: Con las excepciones del caso; por lo regular el sistema de enfriamiento; controla el funcionamiento de un ventilador [el mas grande] para soplar hacia el motor/transmision. Cuando se enciende el aire acondicionado [A/C]; el compresor que activa ese sistema, esfuerza al motor; por ello, el mecanismo de funcion, hace que se active el funcionamiento simultaneo de los dos ventiladores; para que el motor no se caliente mas alla de la tolerancia especificada. Algunos vehiculos tienen instalados 1 ventilador unico; pero con velocidades que se activan con el mismo objetivo. |
| Los Diagramas, listados abajo, se refieren unicamente al Circuito electrico que involucra: El abanico [Ventilador, Motoventilador, Fan. etc.] que en forma regular esta instalado al frente del vehiculo, pegado al radiador.- INDICE: CADILLAC 2017 - |
| YEAR | MODELO | DIAG. ELECT. Ventilador - Abanico |
| ATS | ||
| 2017 | 2.0L 4 Cil. - LTG - 1/2 | COOLING FANS SYSTEM |
| 2017 | 2.0L 4 Cil. - LTG - 2/2 | COOLING FANS SYSTEM |
| 2017 | 3.6L - V6 - LCV - LGX - LTG | COOLING FANS SYSTEM |
| 2017 | 3.6L - V6 - LGX - LTG | COOLING FANS SYSTEM |
| 2017 | 3.6L - V6 - LF4 | COOLING FANS SYSTEM |
| CT6 | ||
| 2017 | 2.0L - 4 Cil. LTG - 1/1 | COOLING FANS SYSTEM |
| 2017 | 3.0L - V6 - LGW - 1/1 | COOLING FANS SYSTEM |
| 2017 | 3.0L - V6 - LGX - 1/1 | COOLING FANS SYSTEM |
| CTS | ||
| 2017 | 2.0L - 4 Cil. - Sin Heavy Duty Cooling | COOLING FANS SYSTEM |
| 2017 | 2.0L - 4 Cil. Con Heavy Duty Cooling | COOLING FANS SYSTEM |
| 2017 | 3.6L - V6 - Sin Heavy Duty Cooling | COOLING FANS SYSTEM |
| 2017 | 3.6L - V6 - Con Heavy Duty Cooling | COOLING FANS SYSTEM |
| XT5 | ||
| 2017 | 3.6L - V6 - 1/1 | COOLING FANS SYSTEM |
| XTS | ||
| 2017 | 3.6L - V6 - 1/1 | COOLING FANS SYSTEM |
| Volver al indice 2017 |