| CIRCUITO ELECTRICO - SISTEMA DE ENFRIAMIENTO DEL MOTOR - DODGE - 2017 |
DIAGRAMAS: DODGE - Cooling Fans system - 2017 - Mecanica Automotriz - |
|
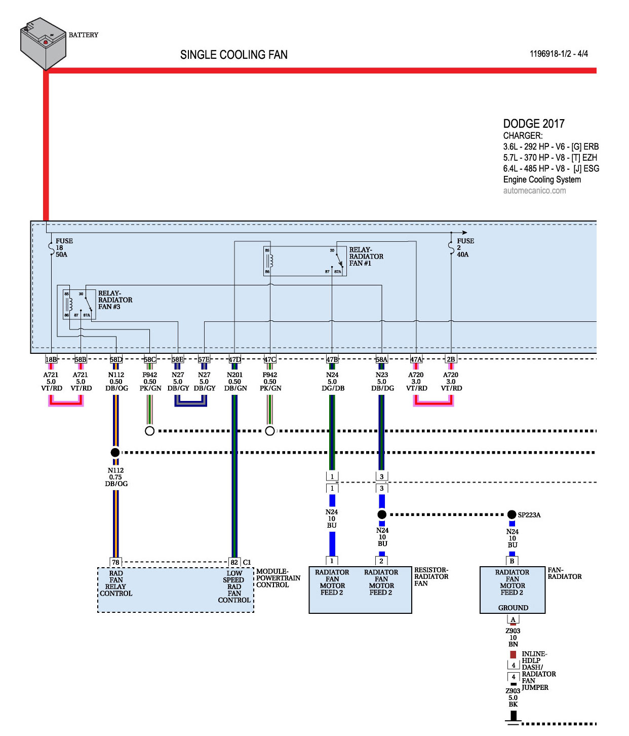
Recuerde que el ventilador debe soplar hacia el motor ... [una conexion con
polaridad invertida hara que sople hacia el radiador]. Tome nota de lo siguiente: Con las excepciones del caso; por lo regular el sistema de enfriamiento; controla el funcionamiento de un ventilador [el mas grande] para soplar hacia el motor/transmision. Cuando se enciende el aire acondicionado [A/C]; el compresor que activa ese sistema, esfuerza al motor; por ello, el mecanismo de funcion, hace que se active el funcionamiento simultaneo de los dos ventiladores; para que el motor no se caliente mas alla de la tolerancia especificada. Algunos vehiculos tienen instalados 1 ventilador unico; pero con velocidades que se activan con el mismo objetivo. |
| Los Diagramas, listados abajo, se refieren unicamente al Circuito electrico que involucra: El abanico [Ventilador, Motoventilador, Fan. etc.] que en forma regular esta instalado al frente del vehiculo, pegado al radiador.- INDICE: DODGE 2017 - |
| YEAR | MODELO | DIAG. ELECT. Ventilador - Abanico |
| CHALLENGER | ||
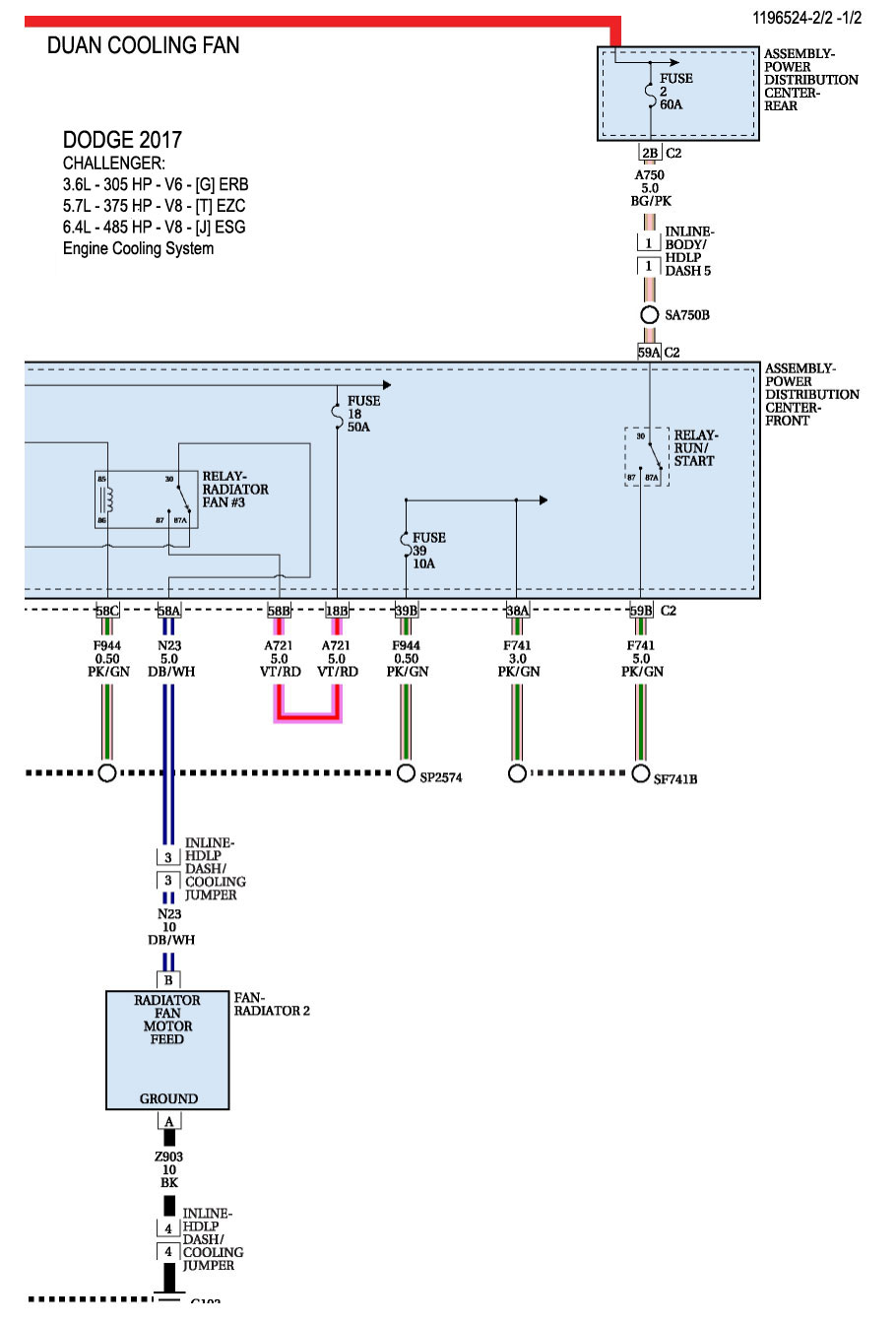
| 2017 | 3.6L - V6 - Dual Cooling Fan - 1/2 | COOLING FANS SYSTEM |
| 2017 | 3.6L - V6 - Dual Cooling Fan - 2/2 | COOLING FANS SYSTEM |
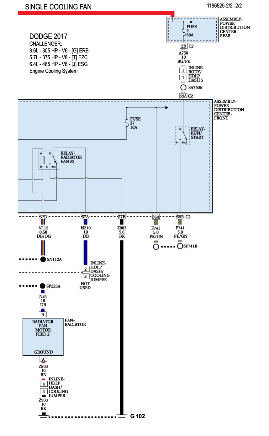
| 2017 | 3.6L - V6 - Single Cooling Fan - 1/2 | COOLING FANS SYSTEM |
| 2017 | 3.6L - V6 - Single Cooling Fan - 2/2 | COOLING FANS SYSTEM |
| 2017 | 5.7L - V8 - Dual Cooling Fan - 1/2 | COOLING FANS SYSTEM |
| 2017 | 5.7L - V8 - Dual Cooling Fan - 2/2 | COOLING FANS SYSTEM |
| 2017 | 5.7L - V8 - Single Cooling Fan - 1/2 | COOLING FANS SYSTEM |
| 2017 | 5.7L - V8 - Single Cooling Fan - 2/2 | COOLING FANS SYSTEM |
| 2017 | 6.4L - V8 - Dual Cooling Fan - 1/2 | COOLING FANS SYSTEM |
| 2017 | 6.4L - V8 - Dual Cooling Fan - 2/2 | COOLING FANS SYSTEM |
| 2017 | 6.4L - V8 - Single Cooling Fan - 1/2 | COOLING FANS SYSTEM |
| 2017 | 6.4L - V8 - Single Cooling Fan - 2/2 | COOLING FANS SYSTEM |
| 2017 | 6.2L - V8 - SRT, HELLCAT | COOLING FANS SYSTEM |
| CHARGER | ||
| 2017 | 3.6L - V6 - Dual Cooling Fan 1/2 | COOLING FANS SYSTEM |
| 2017 | 3.6L - V6 - Dual Cooling Fan 2/2 | COOLING FANS SYSTEM |
| 2017 | 3.6L - V6 - Single Cooling Fan 1/2 | COOLING FANS SYSTEM |
| 2017 | 3.6L - V6 - Single Cooling Fan 2/2 | COOLING FANS SYSTEM |
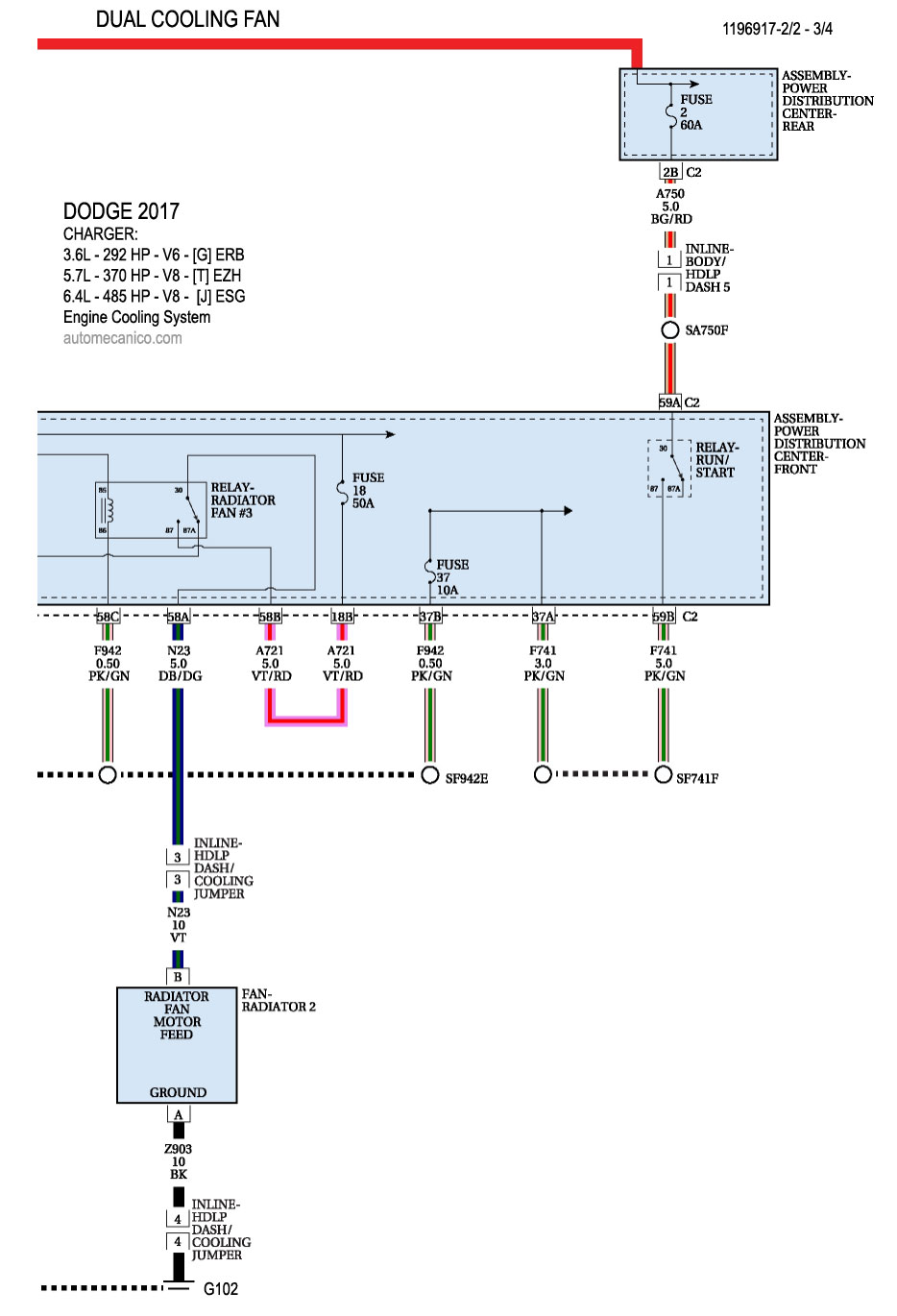
| 2017 | 5.7L - V8 - Dual Cooling Fan 1/2 | COOLING FANS SYSTEM |
| 2017 | 5.7L - V8 - Dual Cooling Fan 2/2 | COOLING FANS SYSTEM |
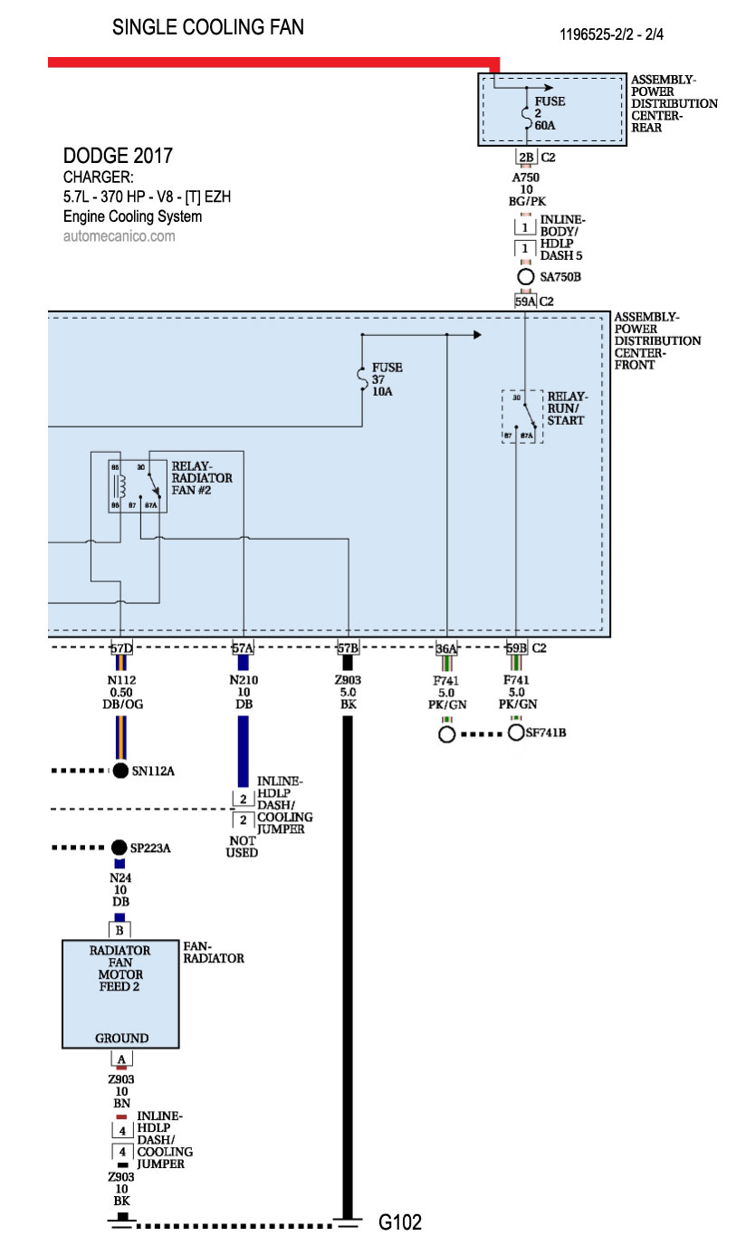
| 2017 | 5.7L - V8 - Single Cooling Fan 1/2A | COOLING FANS SYSTEM |
| 2017 | 5.7L - V8 - Single Cooling Fan 2/2A | COOLING FANS SYSTEM |
| 2017 | 5.7L - V8 - Single Cooling Fan 1/2 | COOLING FANS SYSTEM |
| 2017 | 5.7L - V8 - Single Cooling Fan 2/2 | COOLING FANS SYSTEM |
| 2017 | 6.4L - V8 - Dual Cooling Fan 1/2 | COOLING FANS SYSTEM |
| 2017 | 6.4L - V8 - Dual Cooling Fan 2/2 | COOLING FANS SYSTEM |
| 2017 | 6.4L - V8 - Single Cooling Fan 1/2 | COOLING FANS SYSTEM |
| 2017 | 6.4L - V8 - Single Cooling Fan 2/2 | COOLING FANS SYSTEM |
| DURANGO | ||
| 2017 | 3.6L - V6 - With HDC | COOLING FANS SYSTEM |
| 2017 | 3.6L - V6 - With/out HDC | COOLING FANS SYSTEM |
| 2017 | 5.7L - V8 - With HDC | COOLING FANS SYSTEM |
| 2017 | 5.7L - V8 - With/out HDC | COOLING FANS SYSTEM |
| GRAND CARAVAN | ||
| 2017 | 3.6L - V6 | COOLING FANS SYSTEM |
| 2017 | JOURNEY | |
| 2.4L - 4 Cil. | COOLING FANS SYSTEM | |
| 2017 | 3.6L - V6 | COOLING FANS SYSTEM |
| 2017 | VIPER | |
| 2017 | 8.4L - V10 - | COOLING FANS SYSTEM |
| Volver al indice 2017 |