| CIRCUITO ELECTRICO - SISTEMA DE ENFRIAMIENTO DEL MOTOR - HYUNDAI - 2017 |
DIAGRAMAS: HYUNDAI - Cooling Fans system - 2017 - Mecanica Automotriz - |
|
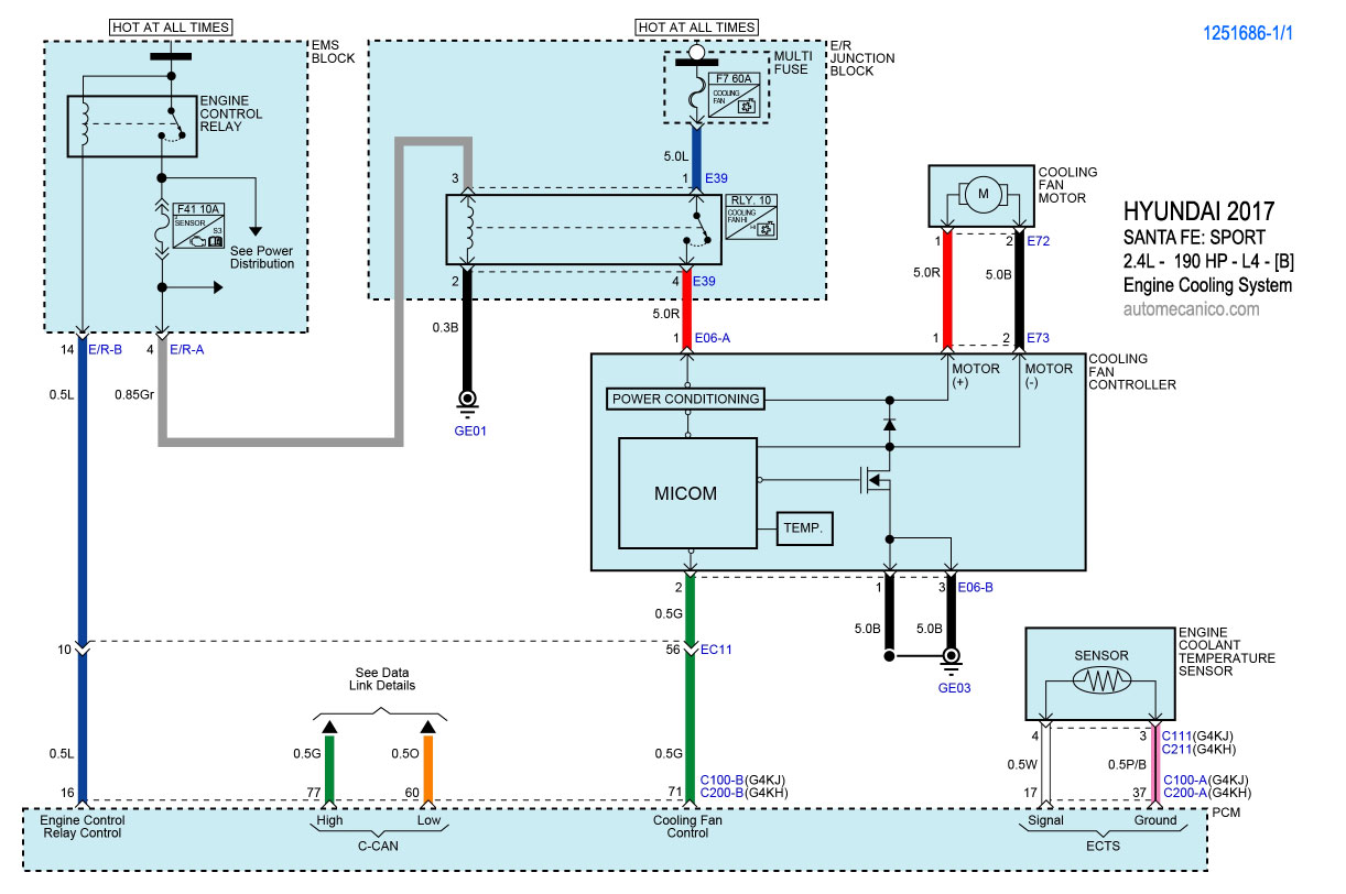
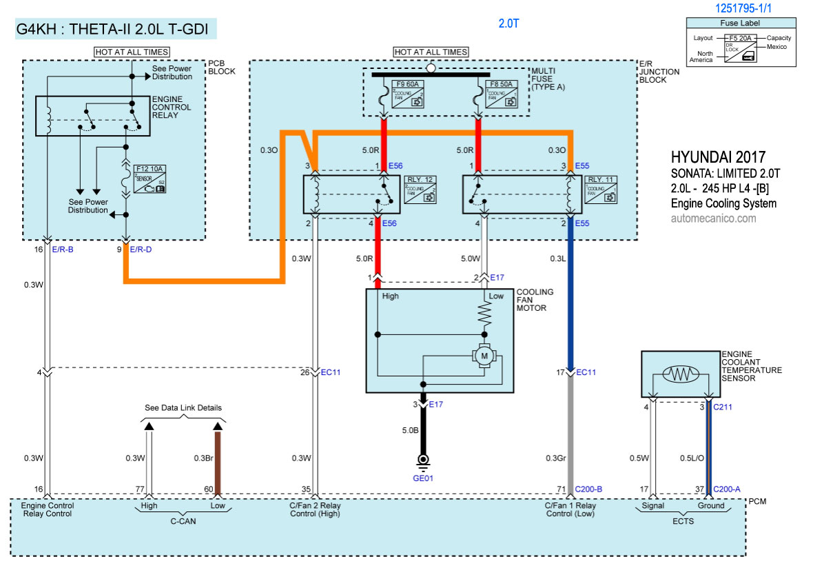
Recuerde que el ventilador debe soplar hacia el motor ... [una conexion con
polaridad invertida hara que sople hacia el radiador]. Tome nota de lo siguiente: Con las excepciones del caso; por lo regular el sistema de enfriamiento; controla el funcionamiento de un ventilador [el mas grande] para soplar hacia el motor/transmision. Cuando se enciende el aire acondicionado [A/C]; el compresor que activa ese sistema, esfuerza al motor; por ello, el mecanismo de funcion, hace que se active el funcionamiento simultaneo de los dos ventiladores; para que el motor no se caliente mas alla de la tolerancia especificada. Algunos vehiculos tienen instalados 1 ventilador unico; pero con velocidades que se activan con el mismo objetivo. |
| Los Diagramas, listados abajo, se refieren unicamente al Circuito electrico que involucra: El abanico [Ventilador, Motoventilador, Fan. etc.] que en forma regular esta instalado al frente del vehiculo, pegado al radiador.- INDICE: HYUNDAI 2017 - |
| YEAR | MODELO | DIAG. ELECT. Ventilador - Abanico |
| ACCENT: SE | ||
| 2017 | 1.6L - 4 Cil. | COOLING FANS SYSTEM |
| AZERA | ||
| 2017 | 3.3L - V6 Cil. | COOLING FANS SYSTEM |
| ELANTRA : ECO, SPORT, GT, LIMITED | ||
| 2017 | 1.4L - 4 Cil. G4LD | COOLING FANS SYSTEM |
| 2017 | 1.6L - 4 Cil. G4FJ | COOLING FANS SYSTEM |
| 2017 | 2.0L - 4 Cil. GT | COOLING FANS SYSTEM |
| 2017 | 2.0L - 4 Cil. | COOLING FANS SYSTEM |
| IONIQ: ELECTRIC | ||
| 2017 | 1.6L - 4 Cil. Full Hybrid - 1/2 | COOLING FANS SYSTEM |
| 2017 | 1.6L - 4 Cil. Full Hybrid - 2/2 | COOLING FANS SYSTEM |
| 2017 | EM09 - BATTERY EV - 1/2 | COOLING FANS SYSTEM |
| 2017 | EM09 - BATTERY EV - 2/2 | COOLING FANS SYSTEM |
| SANTA FE: SPORT, LIMITED | ||
| 2017 | 2.0L - 4 Cil. Turbo | COOLING FANS SYSTEM |
| 2017 | 2.4L - 4 Cil. | COOLING FANS SYSTEM |
| 2017 | 3.3L - V6 | COOLING FANS SYSTEM |
| SONATA | ||
| 2017 | 1.6L - 4 Cil. G4FJ - ECO | COOLING FANS SYSTEM |
| 2017 | 2.0L - 4 Cil. G4KH | COOLING FANS SYSTEM |
| 2017 | 2.4L - 4 Cil. G4KJ | COOLING FANS SYSTEM |
| SONATA: HYBRID | ||
| 2017 | 2.0L - 4 Cil. Plug Hybrid - 1/2 | COOLING FANS SYSTEM |
| 2017 | 2.0L - 4 Cil. Plug Hybrid - 2/2 | COOLING FANS SYSTEM |
| 2017 | 2.0L - 4 Cil. Full Hybrid - 1/2 | COOLING FANS SYSTEM |
| 2017 | 2.0L - 4 Cil. Full Hybrid - 2/2 | COOLING FANS SYSTEM |
| TUCSON: ECO, SE | ||
| 2017 | 1.6L - 4 Cil. G4FJ - 1/1 | COOLING FANS SYSTEM |
| 2017 | 2.0L - 4 Cil. G4NC - 1/1 | COOLING FANS SYSTEM |
| Volver al indice 2017 |