| CIRCUITO ELECTRICO - SISTEMA DE ENFRIAMIENTO DEL MOTOR - KIA - 2017 |
DIAGRAMAS: KIA - Cooling Fans system - 2017 - Mecanica Automotriz - |
|
Recuerde que el ventilador debe soplar hacia el motor ... [una conexion con
polaridad invertida hara que sople hacia el radiador]. Tome nota de lo siguiente: Con las excepciones del caso; por lo regular el sistema de enfriamiento; controla el funcionamiento de un ventilador [el mas grande] para soplar hacia el motor/transmision. Cuando se enciende el aire acondicionado [A/C]; el compresor que activa ese sistema, esfuerza al motor; por ello, el mecanismo de funcion, hace que se active el funcionamiento simultaneo de los dos ventiladores; para que el motor no se caliente mas alla de la tolerancia especificada. Algunos vehiculos tienen instalados 1 ventilador unico; pero con velocidades que se activan con el mismo objetivo. |
| Los Diagramas, listados abajo, se refieren unicamente al Circuito electrico que involucra: El abanico [Ventilador, Motoventilador, Fan. etc.] que en forma regular esta instalado al frente del vehiculo, pegado al radiador.- INDICE: KIA 2017 - |
| YEAR | MODELO | DIAG. ELECT. Ventilador - Abanico |
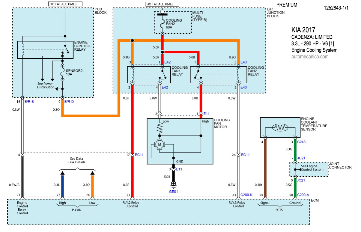
| CADENZA: LIMITED | ||
| 2017 | 3.3L - V6 | COOLING FANS SYSTEM |
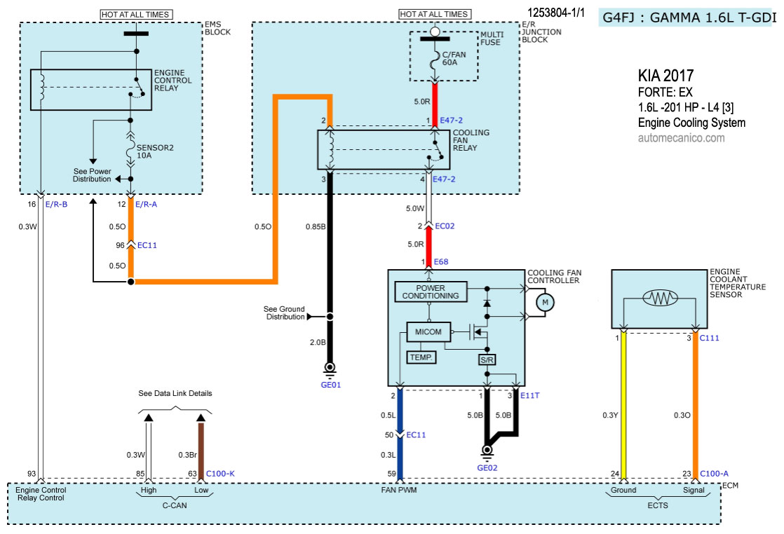
| FORTE: EX | ||
| 2017 | 1.6L - G4FJ - 4 Cil. | COOLING FANS SYSTEM |
| 2017 | 2.0L - G4NC - 4 Cil. | COOLING FANS SYSTEM |
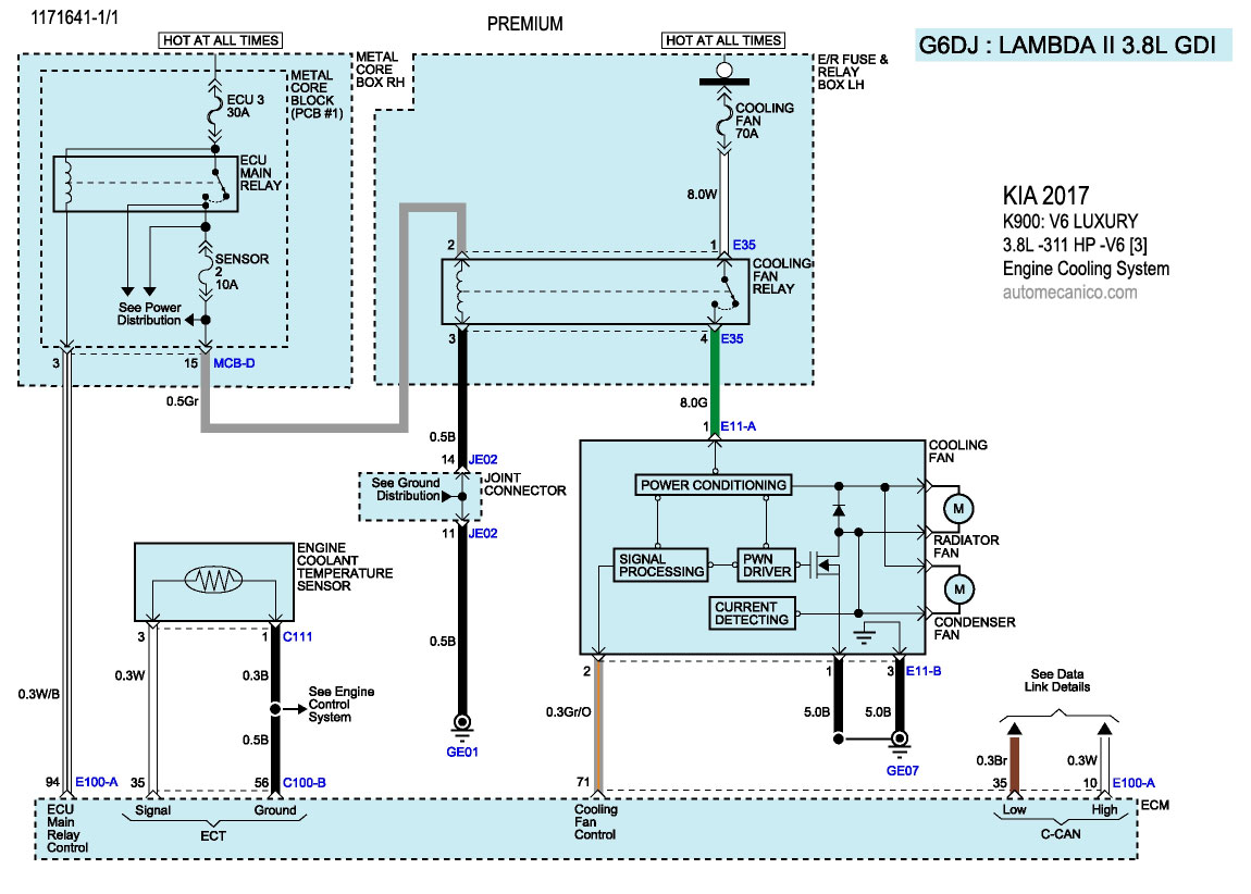
| K900: V6 LUXURY | ||
| 2017 | 3.8L - G6DJ - V6 - 1/1 | COOLING FANS SYSTEM |
| K900: V8 - LUXURY | ||
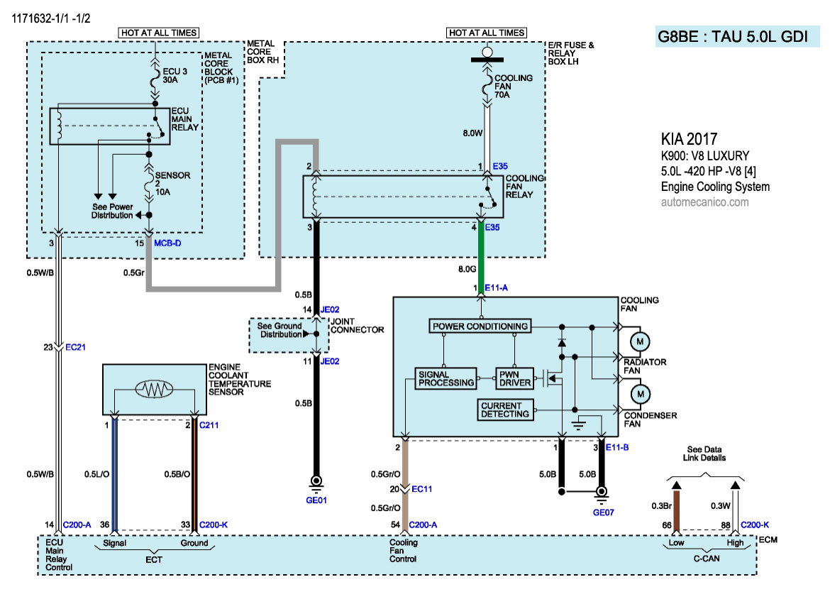
| 2017 | 5.0L - G8BE - V8 - 1/2 | COOLING FANS SYSTEM |
| 2017 | 5.0L - G8BE - V8 - 2/2 | COOLING FANS SYSTEM |
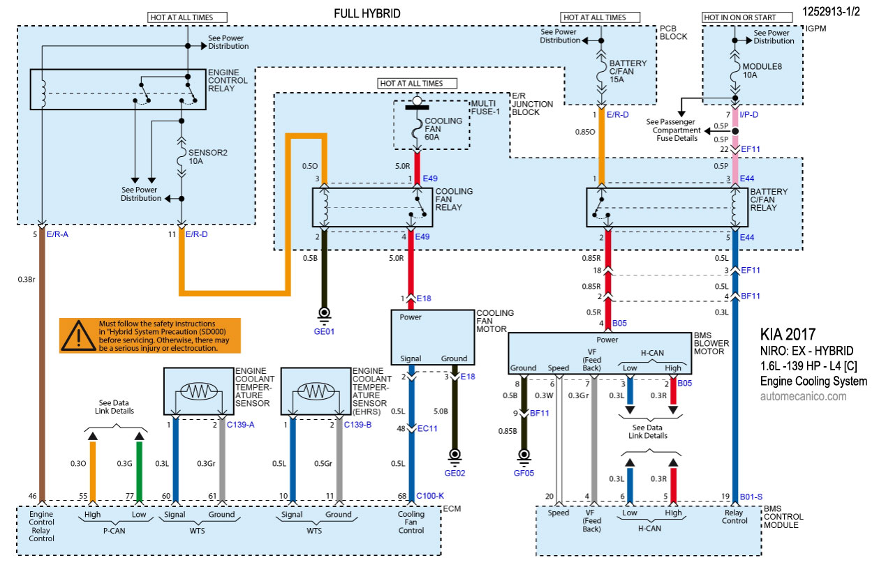
| NIRO: EX - HYBRID | ||
| 2017 | 1.6L - 4 Cil. Full Hybrid -1/2 | COOLING FANS SYSTEM |
| 2017 | 1.6L - 4 Cil. Full Hybrid - 2/2 | COOLING FANS SYSTEM |
| OPTIMA: EX | ||
| 2017 | 2.4L - GDI - 4 Cil. | COOLING FANS SYSTEM |
| 2017 | OPTIMA: HYBRID | |
| 2017 | 2.0L - 4 Cil. - Full Hybrid - 1/2 | COOLING FANS SYSTEM |
| 2017 | 2.0L - 4 Cil. - Full Hybrid - 2/2 | COOLING FANS SYSTEM |
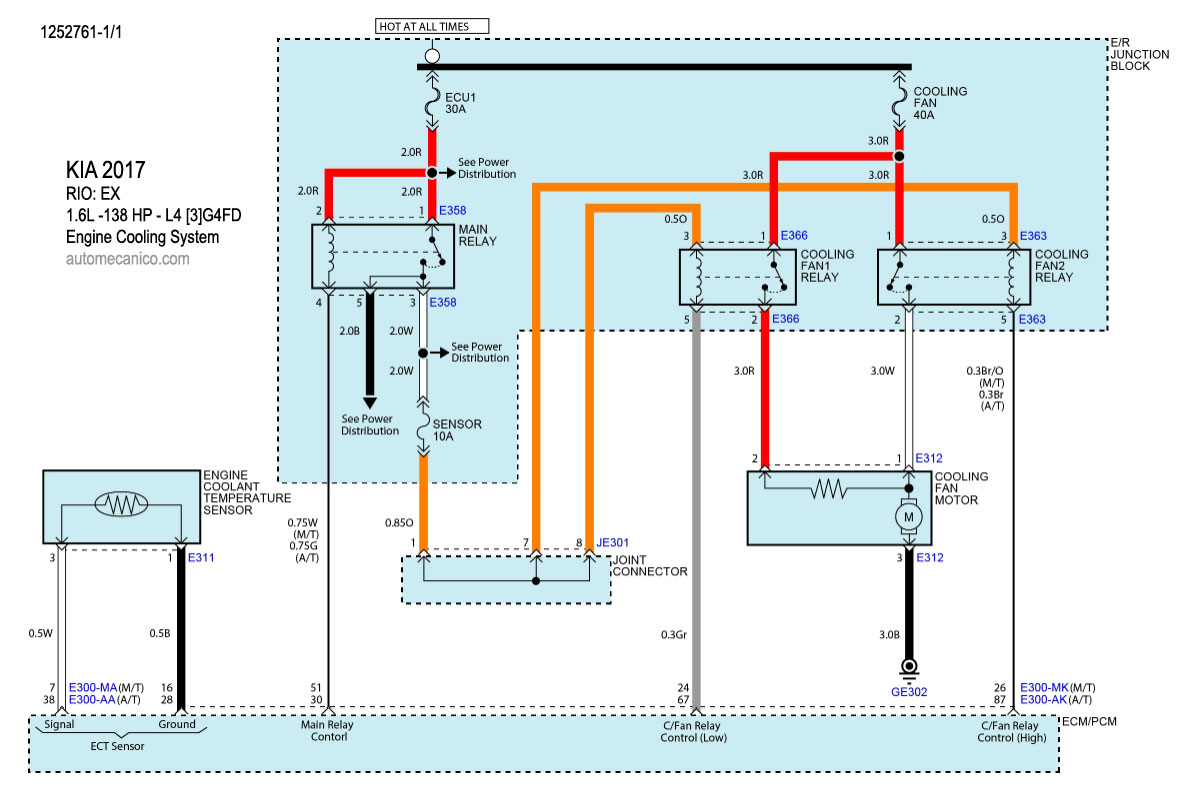
| RIO: EX | ||
| 2017 | 1.6L - 4 Cil. | COOLING FANS SYSTEM |
| SEDONA | ||
| 2017 | 3.3L - V6 | COOLING FANS SYSTEM |
| SORENTO: | ||
| 2017 | 2.0L - GDI - V6 | COOLING FANS SYSTEM |
| 2017 | 3.3L - GDI - V6 | COOLING FANS SYSTEM |
| SOUL | ||
| 2017 | 1.6L - GDI - 4 Cil. | COOLING FANS SYSTEM |
| 2017 | 1.6L - T-GDI - 4 Cil. | COOLING FANS SYSTEM |
| 2017 | 2.0L - GDI - 4 Cil. | COOLING FANS SYSTEM |
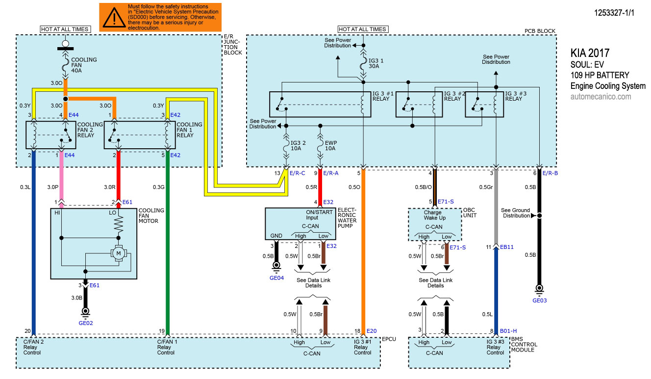
| SOUL: EV BATTERY | ||
| 2017 | 109 H9 BATTERY | COOLING FANS SYSTEM |
| SPORTAGE: EX | ||
| 2017 | 2.0L - GDI - 4 Cil. [With/out Duty Truck] - T | COOLING FANS SYSTEM |
| 2017 | 2.0L - GDI - 4 Cil. [With Duty Truck] - Turbo | COOLING FANS SYSTEM |
| 2017 | 2.4L - GDI - 4 Cil. | COOLING FANS SYSTEM |
| Volver al indice 2017 |