| CIRCUITO ELECTRICO - SISTEMA DE ENFRIAMIENTO DEL MOTOR - LINCOLN - 2017 |
DIAGRAMAS: LINCOLN - Cooling Fans system - 2017 - Mecanica Automotriz - |
|
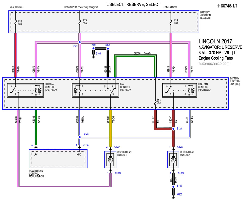
Recuerde que el ventilador debe soplar hacia el motor ... [una conexion con
polaridad invertida hara que sople hacia el radiador]. Tome nota de lo siguiente: Con las excepciones del caso; por lo regular el sistema de enfriamiento; controla el funcionamiento de un ventilador [el mas grande] para soplar hacia el motor/transmision. Cuando se enciende el aire acondicionado [A/C]; el compresor que activa ese sistema, esfuerza al motor; por ello, el mecanismo de funcion, hace que se active el funcionamiento simultaneo de los dos ventiladores; para que el motor no se caliente mas alla de la tolerancia especificada. Algunos vehiculos tienen instalados 1 ventilador unico; pero con velocidades que se activan con el mismo objetivo. |
| Los Diagramas, listados abajo, se refieren unicamente al Circuito electrico que involucra: El abanico [Ventilador, Motoventilador, Fan. etc.] que en forma regular esta instalado al frente del vehiculo, pegado al radiador.- INDICE: LINCOLN 2017 - |
| YEAR | MODELO | DIAG. ELECT. Ventilador - Abanico |
| MKX: Black Label, Premiere, Reserve, Select | ||
| 2017 | 2.7L - V6 - 1/4 | ENGINE COOLING FANS |
| 2017 | 2.7L - V6 - 2/4 | ENGINE COOLING FANS |
| 2017 | 2.7L - V6 - 3/4 | ENGINE COOLING FANS |
| 2017 | 2.7L - V6 - 4/4 | ENGINE COOLING FANS |
| 2017 | 3.7L - V6 - 1/4 | ENGINE COOLING FANS |
| 2017 | 3.7L - V6 - 2/4 | ENGINE COOLING FANS |
| 2017 | 3.7L - V6 - 3/4 | ENGINE COOLING FANS |
| 2017 | 3.7L - V6 - 4/4 | ENGINE COOLING FANS |
| MKZ: Black Label, Premiere, Reserve, Select | ||
| 2017 | 2.0L - 4 Cil. 1/2 | ENGINE COOLING FANS |
| 2017 | 2.0L - 4 Cil. 2/2 | ENGINE COOLING FANS |
| 2017 | 3.0L - V6 - 1/2 | ENGINE COOLING FANS |
| 3.0L - V6 - 2/2 | ENGINE COOLING FANS | |
| MKZ: HYBRID | ||
| 2017 | 2.0L - 4 Cil. Full Hybrid 1/2 | ENGINE COOLING FANS |
| 2017 | 2.0L - 4 Cil. Full Hybrid 2/2 | ENGINE COOLING FANS |
| NAVIGATOR: L Reserve, Select | ||
| 2017 | 3.5L - V6 - 1/1 | ENGINE COOLING FANS |
| Volver al indice Lincoln 2017 |