| CIRCUITO ELECTRICO - SISTEMA DE ENFRIAMIENTO DEL MOTOR - MITSUBISHI - 2017 |
DIAGRAMAS: MITSUBISHI - Engine Cooling Fans - 2017 - Mecanica Automotriz - |
|
Recuerde que el ventilador debe soplar hacia el motor ... [una conexion con
polaridad invertida hara que sople hacia el radiador]. Tome nota de lo siguiente: Con las excepciones del caso; por lo regular el sistema de enfriamiento; controla el funcionamiento de un ventilador [el mas grande] para soplar hacia el motor/transmision. Cuando se enciende el aire acondicionado [A/C]; el compresor que activa ese sistema, esfuerza al motor; por ello, el mecanismo de funcion, hace que se active el funcionamiento simultaneo de los dos ventiladores; para que el motor no se caliente mas alla de la tolerancia especificada. Algunos vehiculos tienen instalados 1 ventilador unico; pero con velocidades que se activan con el mismo objetivo. |
| Los Diagramas, listados abajo, se refieren unicamente al Circuito electrico que involucra: El abanico [Ventilador, Motoventilador, Fan. etc.] que en forma regular esta instalado al frente del vehiculo, pegado al radiador.- INDICE: MITSUBISHI 2017 - |
| YEAR | MODELO | DIAG. ELECT. Ventilador - Abanico |
| I-MIEV: ES | ||
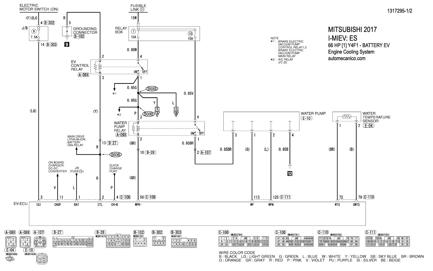
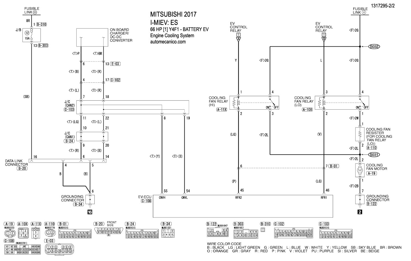
| 2017 | 66 HP - BATTERY EV - 1/2 | ENGINE COOLING SYSTEM |
| 2017 | 66 HP - BATTERY EV - 2/2 | ENGINE COOLING SYSTEM |
| LANCER: ES | ||
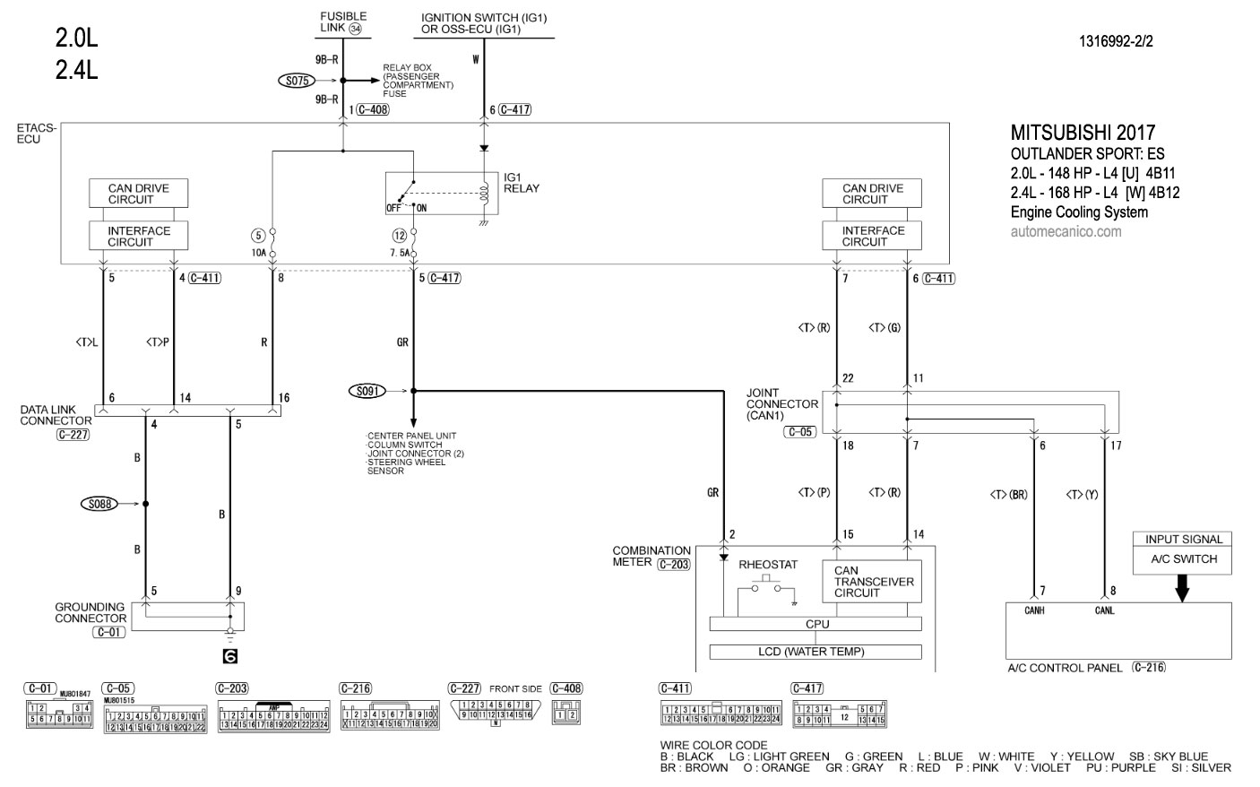
| 2017 | 2.0L - 4 Cil. - 4B11- 1/2 | ENGINE COOLING SYSTEM |
| 2017 | 2.0L - 4 Cil. - 4B11- 2/2 | ENGINE COOLING SYSTEM |
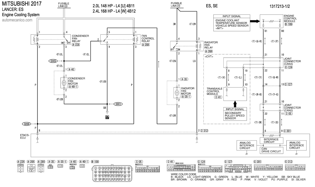
| 2017 | 2.4L - 4 Cil. - 4B12- 1/2 | ENGINE COOLING SYSTEM |
| 2017 | 2.4L - 4 Cil. - 4B12- 2/2 | ENGINE COOLING SYSTEM |
| MIRAGE: ES, GT | ||
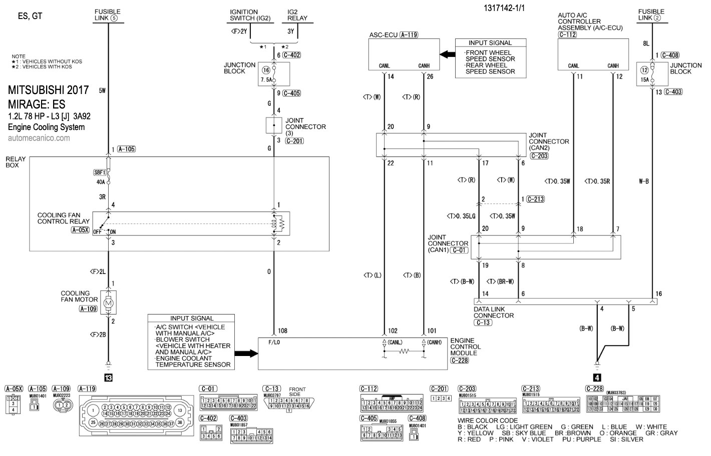
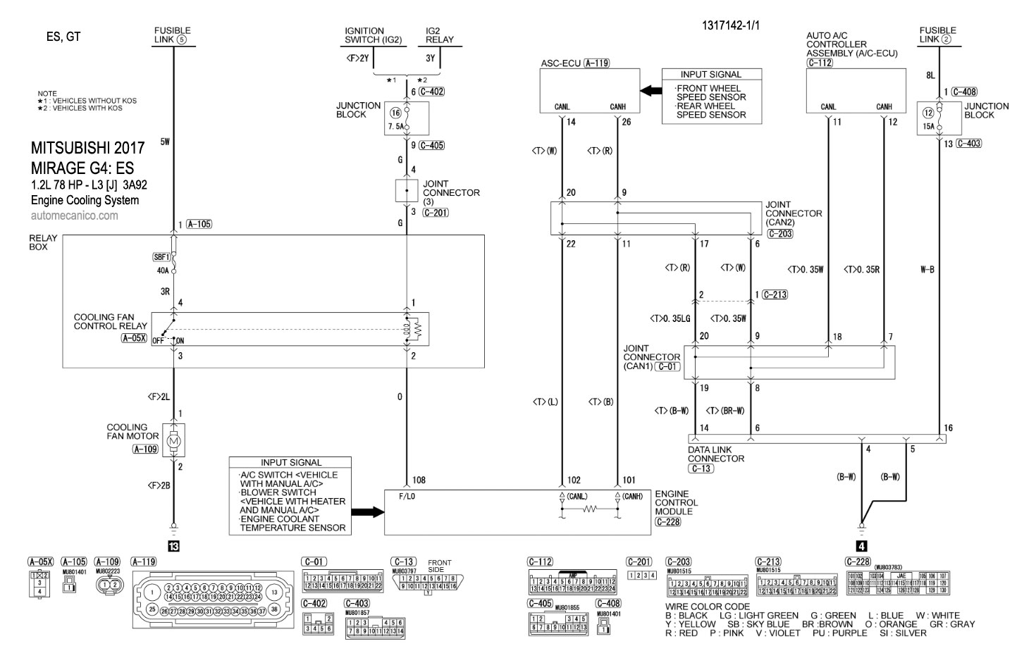
| 2017 | 1.2L - 3 Cil. | ENGINE COOLING SYSTEM |
| 2017 | MIRAGE GA: ES | |
| 2017 | 1.2L - 3 Cil. | ENGINE COOLING SYSTEM |
| OUTLANDER: ES | ||
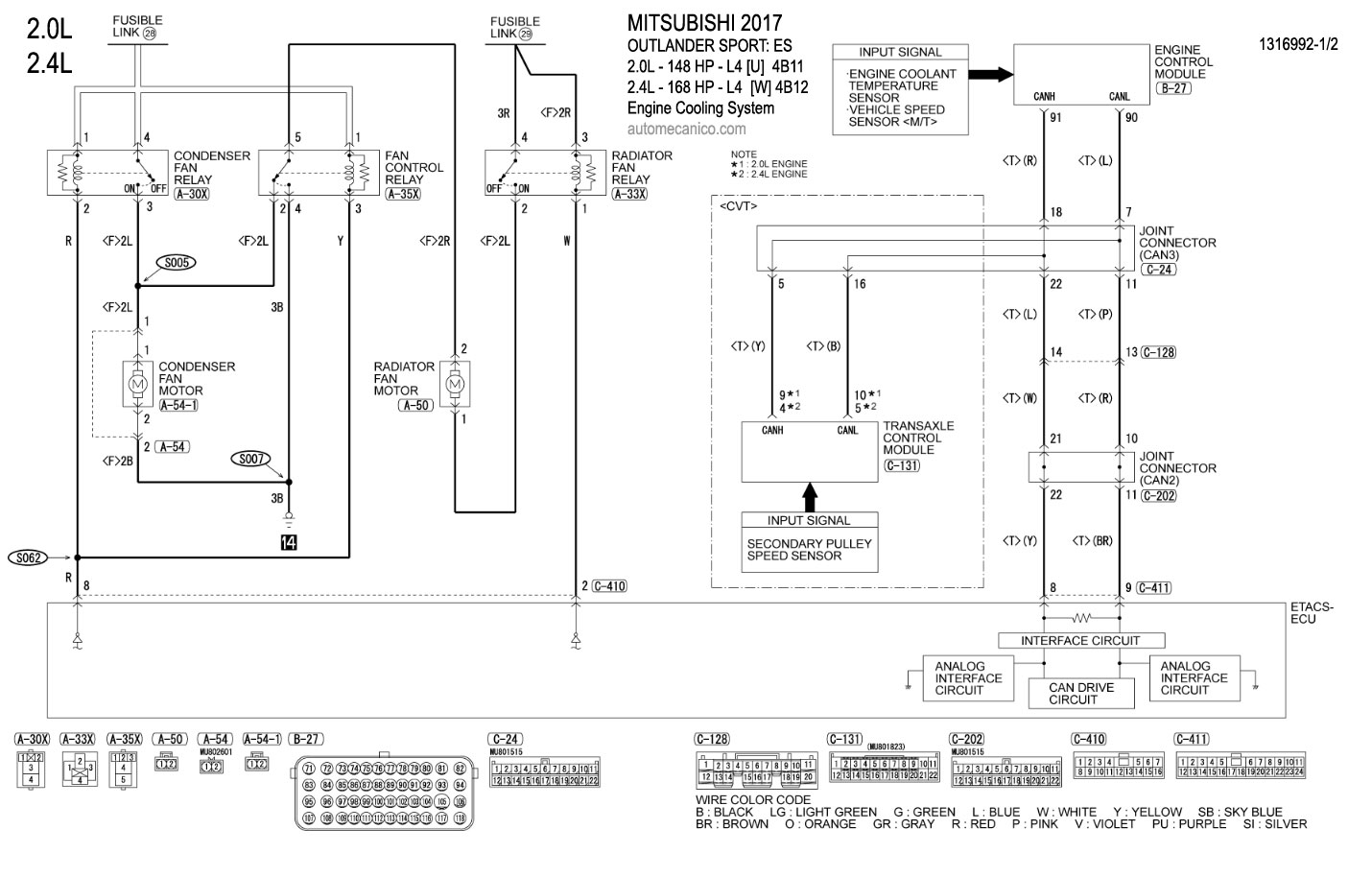
| 2017 | 2.0L - 4 Cil. - Sport - 1/2 | ENGINE COOLING SYSTEM |
| 2017 | 2.0L - 4 Cil. - Sport - 1/2 | ENGINE COOLING SYSTEM |
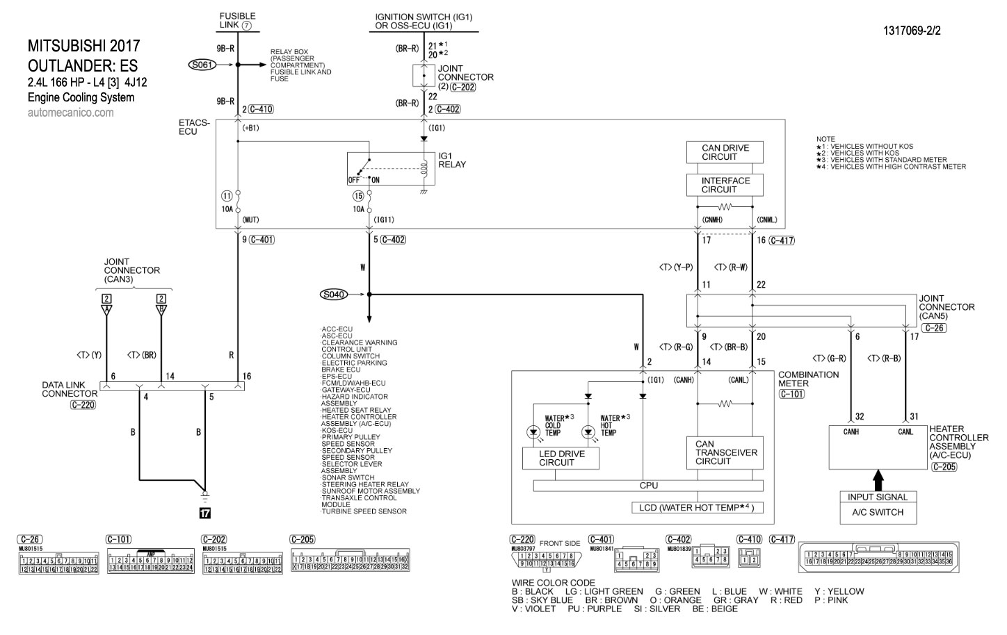
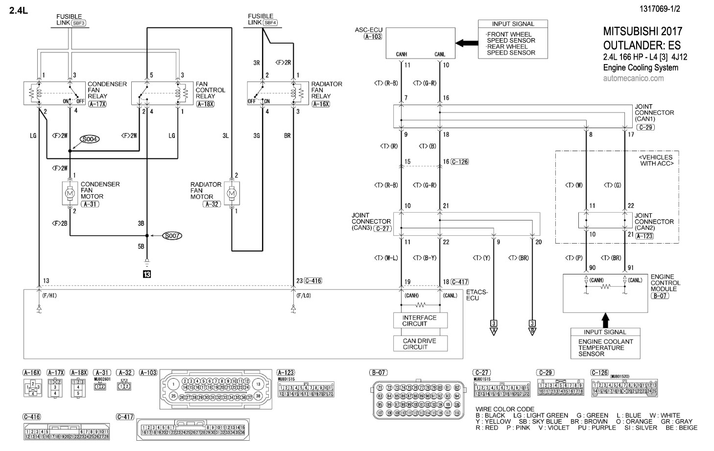
| 2017 | 2.4L - 4 Cil. - 4J12 - 1/2 | ENGINE COOLING SYSTEM |
| 2017 | 2.4L - 4 Cil. - 4J12 - 2/2 | ENGINE COOLING SYSTEM |
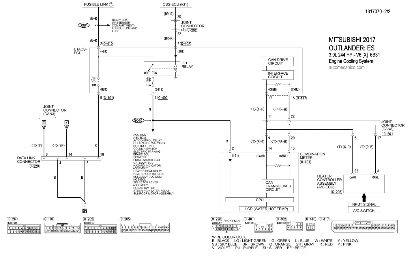
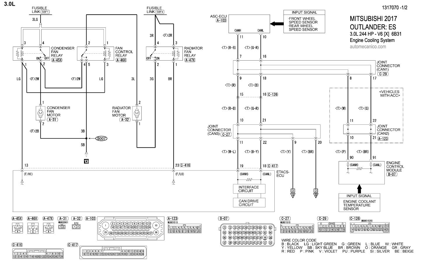
| 2017 | 3.0L - V6 - 6B31 - 1/2 | ENGINE COOLING SYSTEM |
| 2017 | 3.0L - V6 - 6B31 - 2/2 | ENGINE COOLING SYSTEM |
| Volver al indice 2017 |