| CIRCUITO ELECTRICO - SISTEMA DE ENFRIAMIENTO DEL MOTOR - RAM - 2017 |
DIAGRAMAS: RAM - Cooling Fans system - 2017 - Mecanica Automotriz - |
|
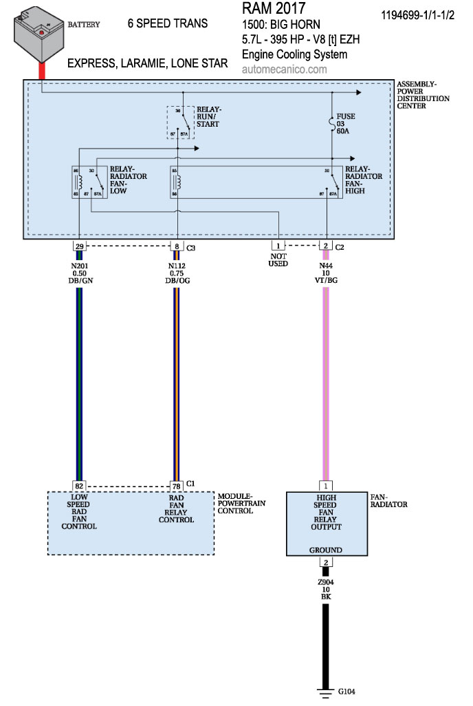
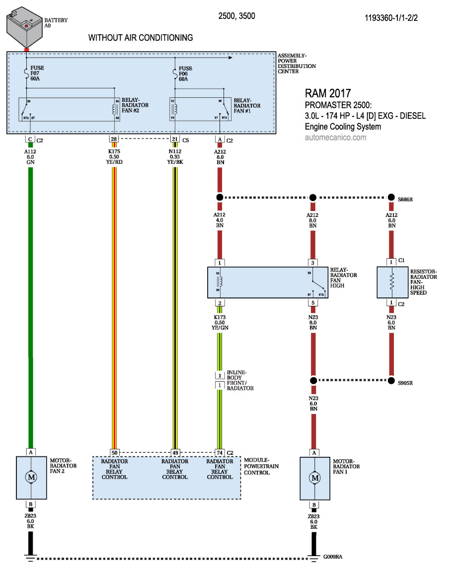
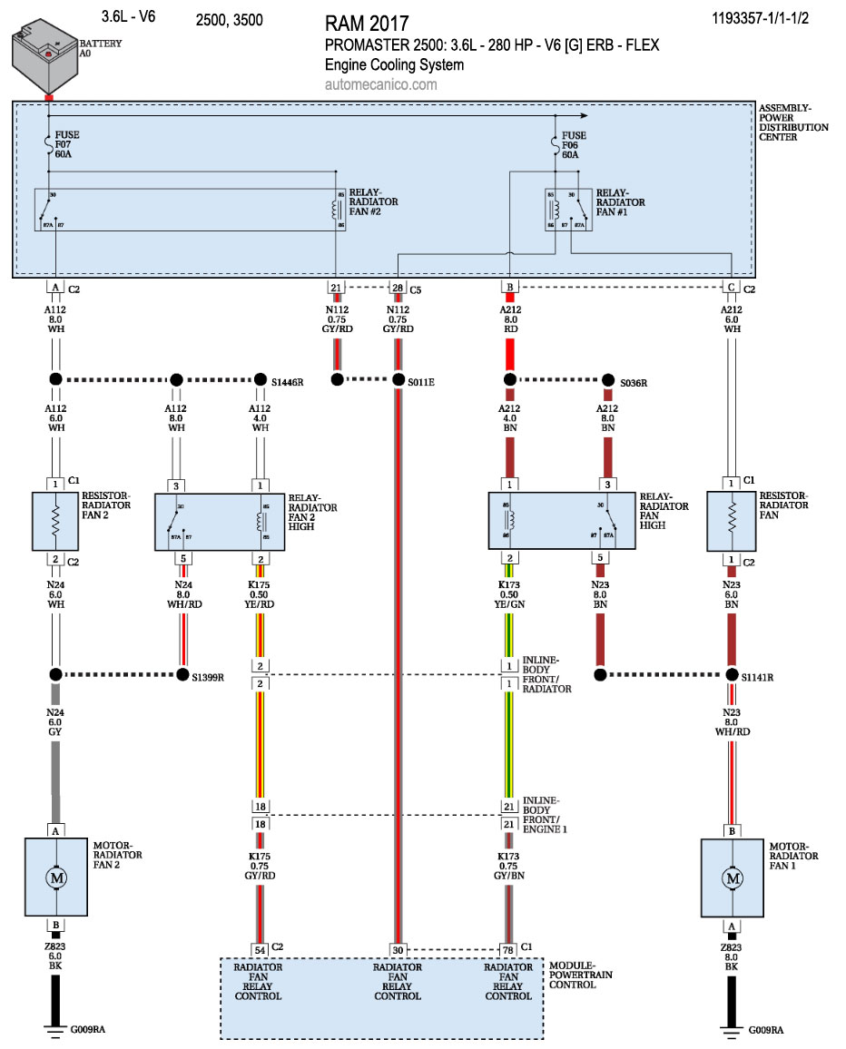
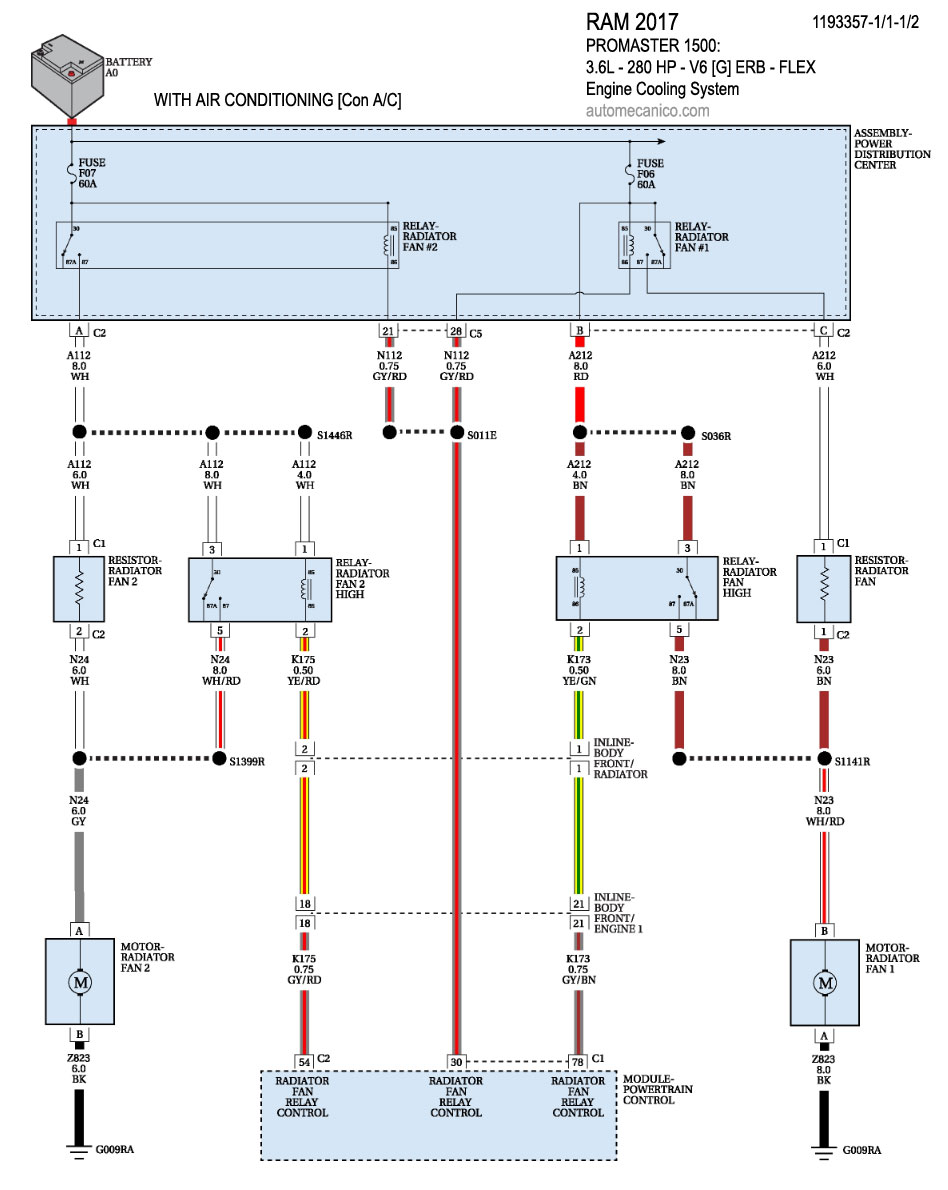
Recuerde que el ventilador debe soplar hacia el motor ... [una conexion con
polaridad invertida hara que sople hacia el radiador]. Tome nota de lo siguiente: Con las excepciones del caso; por lo regular el sistema de enfriamiento; controla el funcionamiento de un ventilador [el mas grande] para soplar hacia el motor/transmision. Cuando se enciende el aire acondicionado [A/C]; el compresor que activa ese sistema, esfuerza al motor; por ello, el mecanismo de funcion, hace que se active el funcionamiento simultaneo de los dos ventiladores; para que el motor no se caliente mas alla de la tolerancia especificada. Algunos vehiculos tienen instalados 1 ventilador unico; pero con velocidades que se activan con el mismo objetivo. |
| Los Diagramas, listados abajo, se refieren unicamente al Circuito electrico que involucra: El abanico [Ventilador, Motoventilador, Fan. etc.] que en forma regular esta instalado al frente del vehiculo, pegado al radiador.- INDICE: RAM 2017 - |
| YEAR | MODELO - RAM | DIAG. ELECT. Ventilador - Abanico |
| PROMASTER CITY: | ||
| 2017 | 2.4L - 4 Cil. | ENGINE COOLING SYSTEM |
| PROMASTER 1500: | ||
| 2017 | 3.0L - 4 Cil. - With, A/C - Diesel 1/1 | ENGINE COOLING SYSTEM |
| 2017 | 3.0L - 4 Cil. - With/out, A/C - Diesel 1/1 | ENGINE COOLING SYSTEM |
| 2017 | 3.6L - V6 - With, A/C - 1/1 | ENGINE COOLING SYSTEM |
| 2017 | 3.6L - V6 - With/out, A/C - 1/1 | ENGINE COOLING SYSTEM |
| PROMASTER 2500: 2500, 3500 | ||
| 2017 | 3.0L - 4 Cil. - With, A/C - Diesel 1/1 | ENGINE COOLING SYSTEM |
| 2017 | 3.0L - 4 Cil. - With/out, A/C - Diesel 1/1 | ENGINE COOLING SYSTEM |
| 2017 | 3.6L - V6 - With, A/C - 1/1 | ENGINE COOLING SYSTEM |
| 2017 | 3.6L - V6 - With/out, A/C - 1/1 | ENGINE COOLING SYSTEM |
| 1500: Big Horn | ||
| 2017 | 3.6L - V6 - Diesel -1/1 | ENGINE COOLING SYSTEM |
| 2017 | 3.6L - V6 - 1/2 | ENGINE COOLING SYSTEM |
| 2017 | 3.6L - V6 - 2/2 | ENGINE COOLING SYSTEM |
| 2017 | 5.7L - V8 - 6 Speed Trans - 1/1 | ENGINE COOLING SYSTEM |
| 2017 | 5.7L - V8 - 8 Speed Trans - 1/1 | ENGINE COOLING SYSTEM |
| 2500, 3500, 4500, 5500 - | ||
| 2017 | 5.7L - V8 - GAS - 1/1 | ENGINE COOLING SYSTEM |
| 2017 | 6.4L - V8 - GAS - 1/1 | ENGINE COOLING SYSTEM |
| 2500, 3500, 4500, 5500 - DIESEL | ||
| 2017 | 6.7L - L6 - Diesel - 1/1 | ENGINE COOLING SYSTEM |
| Volver al indice 2017 |