| CIRCUITO ELECTRICO - SISTEMA DE ENFRIAMIENTO DEL MOTOR - TOYOTA - 2017 |
DIAGRAMAS: TOYOTA - Cooling Fans system - 2017 - Mecanica Automotriz - |
|
Recuerde que el ventilador debe soplar hacia el motor ... [una conexion con
polaridad invertida, hara que sople hacia el radiador]. Tome nota de lo siguiente: Con las excepciones del caso; por lo regular el sistema de enfriamiento; controla el funcionamiento de un ventilador [el mas grande] para soplar hacia el motor/transmision. Cuando se enciende el aire acondicionado [A/C]; el compresor que activa ese sistema, esfuerza al motor; por ello, el mecanismo de funcion, hace que se active el funcionamiento simultaneo de los dos ventiladores; para que el motor no se caliente mas alla de la tolerancia especificada. Algunos vehiculos tienen instalados 1 ventilador unico; pero con velocidades que se activan con el mismo objetivo. |
| Los Diagramas, listados abajo, se refieren unicamente al Circuito electrico que involucra: El abanico [Ventilador, Motoventilador, Fan. etc.] que en forma regular esta instalado al frente del vehiculo, pegado al radiador.- INDICE: TOYOTA 2017 - |
| YEAR | MODELO | DIAG. ELECT. Ventilador - Abanico |
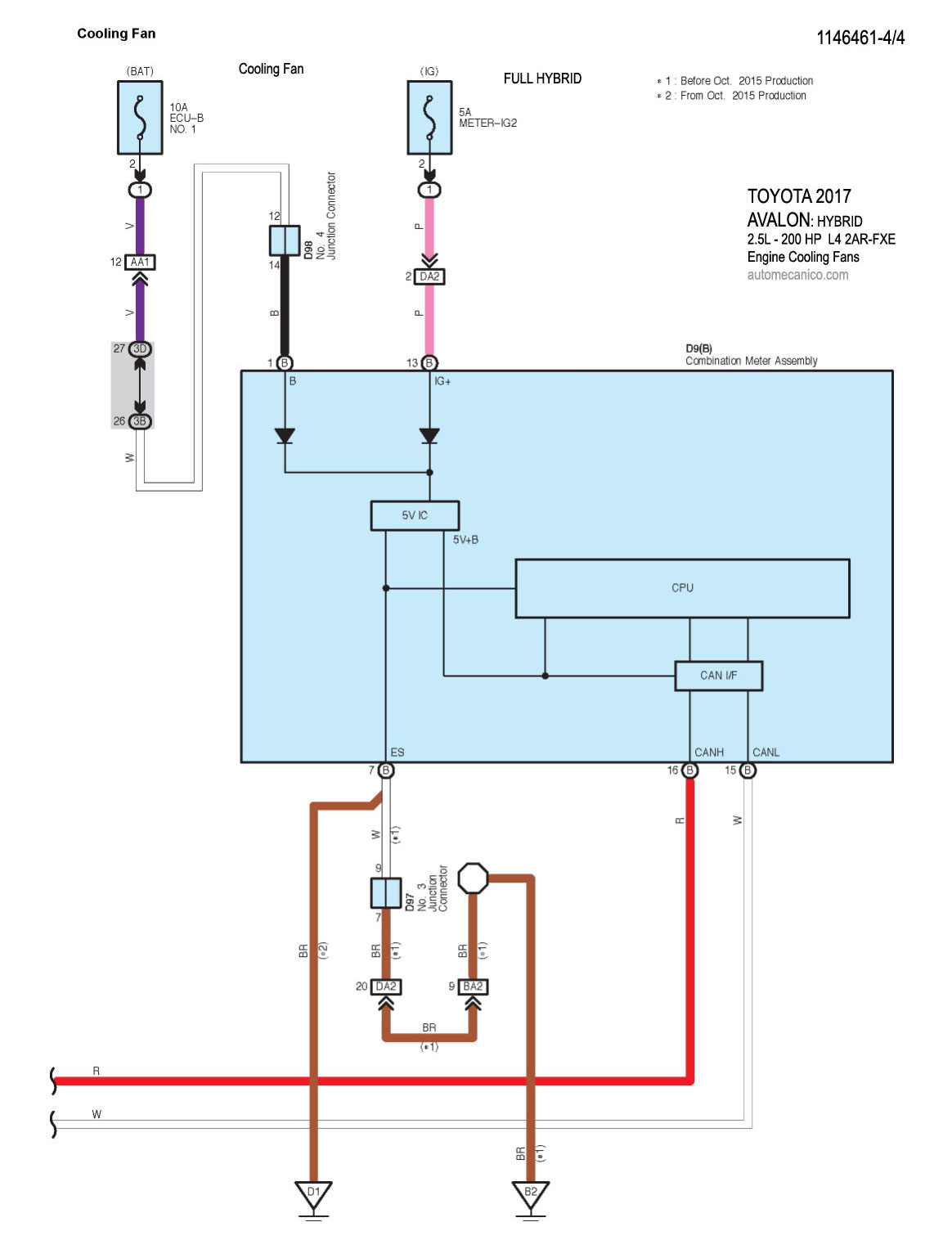
| AVALON: Hybrido | ||
| 2017 | 2.5L - 4 Cil. -Full Hybrid - 1/4 | ENGINE COOLING FANS |
| 2017 | 2.5L - 4 Cil. -Full Hybrid - 2/4 | ENGINE COOLING FANS |
| 2017 | 2.5L - 4 Cil. -Full Hybrid - 3/4 | ENGINE COOLING FANS |
| 2017 | 2.5L - 4 Cil. -Full Hybrid - 4/4 | ENGINE COOLING FANS |
| CAMRY: LE, XLE | ||
| 2017 | 2.5L - 4 Cil. - 1/3 | ENGINE COOLING FANS |
| 2017 | 2.5L - 4 Cil. - 2/3 | ENGINE COOLING FANS |
| 2017 | 2.5L - 4 Cil. - 3/3 | ENGINE COOLING FANS |
| CAMRY: XLE | ||
| 2017 | 3.5L - V6 - 1/3 | ENGINE COOLING FANS |
| 2017 | 3.5L - V6 - 2/3 | ENGINE COOLING FANS |
| 2017 | 3.5L - V6 - 3/3 | ENGINE COOLING FANS |
| CAMRY: Hybrido | ||
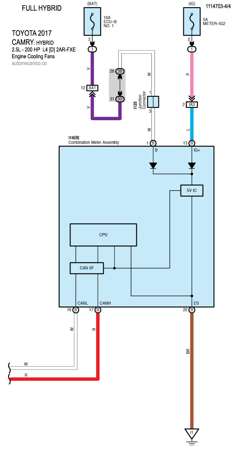
| 2017 | 2.5L - 4 Cil. Full Hybrid - 1/4 | ENGINE COOLING FANS |
| 2017 | 2.5L - 4 Cil. Full Hybrid - 2/4 | ENGINE COOLING FANS |
| 2017 | 2.5L - 4 Cil. Full Hybrid - 3/4 | ENGINE COOLING FANS |
| 2017 | 2.5L - 4 Cil. Full Hybrid - 4/4 | ENGINE COOLING FANS |
| Volver al indice Toyota 2017 |