| CIRCUITO ELECTRICO - SISTEMA DE ENFRIAMIENTO DEL MOTOR - TOYOTA - 2017 |
DIAGRAMAS: TOYOTA - Cooling Fans system - 2017 - Mecanica Automotriz - |
|
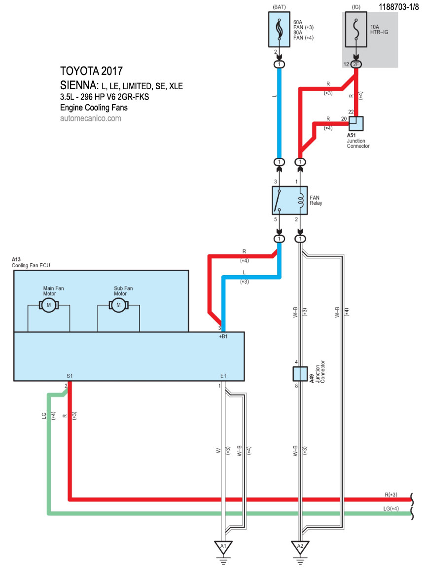
Recuerde que el ventilador debe soplar hacia el motor ... [una conexion con
polaridad invertida, hara que sople hacia el radiador]. Tome nota de lo siguiente: Con las excepciones del caso; por lo regular el sistema de enfriamiento; controla el funcionamiento de un ventilador [el mas grande] para soplar hacia el motor/transmision. Cuando se enciende el aire acondicionado [A/C]; el compresor que activa ese sistema, esfuerza al motor; por ello, el mecanismo de funcion, hace que se active el funcionamiento simultaneo de los dos ventiladores; para que el motor no se caliente mas alla de la tolerancia especificada. Algunos vehiculos tienen instalados 1 ventilador unico; pero con velocidades que se activan con el mismo objetivo. |
| Los Diagramas, listados abajo, se refieren unicamente al Circuito electrico que involucra: El abanico [Ventilador, Motoventilador, Fan. etc.] que en forma regular esta instalado al frente del vehiculo, pegado al radiador.- INDICE: TOYOTA 2017 - |
| YEAR | MODELO | DIAG. ELECT. Ventilador - Abanico |
| RAV-4 - HYBRID LIMITED | ||
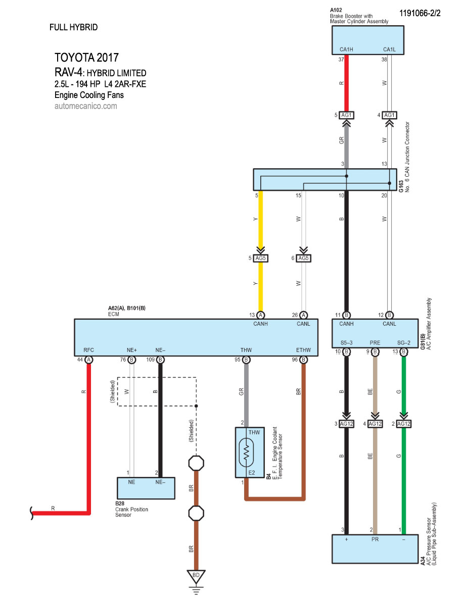
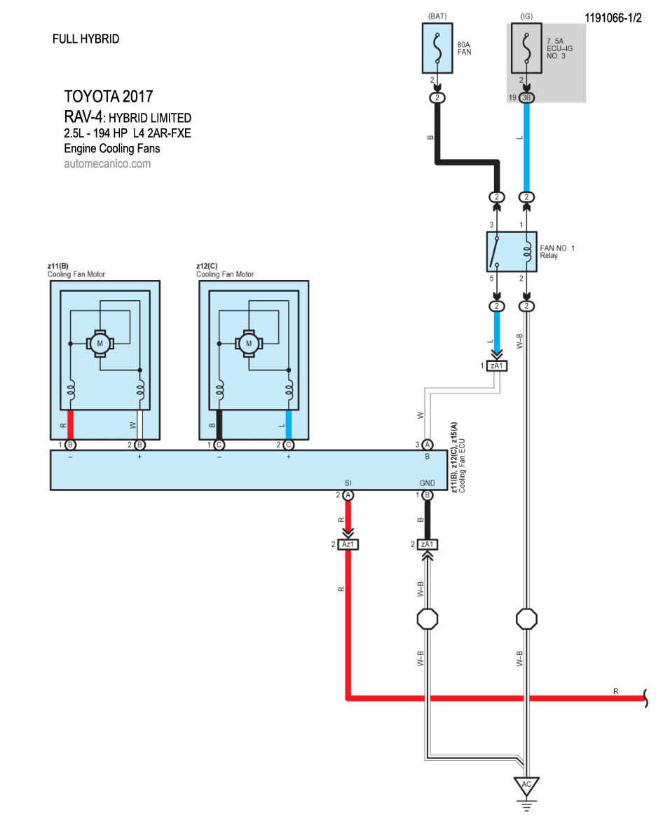
| 2017 | 2.5L - 4 Cil. - Full Hybrid - 1/2 | ENGINE COOLING FANS |
| 2017 | 2.5L - 4 Cil. - Full Hybrid - 2/2 | ENGINE COOLING FANS |
| RAV-4: LE, Limited, Platinum, SE, XLE | ||
| 2017 | 2.5L - 4 Cil. - 2AR-FE - 1/2 | ENGINE COOLING FANS |
| 2017 | 2.5L - 4 Cil. - 2AR-FE - 2/2 | ENGINE COOLING FANS |
| SIENNA: L, LE, Limited, SE, XLE | ||
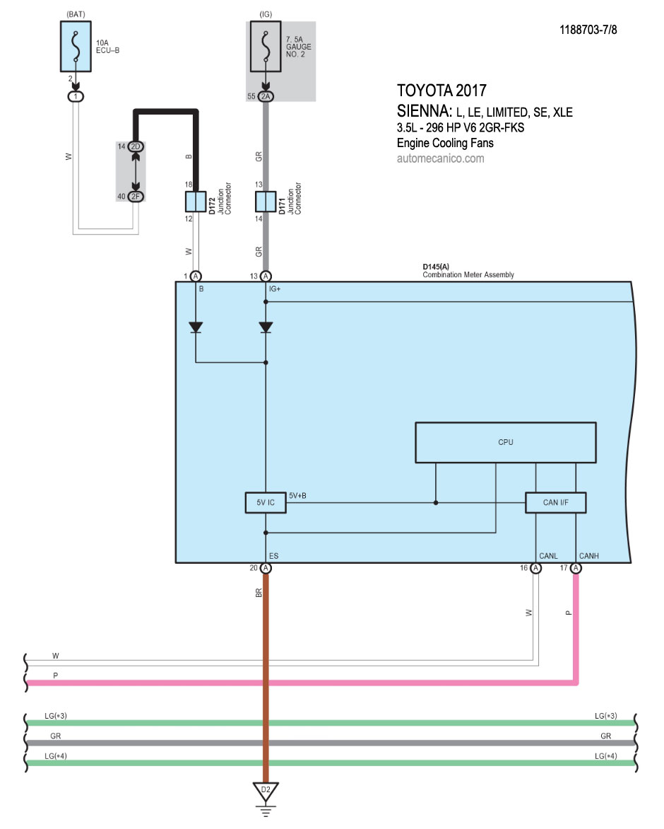
| 2017 | 3.5L - V6 - 2GR - 1/8 | ENGINE COOLING FANS |
| 2017 | 3.5L - V6 - 2GR - 2/8 | ENGINE COOLING FANS |
| 2017 | 3.5L - V6 - 2GR - 3/8 | ENGINE COOLING FANS |
| 2017 | 3.5L - V6 - 2GR - 4/8 | ENGINE COOLING FANS |
| 2017 | 3.5L - V6 - 2GR - 5/8 | ENGINE COOLING FANS |
| 2017 | 3.5L - V6 - 2GR - 6/8 | ENGINE COOLING FANS |
| 2017 | 3.5L - V6 - 2GR - 7/8 | ENGINE COOLING FANS |
| 2017 | 3.5L - V6 - 2GR - 8/8 | ENGINE COOLING FANS |
| YARIS: L, LE, SE | ||
| 2017 | 1.5L - 4 Cil. - Hatchback - 1/2 | ENGINE COOLING FANS |
| 2017 | 1.5L - 4 Cil. - Hatchback - 2/2 | ENGINE COOLING FANS |
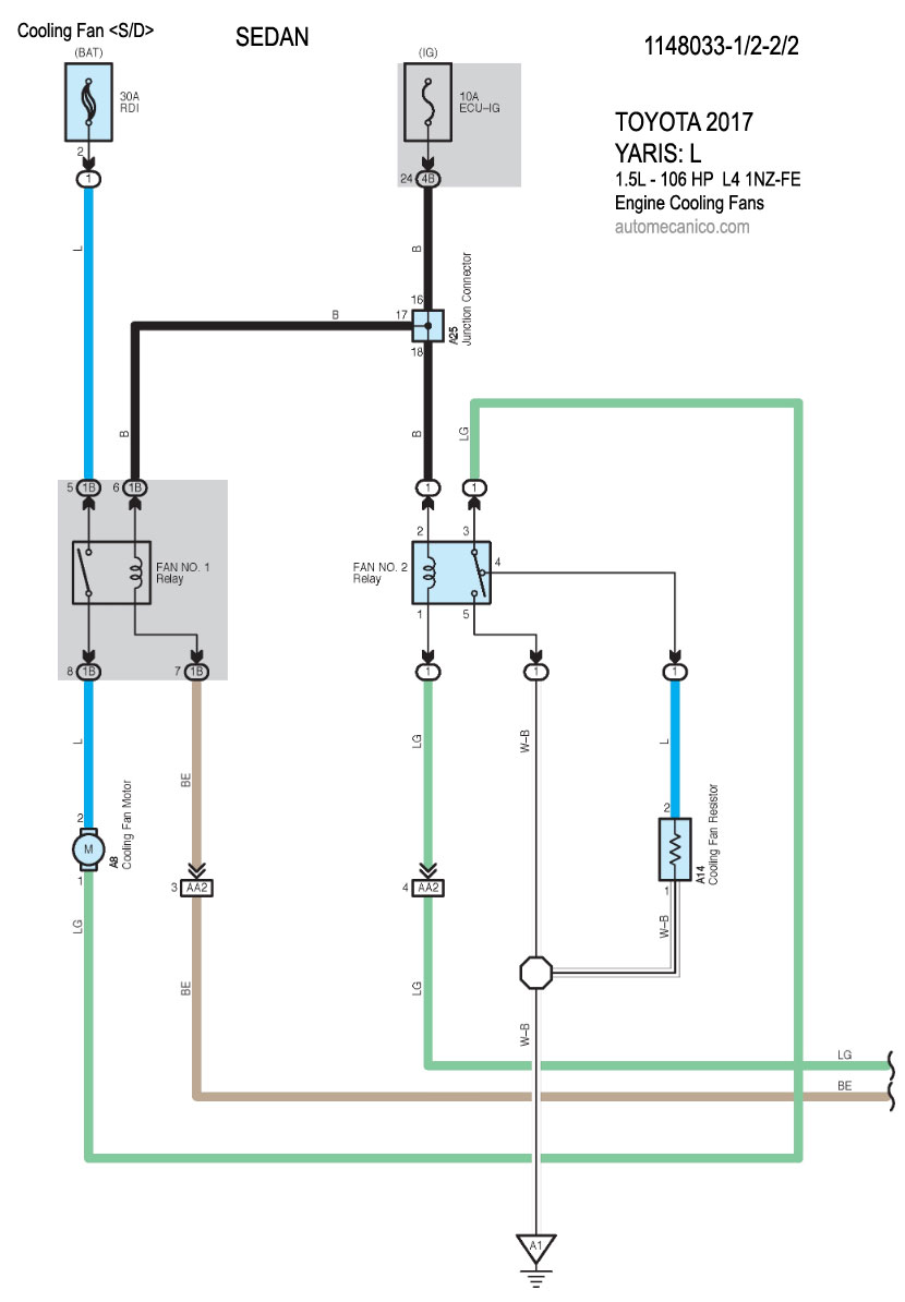
| 2017 | 1.5L - 4 Cil. - Sedan - 1/2 | ENGINE COOLING FANS |
| 2017 | 1.5L - 4 Cil. - Sedan - 2/2 | ENGINE COOLING FANS |
| YARIS IA | ||
| 2017 | 1.5L - 4 Cil. - 1/2 | ENGINE COOLING FANS |
| 2017 | 1.5L - 4 Cil. - 2/2 | ENGINE COOLING FANS |
| 86: Especial Edition | ||
| 2017 | 2.0L - H4 - FA20 - 1/2 | ENGINE COOLING FANS |
| 2017 | 2.0L - H4 - FA20 - 2/2 | ENGINE COOLING FANS |
| Volver al indice Toyota 2017 |