| DIAGRAMAS - SISTEMA DE CARGA Y ARRANQUE - 1995 - Mecanica Automotriz - INDICE |
Diagramas GMC : Carga y Arranque | Charging and Starting System: - Esquemas - Graphics 1995 - |
| Los Diagramas, listados abajo, se refieren unicamente al Circuito electrico que involucra: Alternador [Generador] y/o; Arrancador [Motor de arranque, Marcha, Starter] - INDICE: GMC - 1995 - |
| AŃO | Modelo | Alternador | Arrancador |
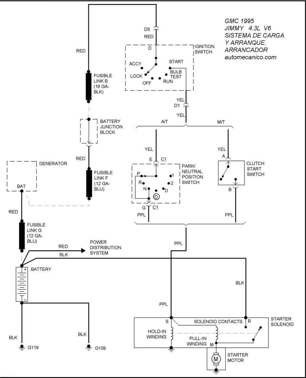
| 1995 | JIMMY 4.3L V6 CIL. | SIST. DE CARGA | SIST. DE ARRANQUE |
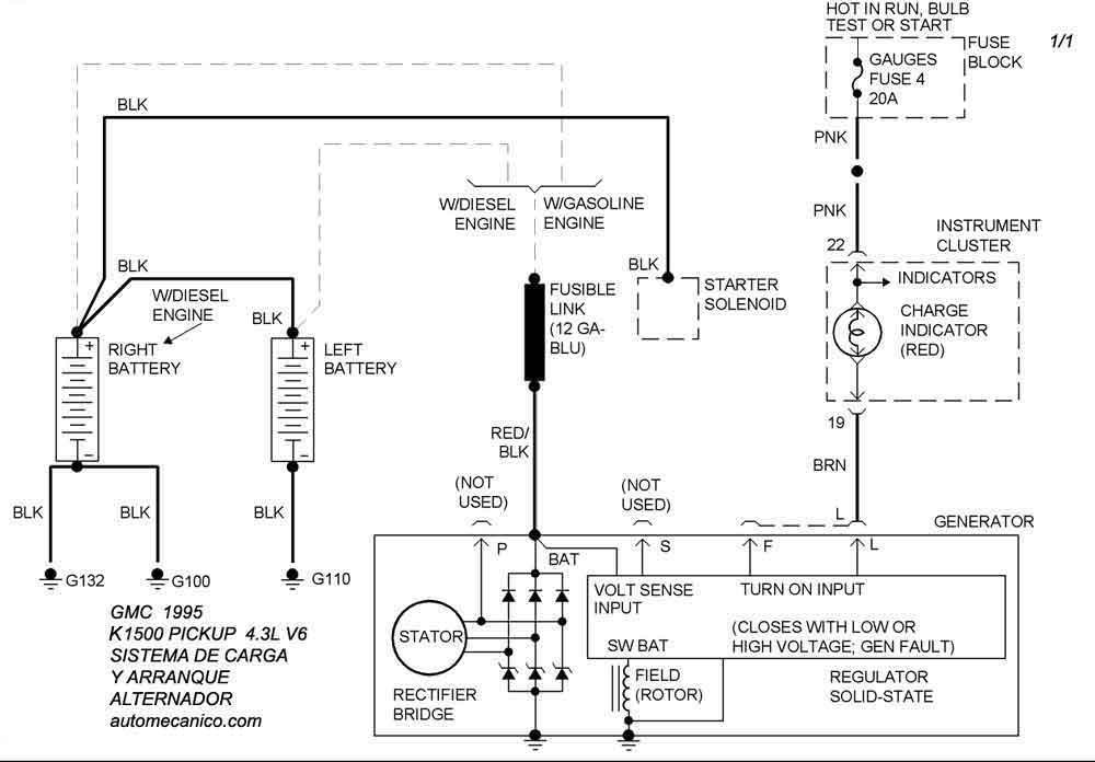
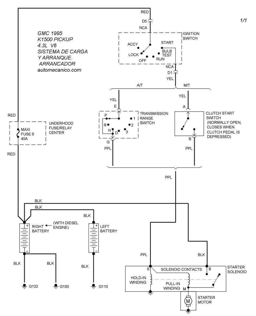
| 1995 | K1500 PICKUP 4.3L V6 CIL. | SIST. DE CARGA | SIST. DE ARRANQUE |
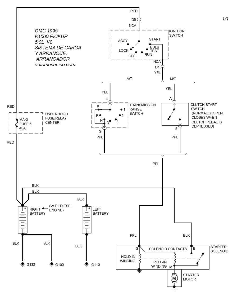
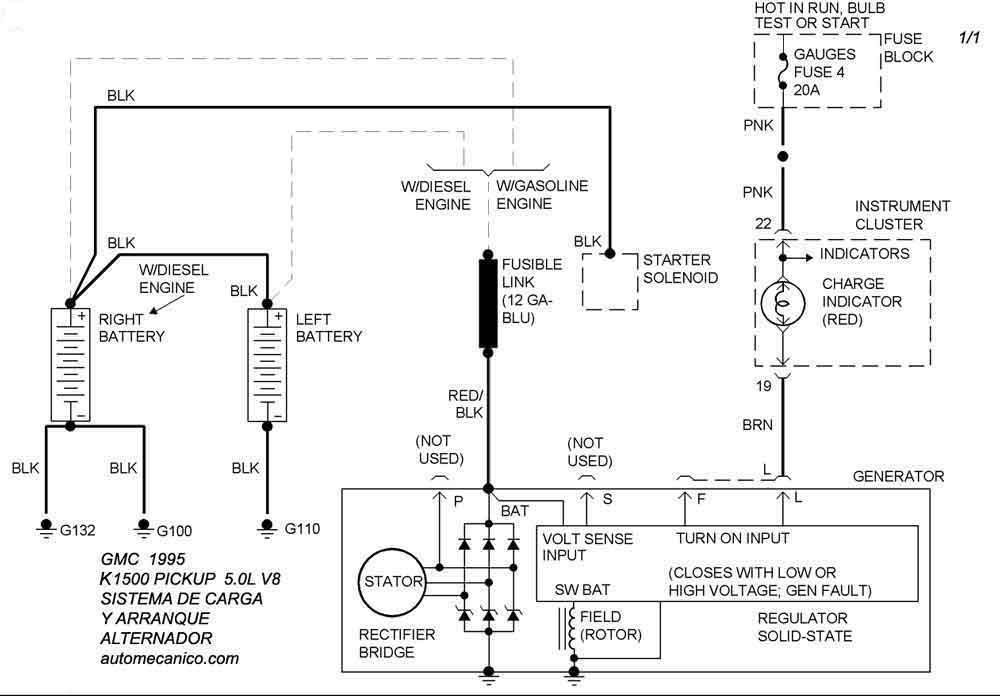
| 1995 | K1500 PICKUP 5.0L V8 CIL. | SIST. DE CARGA | SIST. DE ARRANQUE |
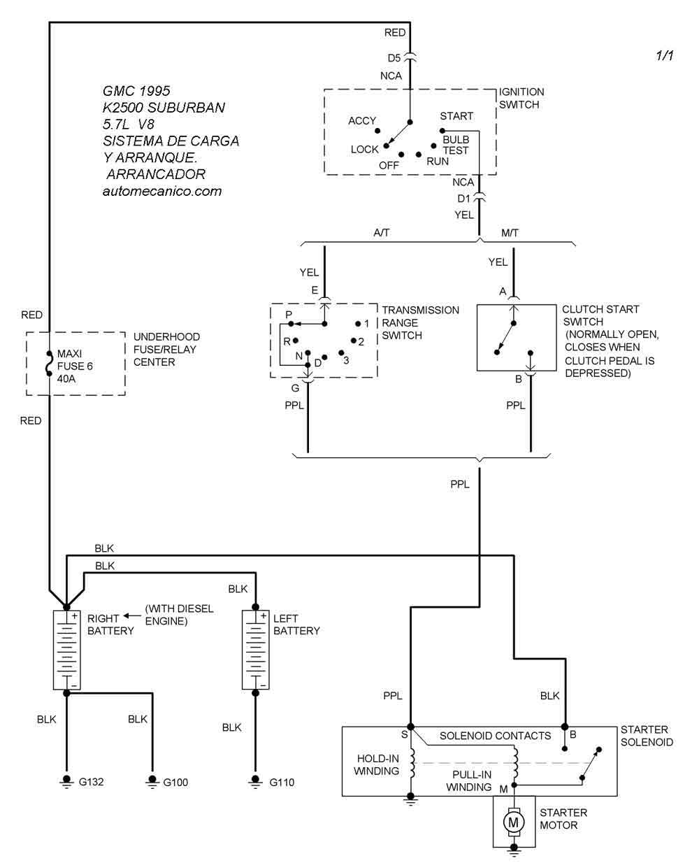
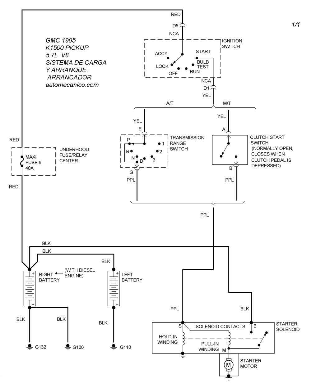
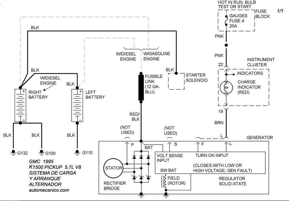
| 1995 | K1500 PICKUP 5.7L V8 CIL. | SIST. DE CARGA | SIST. DE ARRANQUE |
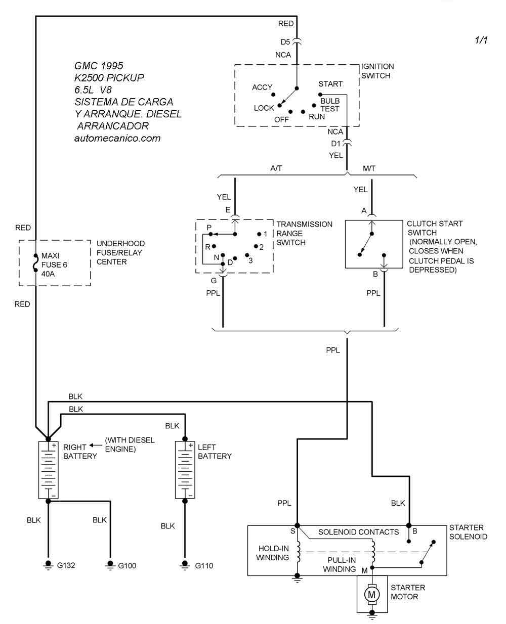
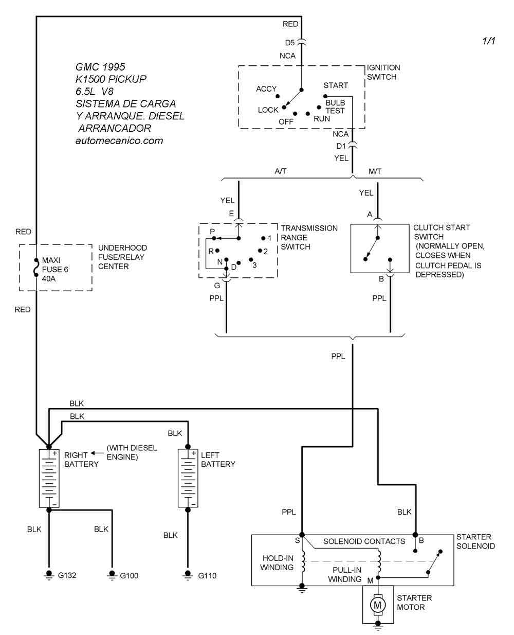
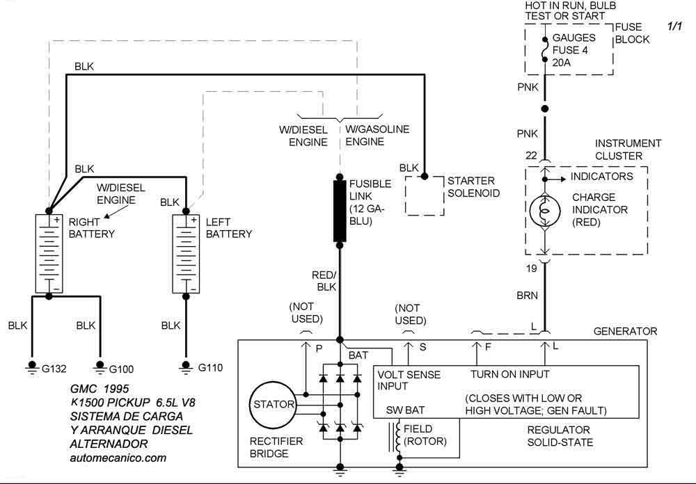
| 1995 | K1500 PICKUP 6.5L V8 CIL. | SIST. DE CARGA | SIST. DE ARRANQUE |
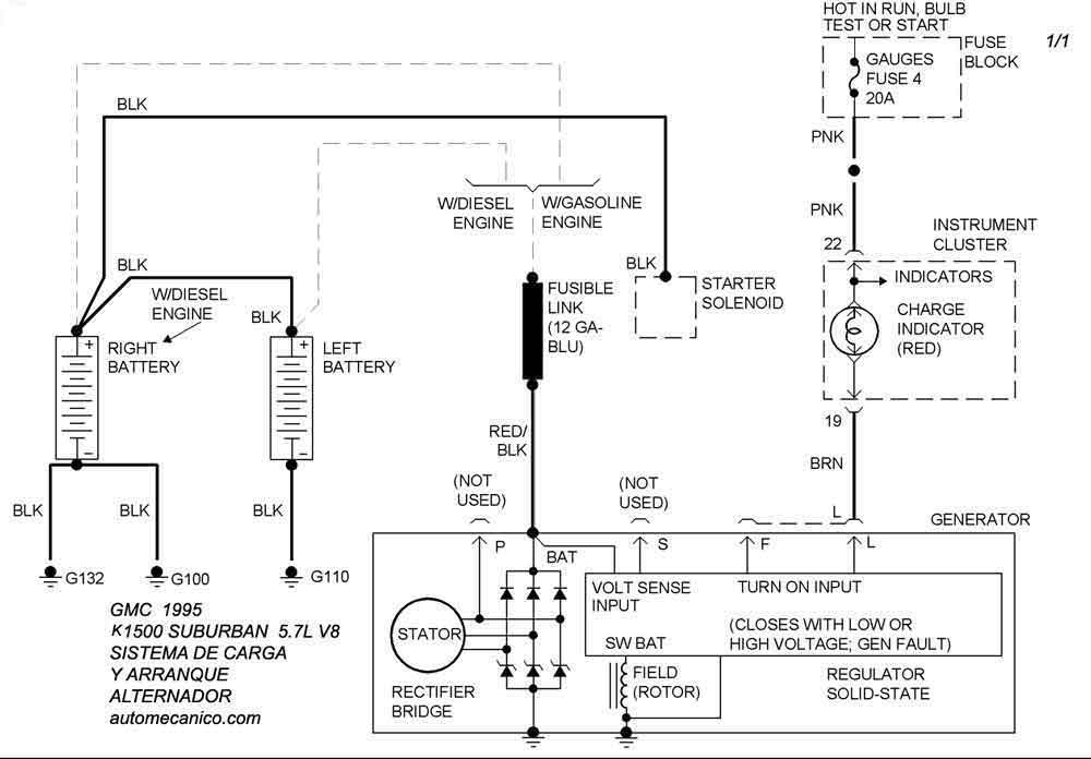
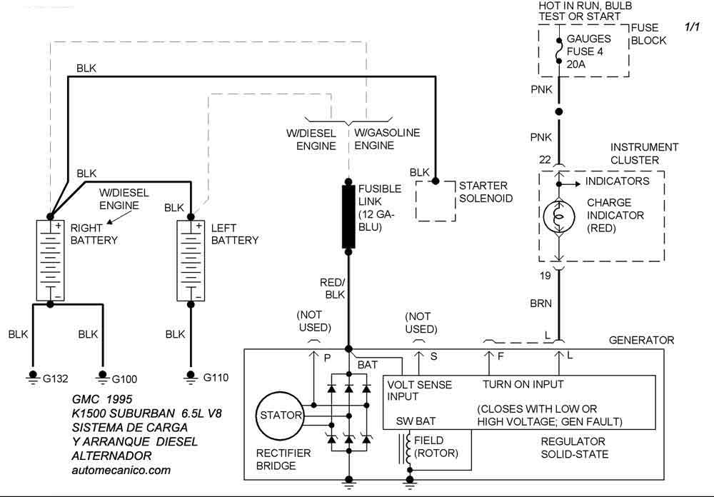
| 1995 | K1500 SUBURBAN 5.7L V8 CIL. | SIST. DE CARGA | SIST. DE ARRANQUE |
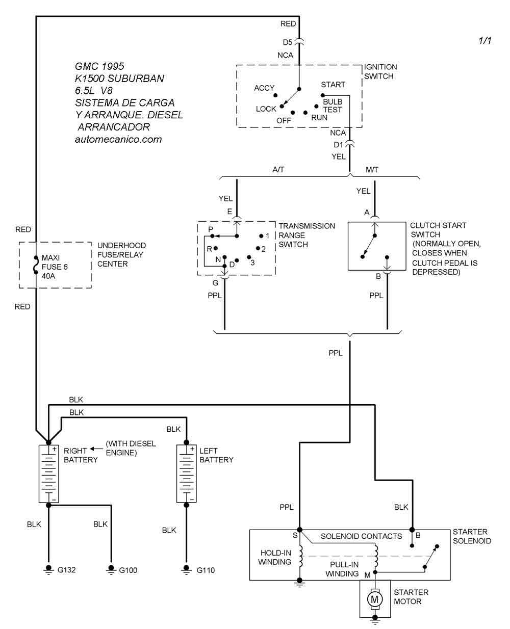
| 1995 | K1500 SUBURBAN 6.5L V8 CIL. | SIST. DE CARGA | SIST. DE ARRANQUE |
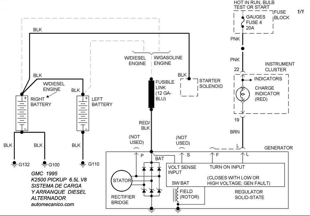
| 1995 | K2500 SUBURBAN 6.5L V8 CIL. | SIST. DE CARGA | SIST. DE ARRANQUE |
| Volver al listado principal |
