| DIAGRAMAS - SISTEMA DE CARGA Y ARRANQUE - 1995 - Mecanica Automotriz - ACURA - INDICE |
Diagramas : Carga y Arranque | Charging and Starting System: - Esquemas - Graphics 1995 - |
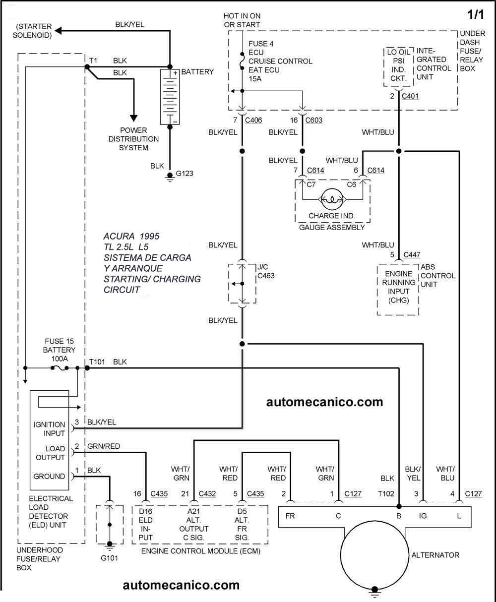
| Los Diagramas, listados abajo, se refieren unicamente al Circuito electrico que involucra: Alternador [Generador] y/o; Arrancador [Motor de arranque, Marcha, Starter] - ACURA - Indice 1995 - |
| AŃO | Modelo | Alternador | Arrancador |
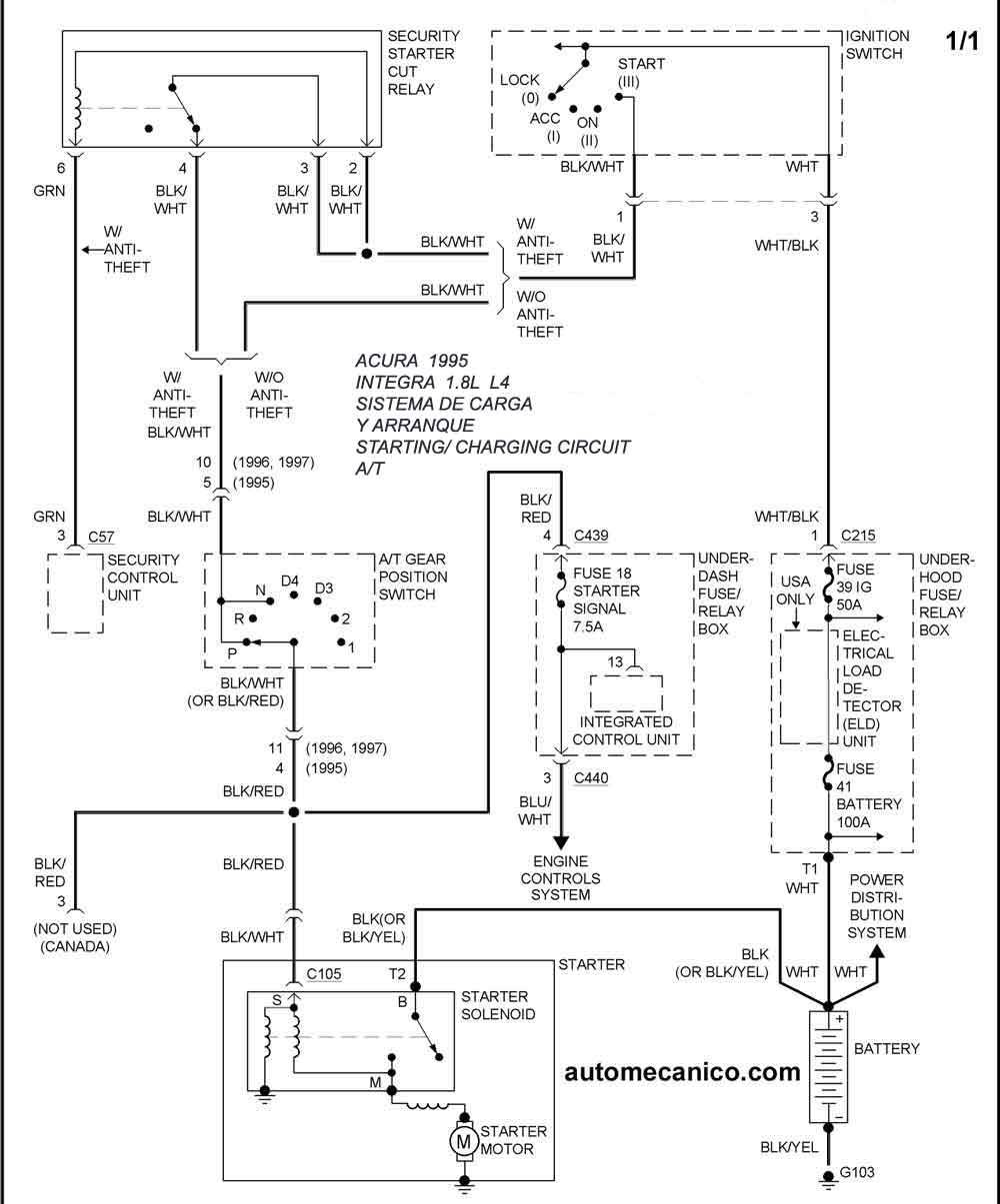
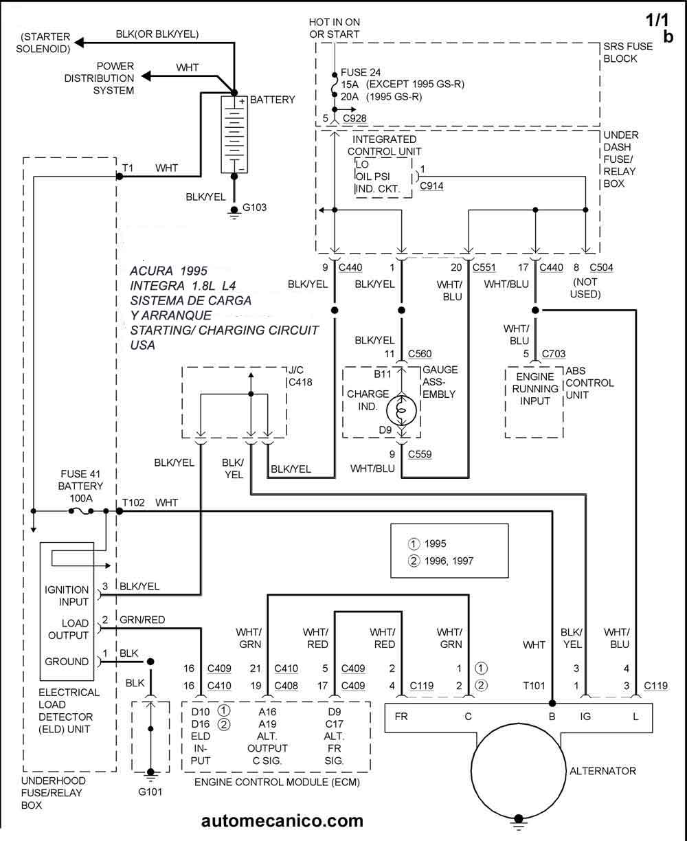
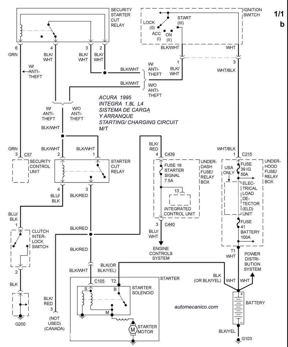
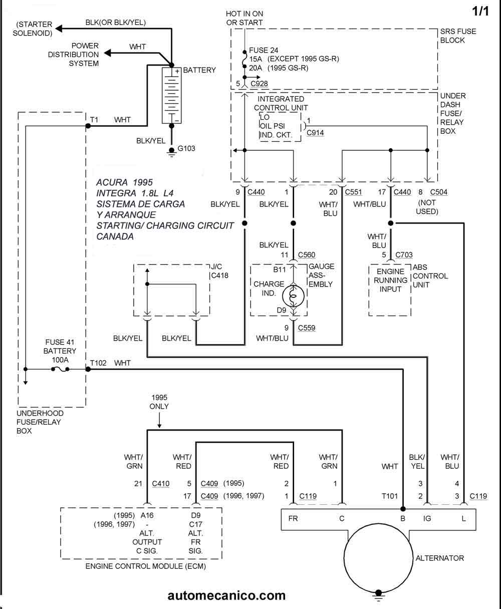
| 1995 | INTEGRA 1.8L L4 CIL. T/M | SIST. DE CARGA | SIST. DE ARRANQUE |
| 1995 | INTEGRA 1.8L L4 CIL. T/A | SIST. DE CARGA | SIST. DE ARRANQUE |
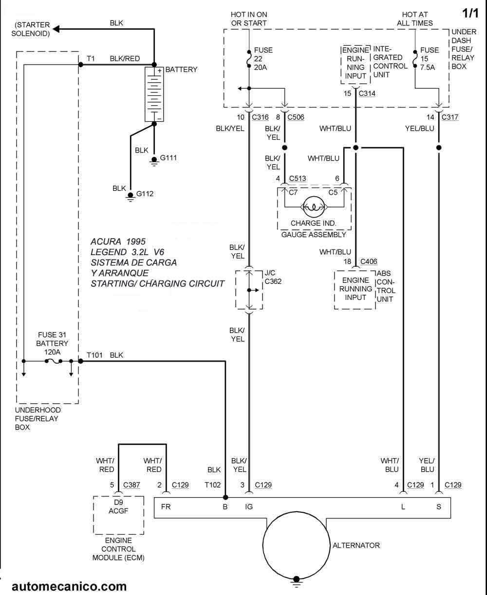
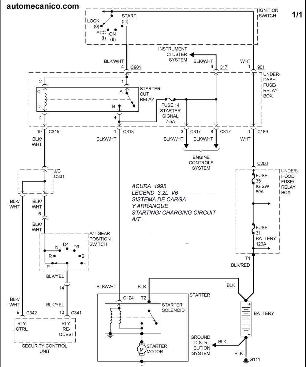
| 1995 | LEGEND 3.2L V6 CIL. T/A | SIST. DE CARGA | SIST. DE ARRANQUE |
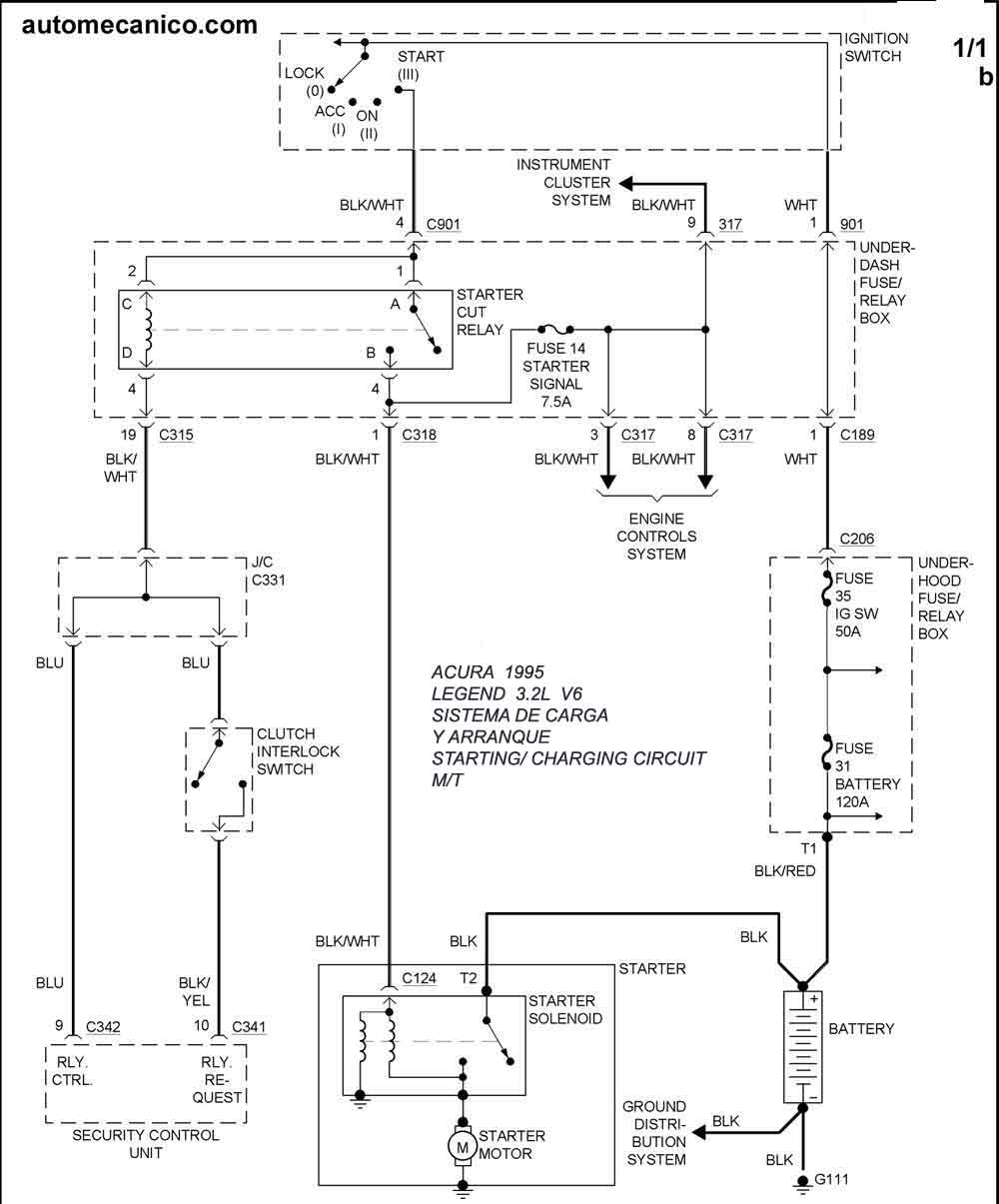
| 1995 | LEGEND 3.2L V6 CIL. T/M | -00- | SIST. DE ARRANQUE |
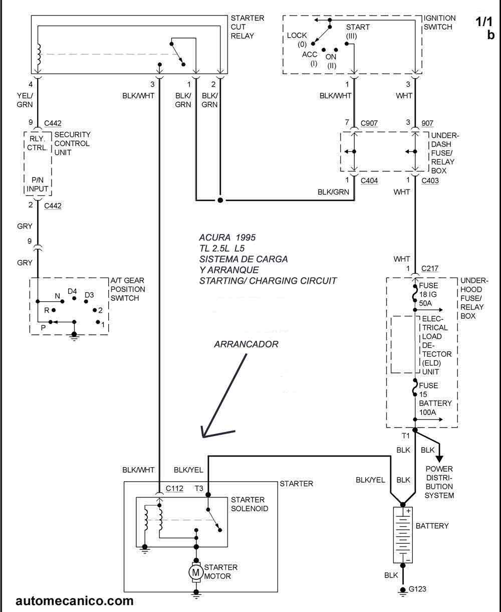
| 1995 | TL 2.5L 5 CIL. | SIST. DE CARGA | SIST. DE ARRANQUE |
| Volver al listado principal |
