| DIAGRAMAS - SISTEMA DE CARGA Y ARRANQUE - 1995 - Mecanica Automotriz - INDICE |
Diagramas CHRYSLER : Carga y Arranque | Charging and Starting System: - Esquemas - Graphics 1995 - |
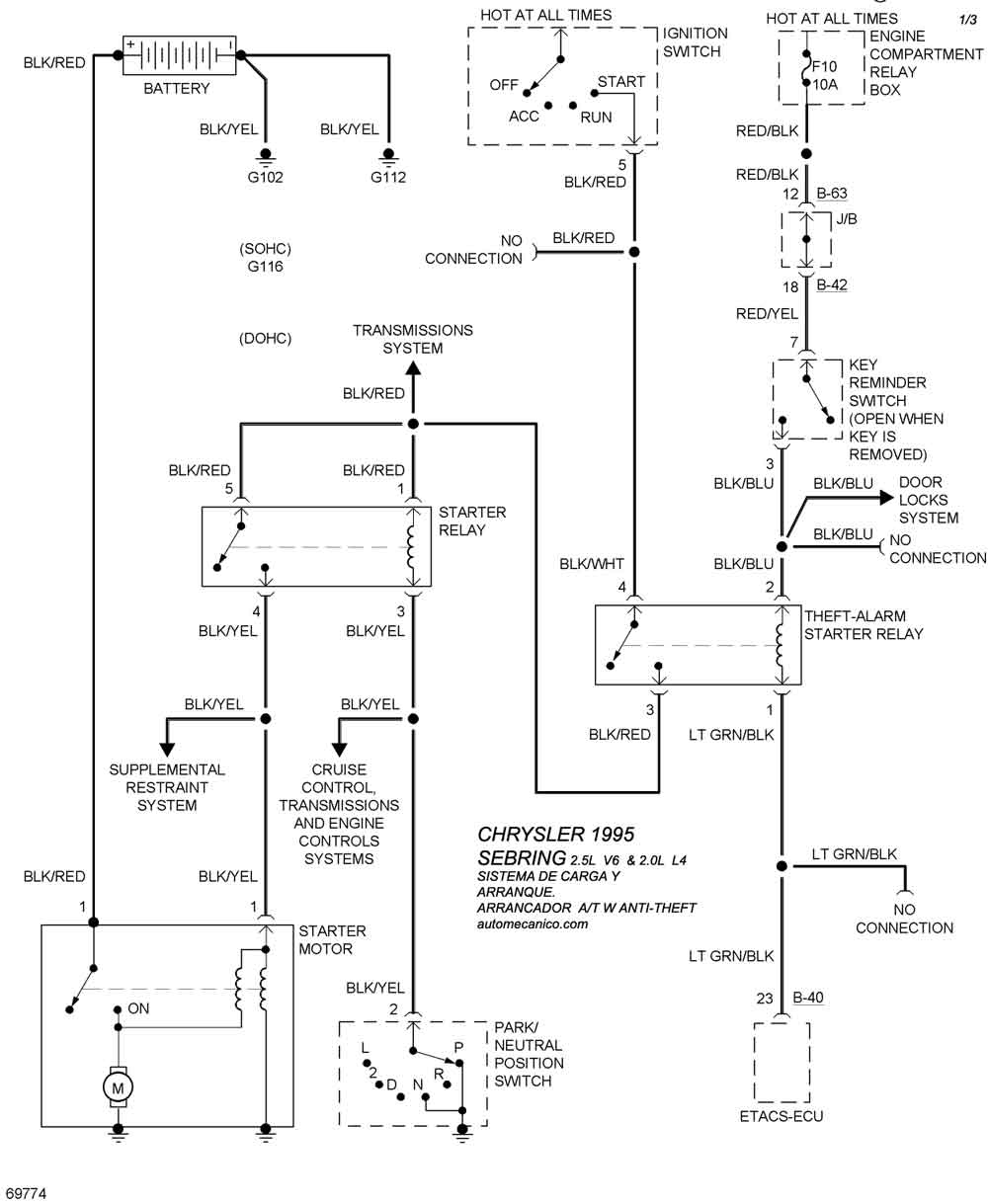
| Los Diagramas, listados abajo, se refieren unicamente al Circuito electrico que involucra: Alternador [Generador] y/o; Arrancador [Motor de arranque, Marcha, Starter] - INDICE: CHRYSLER - 1995 - |
| AŃO | Modelo | Alternador | Arrancador |
| 1995 | LHS 3.5L V6 CIL | SIST. DE CARGA | SIST. DE ARRANQUE |
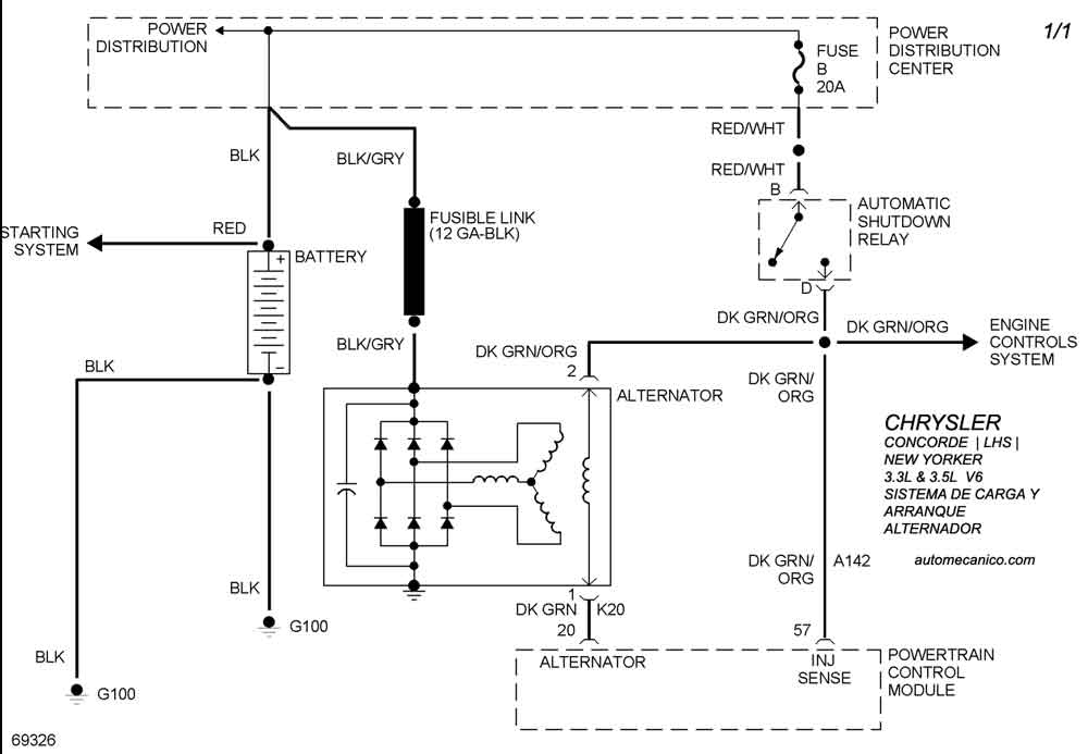
| 1995 | NEW YORKER 3.5L V6 CIL | SIST. DE CARGA | SIST. DE ARRANQUE |
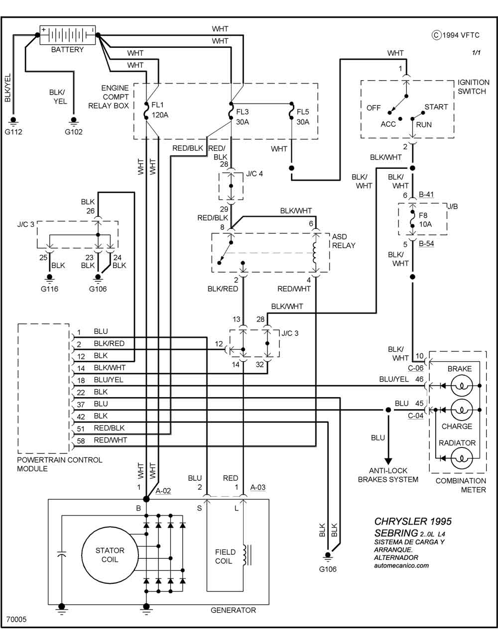
| 1995 | SEBRING 2.0L 4 CIL 1/3 | SIST. DE CARGA | SIST. DE ARRANQUE |
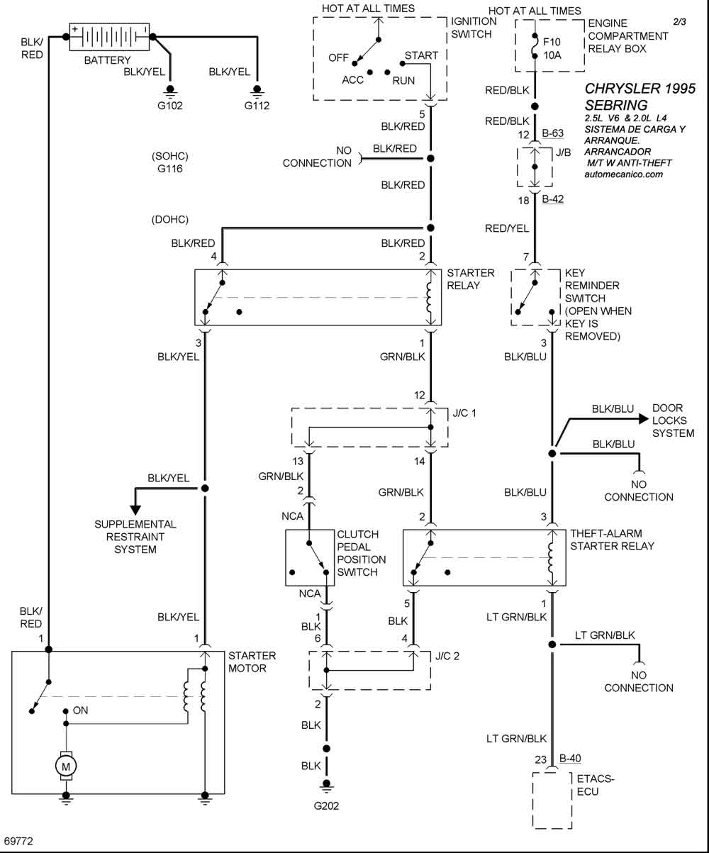
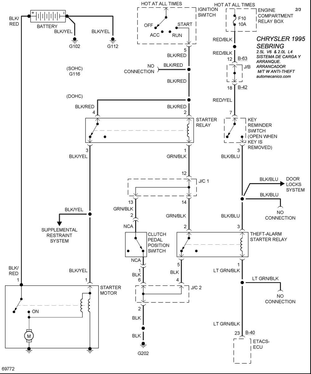
| 1995 | SEBRING 2.0L 4 CIL 2/3 | -00- | SIST. DE ARRANQUE |
| 1995 | SEBRING 2.0L 4 CIL 3/3 | -00- | SIST. DE ARRANQUE |
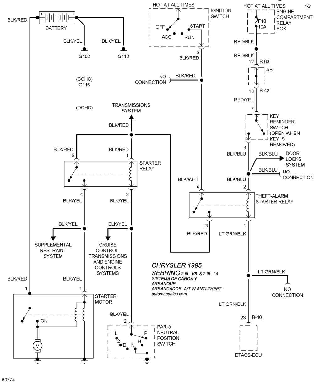
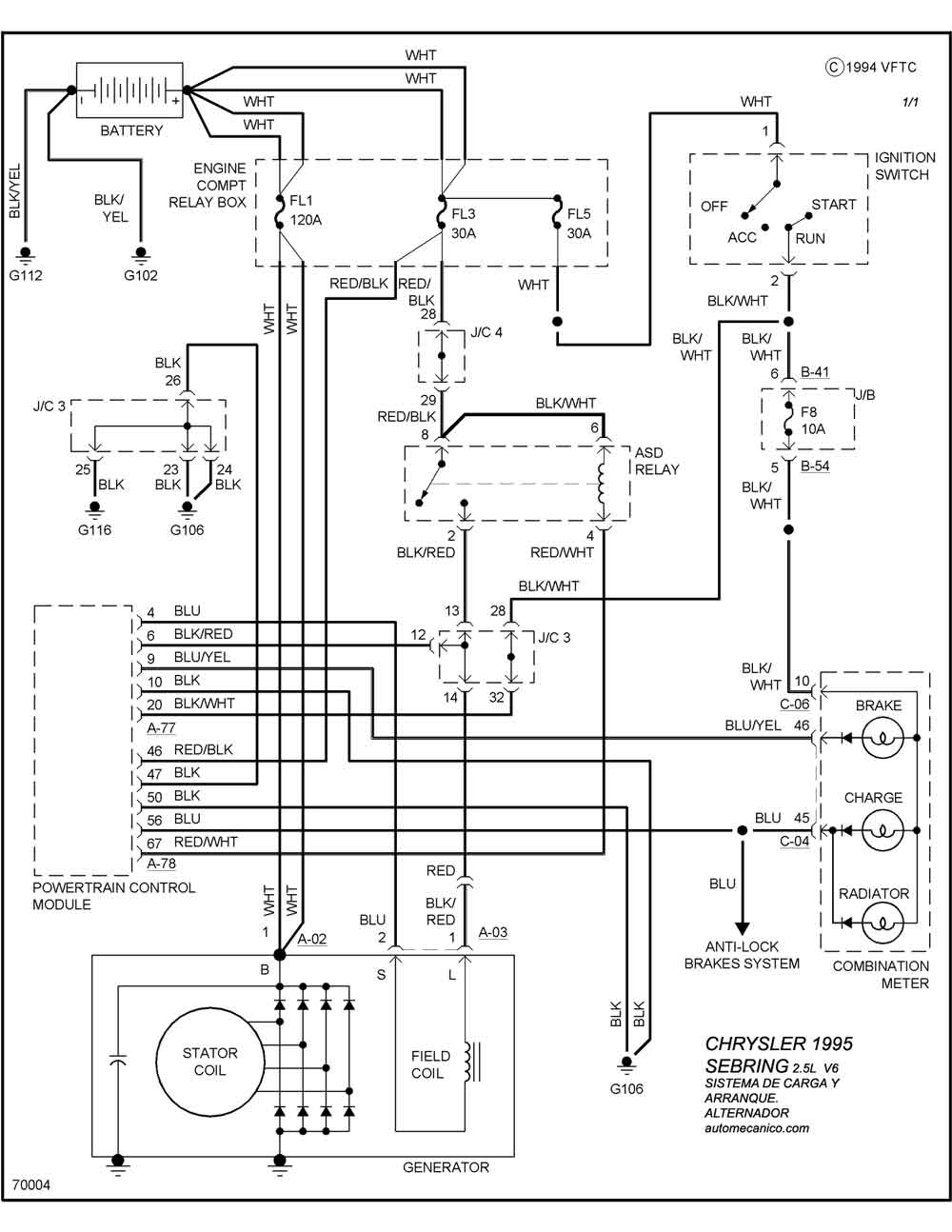
| 1995 | SEBRING 2.5L V6 CIL 1/3 | SIST. DE CARGA | SIST. DE ARRANQUE |
| 1995 | SEBRING 2.5L V6 CIL 2/3 | -00- | SIST. DE ARRANQUE |
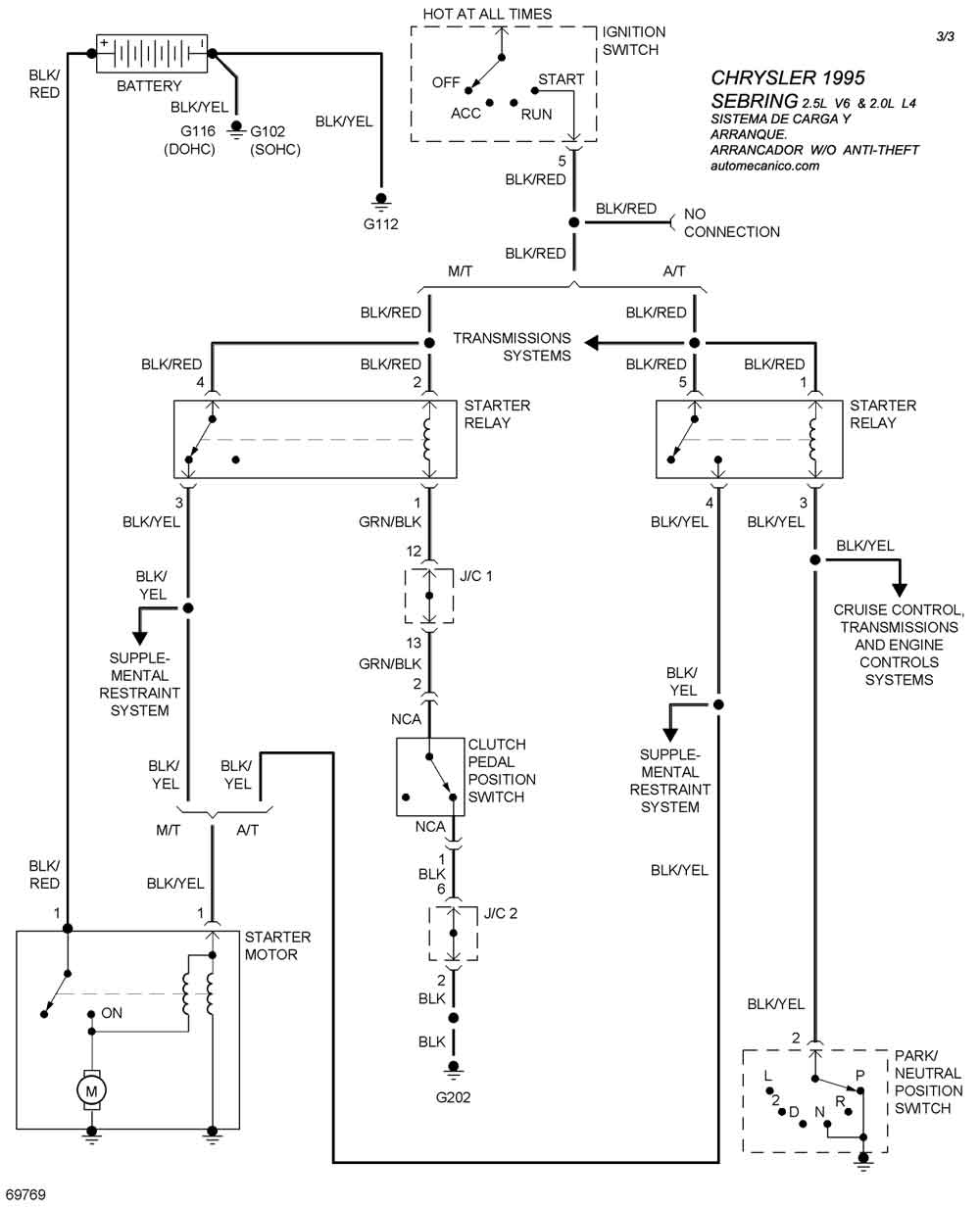
| 1995 | SEBRING 2.5L V6 CIL 3/3 | -00- | SIST. DE ARRANQUE |
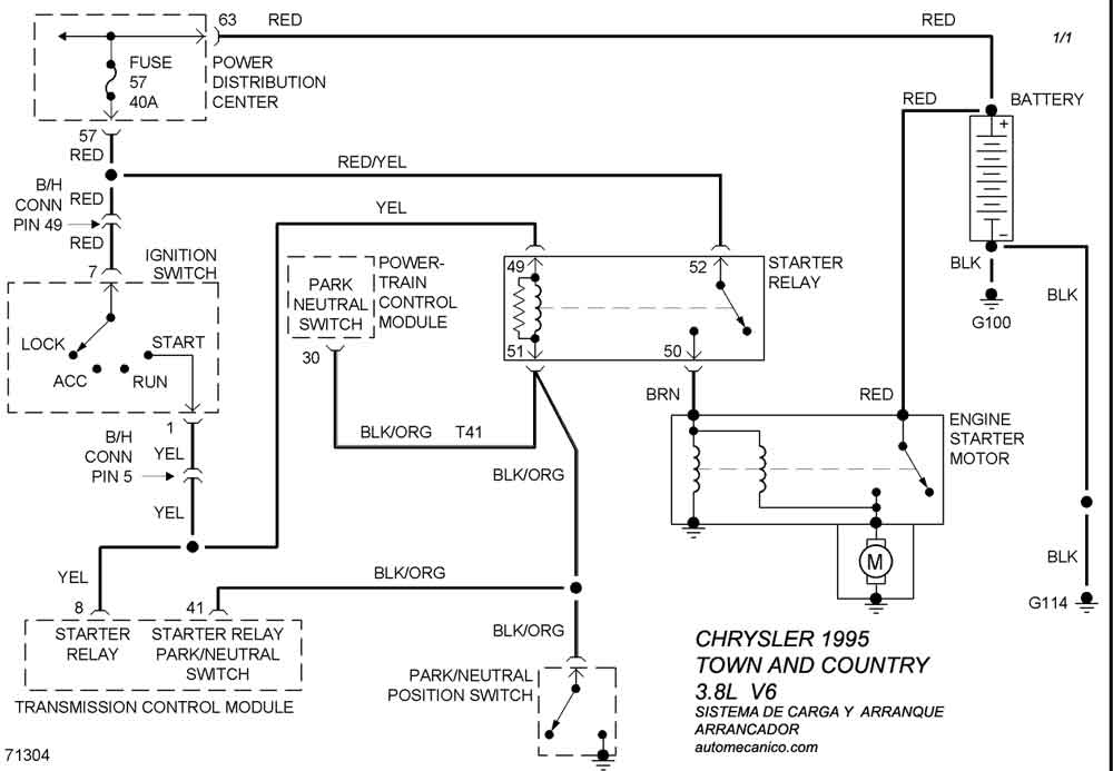
| 1995 | TOWN AND COUNTRY 3.8L V6 | SIST. DE CARGA | SIST. DE ARRANQUE |
| Volver al listado principal |
