| DIAGRAMAS - SISTEMA DE CARGA Y ARRANQUE - 1995 - Mecanica Automotriz - INDICE |
Diagramas FORD : Carga y Arranque | Charging and Starting System: - Esquemas - Graphics 1995 - |
| Los Diagramas, listados abajo, se refieren unicamente al Circuito electrico que involucra: Alternador [Generador] y/o; Arrancador [Motor de arranque, Marcha, Starter] - INDICE: FORD - 1995 - |
| AŃO | Modelo | Alternador | Arrancador |
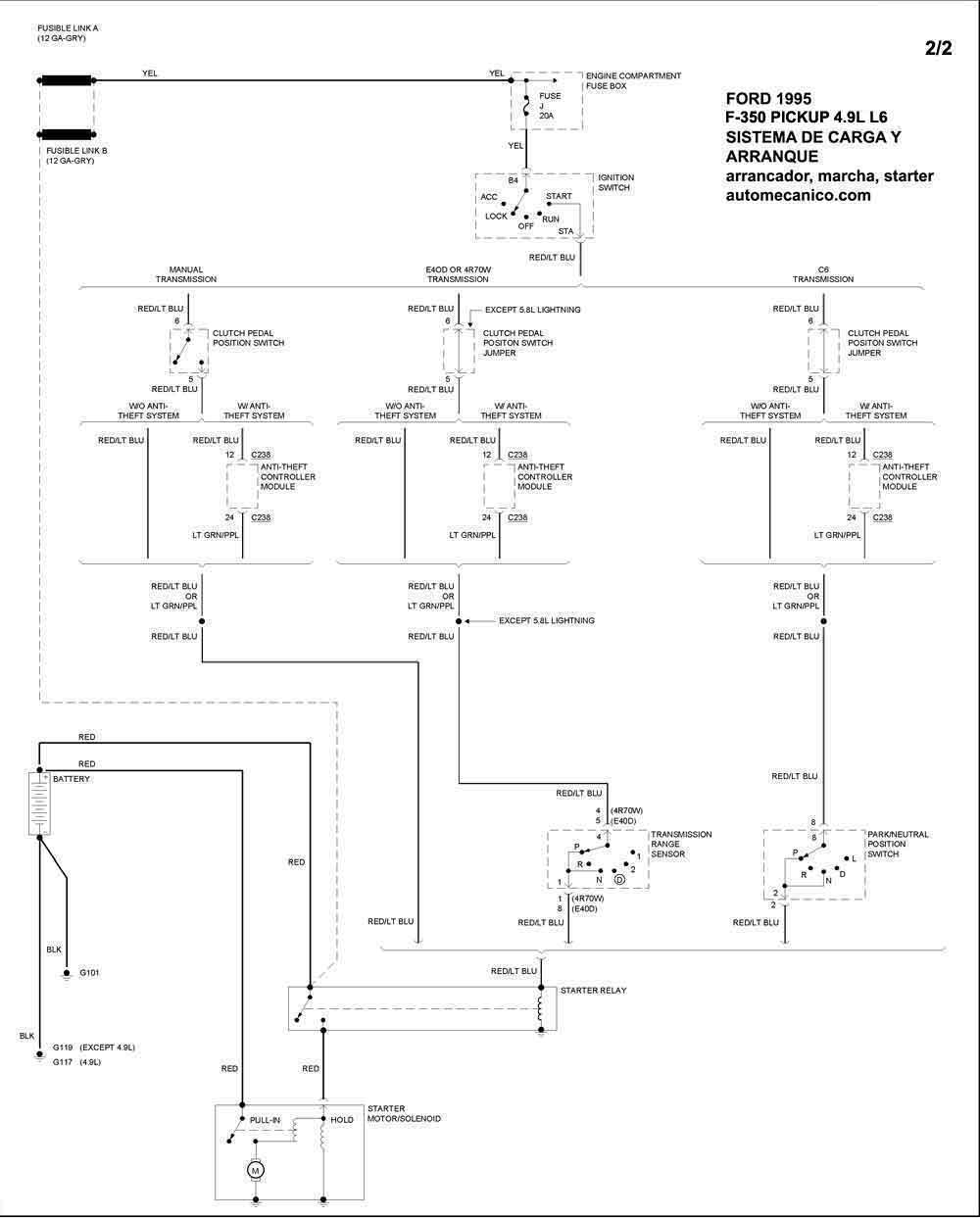
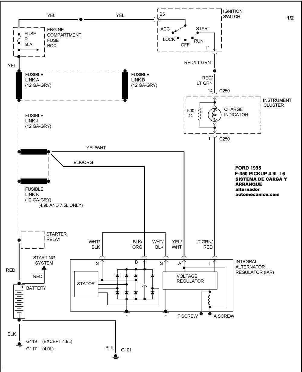
| 1995 | F-350 PICKUP 4.9L L6 CIL. | SIST. DE CARGA | SIST. DE ARRANQUE |
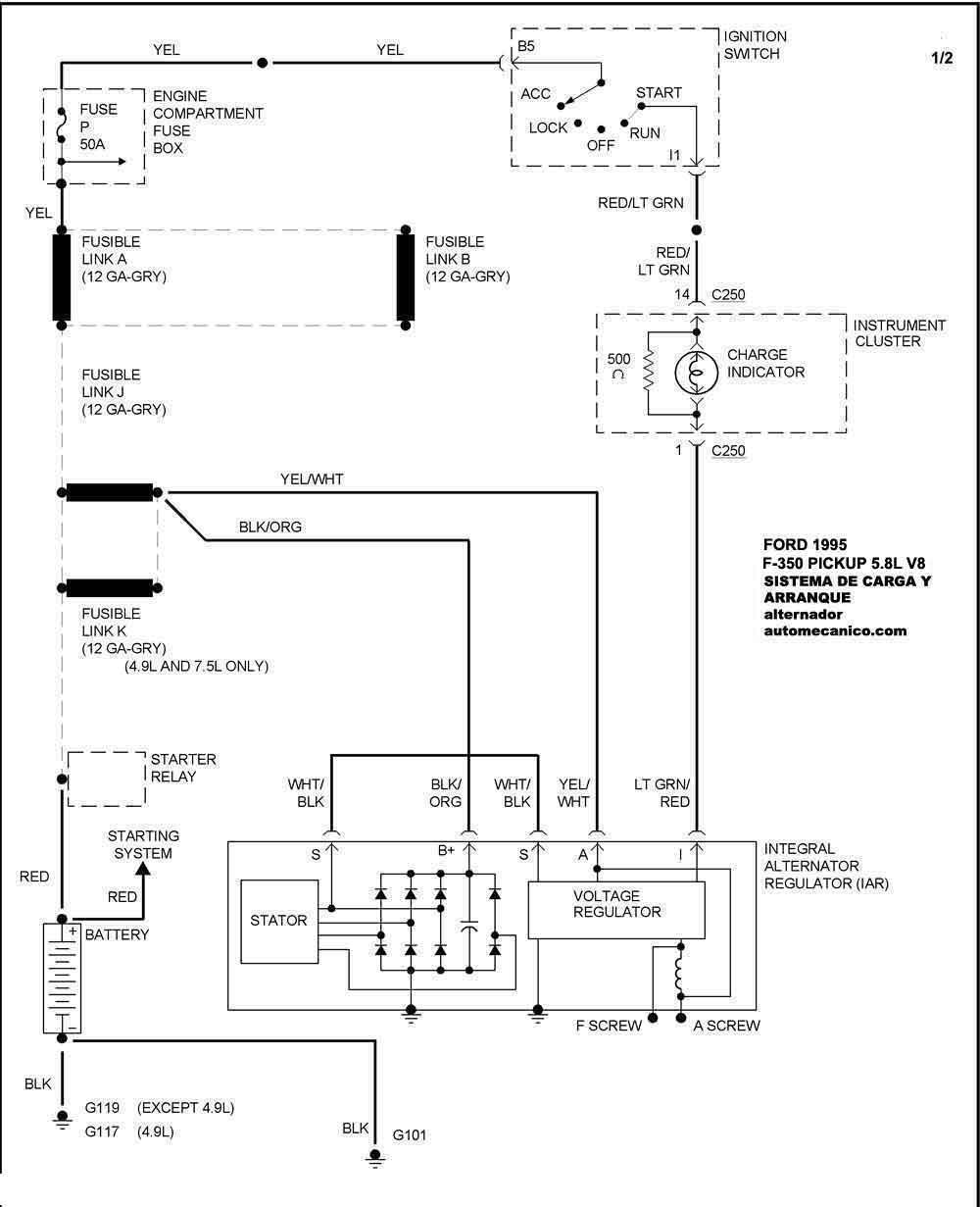
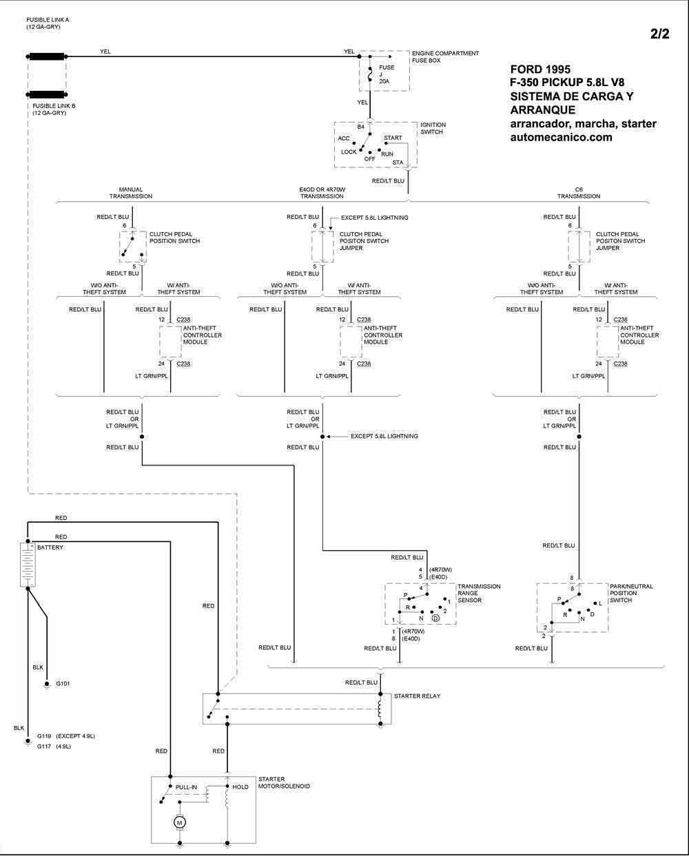
| 1995 | F-350 PICKUP 5.8L V8 CIL. | SIST. DE CARGA | SIST. DE ARRANQUE |
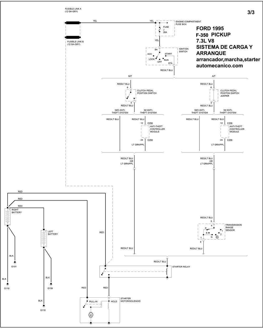
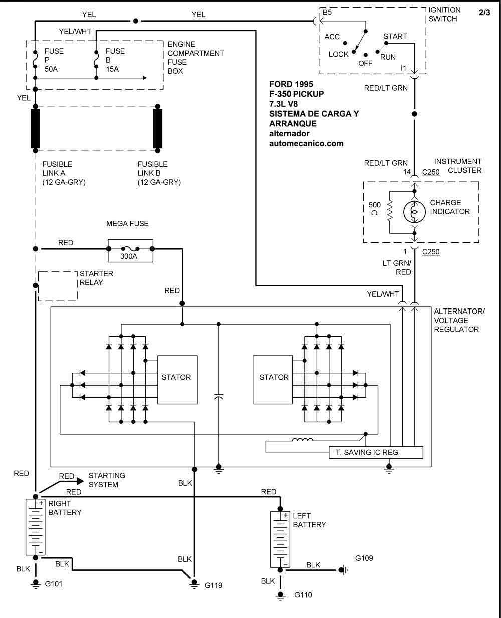
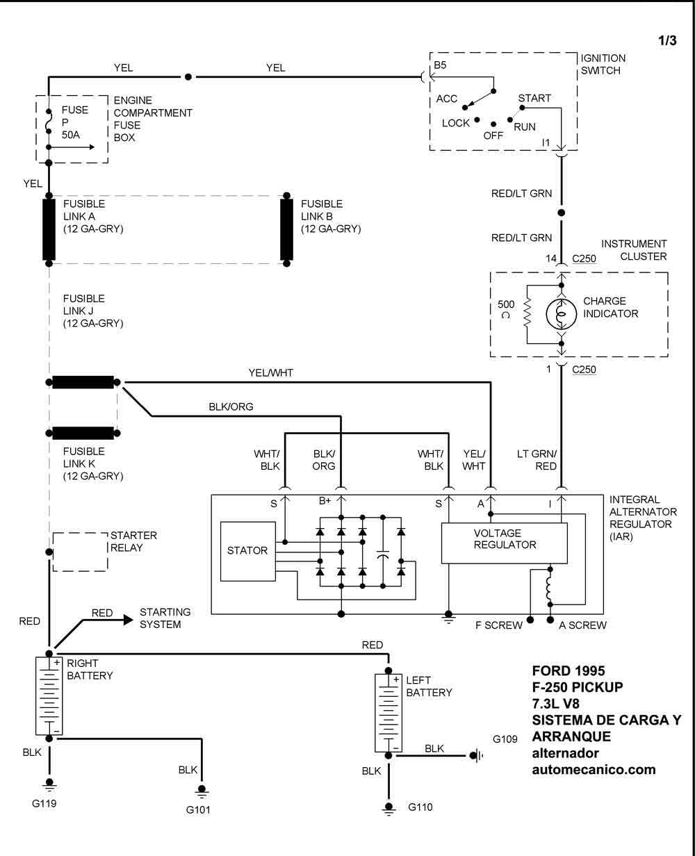
| 1995 | F-350 PICKUP 7.3L V8 CIL. | SIST. DE CARGA | SIST. DE ARRANQUE |
| 1995 | F-350 PICKUP 7.3L V8 CIL. | SIST. DE CARGA | SIST. DE ARRANQUE |
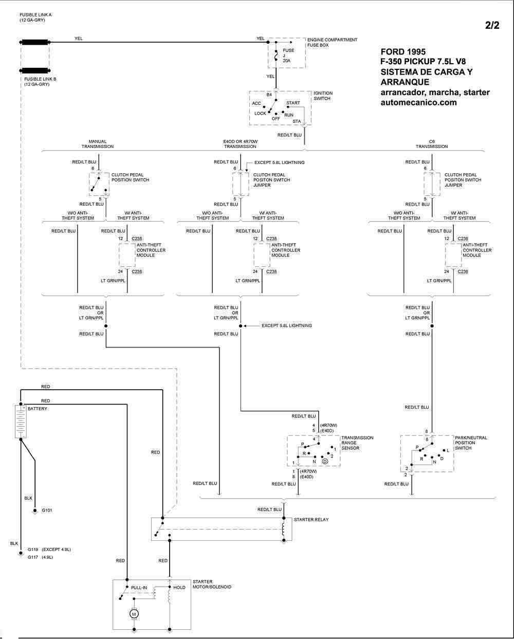
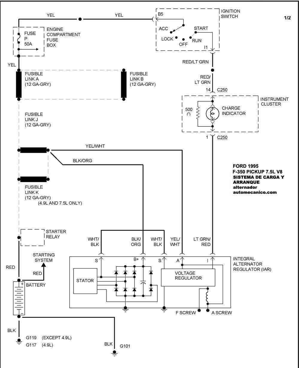
| 1995 | F-450 PICKUP 7.5L V8 CIL. | SIST. DE CARGA | SIST. DE ARRANQUE |
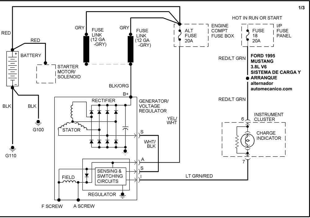
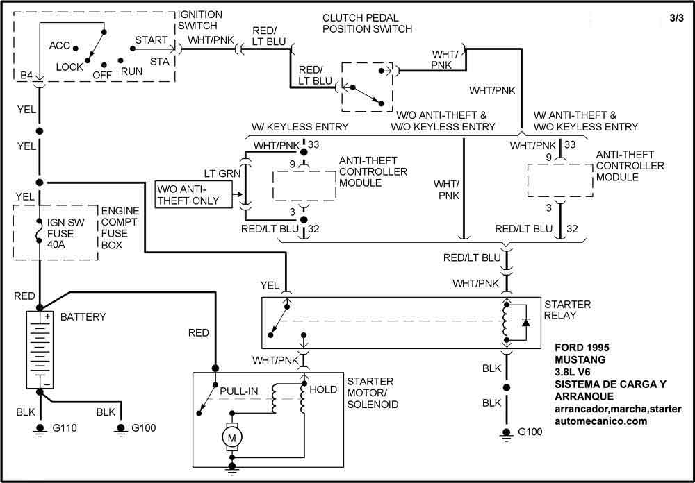
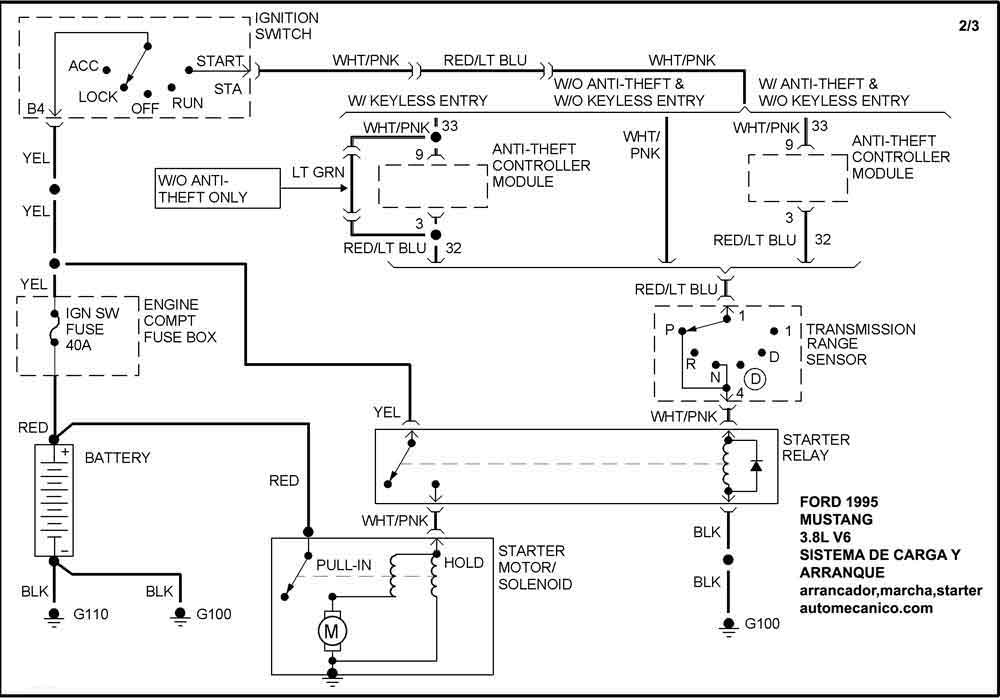
| 1995 | MUSTANG 3.8L V6 CIL | SIST. DE CARGA | SIST. DE ARRANQUE |
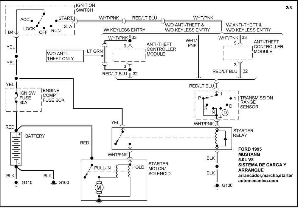
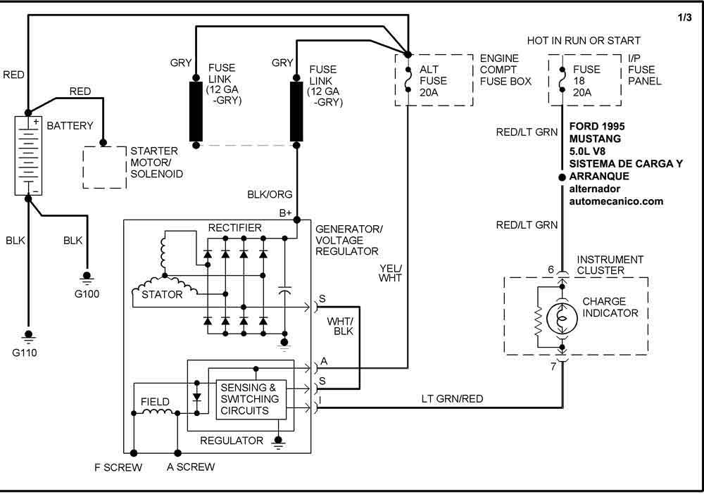
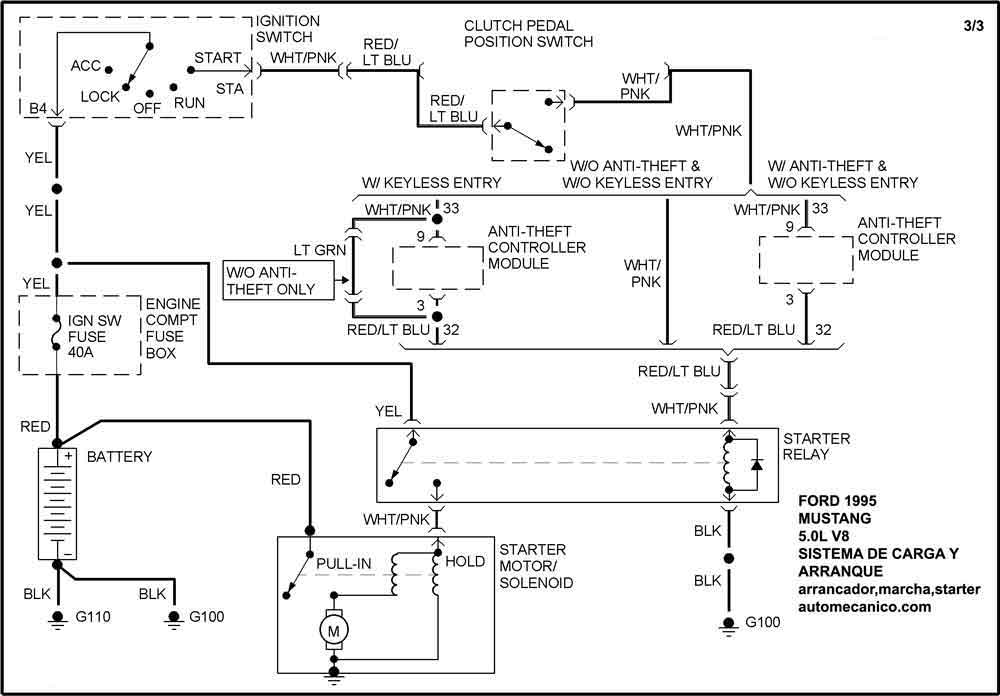
| 1995 | MUSTANG 5.0L V8 CIL. | SIST. DE CARGA | SIST. DE ARRANQUE |
| 1995 | MUSTANG 5.0L V8 CIL. | -00- | SIST. DE ARRANQUE |
| Volver al listado principal |
