| DIAGRAMAS - SISTEMA DE CARGA Y ARRANQUE - 1995 - Mecanica Automotriz - INDICE |
Diagramas HYUNDAI : Carga y Arranque | Charging and Starting System: - Esquemas - Graphics 1995 - |
| Los Diagramas, listados abajo, se refieren unicamente al Circuito electrico que involucra: Alternador [Generador] y/o; Arrancador [Motor de arranque, Marcha, Starter] - INDICE: HYUNDAI - 1995 - |
| AŃO | Modelo | Alternador | Arrancador |
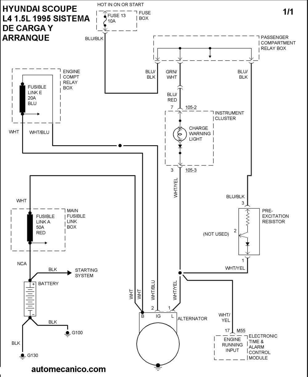
| 1995 | HYUNDAI 1.5L 4 CIL. | DIAG. SIST. DE CARGA | DIAG. SIST. DE ARRANQUE |
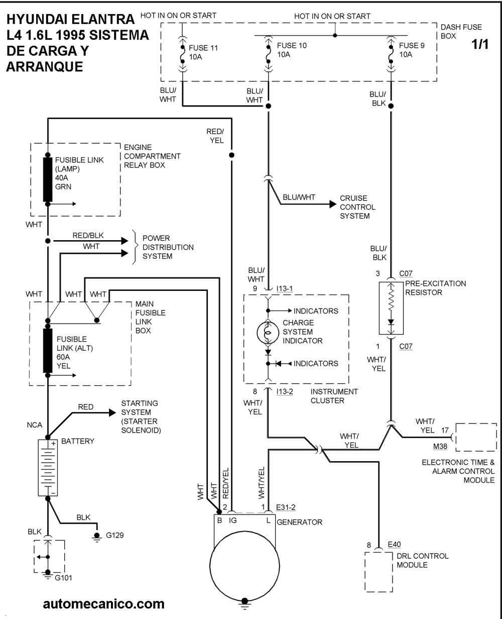
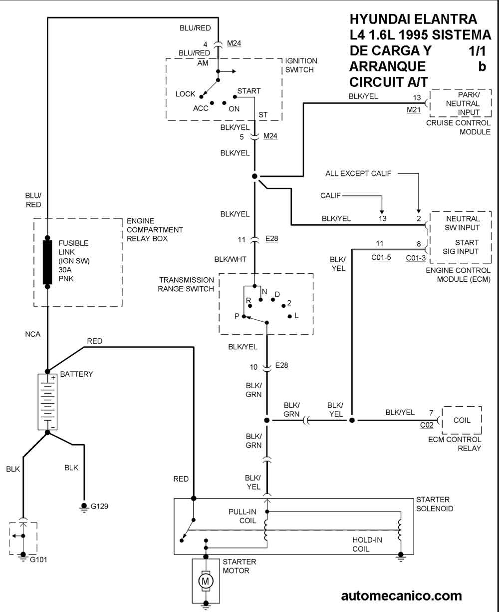
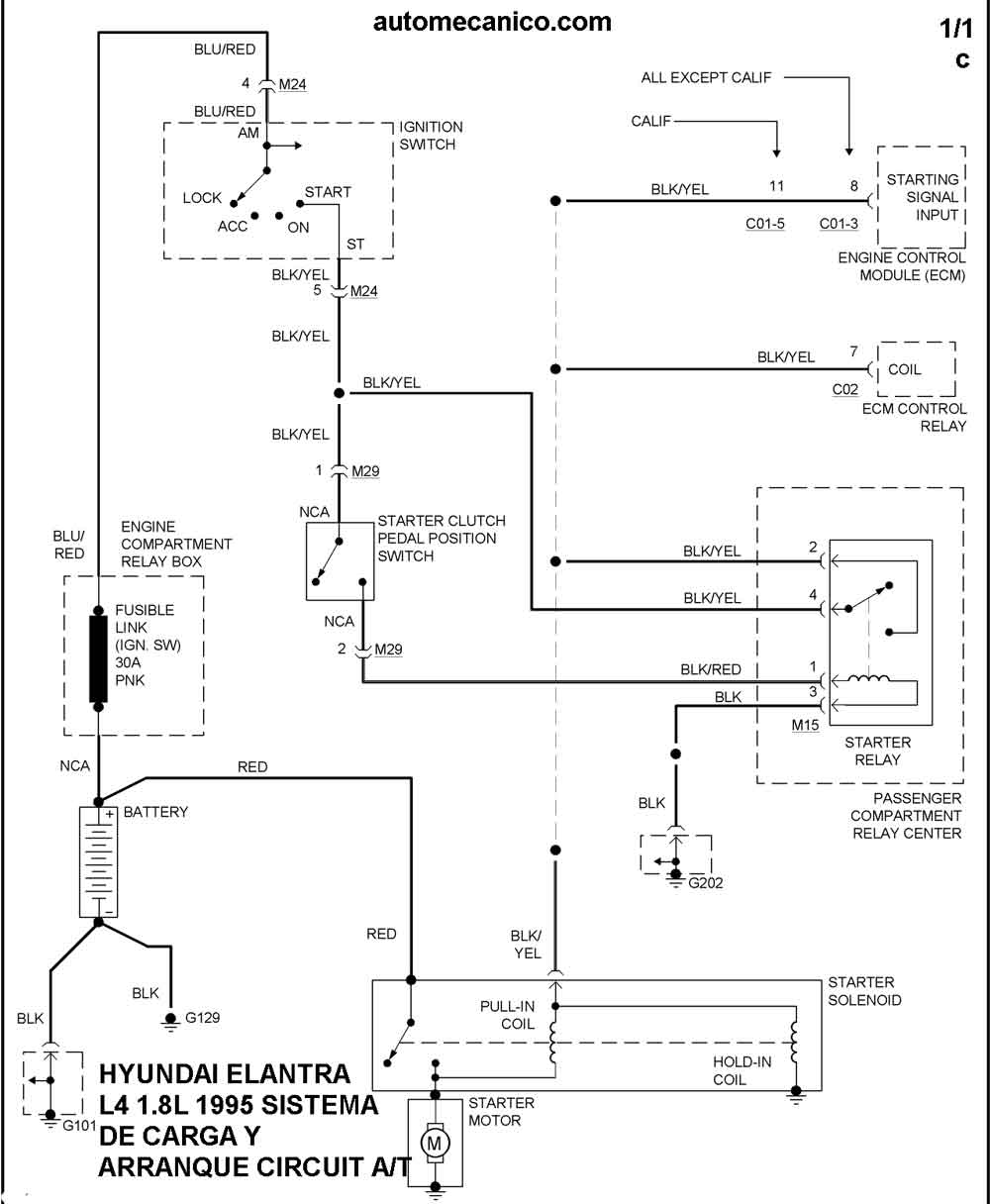
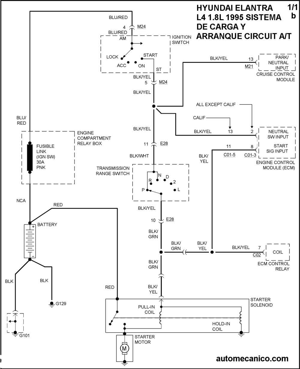
| 1995 | ELANTRA 1.6L 4 CIL.T/A | DIAG. SIST. DE CARGA | DIAG. SIST. DE ARRANQUE |
| 1995 | ELANTRA 1.6L 4 CIL.T/M | T/M | DIAG. SIST. DE ARRANQUE |
| 1995 | ELANTRA 1.8L 4 CIL. T/A | DIAG. SIST. DE CARGA | DIAG. SIST. DE ARRANQUE |
| 1995 | ELANTRA 1.8L 4 CIL. T/M | T/M | DIAG. SIST. DE ARRANQUE |
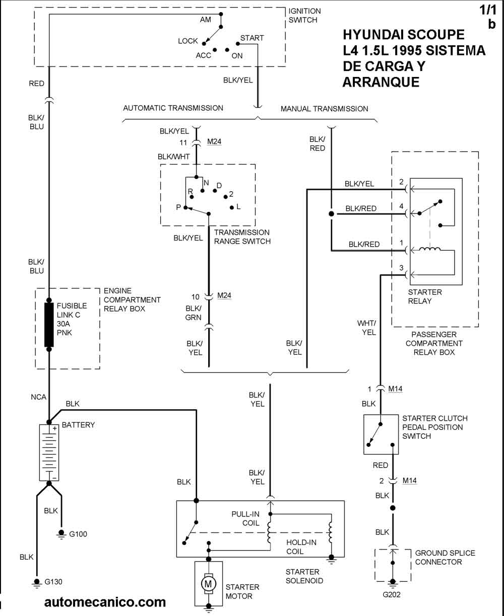
| 1995 | SCOUP 1.5L 4 CIL. | DIAG. SIST. DE CARGA | DIAG. SIST. DE ARRANQUE |
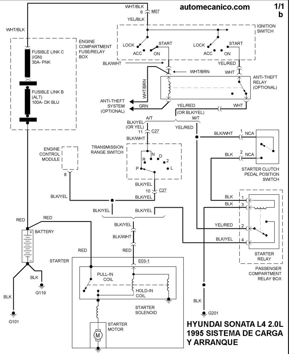
| 1995 | SONATA 2.0L 4 CIL. | DIAG. SIST. DE CARGA | DIAG. SIST. DE ARRANQUE |
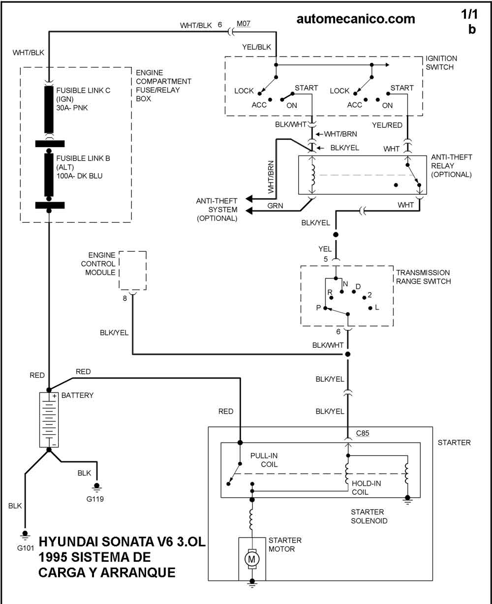
| 1995 | SONATA 3.0L V6 CIL. | DIAG. SIST. DE CARGA | DIAG. SIST. DE ARRANQUE |
| Volver al listado principal |
