| DIAGRAMAS - SISTEMA DE CARGA Y ARRANQUE - 1995 - Mecanica Automotriz - INDICE |
Diagramas LINCOLN : Carga y Arranque | Charging and Starting System: - Esquemas - Graphics 1995 - |
| Los Diagramas, listados abajo, se refieren unicamente al Circuito electrico que involucra: Alternador [Generador] y/o; Arrancador [Motor de arranque, Marcha, Starter] - INDICE: LINCOLN - 1995 - |
| Year | Modelo | Alternador | Arrancador |
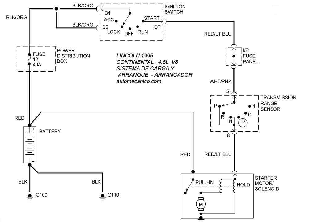
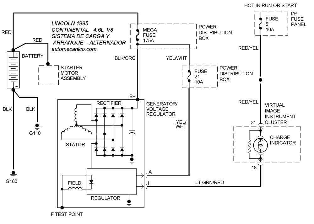
| 1995 | CONTINENTAL 4.6L V8 CIL. | SIST. DE CARGA | SIST. DE ARRANQUE |
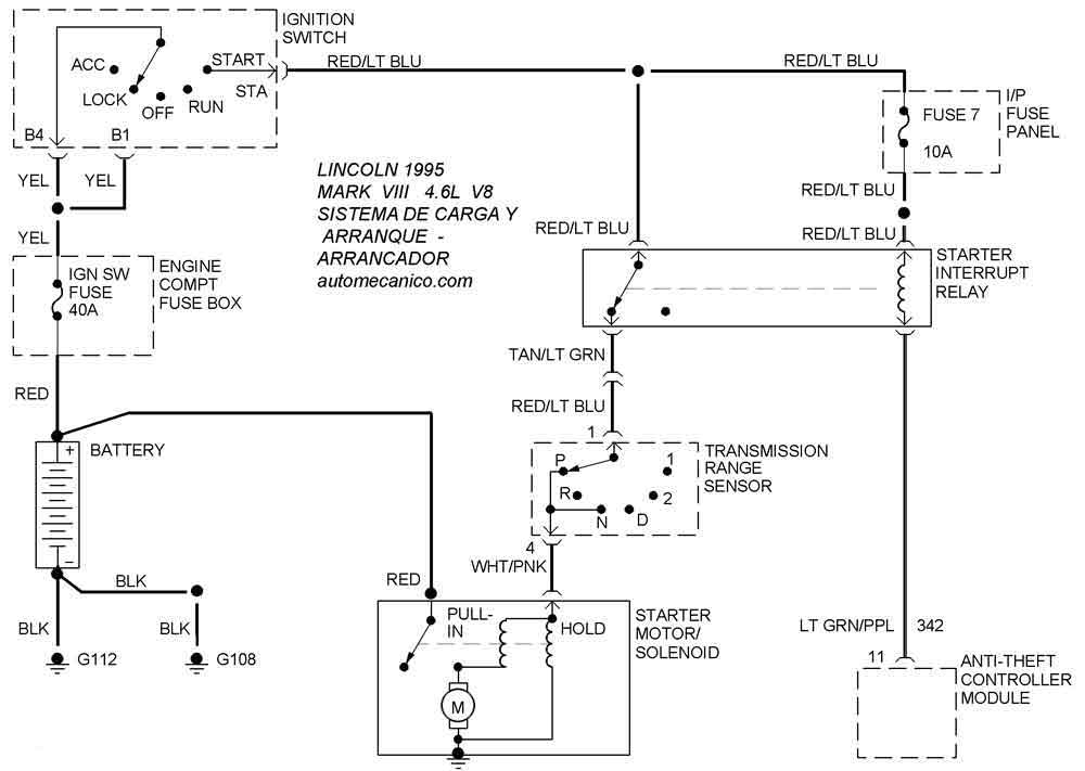
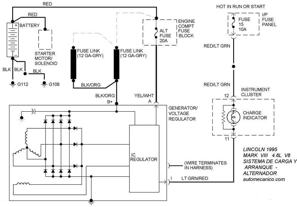
| 1995 | MARK VIII 4.6L V8 CIL. | SIST. DE CARGA | SIST. DE ARRANQUE |
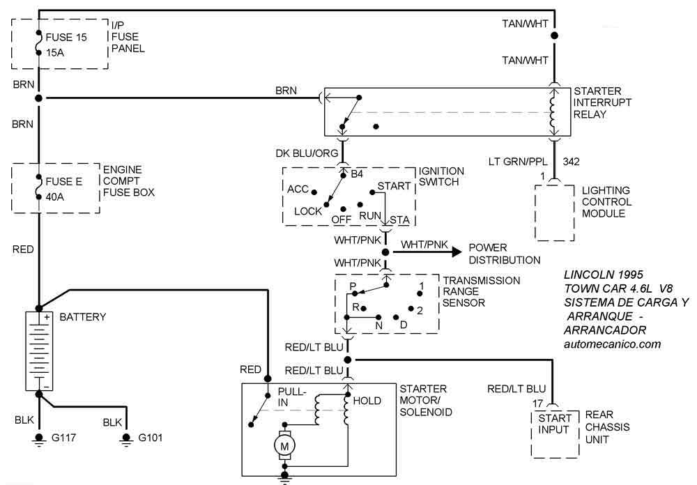
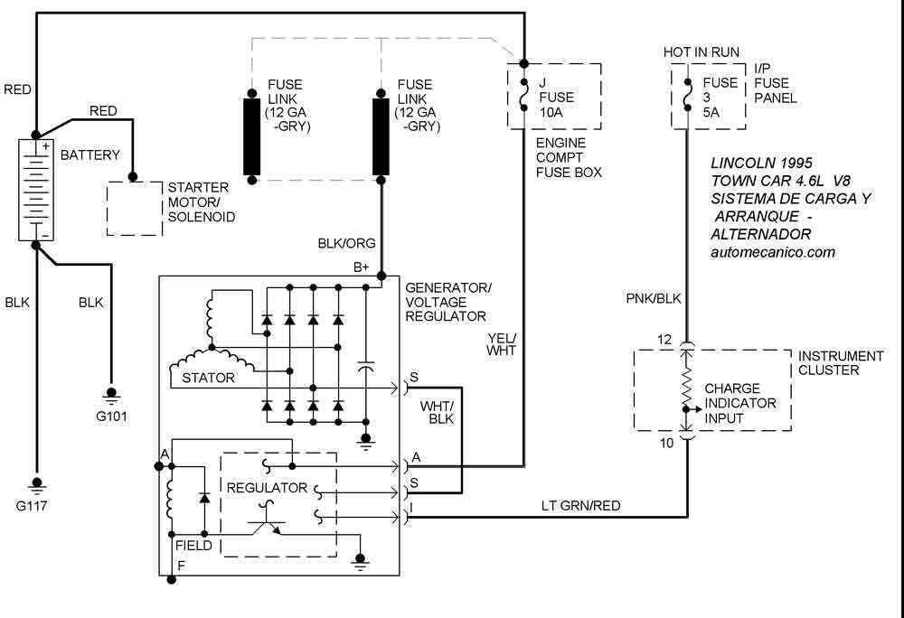
| 1995 | TOWN CAR 4.6L V8 CIL. | SIST. DE CARGA | SIST. DE ARRANQUE |
| Volver al listado principal |
