| DIAGRAMAS - SISTEMA DE CARGA Y ARRANQUE - 1995 - Mecanica Automotriz - INDICE |
Diagramas MAZDA : Carga y Arranque | Charging and Starting System: - Esquemas - Graphics 1995 - |
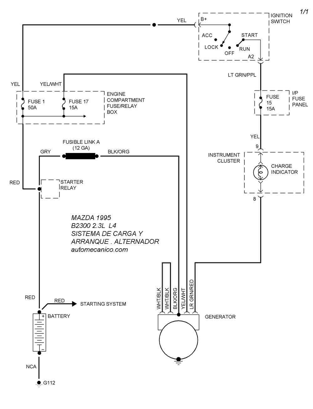
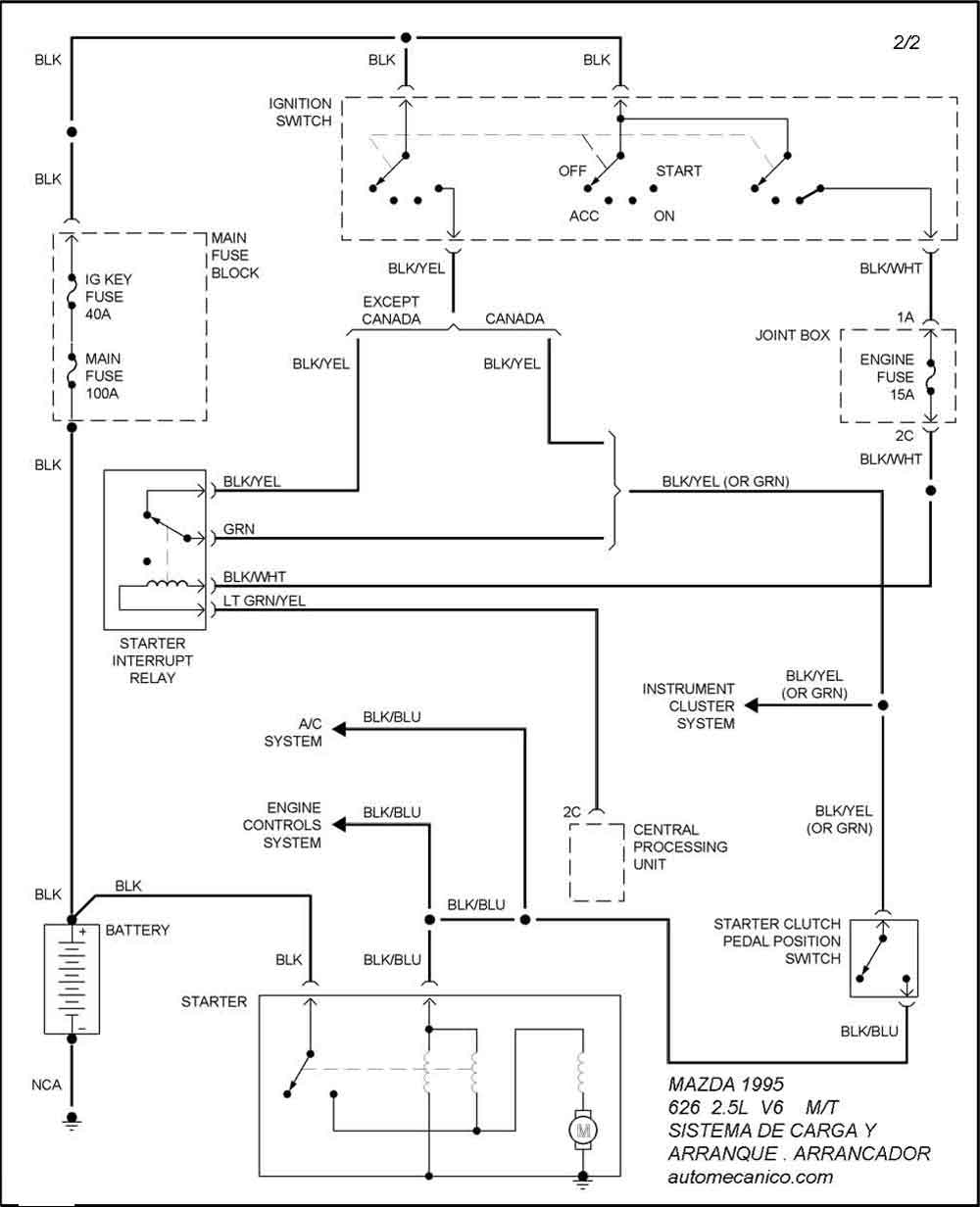
| Los Diagramas, listados abajo, se refieren unicamente al Circuito electrico que involucra: Alternador [Generador] y/o; Arrancador [Motor de arranque, Marcha, Starter] - INDICE: MAZDA - 1995 - |
| Year | Modelo | Alternador | Arrancador |
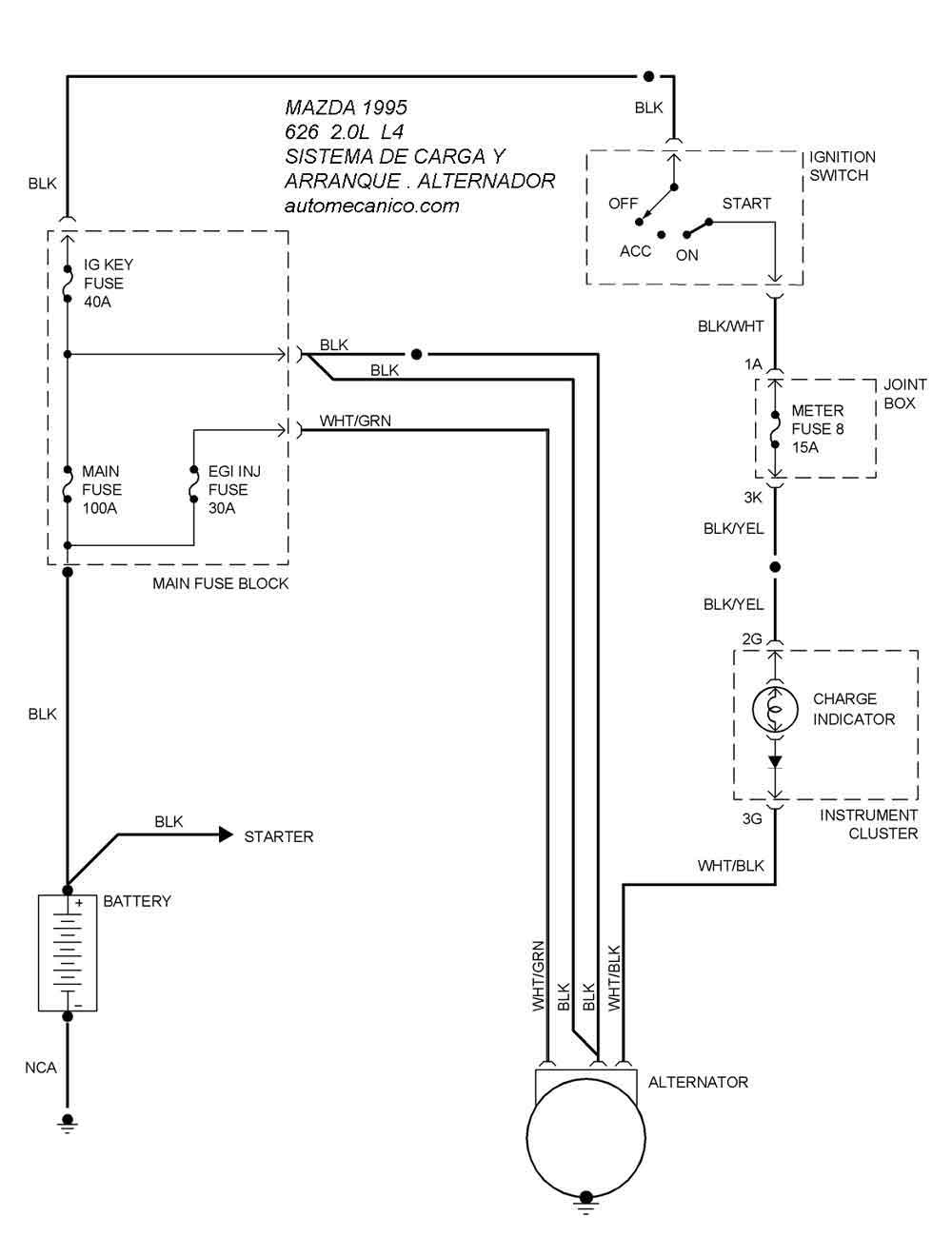
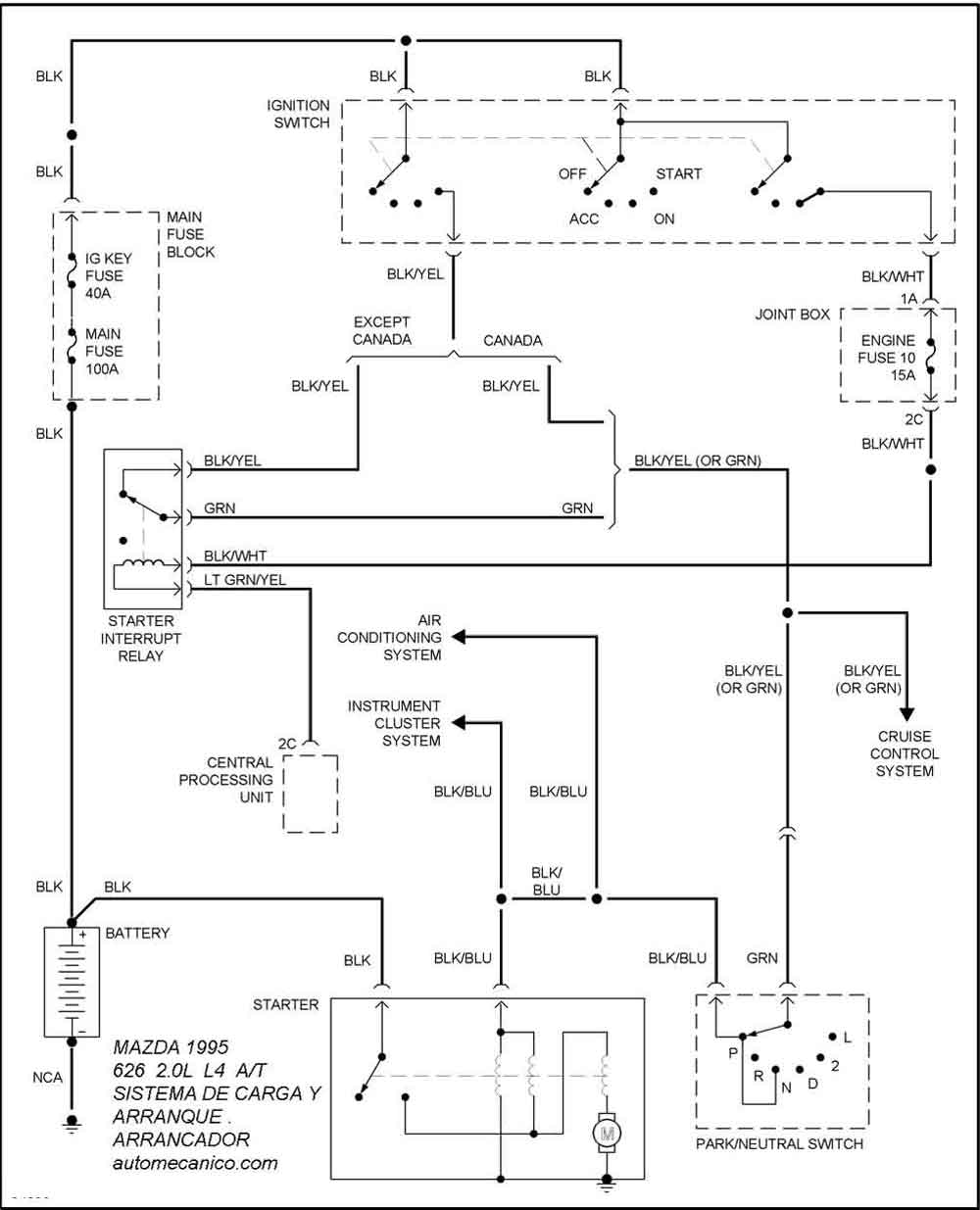
| 1995 | 626 2.0L 4 CIL. T/A | SIST. DE CARGA | SIST. DE ARRANQUE |
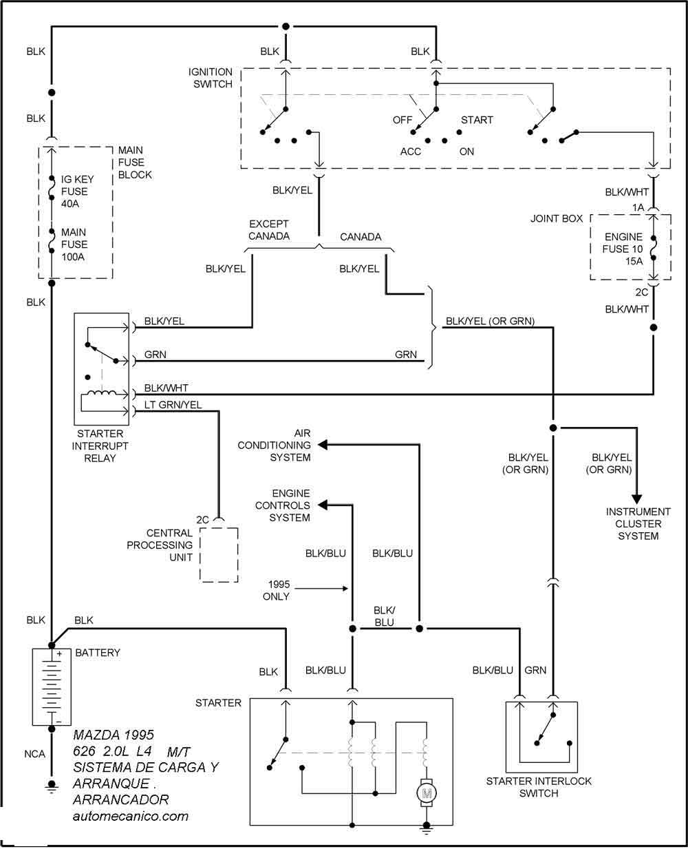
| 1995 | 626 2.0L 4 CIL. T/M | T/M | SIST. DE ARRANQUE |
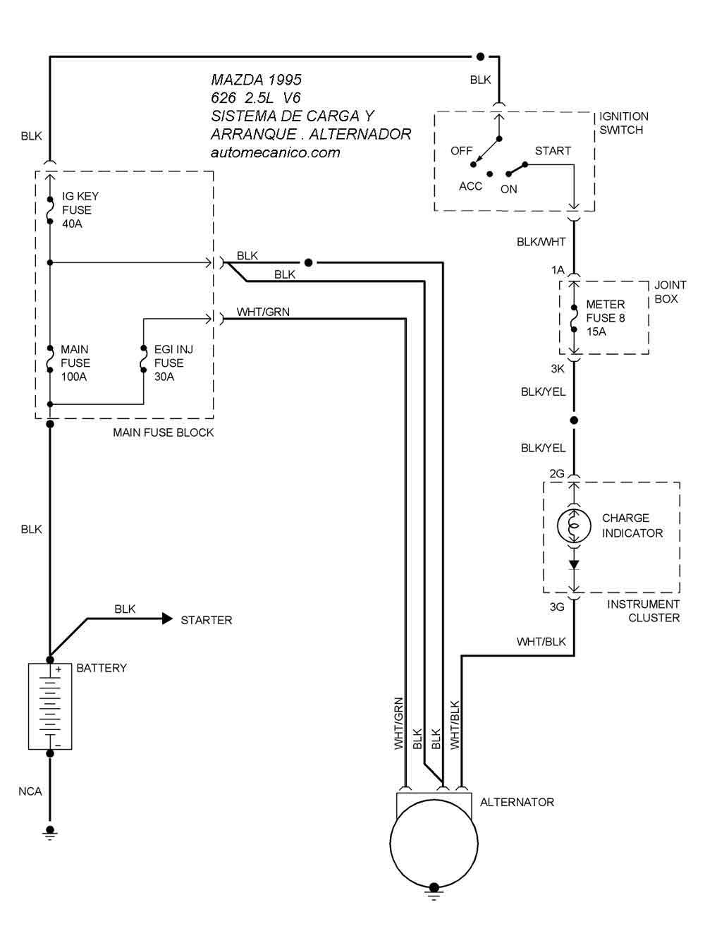
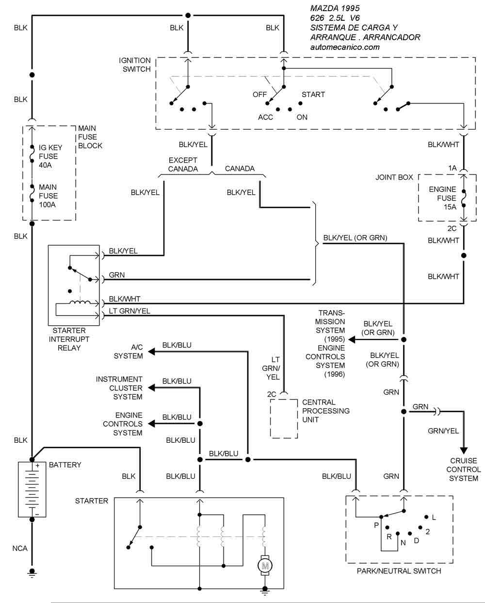
| 1995 | 626 2.5L V6 CIL. T/A | SIST. DE CARGA | SIST. DE ARRANQUE |
| 1995 | 626 2.5L V6 CIL. T/M | T/M | SIST. DE ARRANQUE |
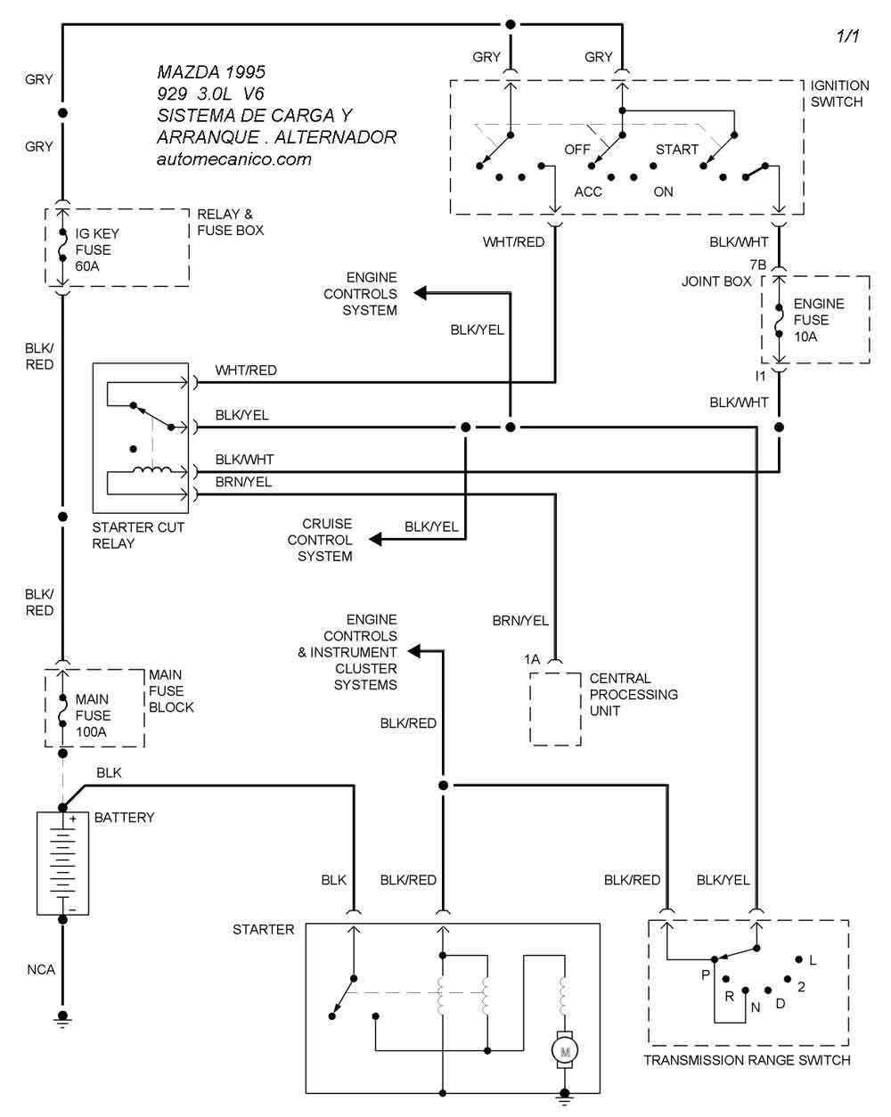
| 1995 | 929 3.0L V6 CIL. | SIST. DE CARGA | SIST. DE ARRANQUE |
| 1995 | B2300 2.3L 4 CIL. | SIST. DE CARGA | SIST. DE ARRANQUE |
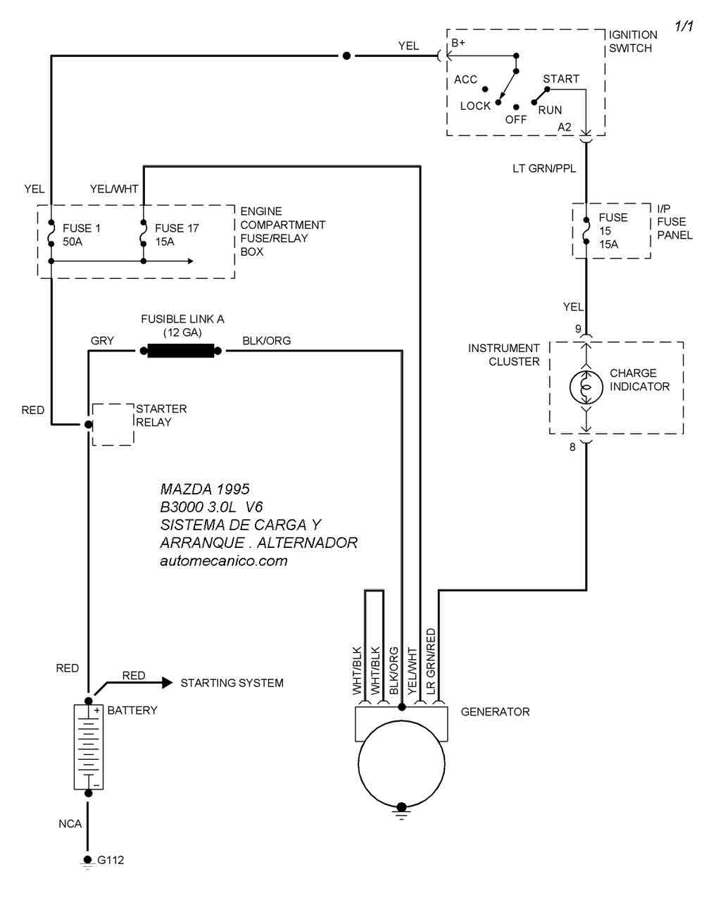
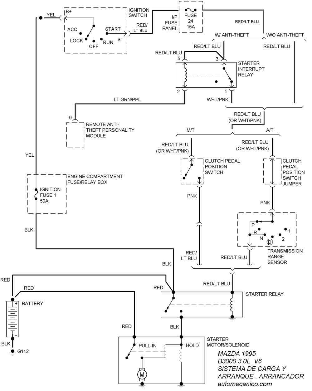
| 1995 | B3000 3.0L V6 CIL. | SIST. DE CARGA | SIST. DE ARRANQUE |
| Volver al listado principal |
