| DIAGRAMAS - SISTEMA DE CARGA Y ARRANQUE - 1995 - Mecanica Automotriz - INDICE |
Diagramas MAZDA : Carga y Arranque | Charging and Starting System: - Esquemas - Graphics 1995 - |
| Los Diagramas, listados abajo, se refieren unicamente al Circuito electrico que involucra: Alternador [Generador] y/o; Arrancador [Motor de arranque, Marcha, Starter] - INDICE: MAZDA - 1995 - |
| Year | Modelo | Alternador | Arrancador |
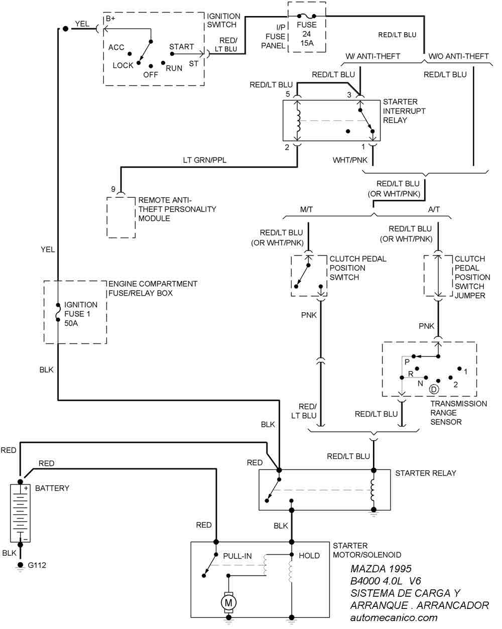
| 1995 | B4000 4.0L V6 CIL. | SIST. DE CARGA | SIST. DE ARRANQUE |
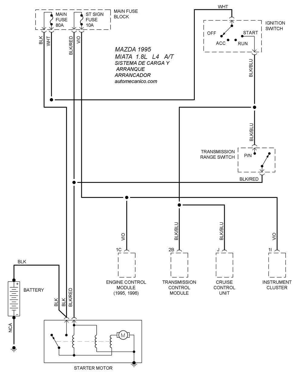
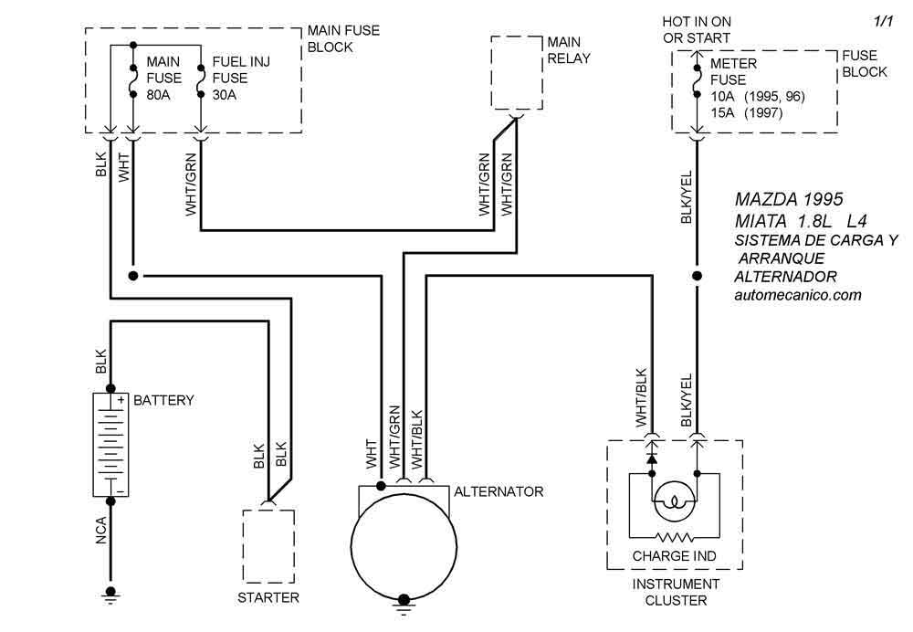
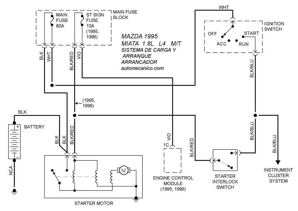
| 1995 | MIATA 1.8L 4 CIL T/A | SIST. DE CARGA | SIST. DE ARRANQUE |
| 1995 | MIATA 1.8L 4 CIL T/M | T/M | SIST. DE ARRANQUE |
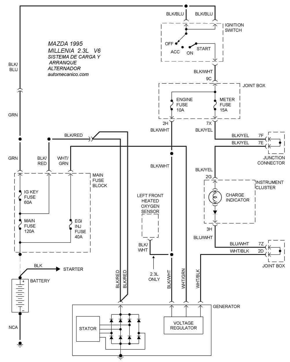
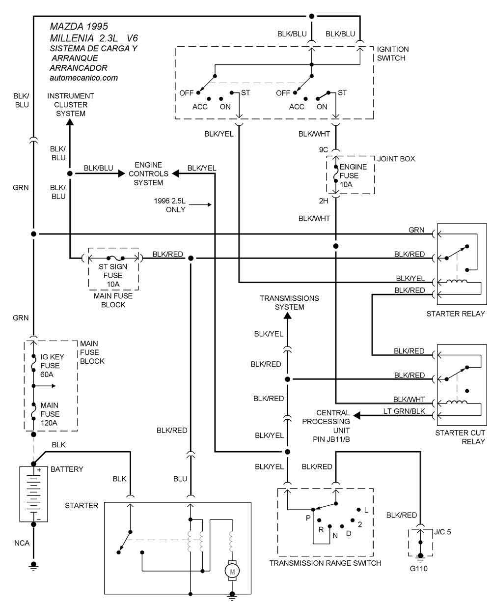
| 1995 | MILLENIA 2.3L V6 CIL. | SIST. DE CARGA | SIST. DE ARRANQUE |
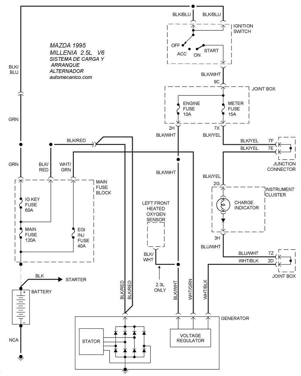
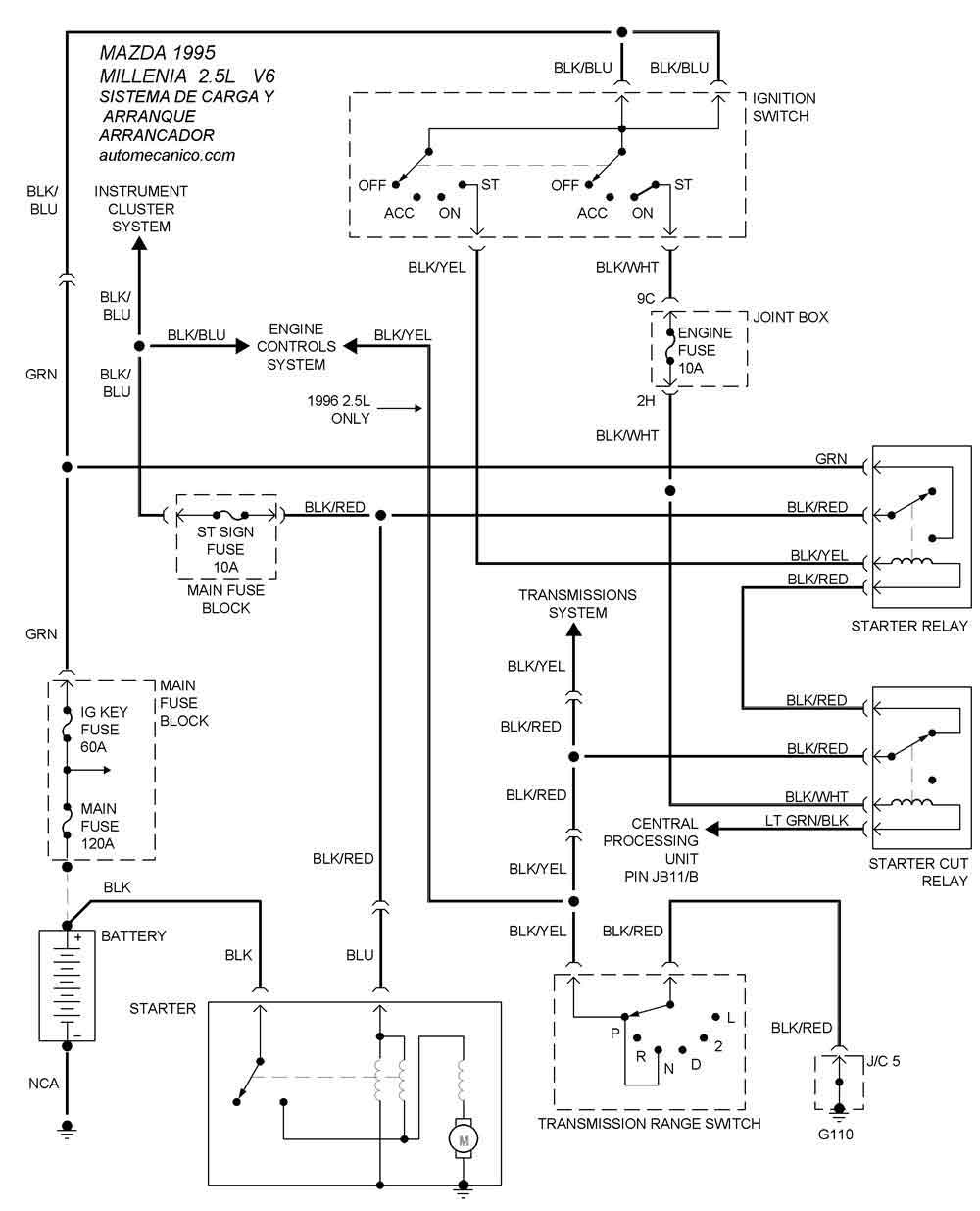
| 1995 | MILLENIA 2.5L V6 CIL. | SIST. DE CARGA | SIST. DE ARRANQUE |
| 1995 | MPV 3.0L V6 CIL. | SIST. DE CARGA | SIST. DE ARRANQUE |
| Volver al listado principal |
