| DIAGRAMAS - SISTEMA DE CARGA Y ARRANQUE - 1995 - Mecanica Automotriz - INDICE |
Diagramas TOYOTA : Carga y Arranque | Charging and Starting System: - Esquemas - Graphics 1995 - |
| Los Diagramas, listados abajo, se refieren unicamente al Circuito electrico que involucra: Alternador [Generador] y/o; Arrancador [Motor de arranque, Marcha, Starter] - INDICE: TOYOTA - 1995 - |
| Year | Modelo | Alternador | Arrancador |
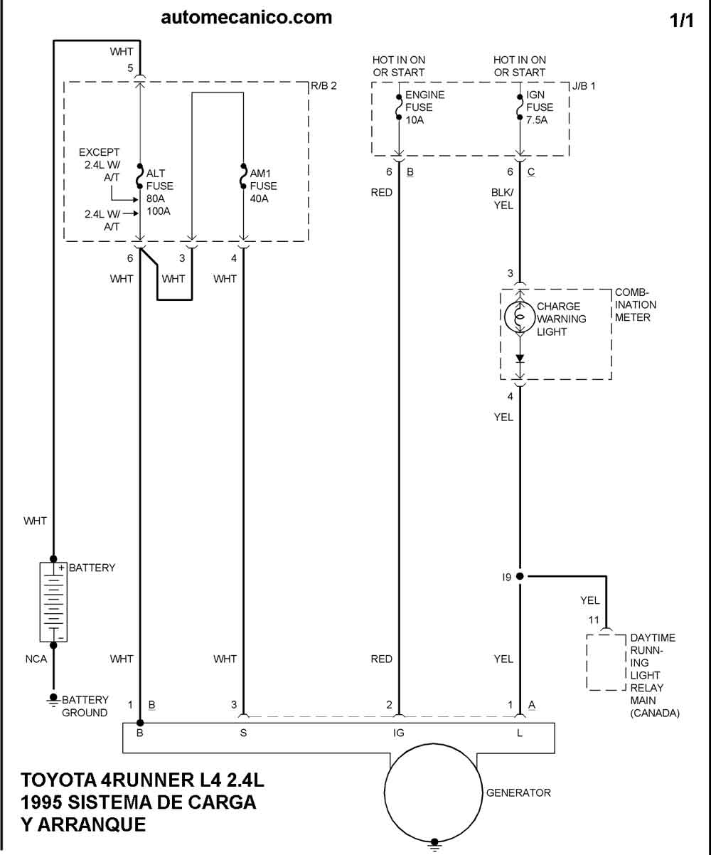
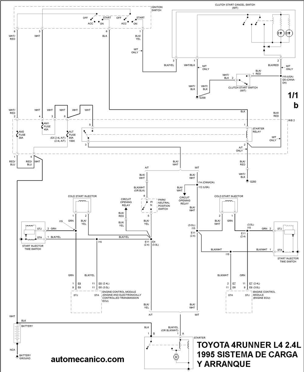
| 1995 | 4 RUNNER 2.4L 4 CIL. | SIST. DE CARGA | SIST. DE ARRANQUE |
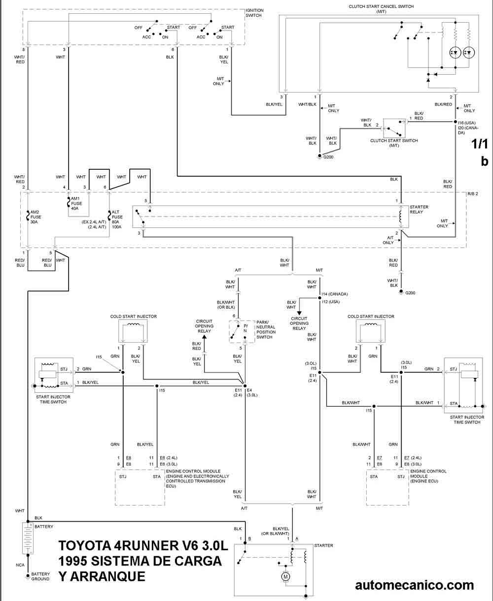
| 1995 | 4 RUNNER 3.0L V6 CIL. | SIST. DE CARGA | SIST. DE ARRANQUE |
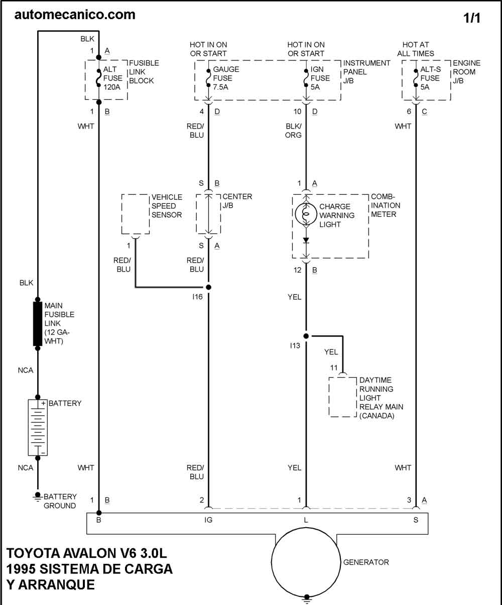
| 1995 | AVALON 3.0L 6 CIL. | SIST. DE CARGA | SIST. DE ARRANQUE |
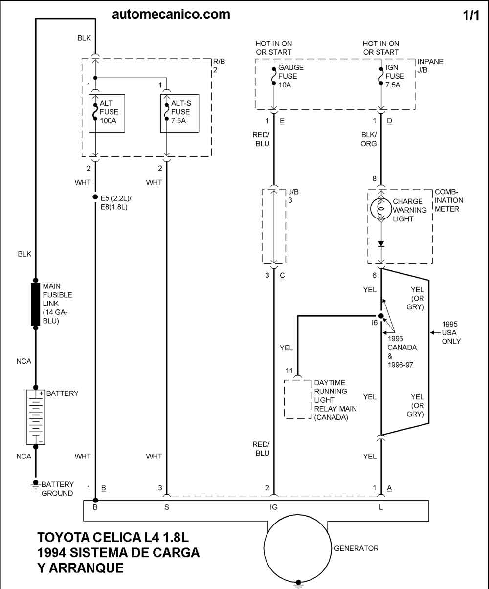
| 1995 | CELICA 1.8L 4 CIL. | SIST. DE CARGA | SIST. DE ARRANQUE |
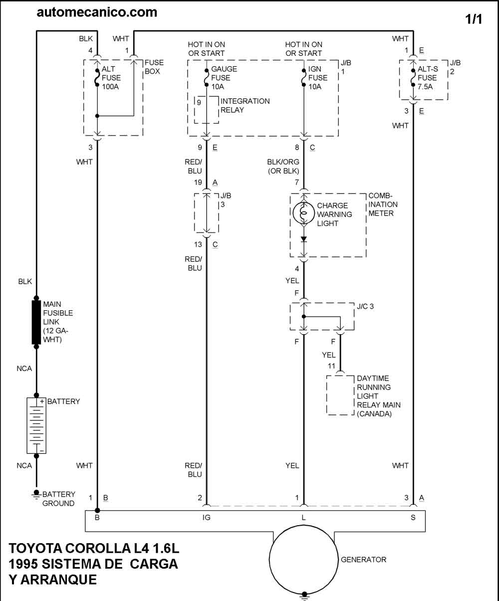
| 1995 | COROLLA 1.6L 4 CIL. | SIST. DE CARGA | SIST. DE ARRANQUE |
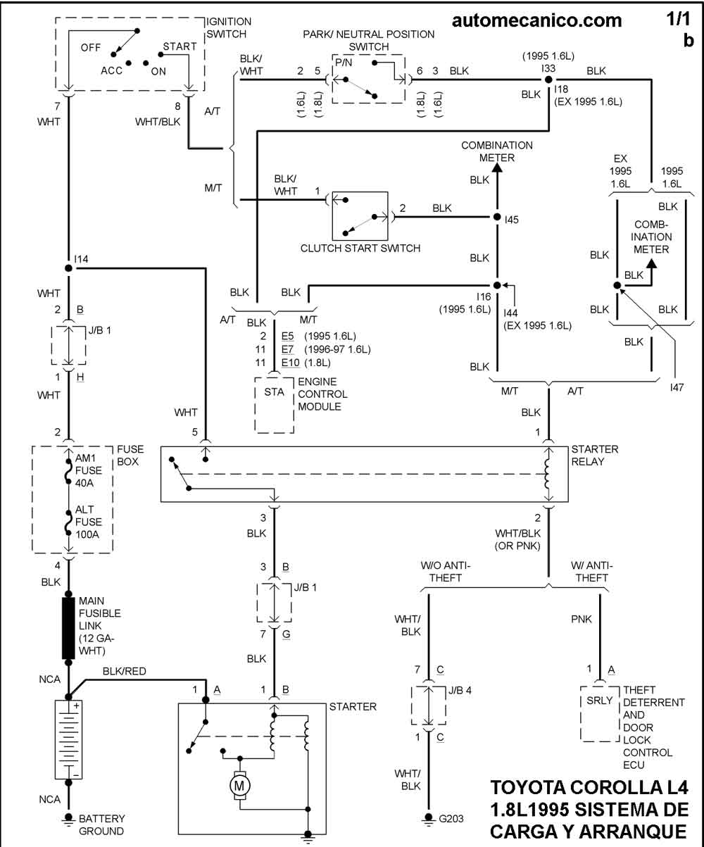
| 1995 | COROLLA 1.8L 4 CIL. | SIST. DE CARGA | SIST. DE ARRANQUE |
| Volver al listado principal |
