| DIAGRAMAS - SISTEMA DE CARGA Y ARRANQUE - 2005 - Mecanica Automotriz - INDICE |
Diagramas AUDI : Carga y Arranque | Charging and Starting System: - Esquemas - Graphics 2005 - |
| Los Diagramas, listados abajo, se refieren unicamente al Circuito electrico que involucra: Alternador [Generador] y/o; Arrancador [Motor de arranque, Marcha, Starter] - INDICE: AUDI - 2005- |
| AŃO | Modelo | Alternador | Arrancador |
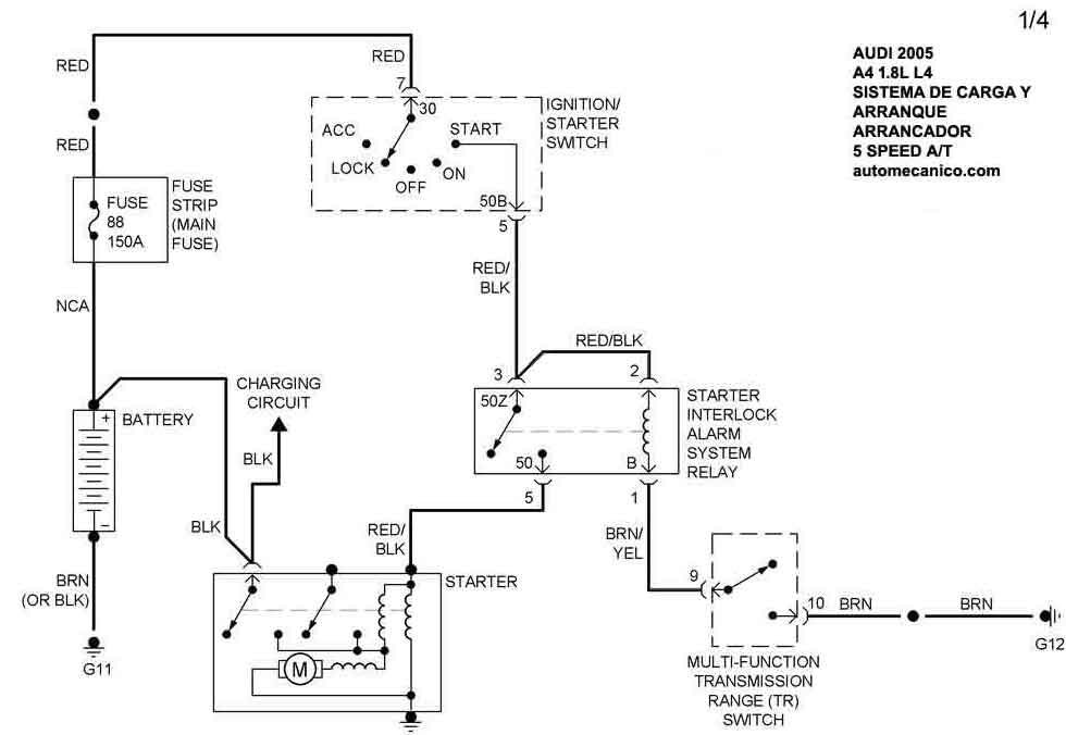
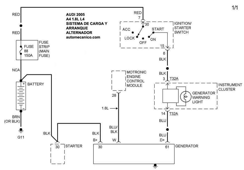
| 2005 | A4 - 1.8L 4 Cil. | SIST. DE CARGA | SIST. DE ARRANQUE T/A 5 VEL |
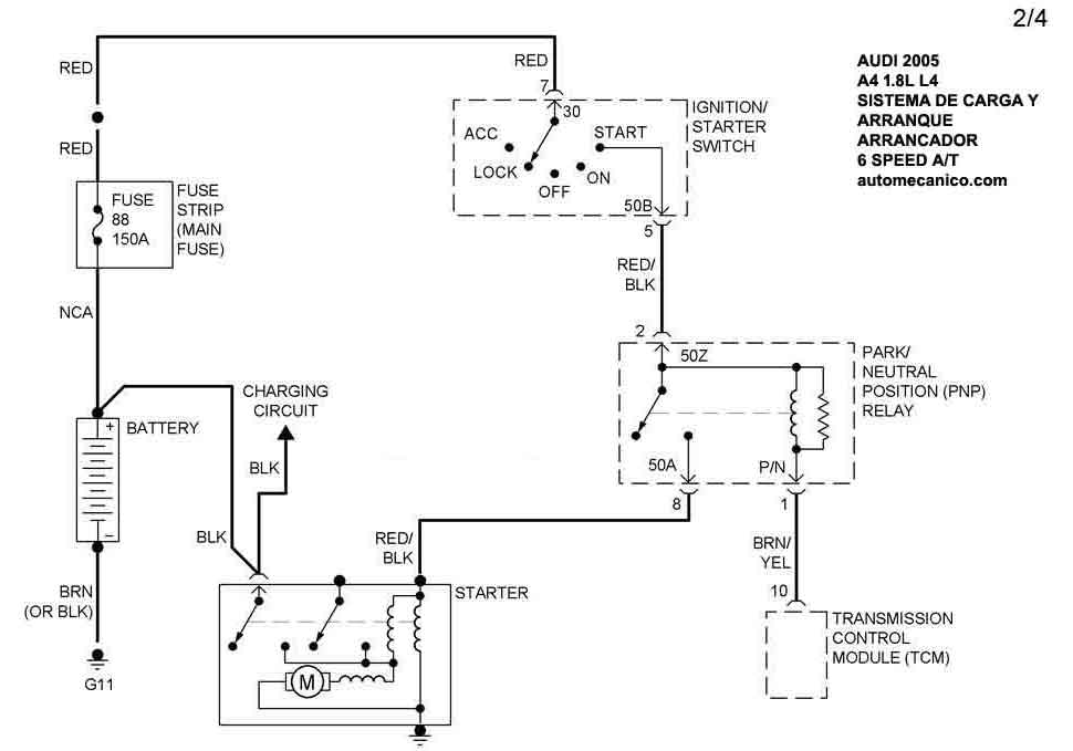
| 2005 | A4 - 1.8L 4 Cil. | T/A 6 VEL | SIST. DE ARRANQUE |
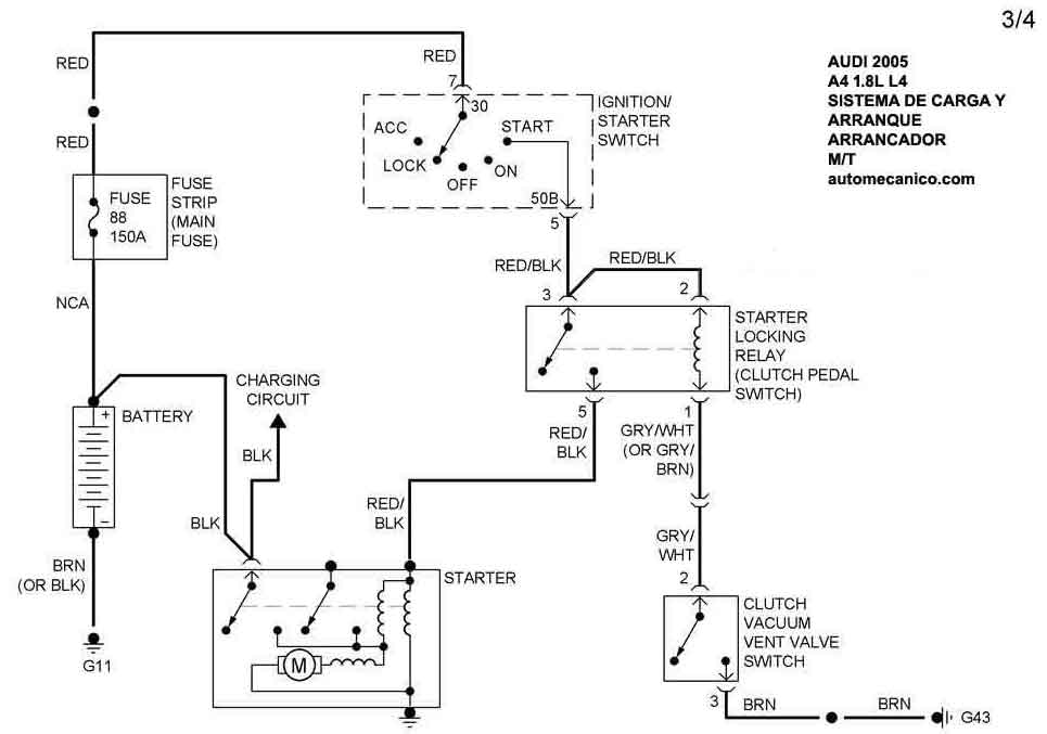
| 2005 | A4 - 1.8L 4 Cil. | T/MANUAL | SIST. DE ARRANQUE |
| 2005 | A4 - 1.8L 4 Cil. | CON CVT | SIST. DE ARRANQUE |
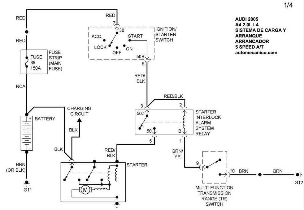
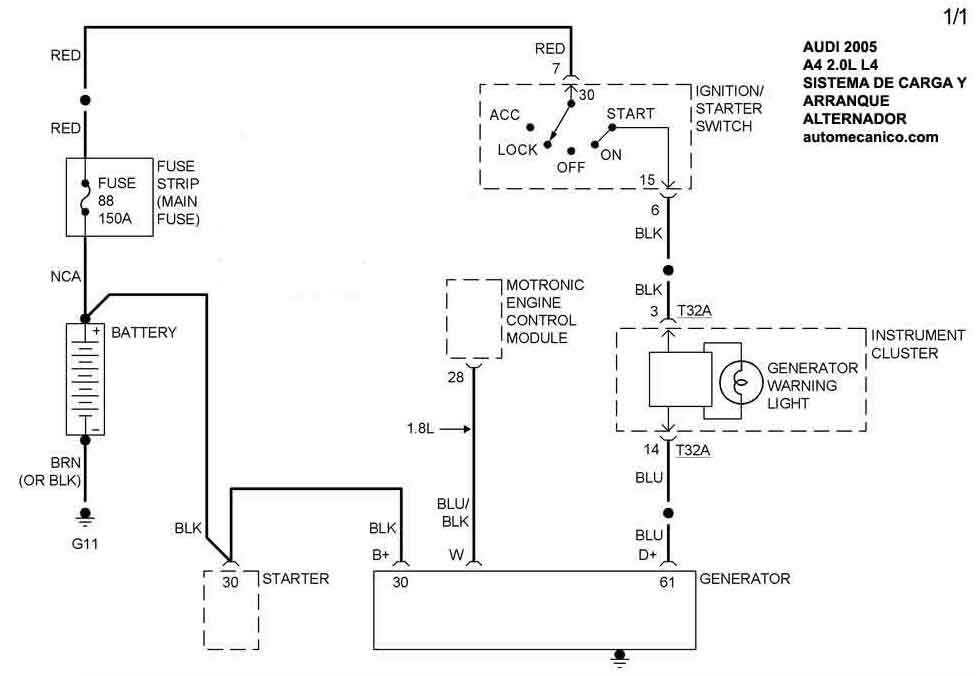
| 2005 | A4 - 2.0L 4 Cil. | SIST. DE CARGA | SIST. DE ARRANQUE T/A 5 VEL |
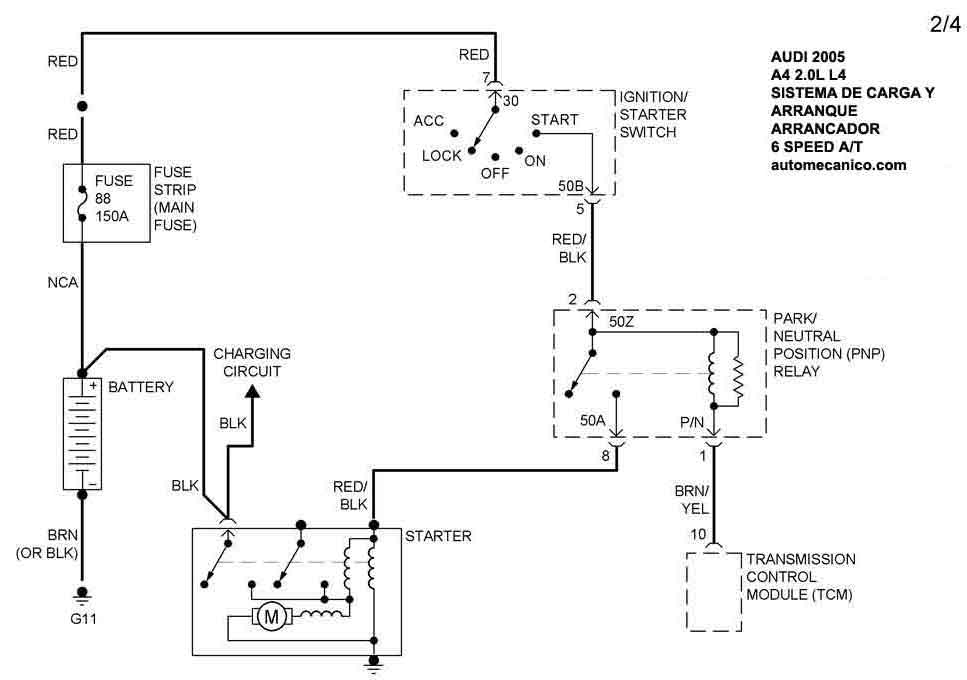
| 2005 | A4 - 2.0L 4 Cil. | T/A 6 VEL | SIST. DE ARRANQUE |
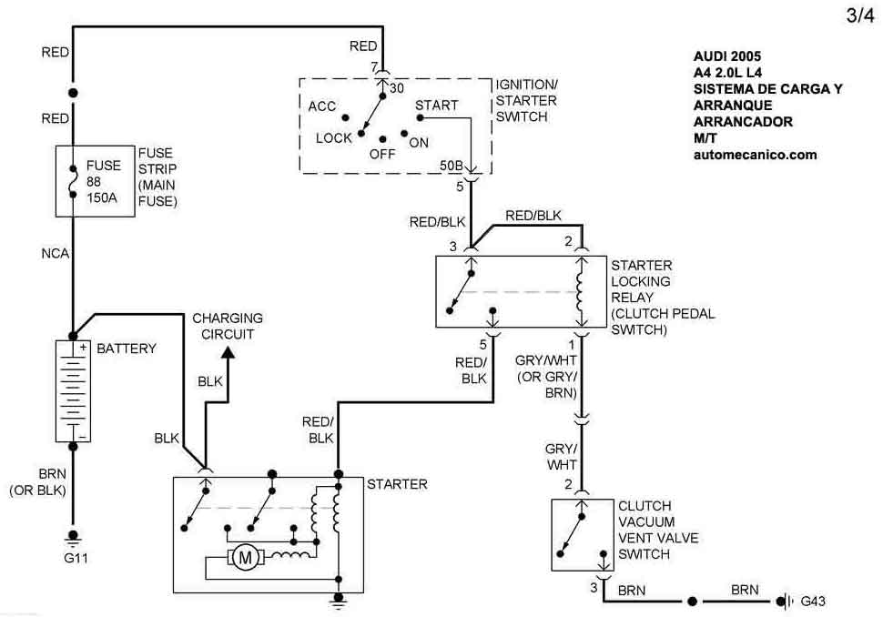
| 2005 | A4 - 2.0L 4 Cil. | T/MANUAL | SIST. DE ARRANQUE |
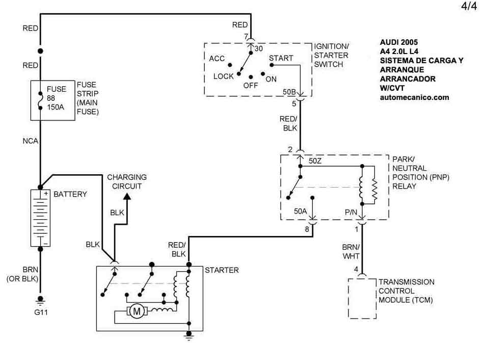
| 2005 | A4 - 2.0L 4 Cil. | CON CVT | SIST. DE ARRANQUE |
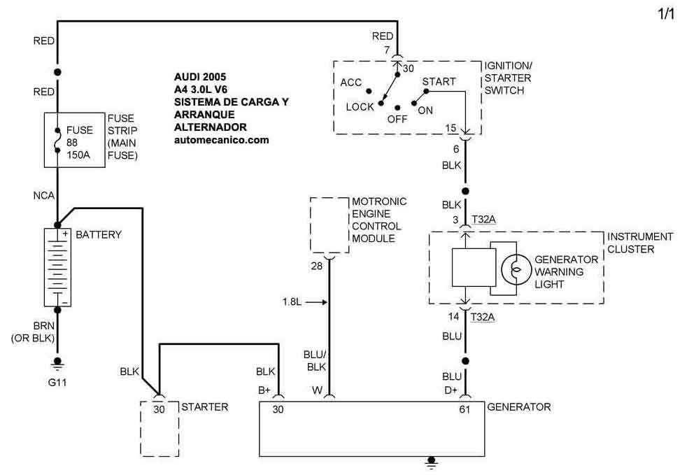
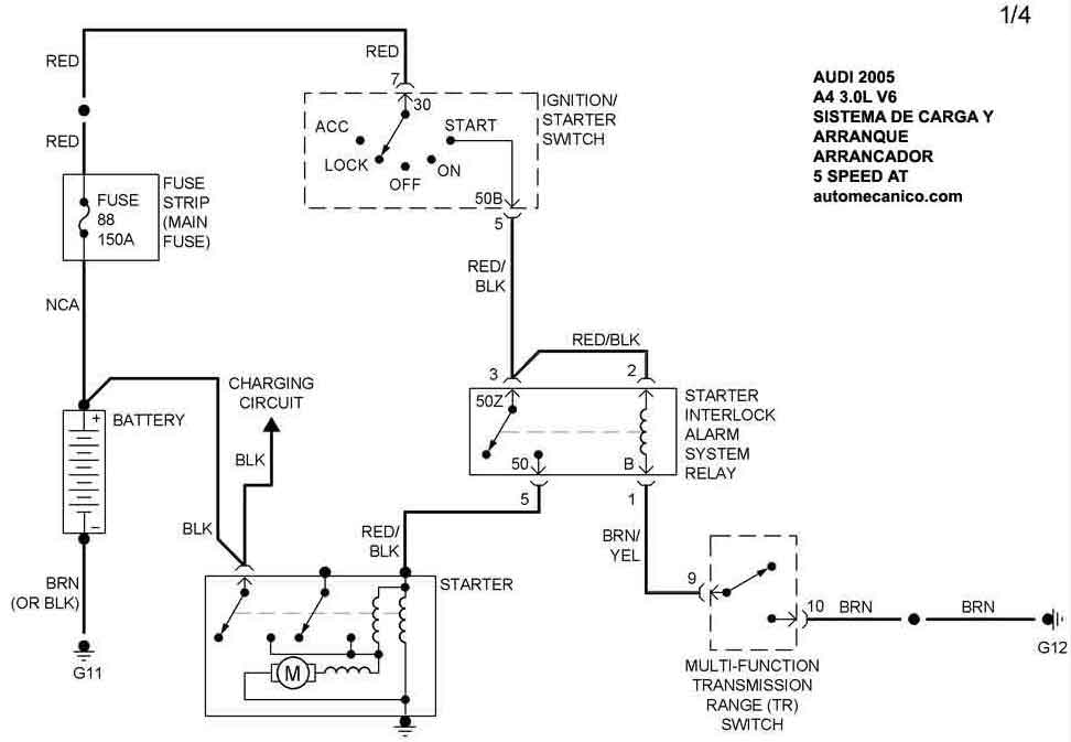
| 2005 | A4 - 3.0L V6 Cil. | SIST. DE CARGA | SIST. DE ARRANQUE T/A 5 VEL |
| 2005 | A4 - 3.0L V6 Cil. | T/A 6 VEL | SIST. DE ARRANQUE |
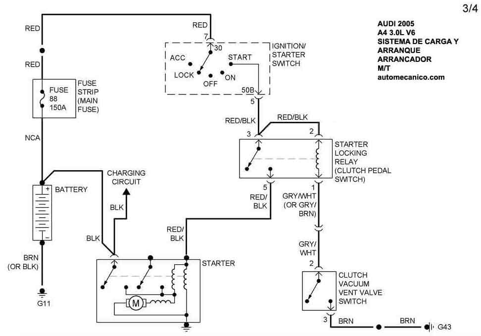
| 2005 | A4 - 3.0L V6 Cil. | T/MANUAL | SIST. DE ARRANQUE |
| 2005 | A4 - 3.0L V6 Cil. | CON CVT | SIST. DE ARRANQUE |
| Volver al listado principal |
