| DIAGRAMAS - SISTEMA DE CARGA Y ARRANQUE - 2005 - Mecanica Automotriz - INDICE |
Diagramas BMW : Carga y Arranque | Charging and Starting System: - Esquemas - Graphics 2005 - |
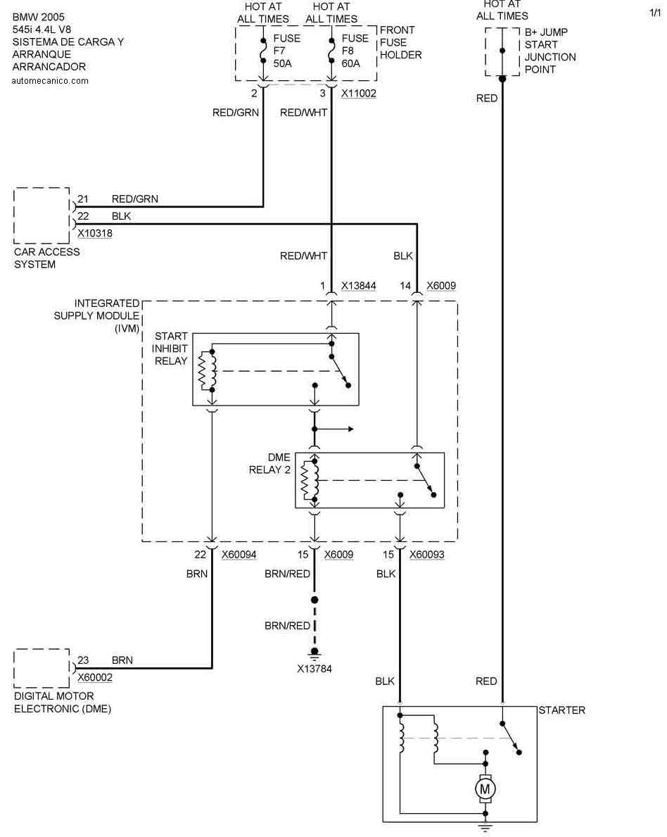
| Los Diagramas, listados abajo, se refieren unicamente al Circuito electrico que involucra: Alternador [Generador] y/o; Arrancador [Motor de arranque, Marcha, Starter] - INDICE: BMW - 2005 - |
| AŃO | Modelo | Alternador | Arrancador |
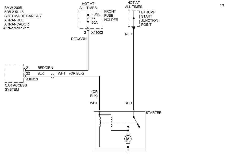
| 2005 | 525i - 2.5L L6 Cil. | SIST. DE CARGA | SIST. DE ARRANQUE |
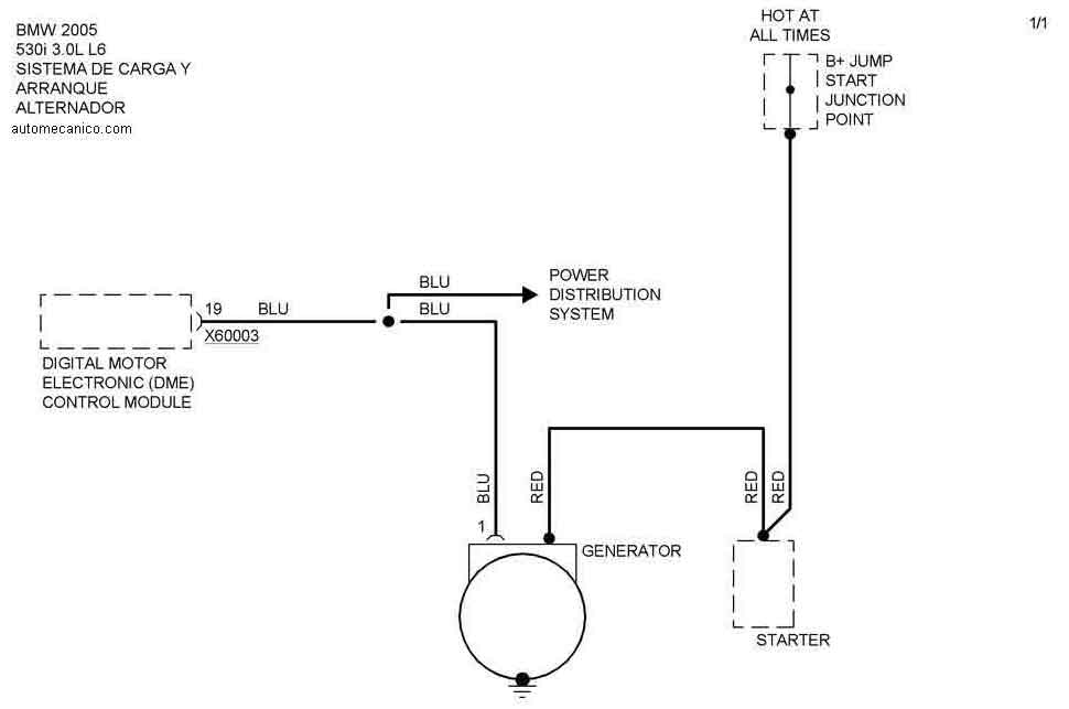
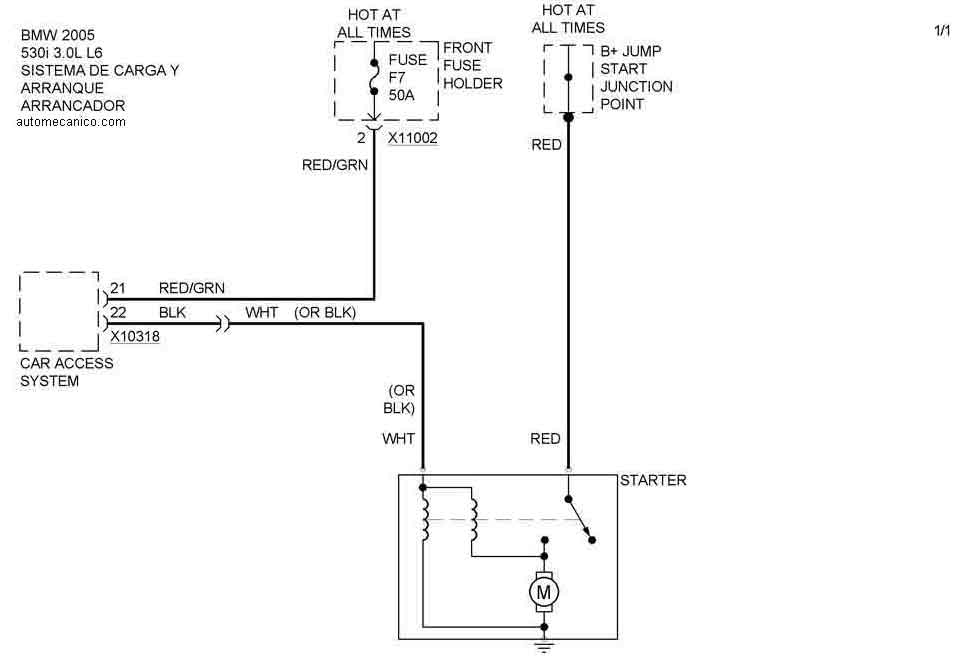
| 2005 | 530i - 3.0L L6 Cil. | SIST. DE CARGA | SIST. DE ARRANQUE |
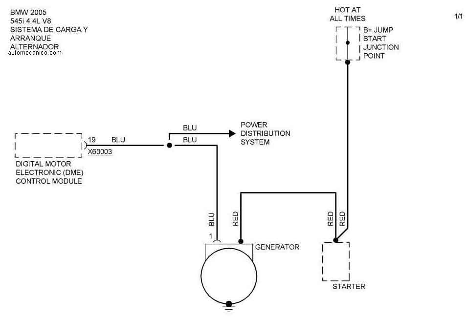
| 2005 | 545i - 4.4L V8 | SIST. DE CARGA | SIST. DE ARRANQUE |
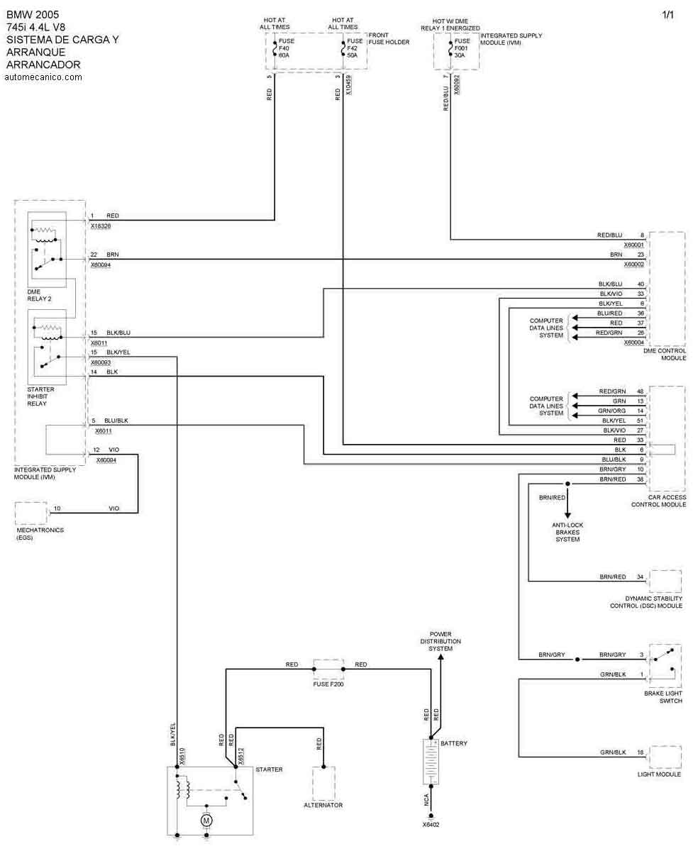
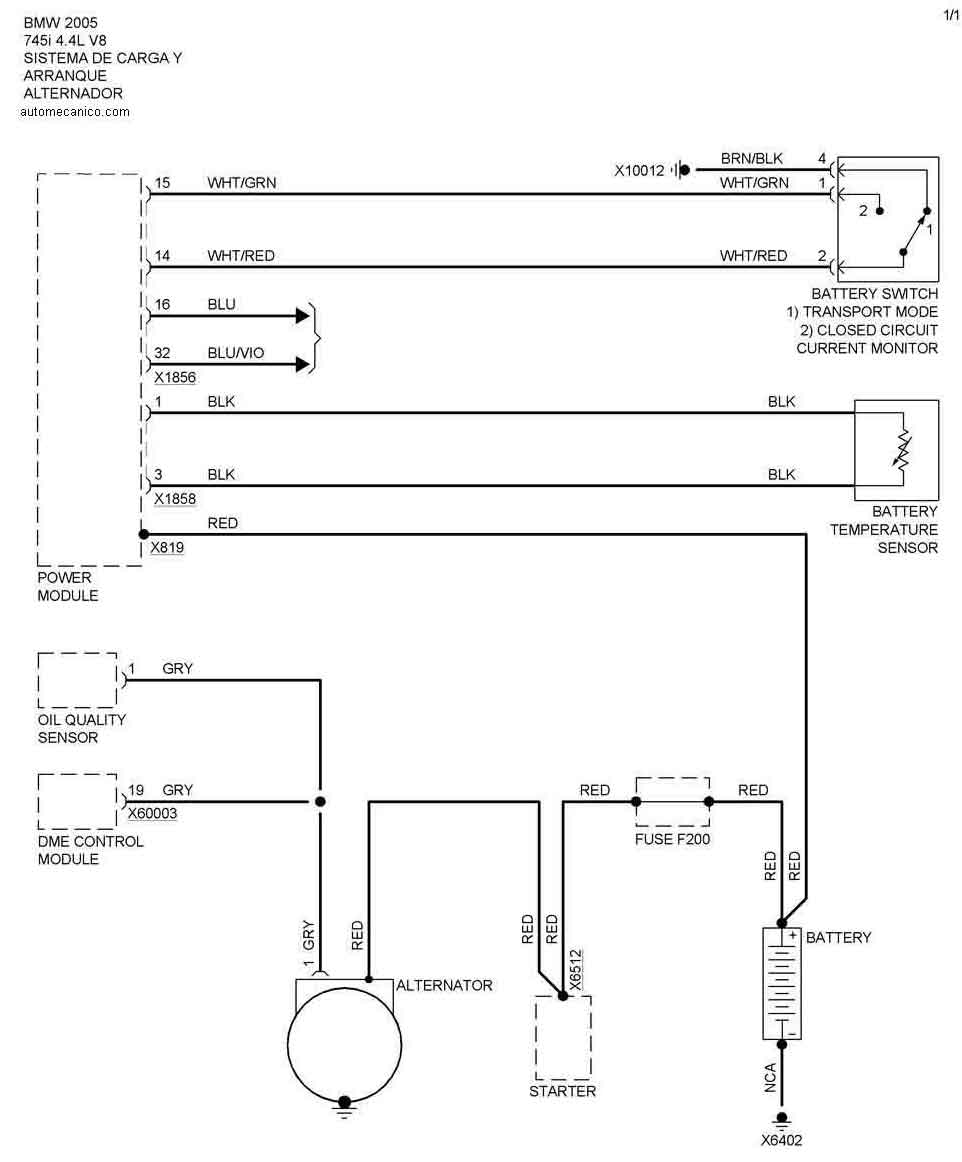
| 2005 | 745i - 4.4L V8 | SIST. DE CARGA | SIST. DE ARRANQUE |
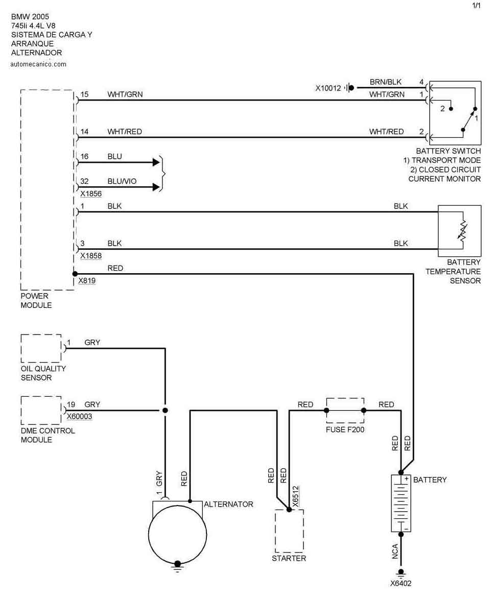
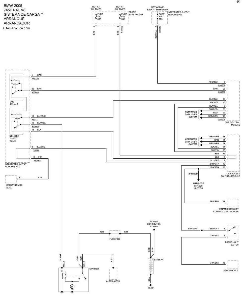
| 2005 | 745li - 4.4L V8 | SIST. DE CARGA | SIST. DE ARRANQUE |
| Volver al listado principal |
