| DIAGRAMAS - SISTEMA DE CARGA Y ARRANQUE - 2005 - Mecanica Automotriz - INDICE |
Diagramas BUICK : Carga y Arranque | Charging and Starting System: - Esquemas - Graphics 2005 - |
| Los Diagramas, listados abajo, se refieren unicamente al Circuito electrico que involucra: Alternador [Generador] y/o; Arrancador [Motor de arranque, Marcha, Starter] - INDICE: BUICK - 2005 - |
| AŃO | Modelo | Alternador | Arrancador |
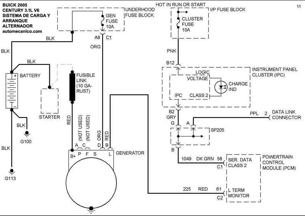
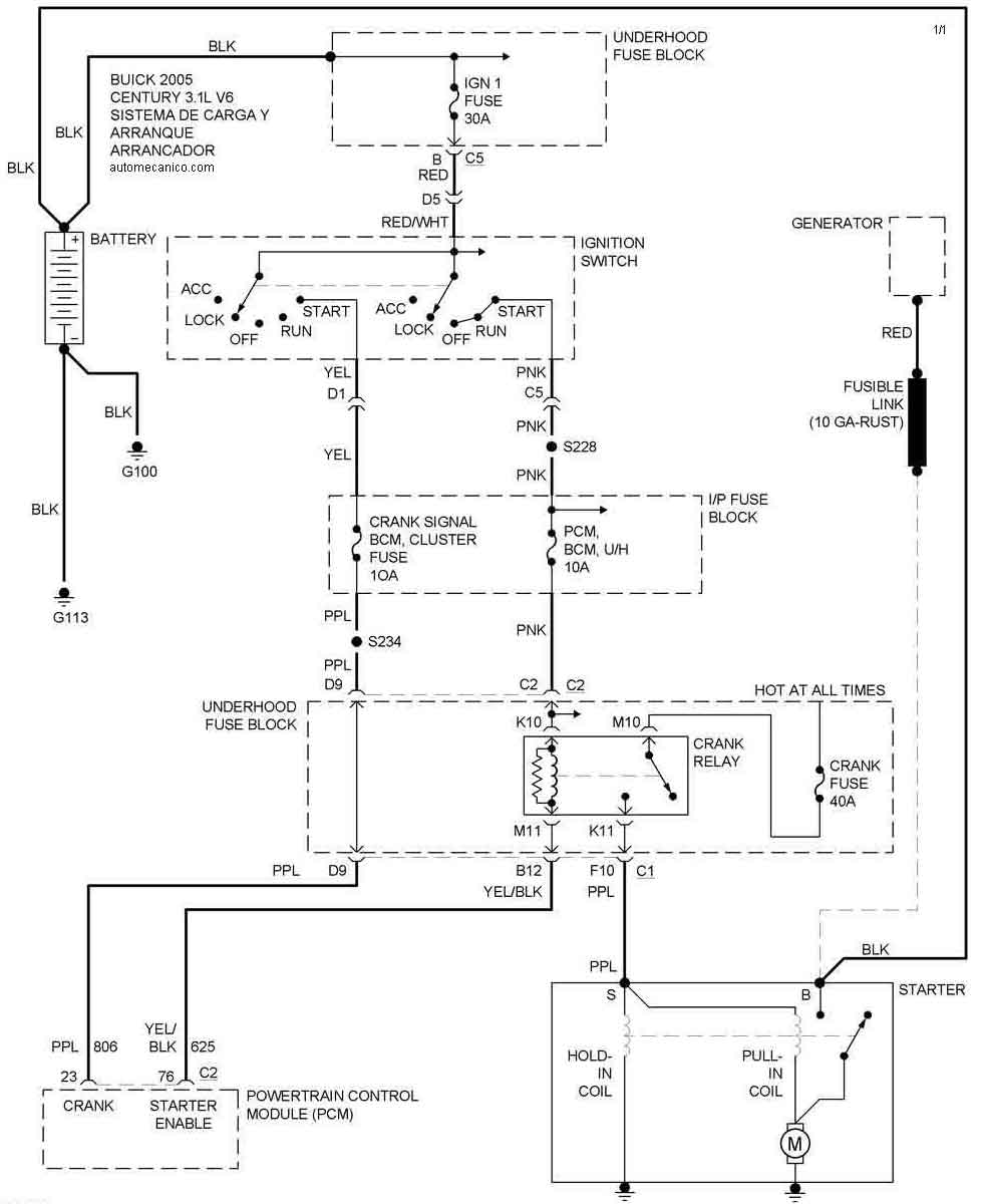
| 2005 | CENTURY 3.0L V6 Cil. | SIST. DE CARGA | SIST. DE ARRANQUE |
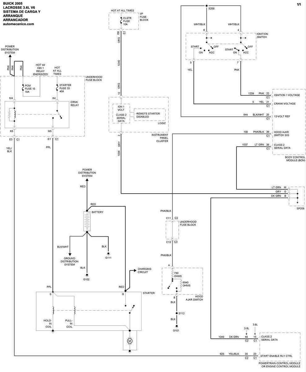
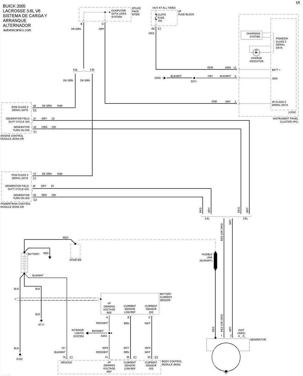
| 2005 | LACROSSE 3.6L V6 Cil. | SIST. DE CARGA | SIST. DE ARRANQUE |
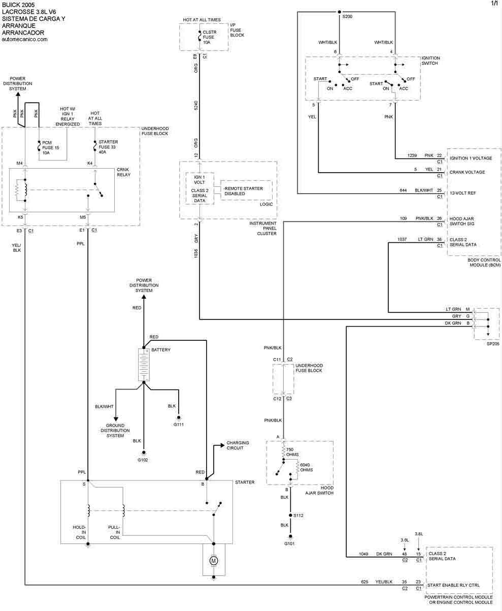
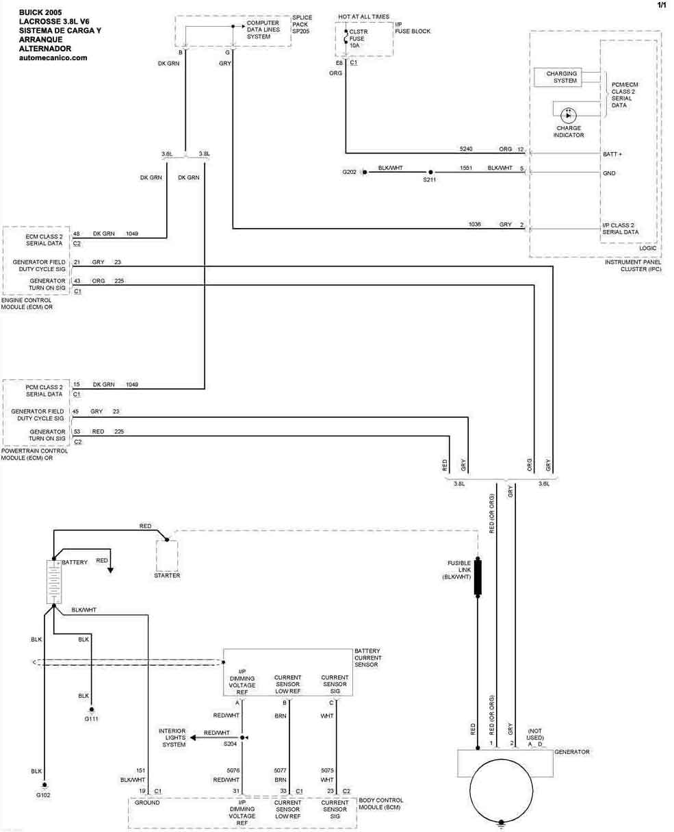
| 2005 | LACROSSE 3.8L V6 Cil. | SIST. DE CARGA | SIST. DE ARRANQUE |
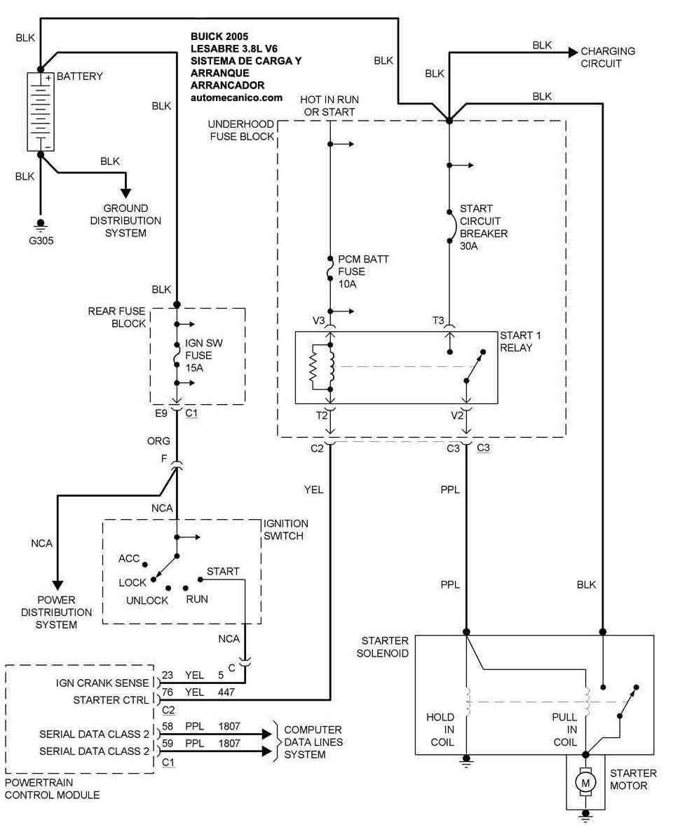
| 2005 | LESABRE 3.8L 6 Cil. | SIST. DE CARGA | SIST. DE ARRANQUE |
| Volver al listado principal |
