| DIAGRAMAS - SISTEMA DE CARGA Y ARRANQUE - 2005 - Mecanica Automotriz - INDICE |
Diagramas CHEVROLET : Carga y Arranque | Charging and Starting System: - Esquemas - Graphics 2005 - |
| Los Diagramas, listados abajo, se refieren unicamente al Circuito electrico que involucra: Alternador [Generador] y/o; Arrancador [Motor de arranque, Marcha, Starter] - INDICE: CHEVROLET - 2005 - |
| AŃO | Modelo | Alternador | Arrancador |
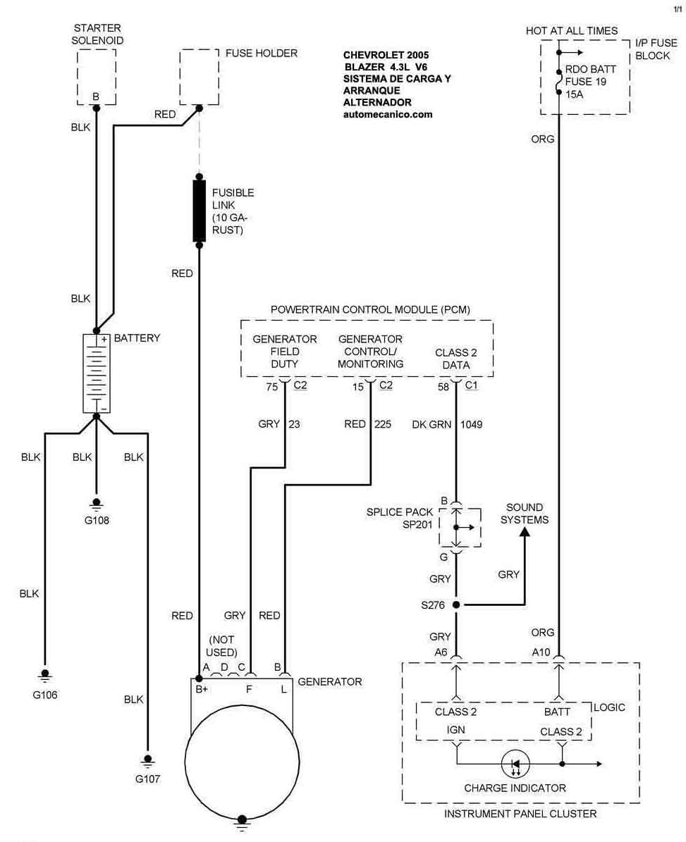
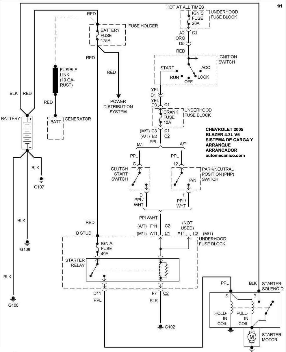
| 2005 | BLAZER - 4.3L V6 | SIST. DE CARGA | SIST. DE ARRANQUE |
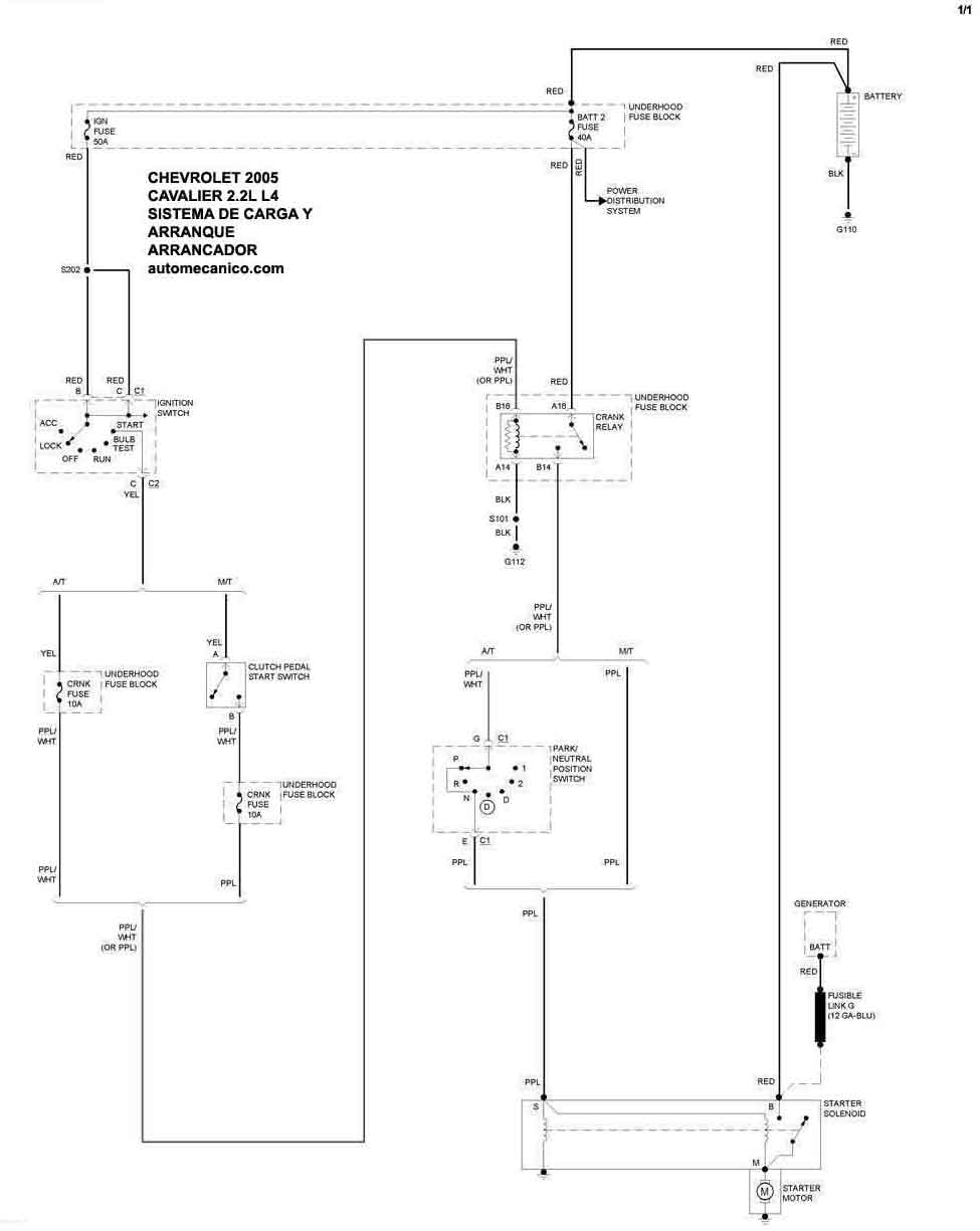
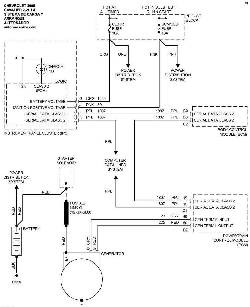
| 2005 | CAVALIER - 2.2L 4 Cil. | SIST. DE CARGA | SIST. DE ARRANQUE |
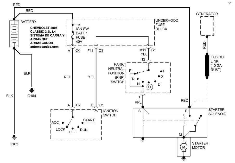
| 2005 | CLASSIC - 2.2L 4 Cil. | SIST. DE CARGA | SIST. DE ARRANQUE |
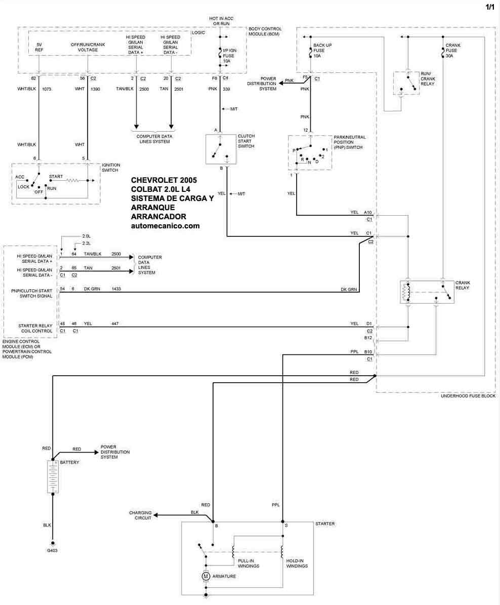
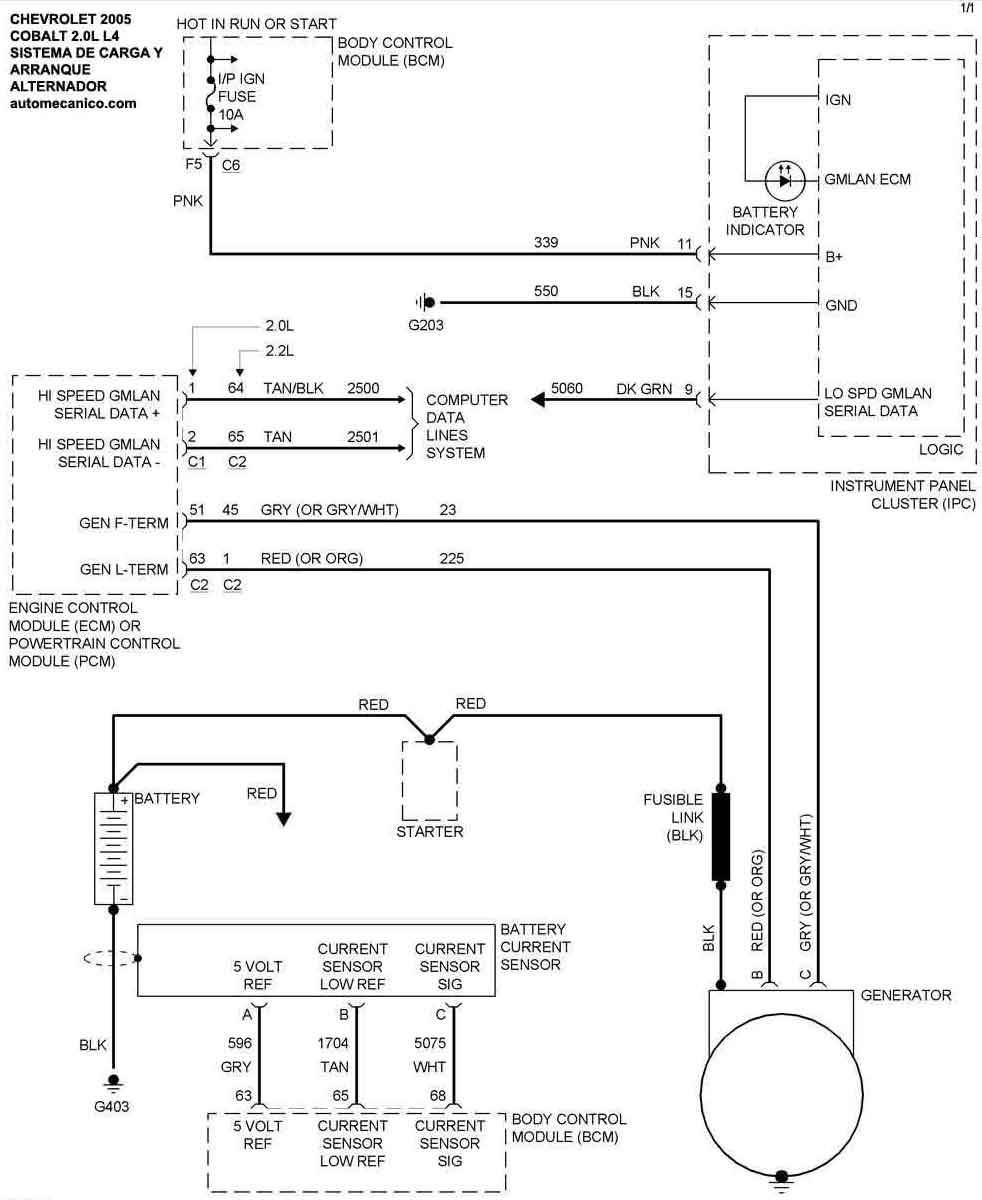
| 2005 | COBALT - 2.0L 4 Cil. | SIST. DE CARGA | SIST. DE ARRANQUE |
| 2005 | COBALT - 2.2L 4 Cil. | SIST. DE CARGA | SIST. DE ARRANQUE |
| Volver al listado principal |
