| DIAGRAMAS - SISTEMA DE CARGA Y ARRANQUE - 2005 - Mecanica Automotriz - INDICE |
Diagramas CHEVROLET : Carga y Arranque | Charging and Starting System: - Esquemas - Graphics 2005 - |
| Los Diagramas, listados abajo, se refieren unicamente al Circuito electrico que involucra: Alternador [Generador] y/o; Arrancador [Motor de arranque, Marcha, Starter] - INDICE: CHEVROLET - 2005 - |
| AŃO | Modelo | Alternador | Arrancador |
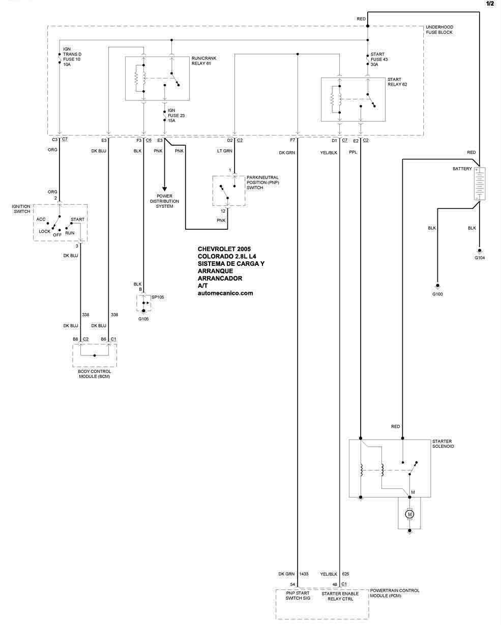
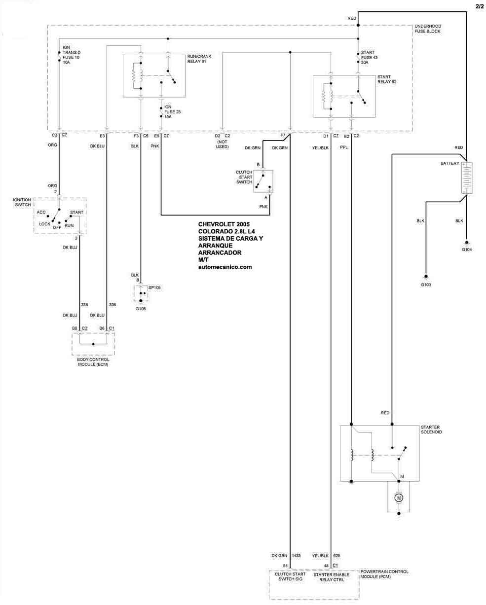
| 2005 | COLORADO - 2.8L 4 Cil. | SIST. DE CARGA | SIST. DE ARRANQUE T/A |
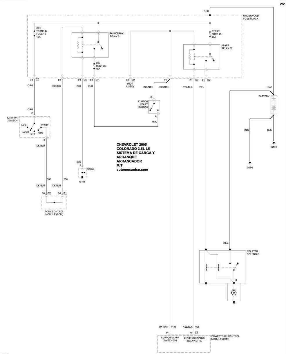
| 2005 | COLORADO - 2.8L 4 Cil. | 00-00 | SIST. DE ARRANQUE T/M |
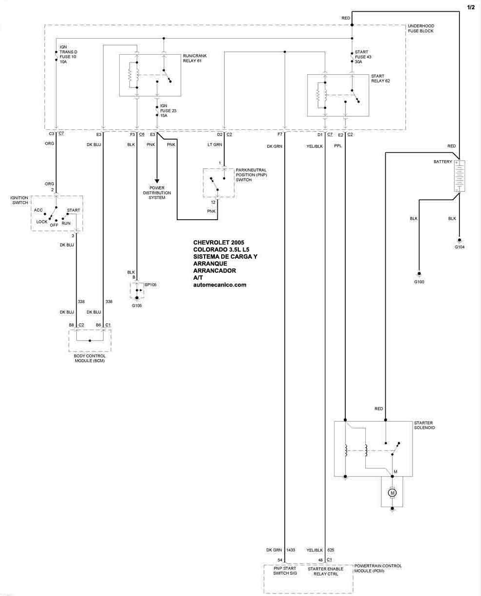
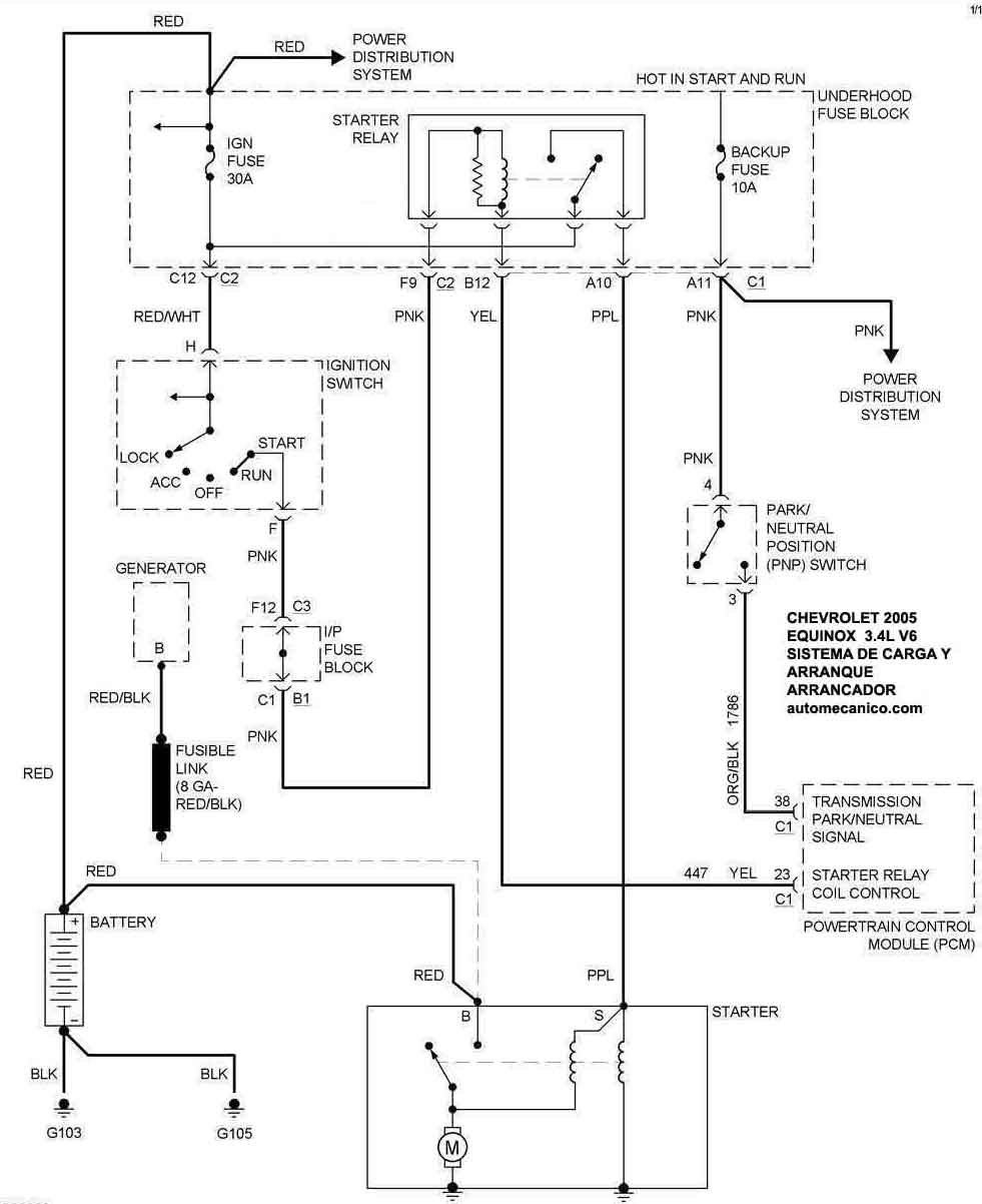
| 2005 | COLORADO - 3.5L L5 Cil. | SIST. DE CARGA | SIST. DE ARRANQUE T/A |
| 2005 | COLORADO - 3.5L L5 Cil. | 00-00 | SIST. DE ARRANQUE T/M |
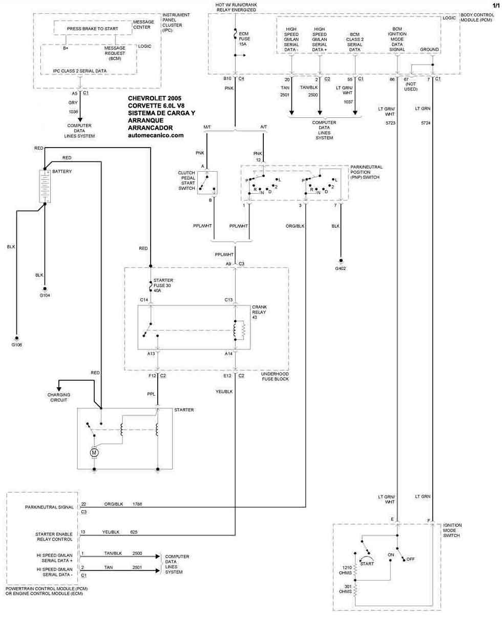
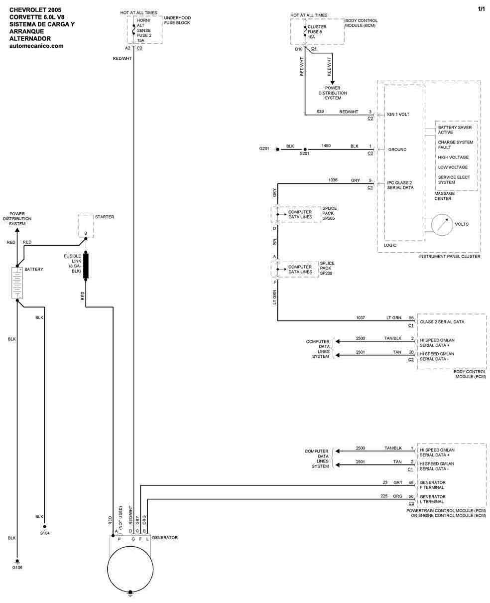
| 2005 | CORVETTE - 6.0L 8 Cil. | SIST. DE CARGA | SIST. DE ARRANQUE |
| 2005 | CORVETTE - 6.0L 8 Cil. | SIST. DE CARGA | SIST. DE ARRANQUE |
| Volver al listado principal |
