| DIAGRAMAS - SISTEMA DE CARGA Y ARRANQUE - 2005 - Mecanica Automotriz - INDICE |
Diagramas CHEVROLET : Carga y Arranque | Charging and Starting System: - Esquemas - Graphics 2005 - |
| Los Diagramas, listados abajo, se refieren unicamente al Circuito electrico que involucra: Alternador [Generador] y/o; Arrancador [Motor de arranque, Marcha, Starter] - INDICE: CHEVROLET - 2005 - |
| AŃO | Modelo | Alternador | Arrancador |
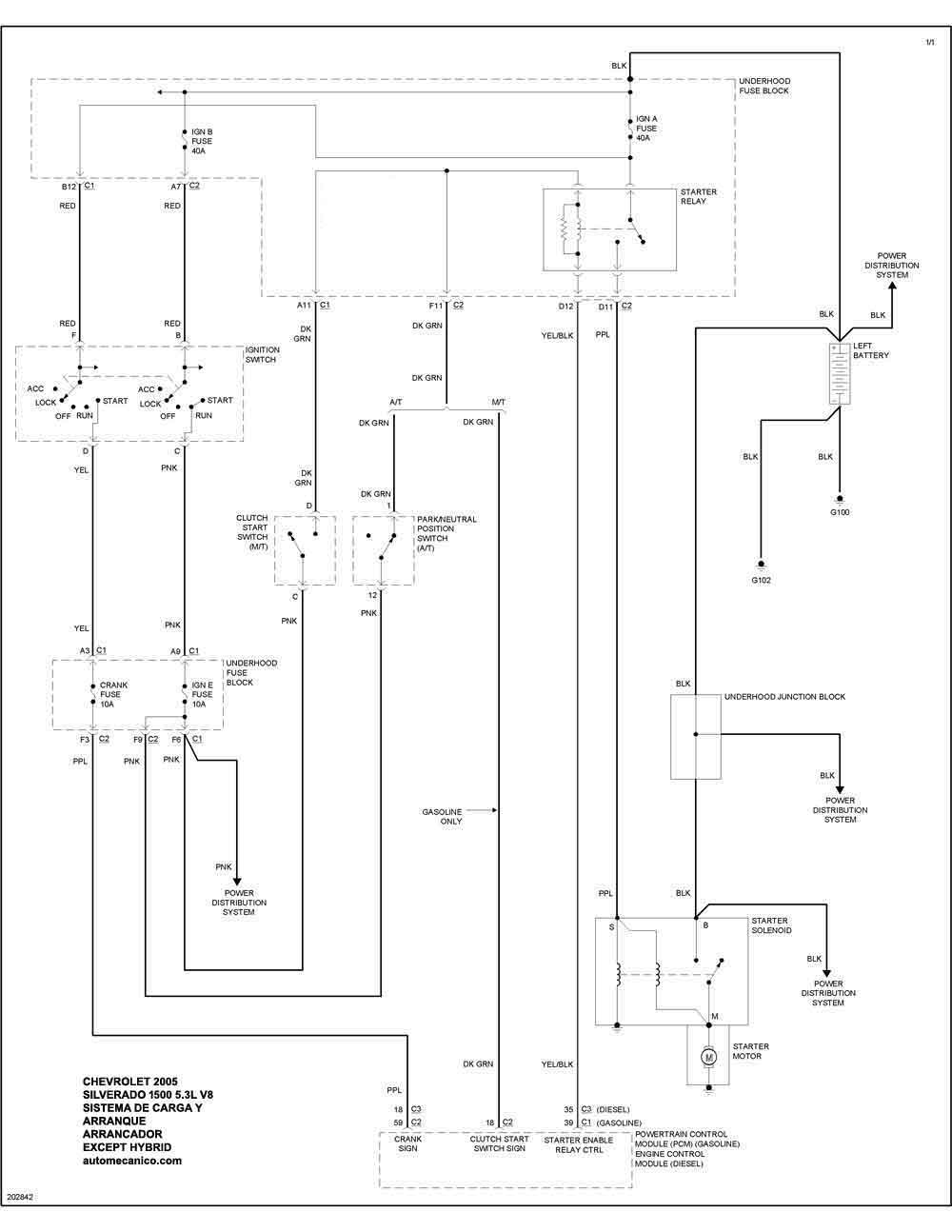
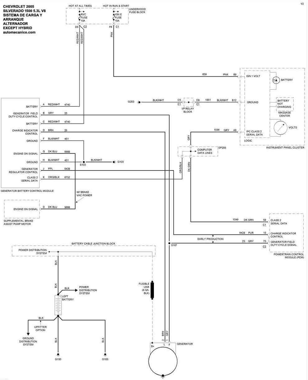
| 2005 | SILVERADO 1500 - 5.3L V8 Excep Hyb | SIST. DE CARGA | SIST. DE ARRANQUE |
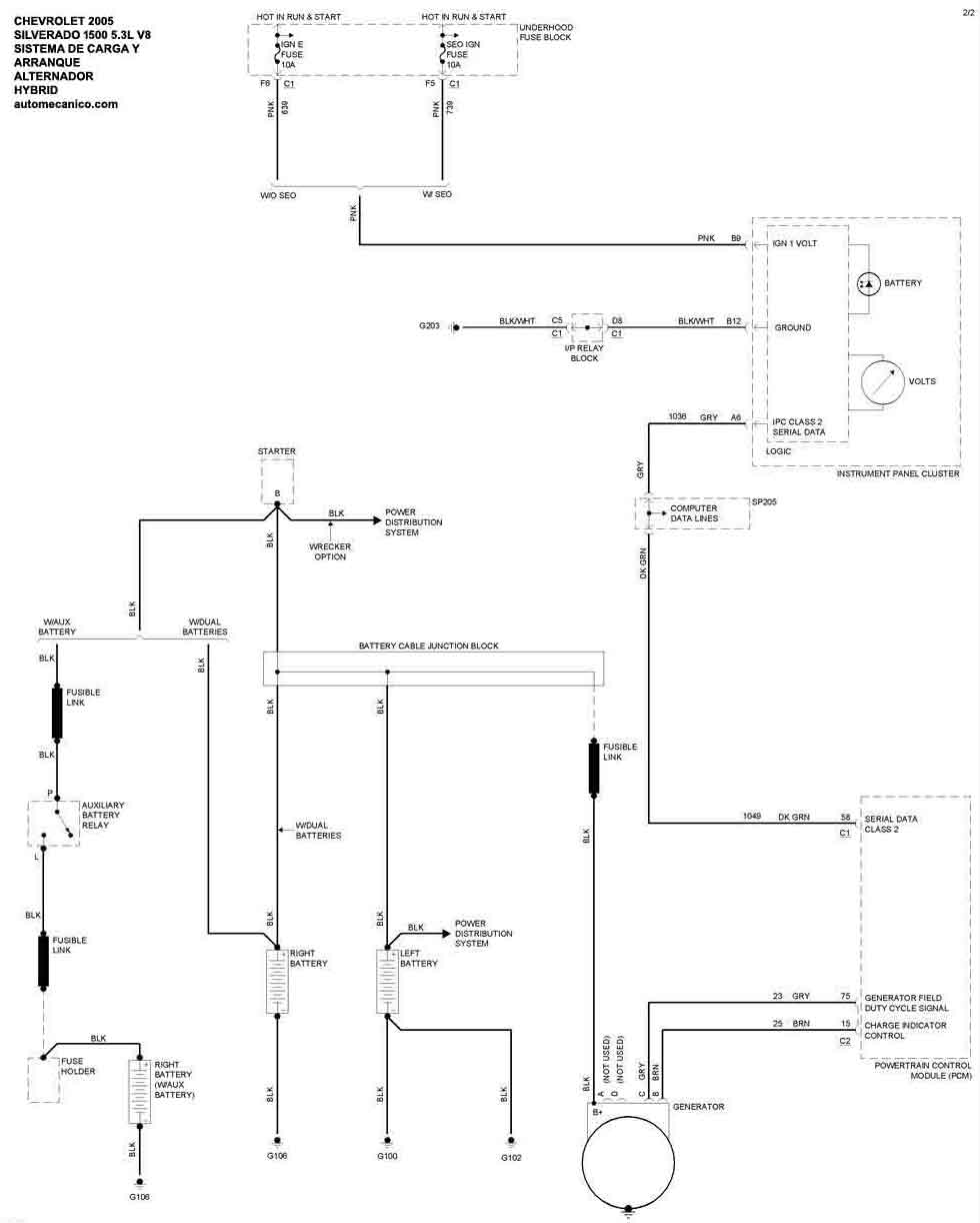
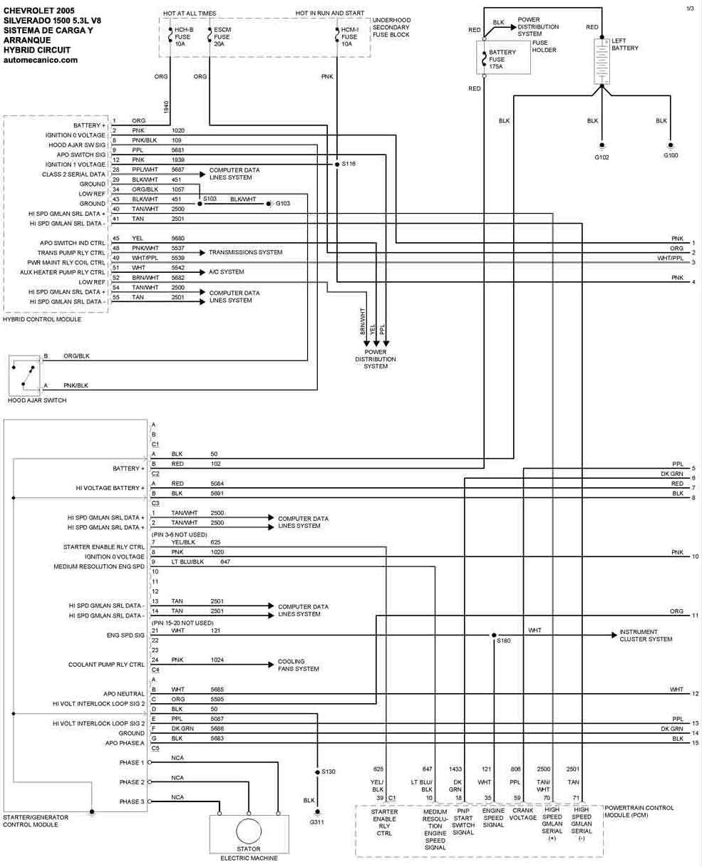
| 2005 | SILVERADO 1500 - 5.3L V8 Hyb 1/4 | SIST. DE CARGA | Hybrid Circuit |
| 2005 | SILVERADO 1500 - 5.3L V8 Hyb 2/4 | SIST. DE CARGA | Hybrid Circuit |
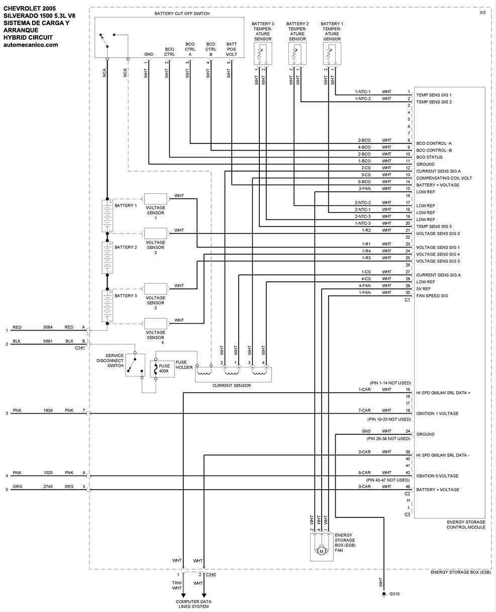
| 2005 | SILVERADO 1500 - 5.3L V8 Hyb 3/4 | SIST. DE CARGA | Hybrid Circuit |
| 2005 | SILVERADO 1500 - 5.3L V8 Hyb 4/4 | SIST. DE CARGA | Hybrid Circuit |
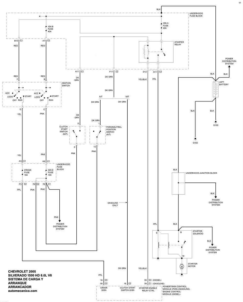
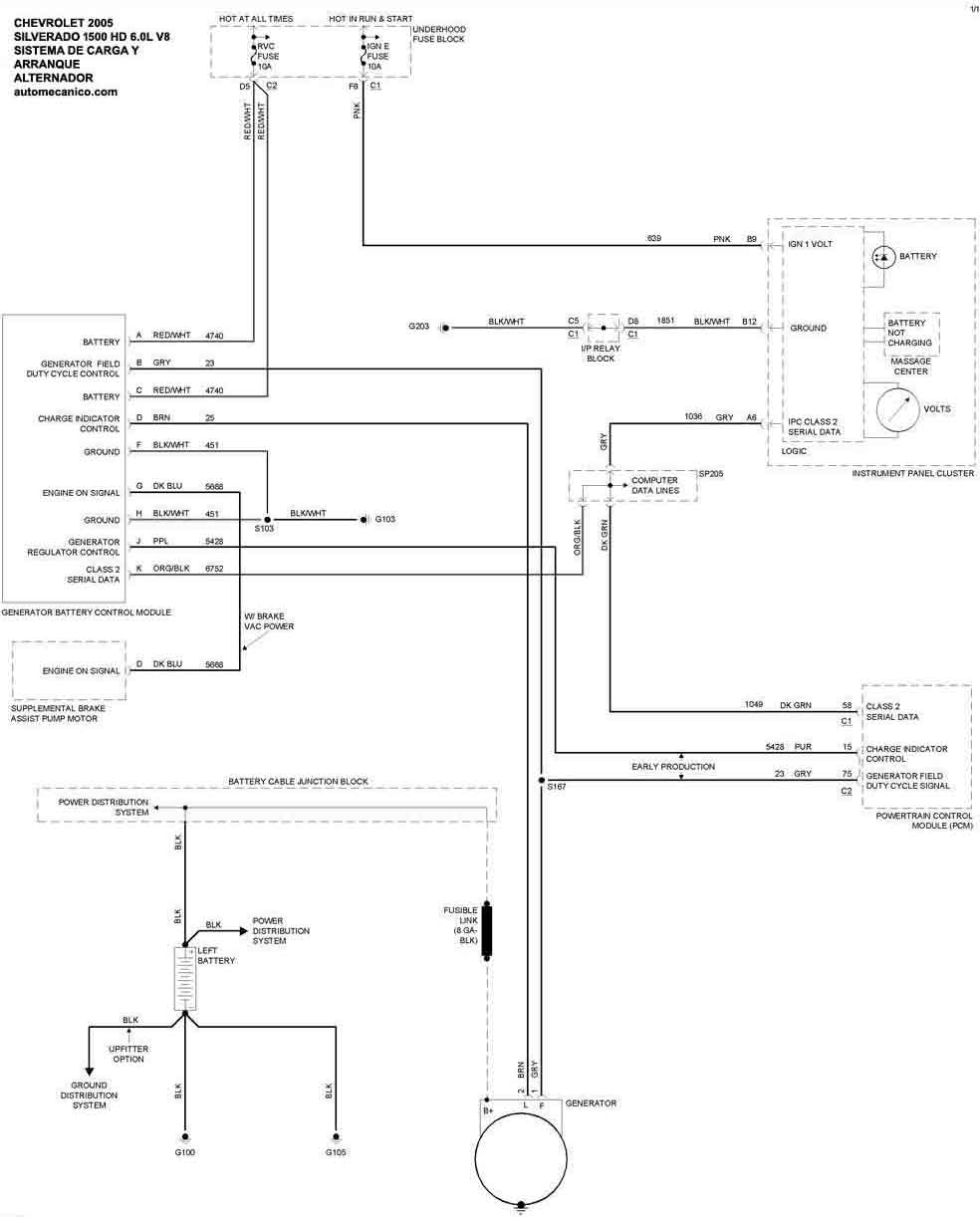
| 2005 | SILVERADO 1500 HD - 6.0L V8 | SIST. DE CARGA | SIST. DE ARRANQUE |
| Volver al listado principal |
