| DIAGRAMAS - SISTEMA DE CARGA Y ARRANQUE - 2005 - Mecanica Automotriz - INDICE |
Diagramas CHEVROLET : Carga y Arranque | Charging and Starting System: - Esquemas - Graphics 2005 - |
| Los Diagramas, listados abajo, se refieren unicamente al Circuito electrico que involucra: Alternador [Generador] y/o; Arrancador [Motor de arranque, Marcha, Starter] - INDICE: CHEVROLET - 2005 - |
| AŃO | Modelo | Alternador | Arrancador |
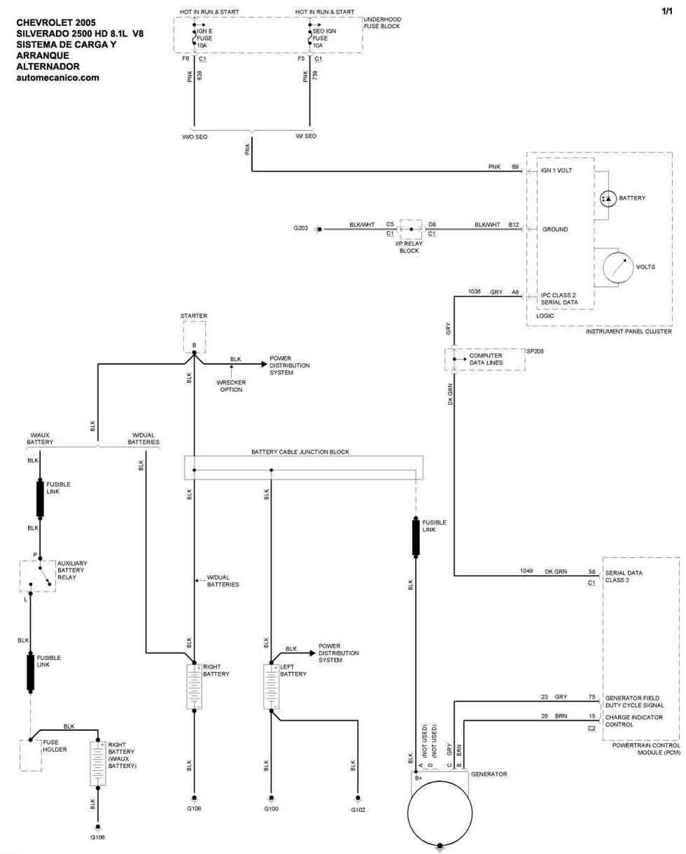
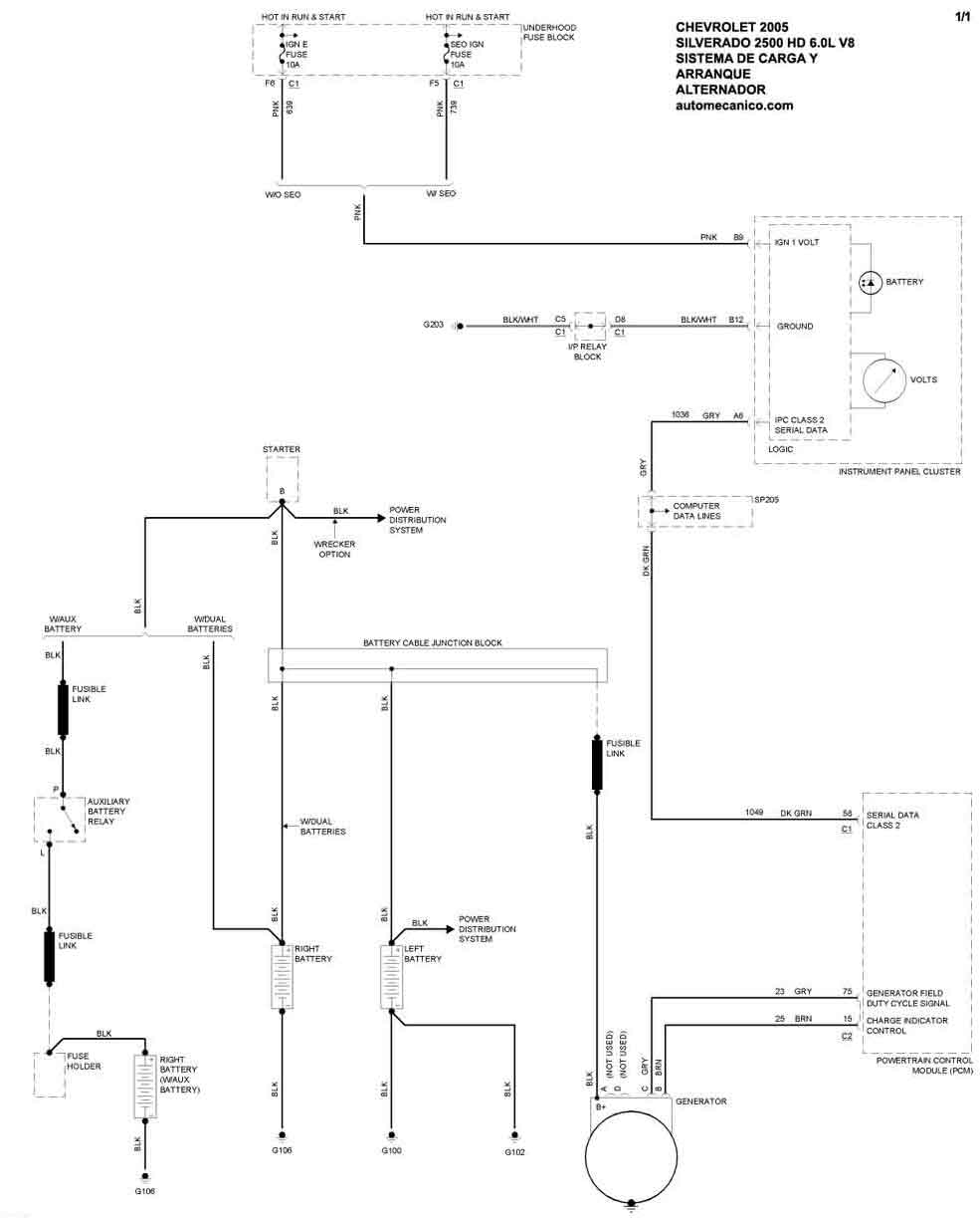
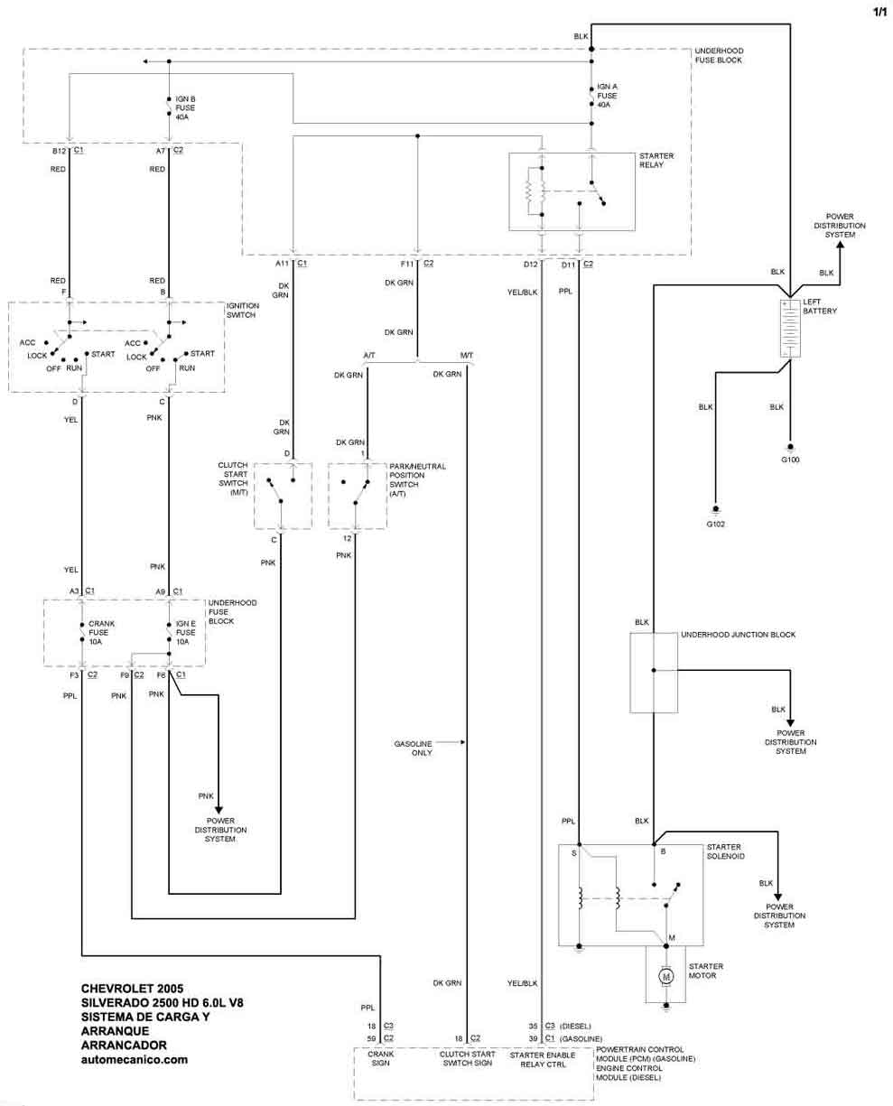
| 2005 | SILVERADO 2500 HD - 6.0L V8 | SIST. DE CARGA | SIST. DE ARRANQUE |
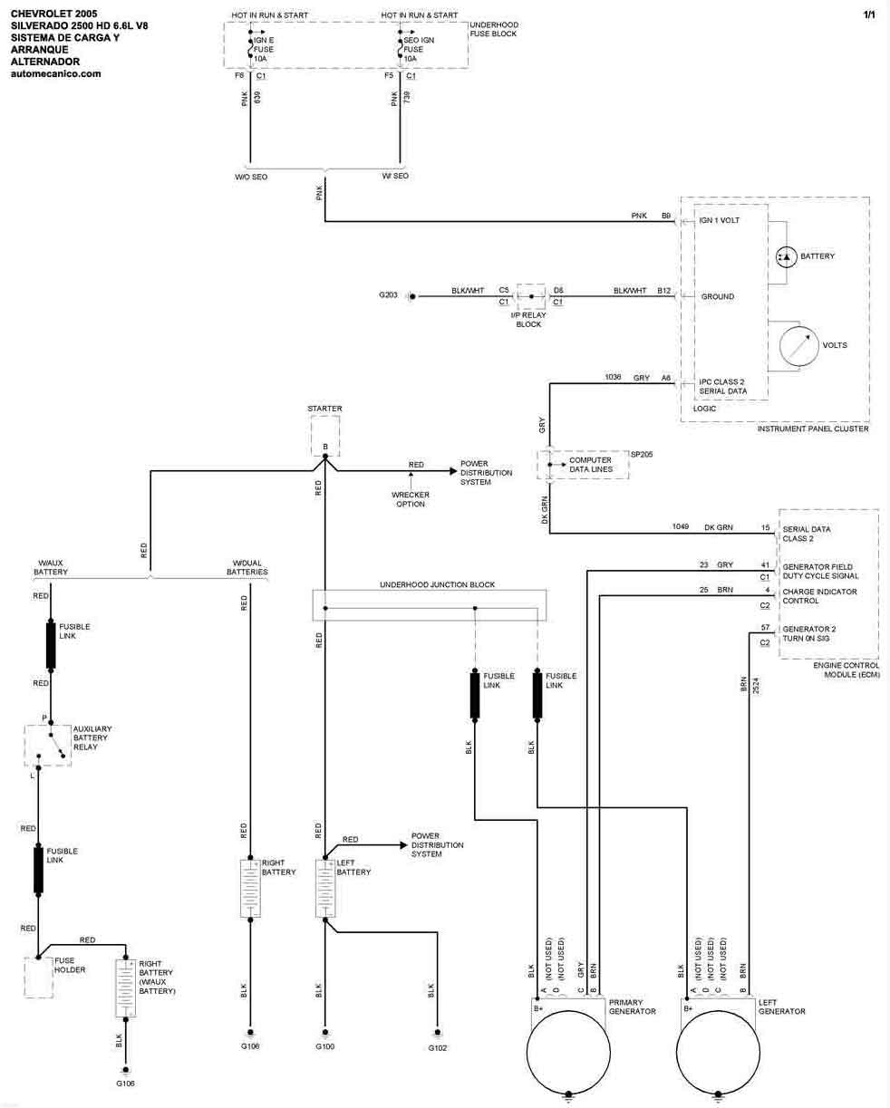
| 2005 | SILVERADO 2500 HD - 6.6L V8 Diesel | SIST. DE CARGA | SIST. DE ARRANQUE |
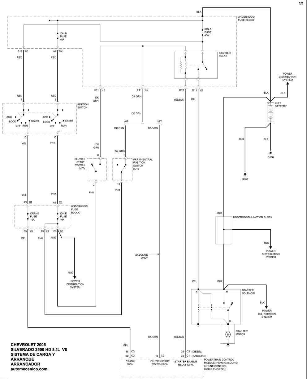
| 2005 | SILVERADO 2500 HD - 8.1L V8 | SIST. DE CARGA | SIST. DE ARRANQUE |
| Volver al listado principal |
