| DIAGRAMAS - SISTEMA DE CARGA Y ARRANQUE - 2005 - Mecanica Automotriz - INDICE |
Diagramas CHEVROLET : Carga y Arranque | Charging and Starting System: - Esquemas - Graphics 2005 - |
| Los Diagramas, listados abajo, se refieren unicamente al Circuito electrico que involucra: Alternador [Generador] y/o; Arrancador [Motor de arranque, Marcha, Starter] - INDICE: CHEVROLET - 2005 - |
| AŃO | Modelo | Alternador | Arrancador |
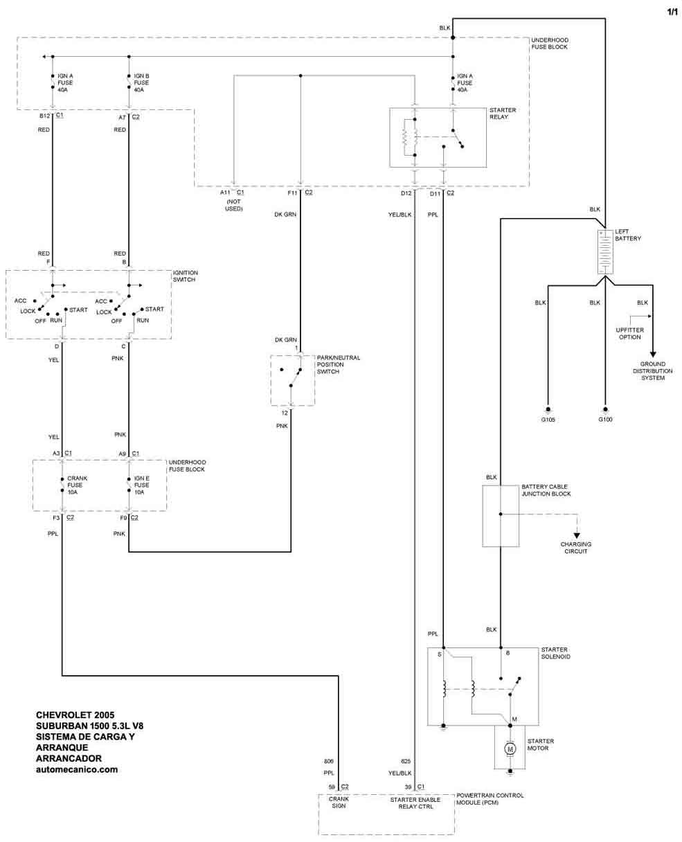
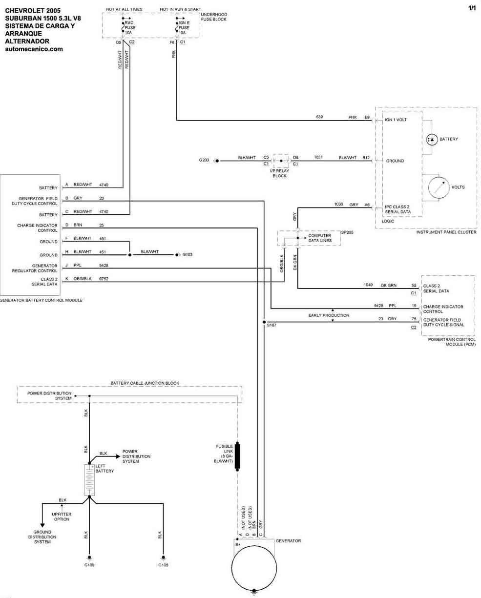
| 2005 | SUBURBAN 1500 - 5.3L V8 | SIST. DE CARGA | SIST. DE ARRANQUE |
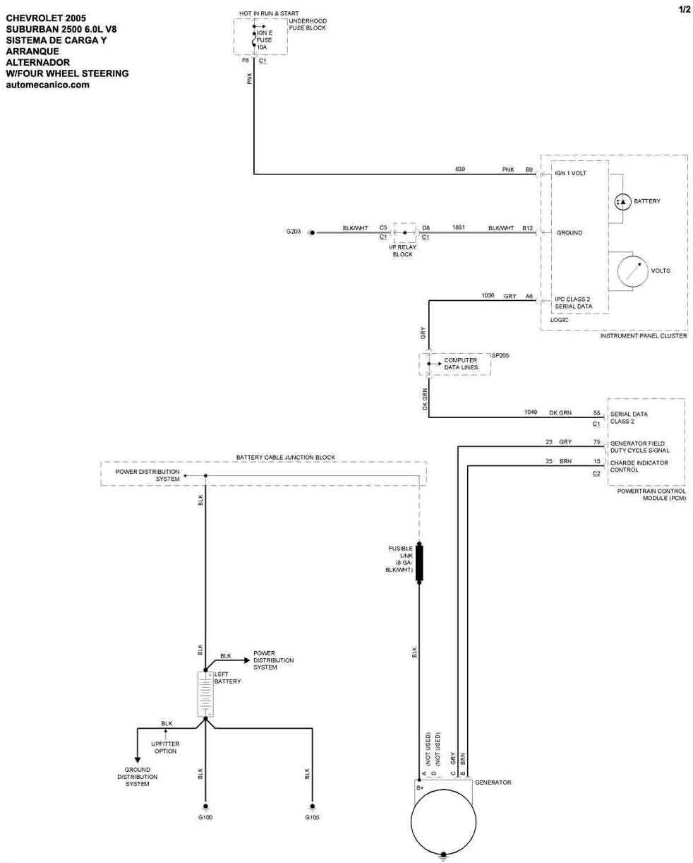
| 2005 | SUBURBAN 2500 - 6.0L V8 CON - FWS | SIST. DE CARGA | SIST. DE ARRANQUE |
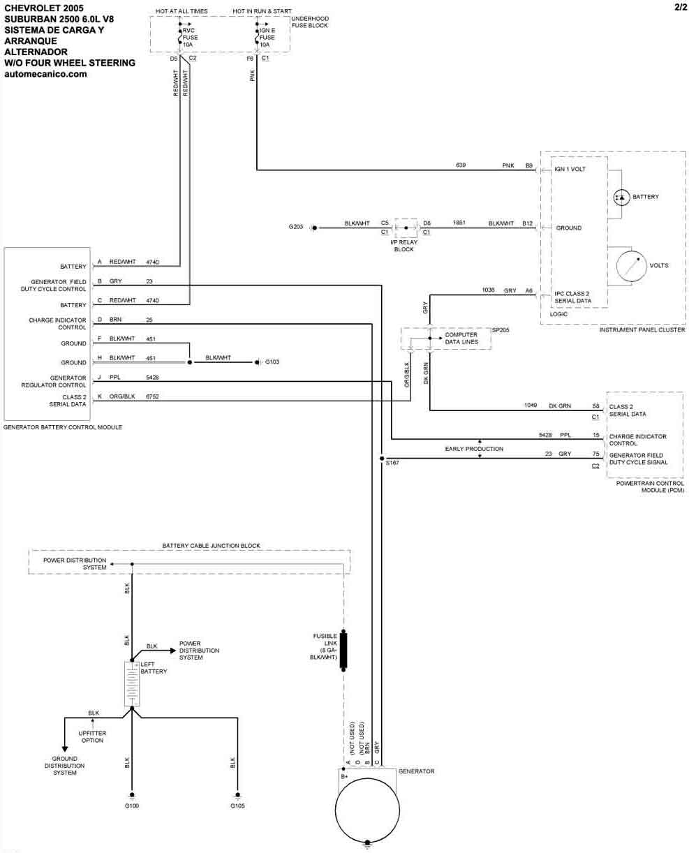
| 2005 | SUBURBAN 2500 - 6.0L V8 SIN - FWS | SIST. DE CARGA | SIST. DE ARRANQUE |
| 2005 | SUBURBAN 2500 - 8.1L V8 | SIST. DE CARGA | SIST. DE ARRANQUE |
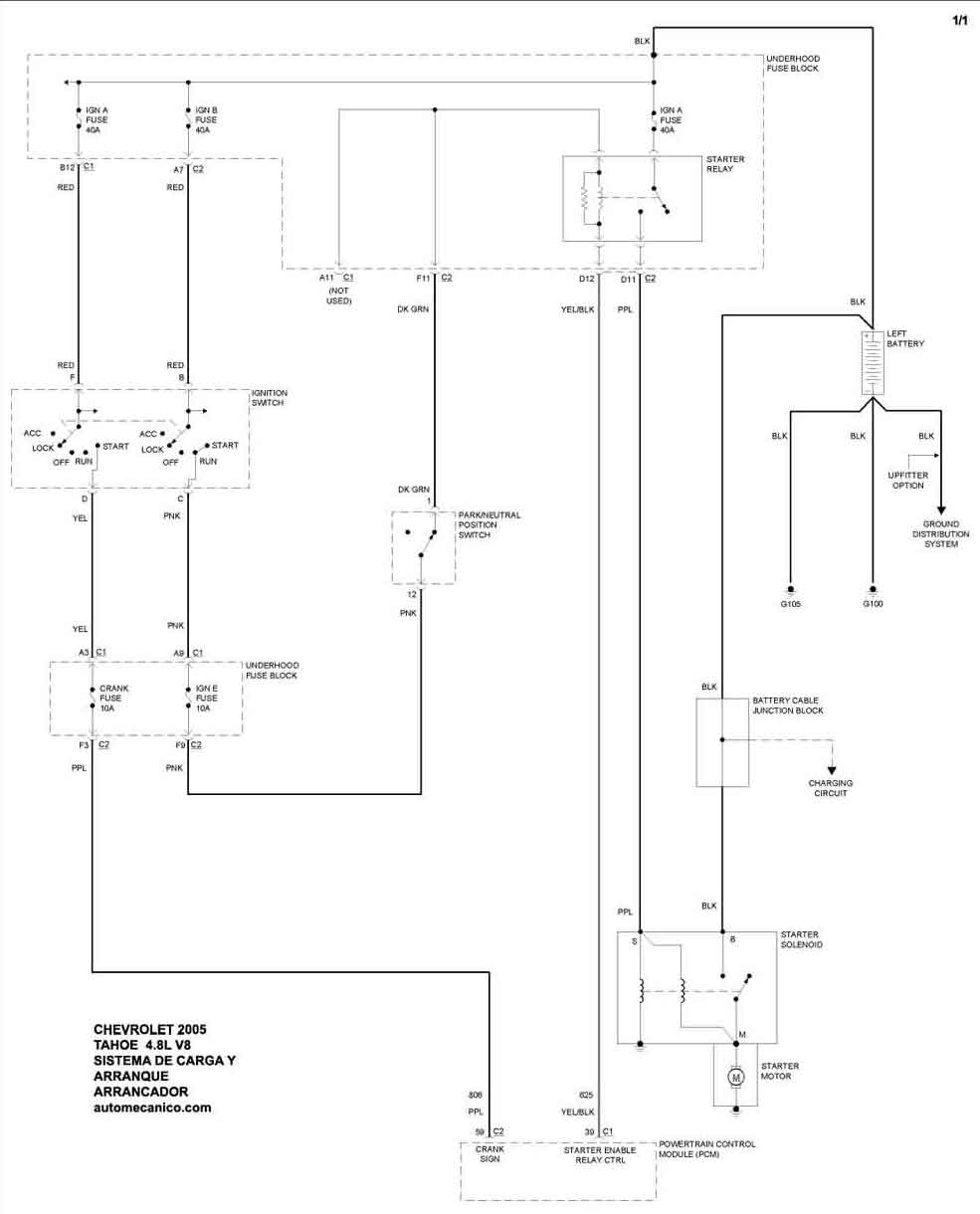
| 2005 | TAHOE - 4.8L V8 | SIST. DE CARGA | SIST. DE ARRANQUE |
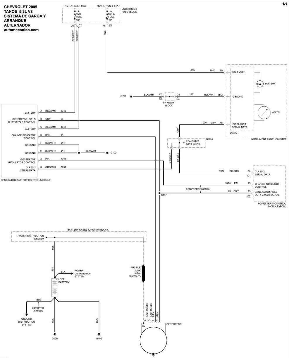
| 2005 | TAHOE - 5.3L V8 | SIST. DE CARGA | SIST. DE ARRANQUE |
| Volver al listado principal |
