| DIAGRAMAS - SISTEMA DE CARGA Y ARRANQUE - 2005 - Mecanica Automotriz - INDICE |
Diagramas CHRYSLER : Carga y Arranque | Charging and Starting System: - Esquemas - Graphics 2005 - |
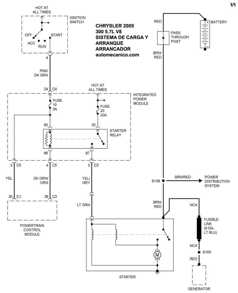
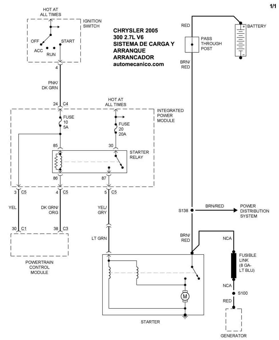
| Los Diagramas, listados abajo, se refieren unicamente al Circuito electrico que involucra: Alternador [Generador] y/o; Arrancador [Motor de arranque, Marcha, Starter] - INDICE: CHRYSLER - 2005 - |
| AŃO | Modelo | Alternador | Arrancador |
| 2005 | 300 - 2.7L V6 Cil. | SIST. DE CARGA | SIST. DE ARRANQUE |
| 2005 | 300 - 3.5L 6 Cil. | SIST. DE CARGA | SIST. DE ARRANQUE |
| 2005 | 300 - 5.7L V8 | SIST. DE CARGA | SIST. DE ARRANQUE |
| 2005 | 300 - 6.1L V8 | SIST. DE CARGA | SIST. DE ARRANQUE |
| Volver al listado principal |
