| DIAGRAMAS - SISTEMA DE CARGA Y ARRANQUE - 2005 - Mecanica Automotriz - INDICE |
Diagramas DODGE : Carga y Arranque | Charging and Starting System: - Esquemas - Graphics 2005 - |
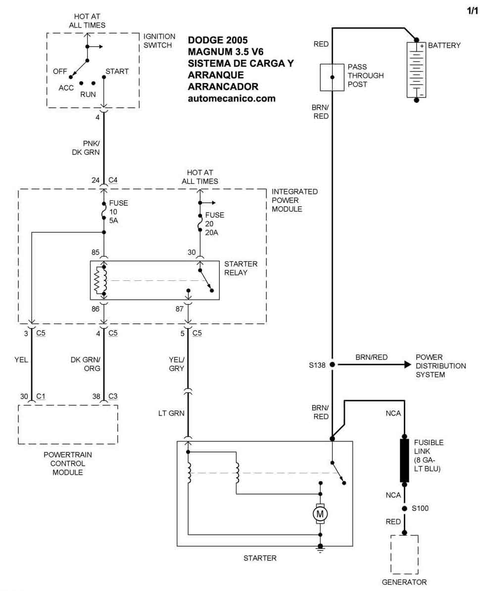
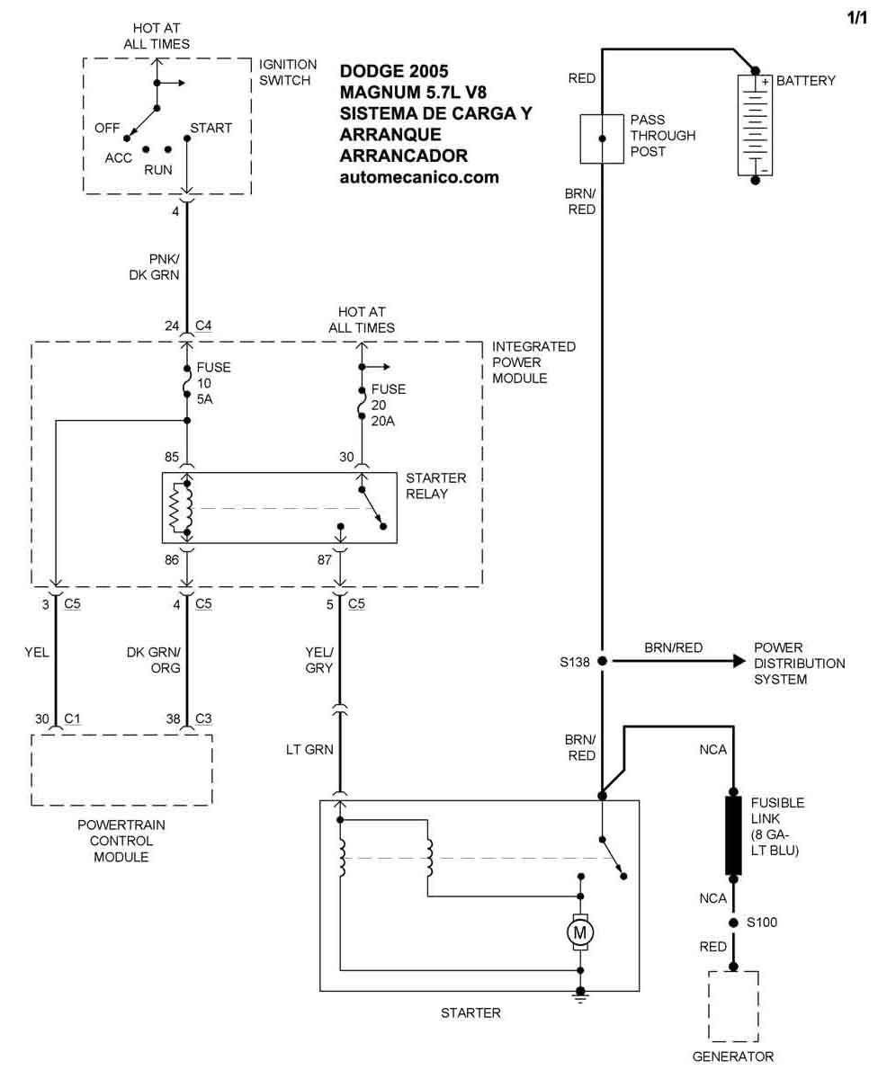
| Los Diagramas, listados abajo, se refieren unicamente al Circuito electrico que involucra: Alternador [Generador] y/o; Arrancador [Motor de arranque, Marcha, Starter] - INDICE: DODGE - 2005 - |
| AŃO | Modelo | Alternador | Arrancador |
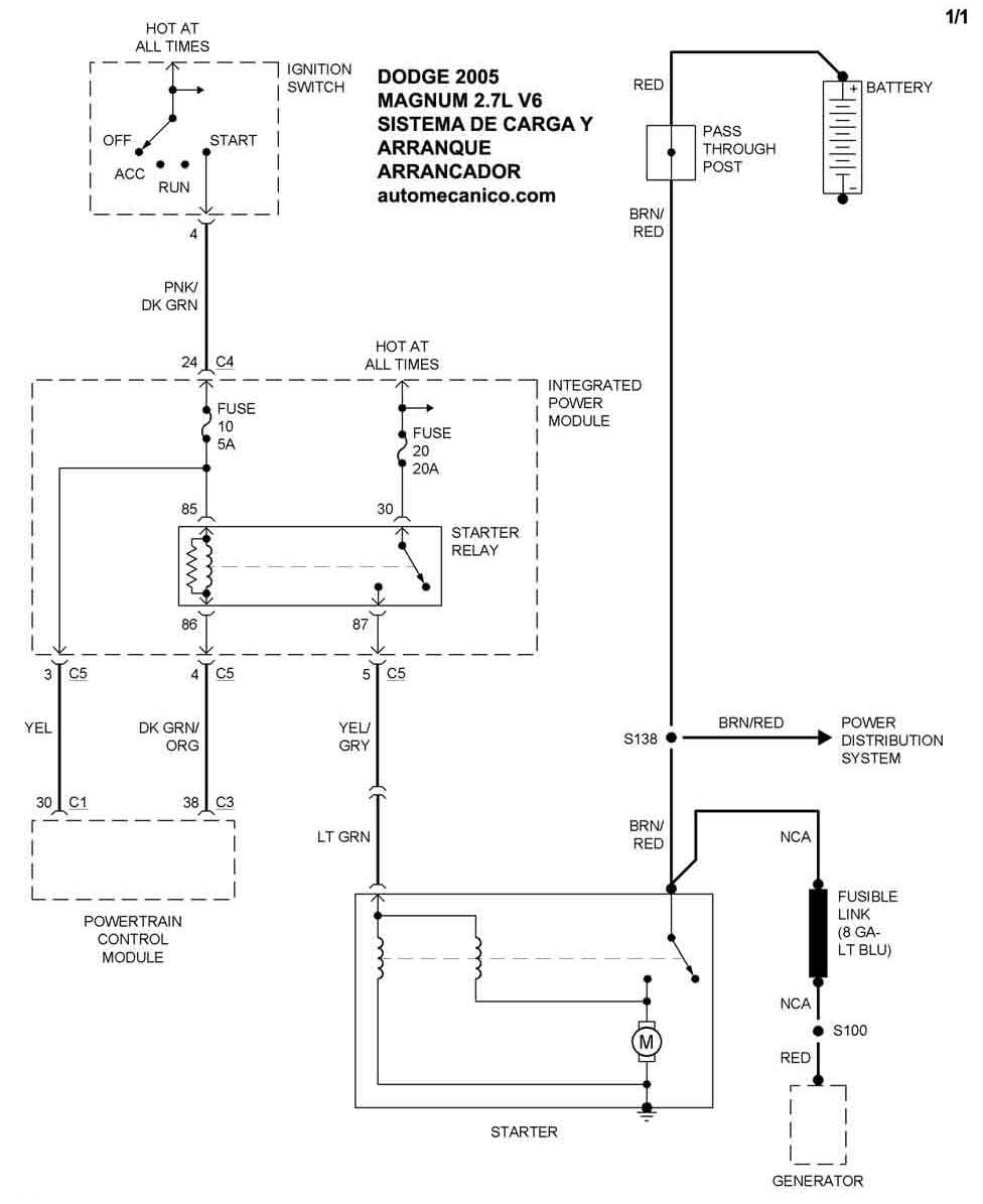
| 2005 | MAGNUN - 2.7L V6 Cil. | SIST. DE CARGA | SIST. DE ARRANQUE |
| 2005 | MAGNUN - 3.5L V6 Cil. | SIST. DE CARGA | SIST. DE ARRANQUE |
| 2005 | MAGNUN - 5.7L V8 Cil. | SIST. DE CARGA | SIST. DE ARRANQUE |
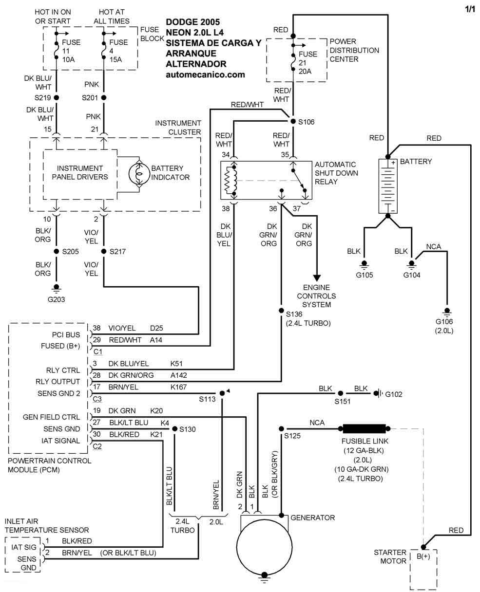
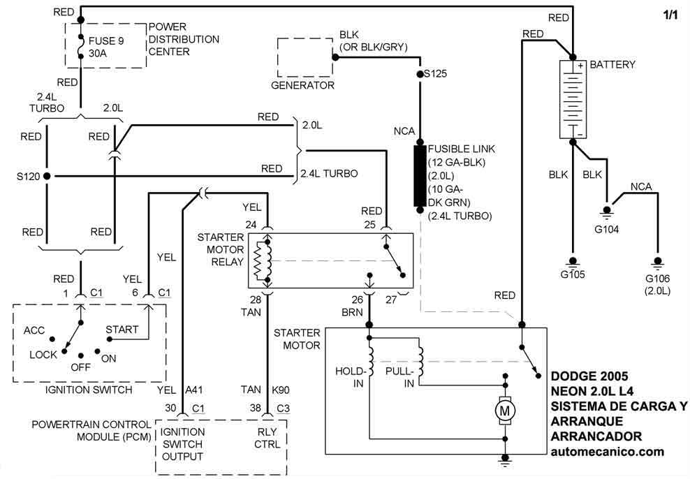
| 2005 | NEON - 2.0L L4 | SIST. DE CARGA | SIST. DE ARRANQUE |
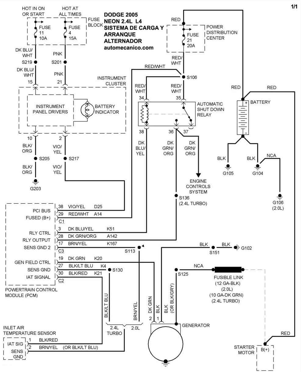
| 2005 | NEON - 2.4L L4 | SIST. DE CARGA | SIST. DE ARRANQUE |
| Volver al listado principal |
