| DIAGRAMAS - SISTEMA DE CARGA Y ARRANQUE - 2005 - Mecanica Automotriz - INDICE |
Diagramas FORD : Carga y Arranque | Charging and Starting System: - Esquemas - Graphics 2005 - |
| Los Diagramas, listados abajo, se refieren unicamente al Circuito electrico que involucra: Alternador [Generador] y/o; Arrancador [Motor de arranque, Marcha, Starter] - INDICE: FORD - 2005 - |
| AŃO | Modelo | Alternador | Arrancador |
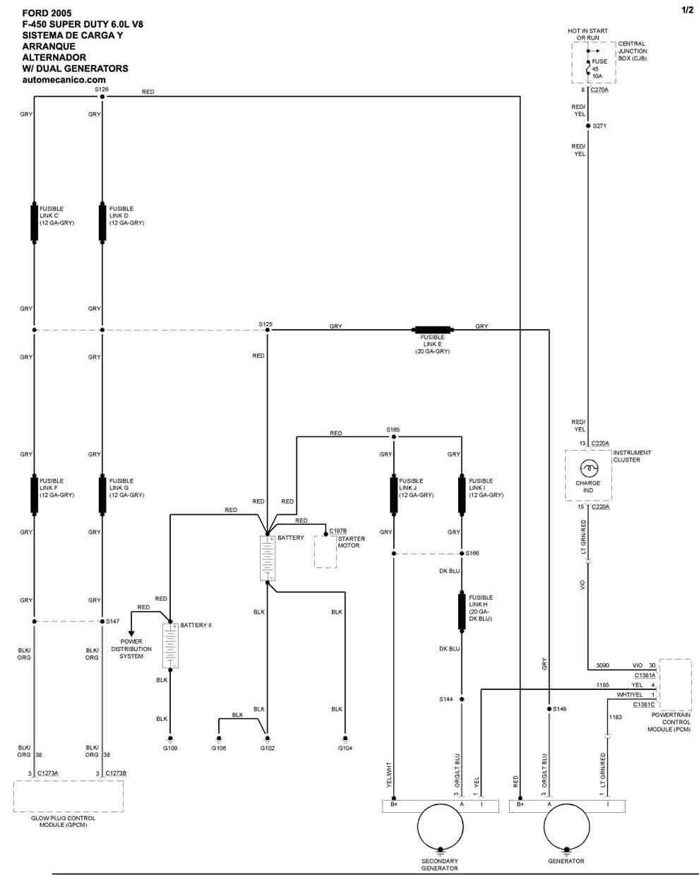
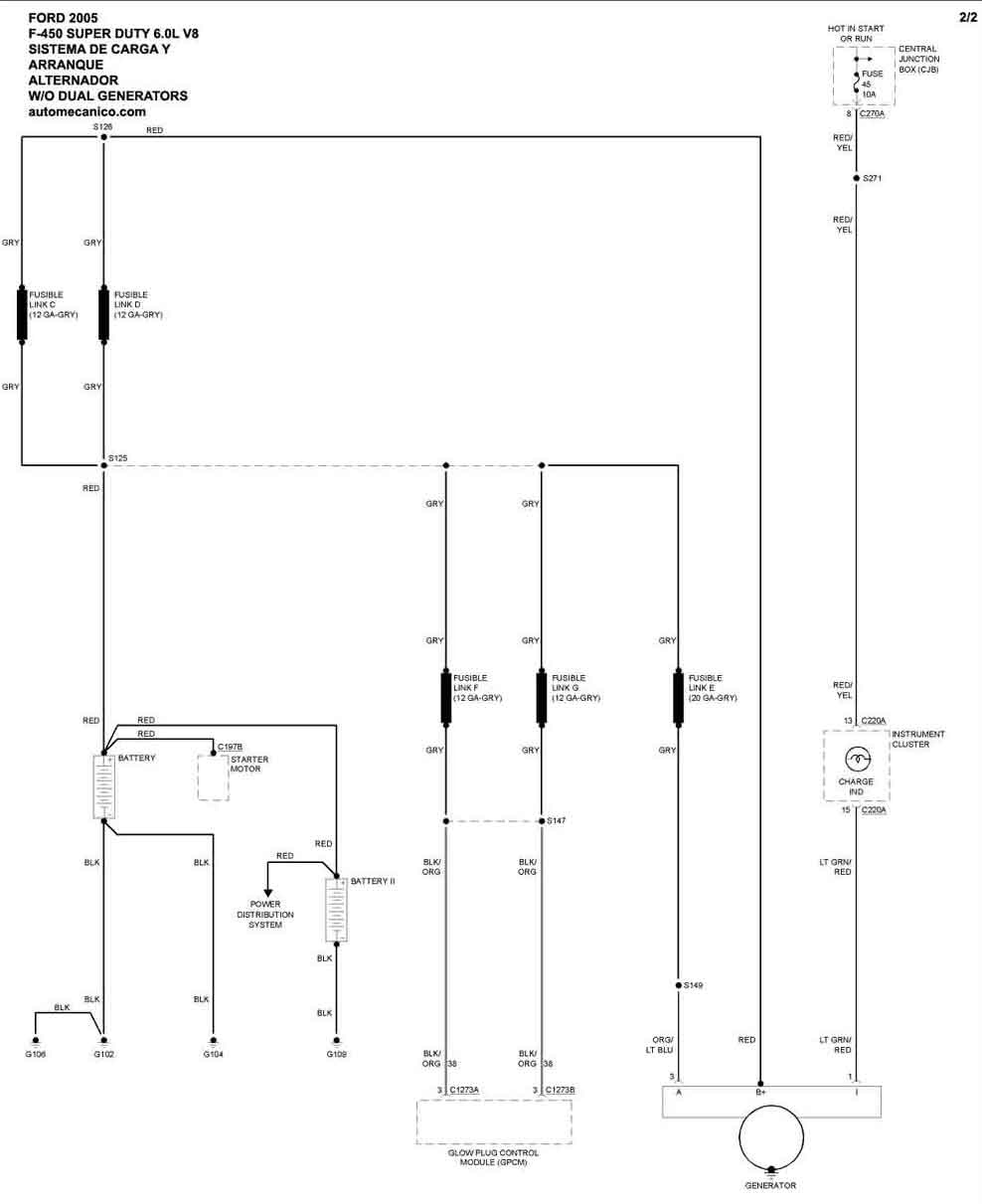
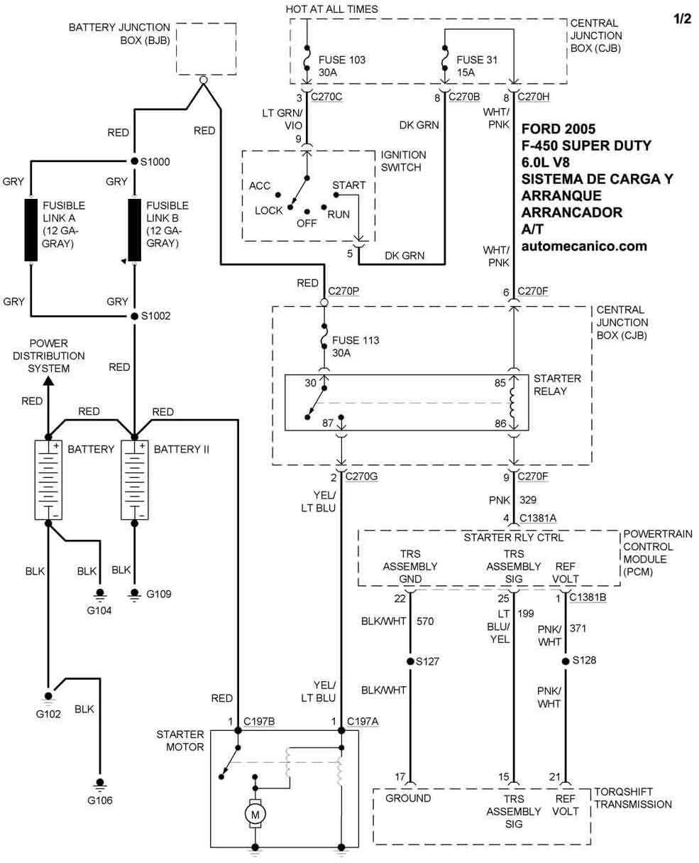
| 2005 | F-450 SD PICKUP - 6.0L V8 | SIST. DE CARGA - DUAL | SIST. DE ARRANQUE T/A |
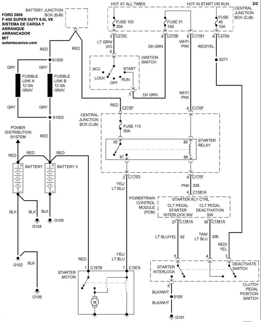
| 2005 | F-450 SD PICKUP - 6.0L V8 | SIST. DE CARGA | SIST. DE ARRANQUE T/M |
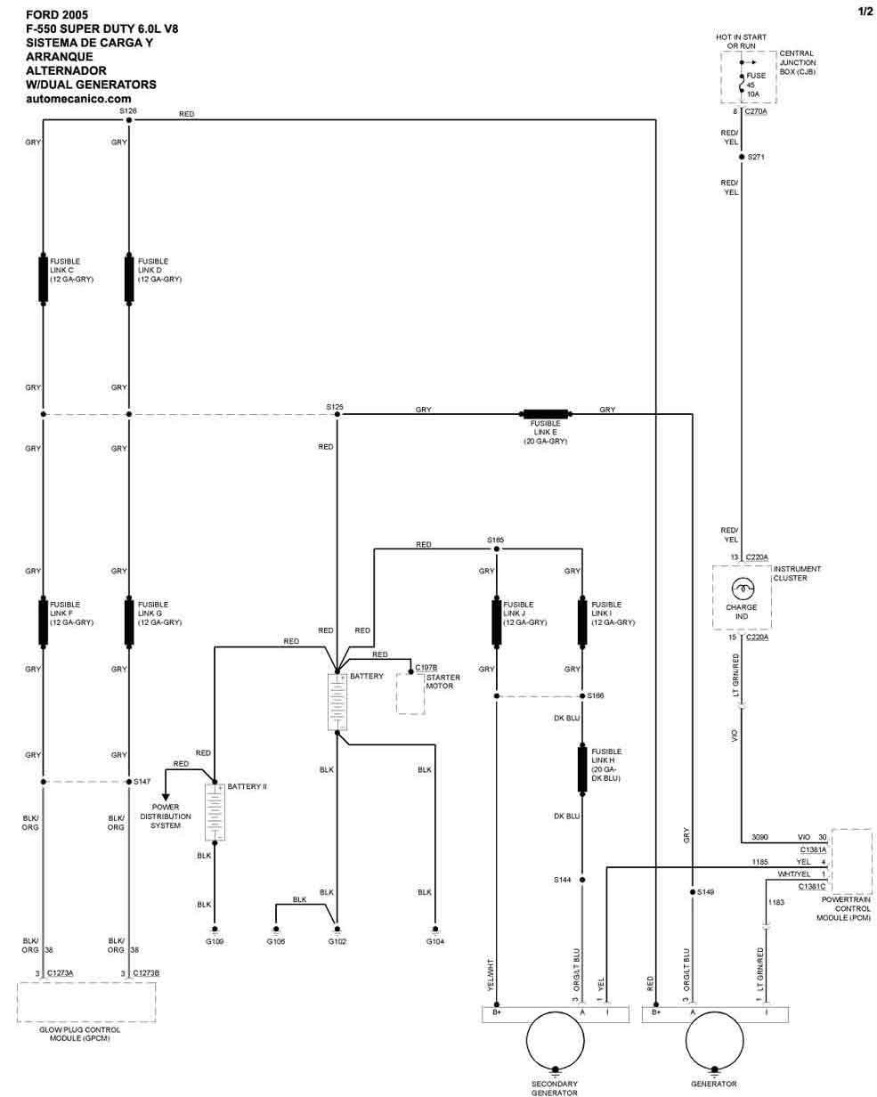
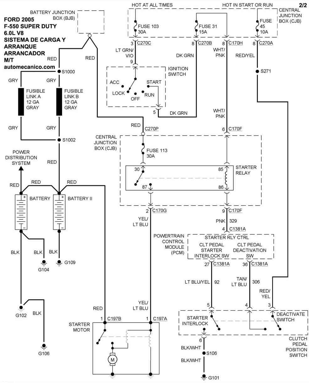
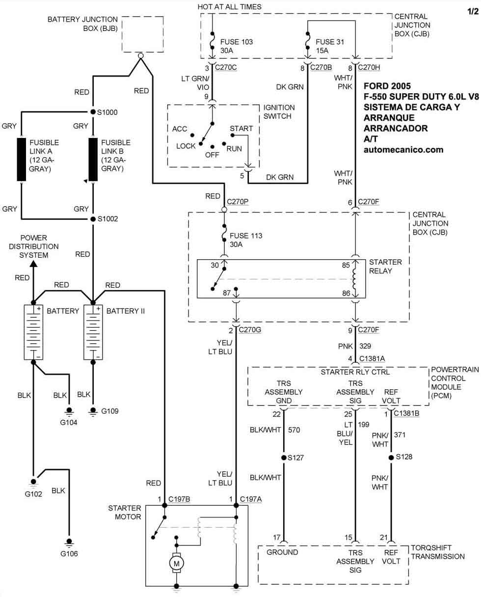
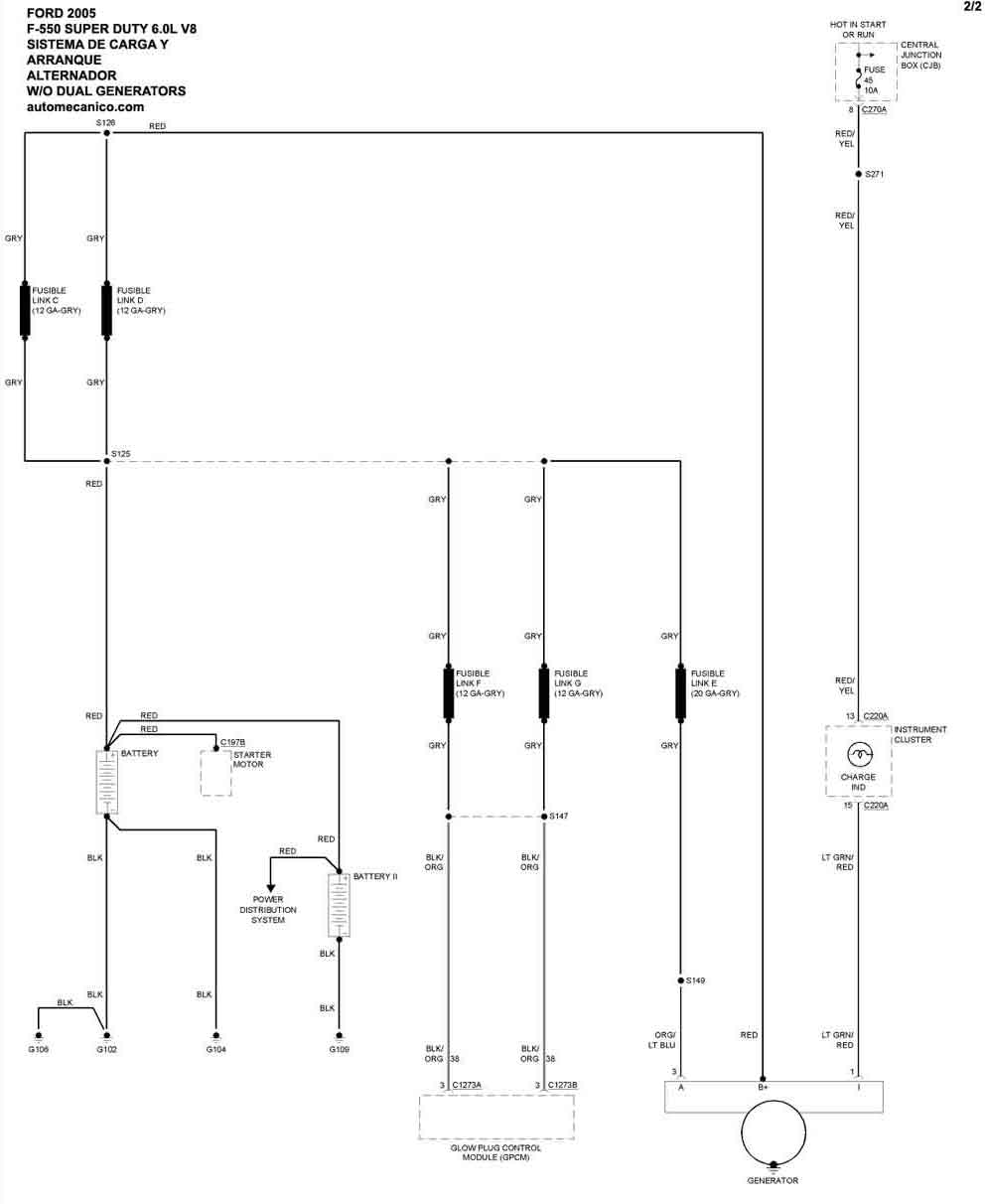
| 2005 | F-550 SD PICKUP - 6.0L V8 | SIST. DE CARGA - DUAL | SIST. DE CARGA T/A |
| 2005 | F-550 SD PICKUP - 6.0L V8 | SIST. DE CARGA | SIST. DE CARGA T/M |
| Volver al listado principal |
