| DIAGRAMAS - SISTEMA DE CARGA Y ARRANQUE - 2005 - Mecanica Automotriz - INDICE |
Diagramas FORD : Carga y Arranque | Charging and Starting System: - Esquemas - Graphics 2005 - |
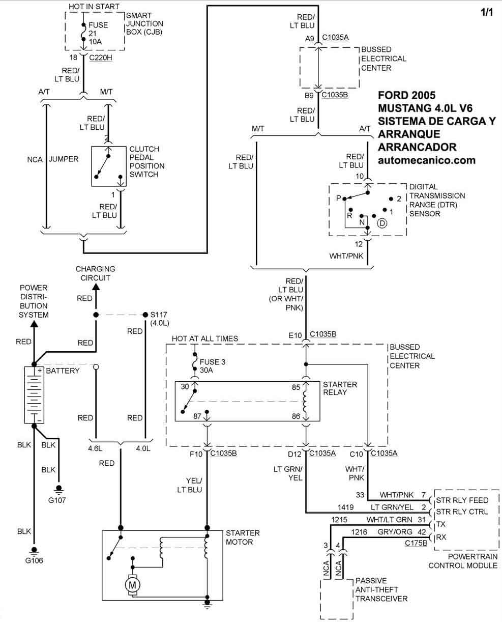
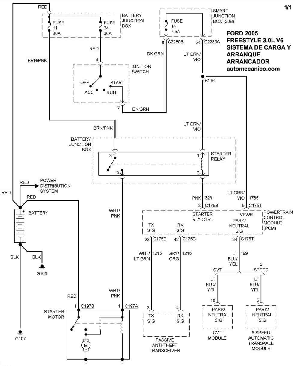
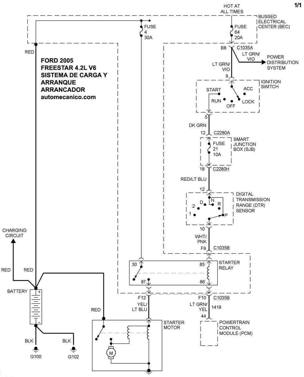
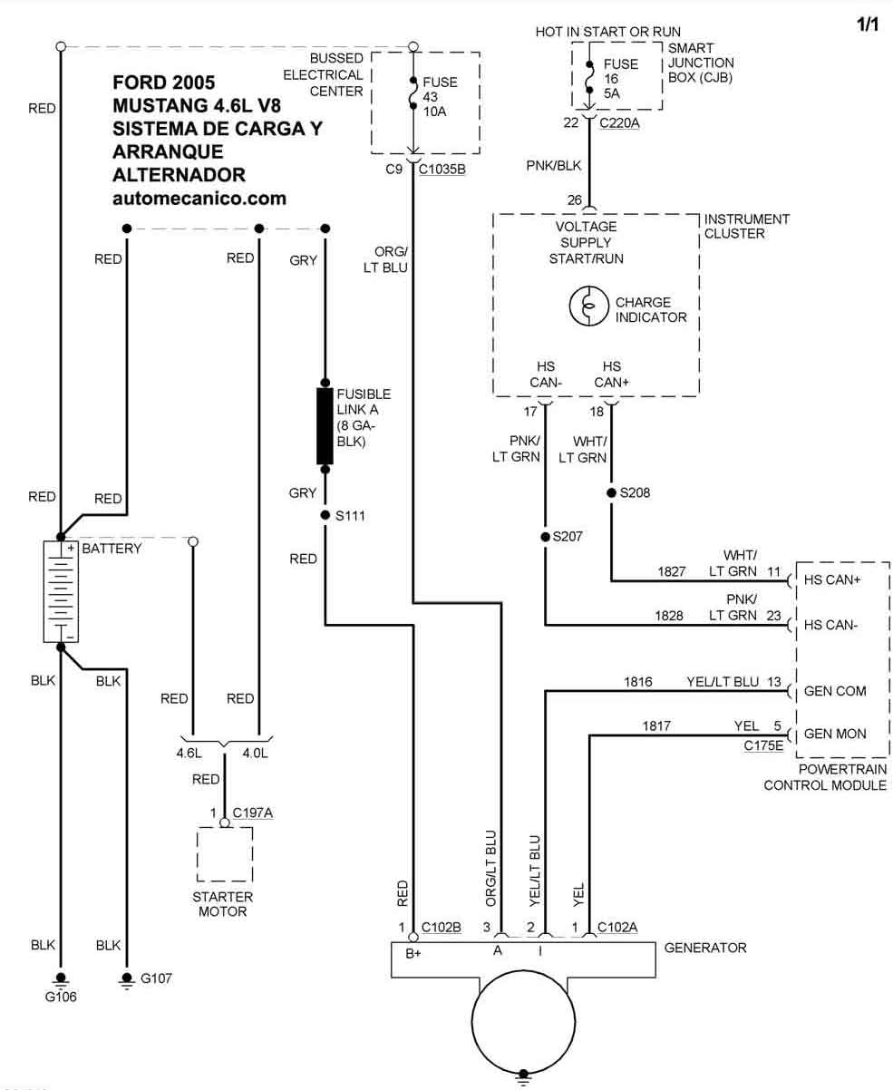
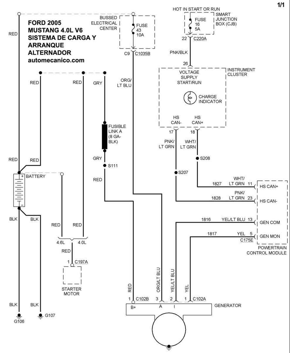
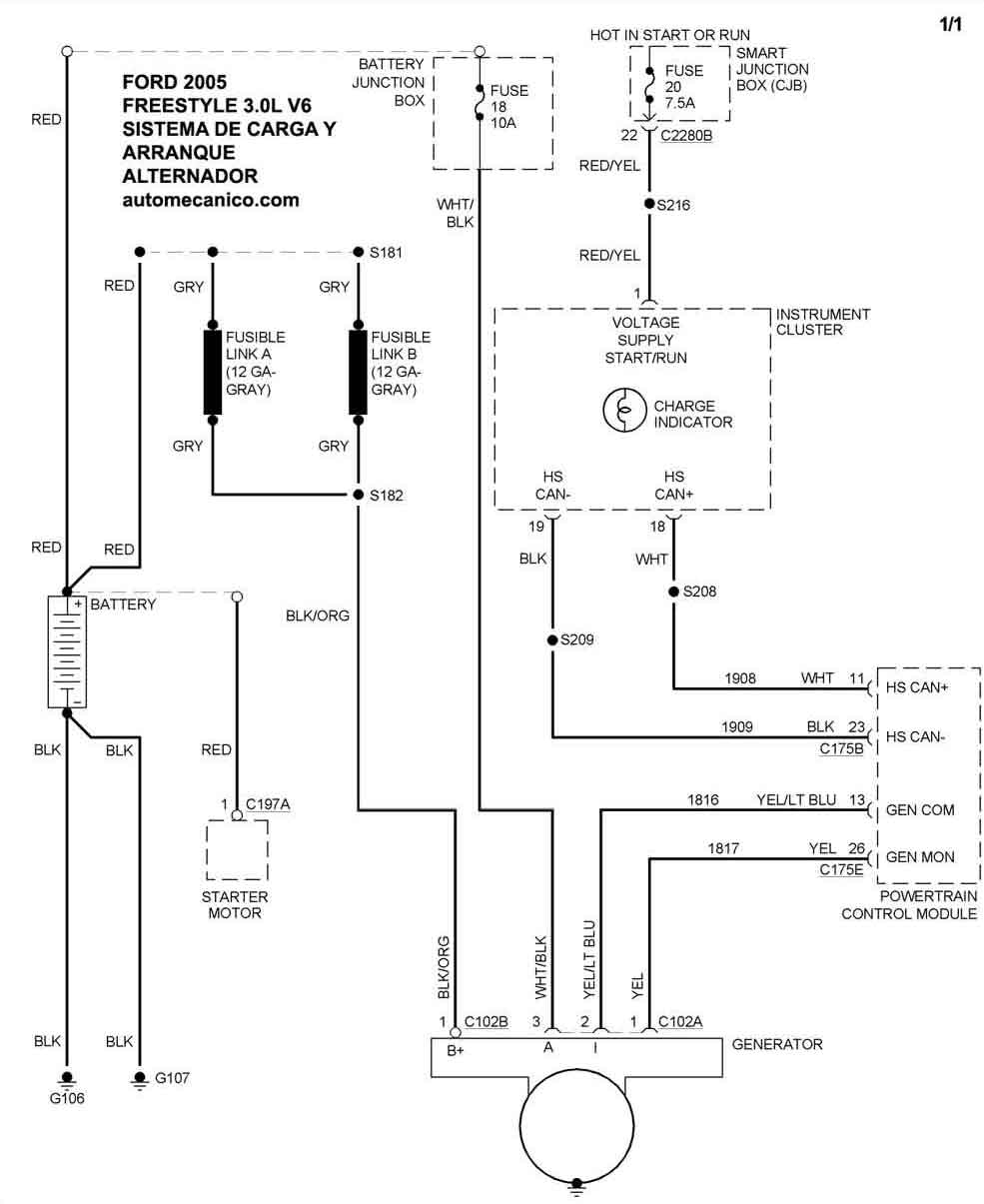
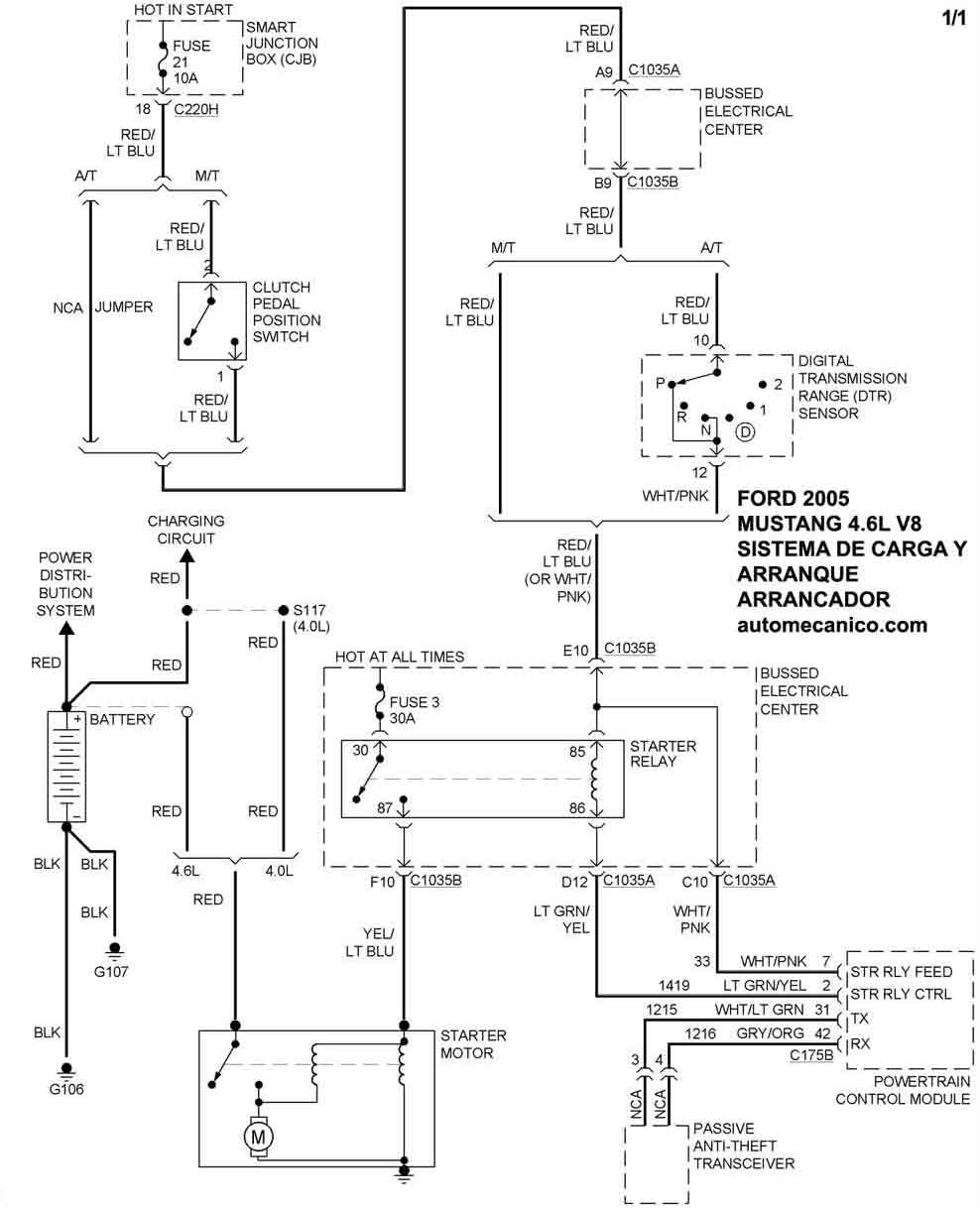
| Los Diagramas, listados abajo, se refieren unicamente al Circuito electrico que involucra: Alternador [Generador] y/o; Arrancador [Motor de arranque, Marcha, Starter] - INDICE: FORD - 2005 - |
| AŃO | Modelo | Alternador | Arrancador |
| 2005 | FREESTAR 3.9L V6 | SIST. DE CARGA | SIST. DE ARRANQUE |
| 2005 | FREESTAR 4.2L V6 | SIST. DE CARGA | SIST. DE ARRANQUE |
| 2005 | FREESTAR 3.0L V6 | SIST. DE CARGA | SIST. DE ARRANQUE |
| 2005 | MUSTANG 4.0L V6 | SIST. DE CARGA | SIST. DE ARRANQUE |
| 2005 | MUSTANG 4.6L V8 | SIST. DE CARGA | SIST. DE ARRANQUE |
| Volver al listado principal |
